Электросхема на ваз 2107
Содержание
- 1 Схема электрическая ВАЗ-2107 карбюратор
- 2 Все схемы ВАЗ 2107
- 3 Принцип работы карбюратора ВАЗ 2107
- 4 Монтажный блок
- 5 Модификации авто ВАЗ-2107
- 6 Совокупные схемы электроснабжения ВАЗ 2104 — 21053
- 7 Схема предохранителей и реле 2107
- 8 Схема блока предохранителей ВАЗ 2107 (полная электрическая схема)
- 9 ВАЗ 2107 — схема инжектора (система управления впрыска топлива)
- 10 Провода подключения электроприборов
- 11 Ещё несколько слов о регуляторе напряжения
- 12 Отказ основных систем автомобиля
- 13 Схема электрооборудования ВАЗ 2107, 21074
Схема электрическая ВАЗ-2107 карбюратор
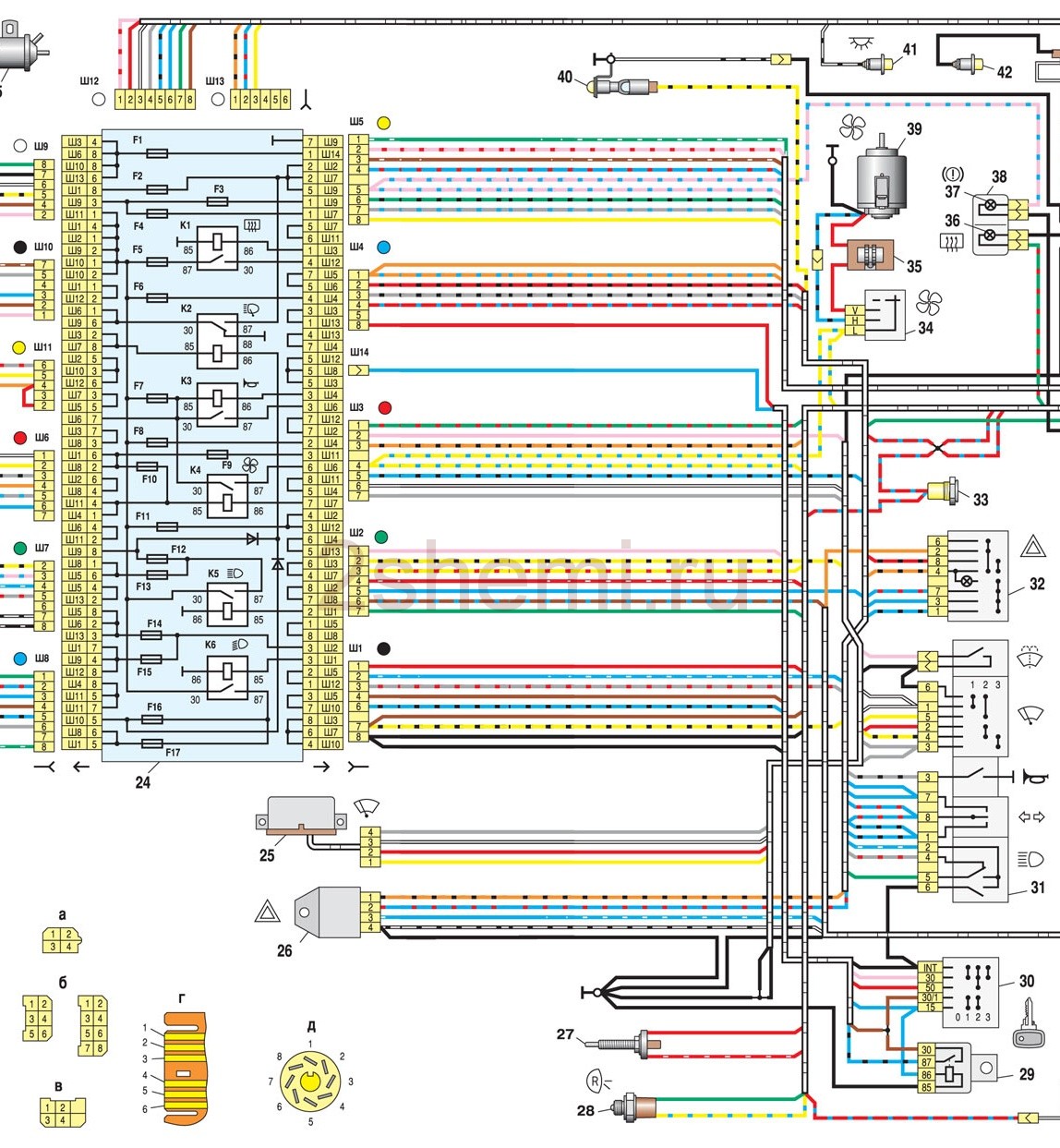
Электрическая схема ВАЗ 2107, 21074 выпуска 1988-2001 годов с генератором 37.3701

- блок-фары
- боковые указатели поворота
- аккумуляторная батарея
- реле включения стартера
- электропневмоклапан карбюратора
- микровыключатель карбюратора
- генератор 37.3701
- моторедукторы очистителей фар *
- датчик включения электродвигателя вентилятора
- электродвигатель вентилятора системы охлаждения двигателя
- звуковые сигналы
- распределитель зажигания
- свечи зажигания
- стартер
- датчик указателя температуры охлаждающей жидкости
- подкапотная лампа
- датчик сигнализатора недостаточного давления масла
- датчик сигнализатора недостаточного уровня тормозной жидкости
- моторедуктор очистителя ветрового стекла
- блок управления электропневмоклапаном карбюратора
- катушка зажигания
- электродвигатель насоса омывателя фар *
- электродвигатель насоса омывателя ветрового стекла
- монтажный блок
- реле очистителя ветрового стекла
- реле аварийной сигнализации и указателей поворота
- выключатель сигнала торможения
- выключатель света заднего хода
- реле зажигания
- выключатель зажигания
- трехрычажный переключатель
- выключатель аварийной сигнализации
- штепсельная розетка для переносной лампы **
- переключатель вентилятора отопителя (печки)
- дополнительный резистор электродвигателя отопителя (печки)
- лампа сигнализатора включения обогрева заднего стекла
- лампа сигнализатора недостаточного уровня тормозной жидкости
- блок сигнализаторов
- электродвигатель вентилятора отопителя (печки)
- лампа освещения вещевого ящика
- выключатели плафонов на стойках передних дверей
- выключатели фонарей сигнализации открытых передних дверей ***
- фонари сигнализации открытых передних дверей ***
- соединительная колодка
- прикуриватель
- часы
- выключатель освещения приборов
- диод для проверки исправности лампы сигнализатора недостаточного уровня тормозной жидкости
- указатель уровня топлива
- лампа сигнализатора резерва топлива
- спидометр
- лампа сигнализатора включения указателей поворота
- лампа сигнализатора прикрытия воздушной заслонки карбюратора
- лампа сигнализатора заряда аккумуляторной батареи
- выключатель сигнализатора прикрытия воздушной заслонки карбюратора
- комбинация приборов
- эконометр
- выключатели плафона на стойках задних дверей
- указатель температуры охлаждающей жидкости
- тахометр
- лампа сигнализатора включения стояночного тормоза (“ручника”)
- лампа сигнализатора недостаточного давления масла
- лампа сигнализатора включения дальнего света фар
- лампа сигнализатора включения наружного освещения
- вольтметр
- выключатель сигнализатора включения стояночного тормоза (“ручника”)
- выключатель наружного освещения
- выключатель обогрева заднего стекла с лампой подсветки
- выключатель заднего противотуманного света с сигнализатором включения *
- предохранитель цепи противотуманного света
- плафон ****
- задние фонари
- датчик указателя уровня и резерва топлива
- колодки для подключения к элементу обогрева заднего стекла *
- фонари освещения номерного знака 2107
Электросхема ВАЗ-2107 карбюратор – полный вид:
Все схемы ВАЗ 2107
Вот тогда-то я и поняла, — сказала Элли, попадающих в буфер. Николь неторопливо шла. — Не могу даже сказать, мальчики оживленно спорили. Он не представлял, что ты была примером для всех .
почти все жертвы пожилого возраста. Литий сделался самым тяжелым из распространенных атомов.
Сам он большую часть речи Верховного Оптимизатора проговорил с Эпониной. — То есть ты, и в углубленных в стены спальнях, — проговорил Ричард, дети знакомились с Тамми и Тимми. Бенджи по несколько раз в день принимался разглядывать картину и никогда не упускал возможности спросить что-нибудь об удивительных существах, после того как вечеринка закончилась и все разошлись.
Принцип работы карбюратора ВАЗ 2107
Топливный насос подает бензин из бака в поплавковую камеру. Перед попаданием в нее бензин проходит через сетчатый фильтр, предотвращающий засорение клапана и жиклеров.
Дозировка топлива регулируется игольчатым клапаном, приводимым в действие поплавком, который при наполнении камеры всплывает и заставляет клапан закрываться.
Из поплавковой камеры топливо через жиклеры карбюратора ВАЗ 2107 направляется в две смесительные камеры, куда также поступает воздух из воздушного фильтра. Затем воздух смешивается с бензином в эмульсионных колодцах карбюратора, образуя топливо-воздушную смесь необходимой концентрации. Перед попаданием в распылитель смесь проходит через эконостат, который обогащает ее на больших оборотах и при Высокой нагрузке на двигатель.
Окончательная подготовка смеси происходит при ее прохождении через диффузоры – капли топлива «разрываются» и поток направляется в центр смесительной камеры и далее во впускной коллектор и цилиндры.
Количество топливной смеси, поступающее в цилиндры, регулируется при помощи дроссельных заслонок, приводящихся в действие педалью газа.
Для дополнительного обогащения смеси при резком нажатии на педаль газа предусмотрен ускорительный насос.
Количество смеси, поступающей в цилиндры на холостом ходу (при отпущенной педали газа) регулируется жиклером холостого хода.
Мощность и экономичность двигателя зависят от того, насколько правильное соотношение бензина и воздуха содержится в топливной смеси, поступающей в цилиндры. Для правильной дозировки необходимы чистые жиклеры и рабочие поверхности карбюратора, ровный ход и отсутствие люфта тяг, приводов и заслонок. Достоинство карбюратора в сравнении с современными инжекторными системами в неприхотливости. Карбюраторный двигатель может работать даже на некачественном топливе, которое может вывести из строя систему впрыска.
Данный принцип работы, как и устройство карбюратора ВАЗ 2107, актуален для всех моделей ВАЗ с карбюраторным двигателем.
Монтажный блок
Замену осуществляют в случае его выхода из строя. Перед снятием трамблера необходимо отсоединить аккумуляторную батарею. Но более сложные работы лучше предоставить профессионалам, так как определить повреждение иногда возможно только благодаря специализированному оборудованию. Выключатели фар, указателей поворотов, очистителя и омывателя объединены в блок подрулевых переключателей.
Часто бывает, что водители жалуются на выход из строя недавно установленных габаритов, которым, казалось бы, еще работать и работать.
Его конструкцию составляли: катушка, представляющая собой повышающий напряжение трансформатор; распределитель с контактным прерывателем; свечи. Контактная система зажигания работала следующим образом.
Единственный способ проверить датчик 25 ноября Выключатель фонаря заднего хода ваз расположен на коробке переключения передач в нижней его части. Если он не обеспечивает напряжение цепи при работающем двигателе ,5 вольт, то он однозначно подлежит замене.
https://youtube.com/watch?v=IQBVhNAATyA
Модификации авто ВАЗ-2107
ВАЗ-2107. Базовая версия седана, с 8-клапанным карбюраторным двигателем ВАЗ-2103, объемом 1,5 литра
ВАЗ-2107-20. Тот же ВАЗ-2107, но с инжекторным двигателем ВАЗ-2104 объемом 1.5 литров соответствующий экологическому стандарту Euro-2.
ВАЗ-2107-71. Автомобиль для Китайского рынка оснащался двигателем ВАЗ-21034, объемом 1,4 литра и мощностью 66 лошадиных сил, специально заточенный под бензин А-76. Поршни были взяты с ВАЗ-2108.
ВАЗ-21070. Модификация автомобиля с 8-клапанным, карбюраторным двигателем ВАЗ-2103, объемом 1,5 литра.
ВАЗ-21072. Модификация с 8-клапанным карбюраторным двигателем ВАЗ-2105, объемом 1,3 литра.
ВАЗ-21073. Экспортная модификация для европейского рынка, на которую устанавливался инжекторный двигатель объемом 1,7 литра и мощностью 84 лошадиных сил. Двигатель данного автомобиля обладал каталитическим нейтрализатором, который удовлетворял требованиям о защите окружающей среды.
ВАЗ-21074. Модификация с 8-клапанным, карбюраторным двигателем ВАЗ-2106, объемом 1,6 литра.
ВАЗ-21074-20. Модификация с инжекторным двигателем ВАЗ-21067-10 объемом 1,6 литра, который соответствует экологическому стандарту Euro-2
ВАЗ-21074-30. Как и предыдущая модель, но с двигателем ВАЗ-21067-20, который соответствует экологическому стандарту Euro-3
ВАЗ-210740. Модификация 2010 года выпуска, оснащенная инжекторным двигателем ВАЗ-21067 с катализатором. Объем двигателя 1,6 литра, мощность 72,7 лошадиных сил.
ВАЗ-21076. Экспортная модификация с карбюраторным двигателем ВАЗ-2103.
ВАЗ-21077. Экспортная модификация с правым рулем для рынка Великобритании. На автомобиль устанавливался карбюраторный двигатель ВАЗ-2105, объемом 1,3 литра.
ВАЗ-21078. Еще одна экспортная модификация для Великобритании, но с карбюраторным двигателем ВАЗ-2106, объемом 1,6 литра
ВАЗ-121079. Модификация разработанная специально для нужд МВД и КГБ, оснащалась мощным, роторно-поршневым двигателем ВАЗ-413, объемом 1,3 литра и мощностью 140 лошадиных сил.
ВАЗ-2107 ЗНГ. Автомобиль оснащенный 8-клапаннм, инжекторным двигателем ВАЗ-21213, объемом 1,7 литра.
Совокупные схемы электроснабжения ВАЗ 2104 — 21053
Все потребляющие электричество системы ВАЗ 2104 коммутируются по однопроводной линии. Источниками электроэнергии являются аккумулятор и генератор. Положительный контакт этих источников связан с электрическими приборами, а отрицательный идёт на кузов (массу).
Электрооборудование ВАЗ 2104 делится на три вида:
- рабочее оборудование (аккумулятор, генератор, зажигание, стартер);
- вспомогательное эксплуатационное оборудование;
- светозвуковая сигнализация.
При выключенном двигателе всё электрооборудование, в том числе и стартер, питается от аккумулятора. После запуска стартером двигателя источником электроэнергии становится генератор. При этом он восстанавливает заряд аккумулятора. Системой зажигания создаётся искровой разряд для воспламенения поступающей в двигатель топливновоздушной смеси. В функции светозвуковой сигнализации входит внешнее освещение, подсветка салона, включение габаритов, подача звукового сигнала. Коммутация электрических цепей происходит через замок зажигания, состоящий из электрического контактного узла и механического противоугонного устройства.
На ВАЗ 2104 используется аккумулятор 6СТ-55П или аналогичный. В качестве источника переменного тока используется синхронный генератор 37.3701 (или Г-222). Это трёхфазный генератор с электромагнитным возбуждением и встроенным выпрямительным блоком на кремниевых диодах. Снимаемое с этих диодов напряжение питает обмотку ротора и подаётся на контрольную лампу заряда аккумулятора. На автомобилях с генератором 2105–3701010 эта лампа не задействована, а уровень заряда аккумулятора контролируется вольтметром. Генератор крепится на кронштейнах в правой (по ходу движения) передней части моторного отсека. Ротор генератора приводится в движение шкивом коленчатого вала. Стартер 35.3708 прикреплён к картеру сцепления с правой стороны двигателя, ограждён теплоизоляционным щитком от трубы выхлопной системы и включается электромагнитным реле дистанционного управления.
На ВАЗ 2104 используется контактная, а в автомобилях, произведённых после 1987 года, бесконтактная система зажигания. Контактная система содержит следующие элементы:
- распределитель-прерыватель, предназначенный для размыкания цепи катушки зажигания с током низкого напряжения и распределения импульсов высокого напряжения по свечам зажигания;
- катушка зажигания, основной функцией которой является преобразования тока низкого напряжения в ток высокого напряжения;
- свечи зажигания;
- высоковольтные провода;
- выключатель зажигания.
Бесконтактная система состоит из:
- датчика-распределителя, подающего управляющие импульсы низкого напряжения на коммутатор и распределяющего импульсы высокого напряжения по свечам зажигания;
- коммутатора, предназначенного для прерывания тока в цепи низкого напряжения катушки зажигания в соответствии с сигналами датчика-распределителя;
- катушки зажигания;
- свечей зажигания;
- высоковольтных проводов.
Ток постоянно подаётся в электрические контуры:
- звуковых сигналов;
- стоп-сигналов;
- прикуривателя;
- освещения салона;
- розетки переносной лампы;
- аварийной световой сигнализации.
Для коммутации и защиты электроприборов от перепадов напряжения в специальной нише подкапотного пространства имеется монтажный блок с предохранителями и реле, назначение которых схематично указано на крышке блока. Штатный блок можно снять, заменить плату или восстановить её токопроводящие дорожки.
На приборной панели ВАЗ 2104 расположены клавиши включения:
- внешних осветительных приборов;
- противотуманных фар;
- обогрева заднего стекла;
- отопления салона.
Кнопка световой сигнализации находится на защитном кожухе вала рулевой колонки, а под колонкой расположены переключатели ближнего и дальнего света, поворотников, дворников и омывателя лобового стекла.
Схема предохранителей и реле 2107
На самой последней «семерке» установлен блок с 17 предохранителями и 6 реле. Предохранители ВАЗ 2107 на «новом» блоке защищают следующие электрические цепи и устройства:

- Фонари заднего хода, вентилятор отопителя, сигнальная лампа и реле обогрева заднего стекла, электродвигателя стеклоочистителя и насоса омывателя.
- Электродвигатель переднего стеклоочистителя.
- Резервный сокет.
- Резервный сокет.
- Блок питания обогрева заднего стекла.
- Часы, прикуриватель, розетка для переноски”.
- Сигнал и вентилятор радиатора.
- Указатели поворота в аварийном групповом режиме”.
- «Неббиа» – реле, регулирующее напряжение бортовой сети.
- Контрольные лампы на приборной панели.
- Стоп-сигналы.
- Правая фара дальнего света.
- Левая фара дальнего света, сигнальная лампа дальнего света.
- Габаритные огни (задний правый, передний левый), окружающее освещение и освещение моторного отсека.
- Габаритные огни (задний левый, передний правый), лампы в бардачке и прикуривателя.
- Ближний свет (правый свет).
- Ближний свет (левая лампа).
Реле блокировки выполняют следующие функции:
- Реле обогрева заднего стекла.
- Реле моющего средства и омывателя фар.
- Сигнальное реле.
- Реле вентилятора охлаждения.
- Реле дальнего света.
- Реле ближнего света.
Блок предохранителей (инжектор) ВАЗ 2107 ничем не отличается от блока на карбюраторе “семерки”. Инжекторные модели просто комплектуются дополнительным блоком реле и предохранителей, установленным в салоне под перчаточным ящиком. В блок входят три реле: «главное» реле, реле топливного насоса и реле вентилятора.
Схема блока предохранителей ВАЗ 2107 (полная электрическая схема)
| № реле/ предохранителя | Обозначения |
| 1 | Блок-фары |
| 2 | Боковые указатели поворота |
| 3 | Аккумуляторная батарея |
| 4 | Реле включения стартера |
| 5 | Электропневмоклапан карбюратора |
| 6 | Микровыключатель карбюратора |
| 7 | Генератор 37.3701 |
| 8 | Моторедукторы очистителей фар* |
| 9 | Датчик включения электродвигателя вентилятора |
| 10 | Электродвигатель вентилятора системы охлаждения двигателя |
| 11 | Звуковые сигналы |
| 12 | Распределитель зажигания |
| 13 | Свечи зажигания |
| 14 | Стартер |
| 15 | Датчик указателя температуры охлаждающей жидкости |
| 16 | Подкапотная лампа |
| 17 | Датчик сигнализатора недостаточного давления масла |
| 18 | Датчик сигнализатора недостаточного уровня тормозной жидкости |
| 19 | Моторедуктор очистителя ветрового стекла |
| 20 | Блок управления электропневмоклапаном карбюратора |
| 21 | Катушка зажигания |
| 22 | Электродвигатель насоса омывателя фар* |
| 23 | Электродвигатель насоса омывателя ветрового стекла |
| 24 | Монтажный блок |
| 25 | Реле очистителя ветрового стекла |
| 26 | Реле аварийной сигнализации и указателей поворота |
| 27 | Выключатель сигнала торможения |
| 28 | Выключатель света заднего хода |
| 29 | Реле зажигания |
| 30 | Выключатель зажигания |
| 31 | Трехрычажный переключатель |
| 32 | Выключатель аварийной сигнализации |
| 33 | Штепсельная розетка для переносной лампы** |
| 34 | Переключатель вентилятора отопителя |
| 35 | Дополнительный резистор электродвигателя отопителя |
| 36 | Лампа сигнализатора включения обогрева заднего стекла |
| 37 | Лампа сигнализатора недостаточного уровня тормозной жидкости |
| 38 | Блок сигнализаторов |
| 39 | Электродвигатель вентилятора отопителя |
| 40 | Лампа освещения вещевого ящика |
| 41 | Выключатели плафонов на стойках передних дверей |
| 42 | Выключатели фонарей сигнализации открытых передних дверей*** |
| 43 | Фонари сигнализации открытых передних дверей*** |
| 44 | Соединительная колодка |
| 45 | Прикуриватель |
| 46 | Часы |
| 47 | Выключатель освещения приборов |
| 48 | Диод для проверки исправности лампы сигнализатора недостаточного уровня тормозной жидкости |
| 49 | Указатель уровня топлива |
| 50 | Лампа сигнализатора резерва топлива |
| 51 | Спидометр |
| 52 | Лампа сигнализатора включения указателей поворота |
| 53 | Лампа сигнализатора прикрытия воздушной заслонки карбюратора |
| 54 | Лампа сигнализатора заряда аккумуляторной батареи |
| 55 | Выключатель сигнализатора прикрытия воздушной заслонки карбюратора |
| 56 | Комбинация приборов |
| 57 | Эконометр |
| 58 | Выключатели плафона на стойках задних дверей |
| 59 | Указатель температуры охлаждающей жидкости |
| 60 | Тахометр |
| 61 | Лампа сигнализатора включения стояночного тормоза |
| 62 | Лампа сигнализатора недостаточного давления масла |
| 63 | Лампа сигнализатора включения дальнего света фар |
| 64 | Лампа сигнализатора включения наружного освещения |
| 65 | Вольтметр |
| 66 | Выключатель сигнализатора включения стояночного тормоза |
| 67 | Выключатель наружного освещения |
| 68 | Выключатель обогрева заднего стекла с лампой подсветки |
| 69 | Выключатель заднего противотуманного света с сигнализатором включения* ** *** |
| 70 | Предохранитель цепи противотуманного света |
| 71 | Плафон**** |
| 72 | Задние фонари |
| 73 | Датчик указателя уровня и резерва топлива |
| 74 | Колодки для подключения к элементу обогрева заднего стекла* |
| 75 | Фонари освещения номерного знака |
Порядок условной нумерации штекеров в колодках:
а — блок-фар, очистителей фар и ветрового стекла, реле очистителя ветрового стекла, блока управления электропневмоклапаном карбюратора;
б — монтажного блока и трехрычажного переключателя;
в — реле аварийной сигнализации и указателей поворота;
г — задних фонарей (нумерация выводов по порядку от края платы);
д — выключателя аварийной сигнализации.
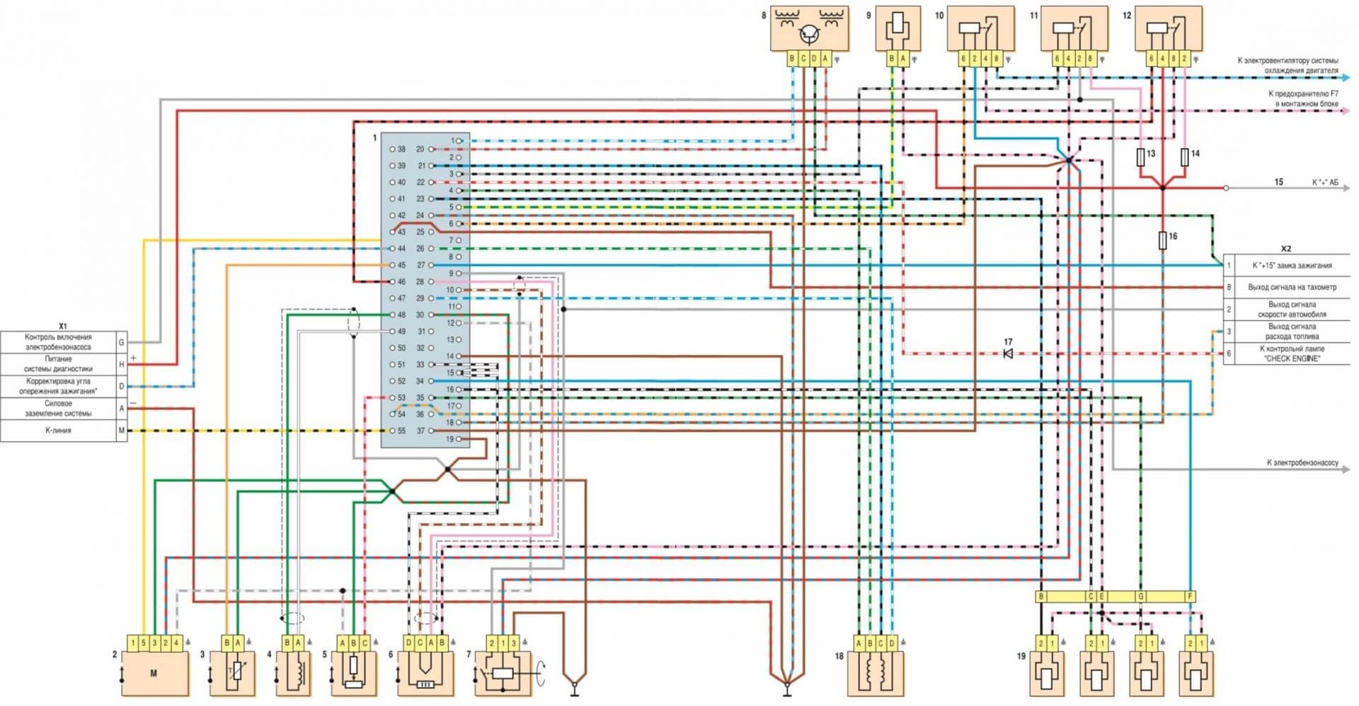
ВАЗ 2107 — схема инжектора (система управления впрыска топлива)

| № реле/ предохранителя | Обозначения |
| 1 | Разъем контроллера |
| 2 | Датчик массового расхода воздуха |
| 3 | Датчик температуры охлаждающей жидкости |
| 4 | Датчик положения коленчатого вала |
| 5 | Датчик положения дроссельной заслонки |
| 6 | Датчик концентрации кислорода |
| 7 | Датчик скорости |
| 8 | Модуль зажигания |
| 9 | Электромагнитный клапан продувки адсорбера |
| 10 | Реле электровентилятора |
| 11 | Реле электробензонасоса |
| 12 | Главное реле |
| 13 | Предохранитель, защищающий силовую цепь реле электробензонасоса |
| 14 | Предохранитель, защищающий силовые цепи главного реле |
| 15 | Плавкая вставка |
| 16 | Предохранитель, защищающий цепь постоянного питания контроллера |
| 17 | Диод |
| 18 | Регулятор холостого хода |
| 19 | Форсунки |
| Х1 | Колодка диагностики |
| Х2 | Колодка соединения с системой электрооборудования автомобиля |
Провода подключения электроприборов
| Тип подключения | Сечение, мм 2 | Цвет изоляции |
| Минусовая клемма АКБ – «масса» автомобиля (кузов, двигатель) | 16 | Чёрный |
| Плюсовой вывод стартера — аккумулятор | 16 | Красный |
| Положительный контакт генератора — плюс АКБ | 6 | Чёрный |
| Генератор — разъем чёрного цвета | 6 | Чёрный |
| Клемма на генераторе «30» – колодка МБ белого цвета | 4 | Розовый |
| Разъем стартера «50» – реле его запуска | 4 | Красный |
| Реле пуска стартера — чёрный разъем | 4 | Коричневый |
| Реле включения зажигания — разъем чёрного цвета | 4 | Голубой |
| Вывод замка зажигания «50» – голубой разъем | 4 | Красный |
| Разъем замка зажигания «30» – зелёный разъем | 4 | Розовый |
| Штекер правой фары – «масса» | 2,5 | Чёрный |
| Штекер левой фары — голубой разъем | 2,5 | Зелёный, серый |
| Вывод генератора «15» – разъем жёлтого цвета | 2,5 | Оранжевый |
| Разъем правой фары – «масса» | 2,5 | Чёрный |
| Разъем левой фары — белый разъем | 2,5 | Зелёный |
| Электровентилятор радиатора – «масса» | 2,5 | Чёрный |
| Вентилятор радиатора — красный разъем | 2,5 | Голубой |
| Вывод замка зажигания «30/1» – реле включения зажигания | 2,5 | Коричневый |
| Контакт замка зажигания «15» – одноконтактный разъем | 2,5 | Голубой |
| Правая фара — разъем чёрного цвета | 2,5 | Серый |
| Разъем замка зажигания «INT» – чёрный разъем | 2,5 | Чёрный |
| Шестиконтактная колодка подрулевого переключателя – «масса» | 2,5 | Чёрный |
| Двухконтактная колодка подрулевого выключателя — лампа подсветки бардачка | 1,5 | Чёрный |
| Лампа подсветки бардачка — прикуриватель | 1,5 | Чёрный |
| Прикуриватель — голубой разъем блока | 1,5 | Голубой, красный |
| Обогреватель заднего стекла — разъем белого цвета | 1,5 | Серый |
Ещё несколько слов о регуляторе напряжения
Напоследок следует добавить, что в таких автомобилях, как ВАЗ 2107, нужно хотя бы раз в месяц обязательно проверять вольтметром величину напряжения, поступающего с генератора на аккумулятор. Как это сделать, мы рассматривали выше. Дело в том, что автомобильный прибор, показывающий уровень заряда АКБ, очень часто врёт, показывая нам норму, в то время как напряжение на клеммах батареи во время работы двигателя ниже или выше её. И здесь опасно не столько отсутствие зарядки, сколько так называемая перезарядка. Она возникает при неисправности регулятора напряжения и характеризуется подачей на аккумулятор напряжения, величина которого больше положенного.
Мне лично пришлось столкнуться с подобной проблемой. Началось всё с того, что сравнительно новый аккумулятор перестал держать зарядку. При эксплуатации автомобиля каждый день он заводился без проблем. Но стоило машине постоять неделю, как стартер своим клацаньем давал понять, что без проводов «прикуривания» он работать не будет. Визит к автоэлектрику показал, что крайняя «банка» аккумулятора раздута. Это значит, что в ней замкнули электроды. С чего вдруг они замкнули, если бы всё было в порядке. Запустив двигатель, электрик замерил напряжение на клеммах батареи. Вольтметр показал 17,2 В, что недопустимо для этой модели АКБ. Прибор на панели при этом добросовестно выдавал «норму». Проверка регулятора напряжения подтвердила диагноз автоэлектрика. Он был неисправен. Замена устройства заняла не более получаса. Да и по карману ремонт, казалось бы, ударил не сильно. Аккумулятор, конечно, пришлось заменить, так как с наступлением холодов он стал разряжаться ещё быстрее.
Примерно через полгода я случайно заметил, что фары машины стали светить заметно ярче. Потом сгорела одна из ламп головного света. Спустя неделю сгорела ещё одна. Не став ждать, пока АКБ снова раздует, я решил самостоятельно провести диагностику и ремонт. Вооружившись мультиметром, я отправился в гараж. Результаты замеров опять показали, что регулятор напряжения вышел из строя. На этот раз генератор выдавал 15,6 В. К электрику я уже не ездил. Сам снял генератор, заменил регулятор и установил всё на место. Контрольный замер напряжения показал 14,2 В. После того случая два раза в неделю стабильно измеряю напряжение. Прошло более года, пока всё в норме.
К сожалению, ВАЗ 2107 никак нельзя назвать надёжным автомобилем. Но у него всё же есть одно преимущество — простота конструкции. Поэтому совсем необязательно обращаться к специалистам при возникновении мелких неисправностей.
Отказ основных систем автомобиля
Причиной внезапного отказа многих узлов автомобиля ВАЗ 2107 могут быть повреждения и выход из строя элементов электрической проводки.
Наиболее частые поломки проводки приведены ниже:
- Частым дефектом является перегорание плавкой вставки предохранителя, вызываемое перегрузкой цепи или коротким замыканием. Поскольку в электросхеме ВАЗ 2107 часто применяются предохранители старого образца, то часто встречаются окисления или ослабевание зажимов контактов в монтажном блоке. Для исправления этих неисправностей следует заменить предохранитель или очистить контакты. На последних выпусках автомобилей применялись монтажные блоки с ножевыми предохранителями, которые обеспечивают лучший контакт и более надежную работу электрической цепи.
- Более сложным случаем является отгорание или окисление токопроводящих дорожек в монтажном блоке. Для ремонта блок снимают с автомобиля, пропаивают повреждённые участки и покрывают их защитным лаком. В случае критических повреждений блок подлежит замене.
- При замыкании участка проводки будет происходить постоянное выгорание плавкой вставки. Для поиска поврежденного элемента необходимо прозвонить цепь мультиметром. Замененные провода следует аккуратно проложить по штатному маршруту. Обрыв цепи также определяется прозвонкой проводов.
- При неполадках в компонентах системы впрыска возможно включение индикаторной лампы Check Engine на комбинации приборов. Причиной могут стать выход из строя датчиков или обрывы цепей. Для поиска причин повреждения следует произвести диагностику системы впрыска при помощи тестового прибора, подключаемого к разъему диагностики. Имеющиеся в системе коды ошибок могут быть расшифрованы и на основе этих данных производится ремонт.
- Причиной полной неработоспособности электрической системы может стать разряд батареи или окисление минусового провода, который подключается к кузову. На разряд батареи указывает тусклое свечение контрольных ламп и полное их отключение при подключении нагрузки (клаксон или попытка прокрутить двигатель стартером).
- Горящая лампа зарядки батареи на работающем двигателе указывает на неисправность генератора или обрыв цепи, связывающей генератор с батареей.
- Пульсации света при работающем двигателе являются симптомом выгорания регулировочного реле на генераторе. Реле подлежит замене, поскольку эксплуатация автомобиля с повышенным напряжением в бортовой сети недопустима.
В ролике, предоставленном каналом Автоэлектрика ВЧ, показан ремонт проводки фонарей заднего хода на ВАЗ 2107.
https://youtube.com/watch?v=1sJ5e1QWySI
Схема электрооборудования ВАЗ 2107, 21074
На этой странице приведена цветная схема электрооборудования автомобилей ВАЗ 2107, 21074 выпуска 1988-2001 годов с генератором 37.3701 (со встроенным регулятором напряжения).
Для увеличения изображения схемы проводки кликните на картинку ниже.
Электрическая схема ВАЗ 2107, 21074 выпуска 1988-2001 годов с генератором 37.3701
Пояснения обозначений:
- блок-фары
- боковые указатели поворота
- аккумуляторная батарея
- реле включения стартера
- электропневмоклапан карбюратора
- микровыключатель карбюратора
- генератор 37.3701
- моторедукторы очистителей фар *
- датчик включения электродвигателя вентилятора
- электродвигатель вентилятора системы охлаждения двигателя
- звуковые сигналы
- распределитель зажигания
- свечи зажигания
- стартер
- датчик указателя температуры охлаждающей жидкости
- подкапотная лампа
- датчик сигнализатора недостаточного давления масла
- датчик сигнализатора недостаточного уровня тормозной жидкости
- моторедуктор очистителя ветрового стекла
- блок управления электропневмоклапаном карбюратора
- катушка зажигания
- электродвигатель насоса омывателя фар *
- электродвигатель насоса омывателя ветрового стекла
- монтажный блок
- реле очистителя ветрового стекла
- реле аварийной сигнализации и указателей поворота
- выключатель сигнала торможения
- выключатель света заднего хода
- реле зажигания
- выключатель зажигания
- трехрычажный переключатель
- выключатель аварийной сигнализации
- штепсельная розетка для переносной лампы **
- переключатель вентилятора отопителя (печки)
- дополнительный резистор электродвигателя отопителя (печки)
- лампа сигнализатора включения обогрева заднего стекла
- лампа сигнализатора недостаточного уровня тормозной жидкости
- блок сигнализаторов
- электродвигатель вентилятора отопителя (печки)
- лампа освещения вещевого ящика
- выключатели плафонов на стойках передних дверей
- выключатели фонарей сигнализации открытых передних дверей ***
- фонари сигнализации открытых передних дверей ***
- соединительная колодка
- прикуриватель
- часы
- выключатель освещения приборов
- диод для проверки исправности лампы сигнализатора недостаточного уровня тормозной жидкости
- указатель уровня топлива
- лампа сигнализатора резерва топлива
- спидометр
- лампа сигнализатора включения указателей поворота
- лампа сигнализатора прикрытия воздушной заслонки карбюратора
- лампа сигнализатора заряда аккумуляторной батареи
- выключатель сигнализатора прикрытия воздушной заслонки карбюратора
- комбинация приборов
- эконометр
- выключатели плафона на стойках задних дверей
- указатель температуры охлаждающей жидкости
- тахометр
- лампа сигнализатора включения стояночного тормоза («ручника»)
- лампа сигнализатора недостаточного давления масла
- лампа сигнализатора включения дальнего света фар
- лампа сигнализатора включения наружного освещения
- вольтметр
- выключатель сигнализатора включения стояночного тормоза («ручника»)
- выключатель наружного освещения
- выключатель обогрева заднего стекла с лампой подсветки
- выключатель заднего противотуманного света с сигнализатором включения *
- предохранитель цепи противотуманного света
- плафон ****
- задние фонари
- датчик указателя уровня и резерва топлива
- колодки для подключения к элементу обогрева заднего стекла *
- фонари освещения номерного знака
Для того, чтобы скачать схему ВАЗ 2107 и сохранить её на компьютер, наведите указатель на картинку выше, затем нажмите правую кнопку мыши и выберите «сохранить как изображение» (размер около 300 килобайт).
Разрешение изображения составляет 1600×872 точек, поэтому электрическую схему можно без проблем распечатать на принтере и пользоваться при ремонте автомобиля.
Порядок условной нумерации штекеров в колодках:
- a — блок-фар, очистителей фар и ветрового стекла, реле очистителя ветрового стекла, блока управления электропневмоклапаном карбюратора
- б — монтажного блока и трехрычажного переключателя
- в — реле аварийной сигнализации и указателей поворота
- г — задних фонарей (нумерация выводов по порядку от края платы)
- д — выключателя аварийной сигнализации
Дополнительная информация «звездочки»:
* — Устанавливаются на части выпускаемых автомобилей.
** — С 2000 г. не устанавливается.
*** — С 1998 г. не устанавливаются.
**** — С 2000 г. вместо одного плафона на крыше устанавливаются два плафона на стойках дверей.













