Электропроводка ваз 21213: нюансы работы
Содержание
- 1 Схемы автомобилей
 - 2 Схема электрооборудования автомобиля ВАЗ 2121
 - 3 Электросхема для ВАЗ 2121 Нива ВАЗ 21213, 21214, 2131 lada 4×4
 - 4 Электоросхема Ваз 21214 с распределенным впрыском топлива
 - 5 Электоросхема Ваз 21214 с центральным впрыском топлива
 - 6 Главный блок предохранителей
 - 7 Схема Электрическая Автомобиля Нива — tokzamer.ru
 - 8 СХЕМА ВАЗ-2121
 - 9 Схема электропроводки ВАЗ 2121. Модернизация двигателя и системы зажигания. Особенности панели приборов
 - 10 Подведение итогов
 
Схемы автомобилей
			Поделиться с друзьями: Вам также может быть интересно. На фото внизу представлена схема электропроводки ВАЗ с классическим карбюраторным силовым агрегатом.
			Только после это можно прибегнуть к возможности облегченного запуска авто
Также они характеризуются наличием встроенного выпрямителя, а также регулятора выходного напряжения, что немаловажно. Свечи зажигания.
			К примеру, В случае с карбюратором, электросхема заряда АКБ и системы зажигания является не защищенной, в отличие от инжекторов.
			Особенности электрооборудования Различия в генераторах Ранее уже упоминалось, что схема проводки ВАЗ имела некоторые отличия, связанные в первую очередь с устанавливаемым силовым агрегатом
Также следует отметить, что версии оснащены двумя вентиляторами, предназначенными для охлаждения радиатора
При неработающем двигателе все потребители питаются от аккумуляторной батареи, а после пуска двигателя — от генератора переменного тока со встроенным выпрямителем и электронным регулятором напряжения. Электродвигатель омывателя заднего стекла.
			В частности, для версий со впрыском топлива требовался более мощный генератор, поэтому: На ВАЗ устанавливался генератор модели  Система зажигания в этих машинах бесконтактная. Кроме того, если вы хотите улучшить свой внедорожник, к примеру, установив в него современную аудио-систему или поменяв освещение салона, то узнать об обозначениях схем также будет не лишним. Прежде чем установить новый предохранитель взамен перегоревшего, выясните и устраните причину перегорания
Также следует отметить, что версии оснащены двумя вентиляторами, предназначенными для охлаждения радиатора. При неработающем двигателе все потребители питаются от аккумуляторной батареи, а после пуска двигателя — от генератора переменного тока со встроенным выпрямителем и электронным регулятором напряжения. Электродвигатель омывателя заднего стекла.
			В частности, для версий со впрыском топлива требовался более мощный генератор, поэтому: На ВАЗ устанавливался генератор модели  Система зажигания в этих машинах бесконтактная. Кроме того, если вы хотите улучшить свой внедорожник, к примеру, установив в него современную аудио-систему или поменяв освещение салона, то узнать об обозначениях схем также будет не лишним. Прежде чем установить новый предохранитель взамен перегоревшего, выясните и устраните причину перегорания. 
Второй вариант схемы НИВА 21213
Выключатели плафонов, расположенные в стойках дверей. Трехрычажный переключатель. Выключатель зажигания.
Порядок условной нумерации штекеров в колодках: а — очистителей ветрового стекла, фар и стекла двери задка, реле-прерывателя очистителя ветрового стекла; б — датчика-распределителя зажигания; в — реле-прерывателя аварийной сигнализации и указателей поворота; г — коммутатора; д — трехрычажного переключателя; е — выключателя аварийной сигнализации; ж — реле включения заднего противотуманного света; з — задних фонарей нумерация выводов по порядку сверху вниз ; и — комбинации приборов. Электромагнитный клапан карбюратора. Трехрычажный переключатель.
			Выключатель лампы сигнализатора прикрытия воздушной заслонки карбюратора. Что касается системы зажигания, то она стала бесконтактной. Передние фонари. Цена на внедорожник была выше легковых моделей, но это не останавливало покупателей, стремившихся к свободе передвижения.
			Как подключить сигнализацию
Схема электрооборудования автомобиля ВАЗ 2121
Схемы >> Автоэлектросхемы >> Схема электрооборудования автомобиля ВАЗ 2121
Схема
электрооборудования автомобиля ВАЗ 2121

электрооборудования автомобиля ВАЗ 2121.
    (нажмите для увеличения).
    Условные обозначения
    датчиков, органов  управления  и
    контроля к схеме электрооборудования
    автомобиля ВАЗ 2121.
    
1. Боковые указатели поворота.
2. Передние фонари.
3. Фары.
4. Электродвигатели очистителей фар ВАЗ 2121.
5. Звуковые сигналы.
6. Реле включения очистителей и омывателя фар.
7. Реле включения ближнего света фар ВАЗ 2121.
8. Реле включения дальнего света фар ВАЗ 2121.
9. Электродвигатель омывателя фар ВАЗ 2121.
10. Датчик недостаточного уровня тормозной жидкости.
11. Штепсельная розетка переносной лампы
12. Датчик контрольной лампы давления масла.
13. Датчик указателя давления масла ВАЗ 2121.
14. Датчик указателя температуры охлаждающей жидкости.
15. Распределитель зажигания.
16. Свечи зажигания.
17. Электродвигатели стеклоочистителя ВАЗ 2121.
18. Катушка зажигания.
19. Генератор ВАЗ 2121.
20. Запорный клапан карбюратора.
21. Стартер.
22. Электродвигатель омывателя ветрового стекла.
23. Регулятор напряжения.
24. Реле контрольной лампы заряда аккумуляторной батареи.
25. Аккумуляторная батарея ВАЗ 2121.
26. Реле стеклоочистителя ВАЗ 2121.
27. Дополнительный блок предохранителей.
28. Основной блок предохранителей.
29. Выключатель контрольной лампы стояночного тормоза.
30. Выключатель контрольной лампы блокировки дифференциала.
31. Выключатель света заднего хода.
32. Выключатель контрольной лампы воздушной заслонки карбюратора.
33. Выключатель стоп-сигнала.
34. Электродвигатель отопителя ВАЗ 2121.
35. Реле-прерыватель указателей поворота и аварийной сигнализации.
36. Дополнительный резистор электродвигателя отопителя.
37. Выключатель освещения приборов.
38. Переключатель света фар.
39. Переключатель указателей поворота.
40. Выключатель звуковых сигналов.
41. Переключатель стеклоочистителя.
42. Выключатель омывателя ветрового стекла.
43. Выключатель зажигания.
44. Выключатель наружного освещения.
45. Переключатель отопителя.
46. Выключатель очистителей и омывателя фар.
47. Прикуриватель.
48. Выключатель аварийной сигнализации.
49. Выключатели плафонов, расположенные в стойках дверей.
50. Указатель давления масла с контрольной лампой недостаточного давления.
51. Указатель уровня топлива с контрольной лампой резерва топлива.
52. Тахометр.
53. Контрольная лампа стояночного тормоза.
54. Контрольная лампа заряда аккумуляторной батареи.
55. Контрольная лампа воздушной заслонки карбюратора.
56. Спидометр.
57. Контрольная лампа наружного освещения.
58. Контрольная лампа указателей поворота.
59. Контрольная лампа дальнего света фар.
60. Реле-прерыватель контрольной лампы стояночного тормоза.
61. Контрольная лампа уровня тормозной жидкости.
62. Контрольная лампа блокировки дифференциала.
63. Указатель температуры охлаждающей жидкости.
64. Плафоны.
65. Датчик указателя уровня и резерва топлива ВАЗ 2121.
66. Задние фонари.
67. Фонари освещения номерного знака.
Электросхема для ВАЗ 2121 Нива ВАЗ 21213, 21214, 2131 lada 4×4
| Щёлкните для открытия в полном размере | |
| 
 1 – передние фонари;2 – боковые указатели поворота;3 – электродвигатель омывателя фар*;4 – регулятор напряжения; 5 – реле контрольной лампы заряда аккумуляторной батареи;6 – Аккумулятор; 7 – стартер; 8 – генератор;9 – фары; 10 – моторедукторы очистителей фар*;11 – звуковые сигналы; 12 – свечи зажигания; 13 – электромагнитный клапан карбюратора; 14 – катушка зажигания; 15 – моторедуктор очистителя ветрового стекла; 16 – датчик указателя температуры охлаждающей жидкости;17 – распределитель зажигания; 18 – электродвигатель омывателя ветрового стекла; 19 – датчик указателя давления масла;20 – датчик контрольной лампы давления масла; 21 – датчик контрольной лампы уровня тормозной жидкости; 22 – штепсельная розетка для переносной лампы; 23 – реле включения очистителей и омывателя фар*; 24 – реле включения ближнего света фар; 25 – реле включения дальнего света фар; 26 – реле-прерыватель очистителя ветрового стекла; 27 – дополнительный блок предохранителей; 28 – основной блок предохранителей; 29 – добавочный резистор электродвигателя отопителя; 30 – выключатель света заднего хода; 31 – выключатель стоп-сигнала; 32 – электродвигатель отопителя; 33 – реле-прерыватель аварийной сигнализации и указателей поворота;  | 
 34 – выключатель контрольной лампы стояночного тормоза; 35 – выключатель аварийной сигнализации**;36 – прикуриватель; 37 – выключатель очистителей и омывателя фар*; 38 – переключатель электродвигателя отопителя;39 – выключатель наружного освещения; 40 – трехрычажный переключатель; 41 – выключатель зажигания; 42 – выключатель освещения приборов; 43 – выключатели плафонов, расположенные в стойках дверей;44 – плафоны освещения салона;45 – указатель давления масла с контрольной лампой недостаточного давления; 46 – указатель уровня топлива с контрольной лампой резерва; 47 – тахометр; 48 – контрольная лампа стояночного тормоза; 49 – контрольная лампа заряда аккумуляторной батареи; 50 – контрольная лампа воздушной заслонки карбюратора;51 – контрольная лампа габаритного света;52 – контрольная лампа указателей поворота; 53 – контрольная лампа дальнего света фар;54 – спидометр; 55 – выключатель контрольной лампы воздушной заслонки карбюратора;56 – реле-прерыватель контрольной лампы стояночного тормоза;57 – указатель температуры охлаждающей жидкости;58 – контрольная лампа уровня тормозной жидкости;59 – контрольная лампа блокировки дифференциала; 60 – выключатель контрольной лампы блокировки дифференциала;61 – задние фонари; 62 – фонари освещения номерного знака;63 – датчик указателя уровня и резерва топлива.  | 
Порядок условной нумерации штекеров в колодках:
а – очистителей ветрового стекла и фар, реле-прерывателя очистителя ветрового стекла;б – реле-прерывателя аварийной сигнализации и указателей поворота;в – трехрычажного переключателя;г – выключателя аварийной сигнализации.
* Устанавливались на части выпускаемых автомобилей;** на автомобилях выпуска 90-х годов в связи с установкой реле-прерывателей 33 без пятого вывода, отсутствует коричневый провод, соединявший выключатель 35 с реле-прерывателем 33.
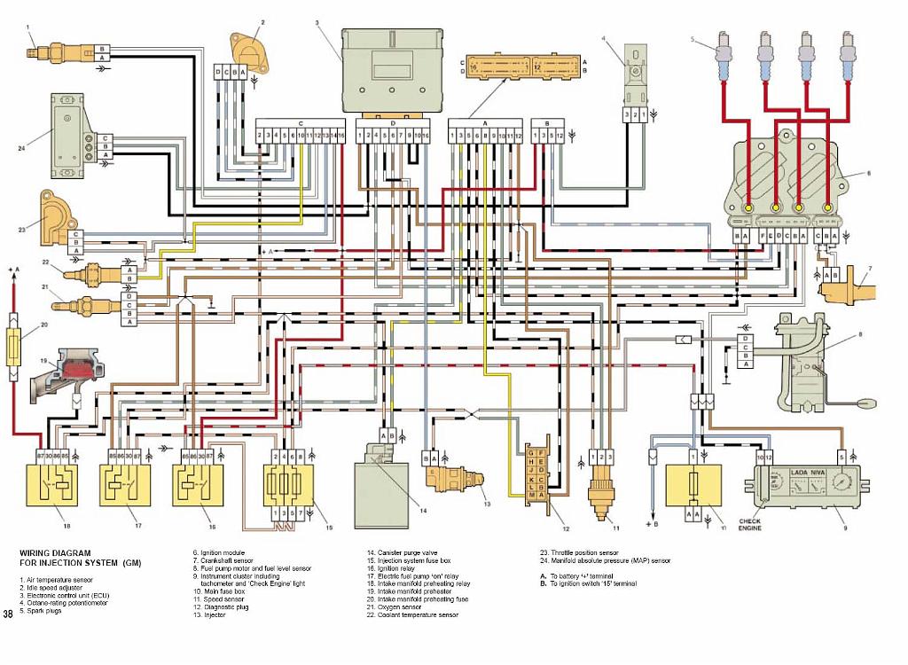
Электоросхема Ваз 21214 с распределенным впрыском топлива
(Картинка кликабельна)
|  1. Контрольная лампа системы управления двигателем; 2. Комбинация приборов (фрагменты); 3. Электровентиляторы системы охлаждения двигателя* ; 4. Выключатель плафона, расположенный на стойке двери водителя; 5. Индикатор состояния автомобильной противоугонной системы; 6. Блок управления автомобильной противоугонной системы; 7. Датчик температуры охлаждающей жидкости; 8. Датчик расхода воздуха; 9. Дроссельный узел; 10. Колодка, присоединяемая к датчику положения дроссельной заслонки; 11. Колодка, присоединяемая к регулятору холостого хода; 12. Контроллер; 13. Датчик концентрации кислорода; 14. Датчик детонации; 15. Датчик положения коленчатого вала;  | 
16. Датчик скорости; 17. Адсорбер; 18. Аккумулятор; 19. Главное реле; 20. Колодка диагностики;21. блок плавких предохранителей системы управления двигателем; 22. реле включения электробензонасоса; 23. реле включения электровентиляторов; 24. основной блок предохранителей автомобиля (фрагмент); 25. колодка, присоединяемая к дополнительному жгуту проводов* ; 26. модуль зажигания; 27. тахометр; 28. электробензонасос с датчиком уровня топлива; 29. форсунки; 30. свечи зажигания;  | 
А – провод заднего жгута проводов, присоединяемый к выключателю 4;
Б – провода, присоединяемые к штекеру «1» блока предохранителей 24 (один провод идет к штекеру «15» выключателя зажигания, а другой к штекеру «85» реле зажигания);
В – провода заднего жгута проводов, присоединяемые к указателю уровня топлива.
Порядок условной нумерации штекеров в колодках:
а – контроллера;
б – блока управления автомобильной противоугонной системы;
в – датчика расхода воздуха;
г – датчика скорости;
д – индикатора состояния автомобильной противоугонной системы;
е – электробензонасоса и датчика концентрации кислорода;
ж – дроссельного патрубка;
з – модуля зажигания.
*
 Серые провода в колодке 25 – выход сигнала скорости автомобиля, желто-красный провод – выход сигнала расхода топлива (для маршрутного компьютера).
Электоросхема Ваз 21214 с центральным впрыском топлива
(Картинка кликабельна)
|  1. Контрольная лампа «CHECK ENGINE»; 4. Электроподогреватель впускной трубы; 5. Датчик температуры воздуха; 6. Датчик абсолютного давления; 8. Колодка, присоединяемая к датчику положения дроссельной заслонки; 9. Агрегат центрального впрыска топлива; 10. Колодка, присоединяемая к регулятору холостого хода; 11. Колодка, присоединяемая к форсунке; 12. Колодка диагностики; 13. Контроллер; 14. Датчик детонации; 15. Датчик скорости; 16. Датчик концентрации кислорода; 17. Адсорбер; 18. Аккумулятор; 19. Главное реле; 20. Блок плавких предохранителей системы управления двигателем;  | 
21. Реле включения электробензонасоса; 22. Реле включения электровентилятора* ; 23. Реле включения электроподогревателя впускной трубы; 24. Предохранитель защиты электроподогревателя; 25. Реле включения стартера; 26. Реле зажигания; 27. Основной блок предохранителей автомобиля (фрагмент); 28. Свечи зажигания; 29. Тахометр; 30. Электробензонасос с датчиком уровня топлива; 31. Модуль зажигания; 32. Датчик положения коленчатого вала; 33. Выключатель плафона, расположенный на стойке двери водителя; 34. Блок управления автомобильной противоугонной системы** ; 35. Индикатор состояния автомобильной противоугонной системы** ;  | 
А – провод, идущий к штекеру «50» выключателя зажигания;
Б – провод, идущий к штекеру «15» выключателя зажигания;
В – провод, идущий к выводу «30» генератора;
Г – провода заднего жгута проводов, присоединяемые к указателю уровня топлива;
Д – провод заднего жгута проводов, присоединяемый к выключателю 33.
а – контроллера;
в – индикатора состояния автомобильной противоугонной системы;
г – датчика скорости;
д – агрегата центрального впрыска топлива;
ж – модуля зажигания;
з – датчика абсолютного давления.
*
 Устанавливались на части выпускаемых автомобилей;
 **
 устанавливались с 1999
Главный блок предохранителей
Схема
Назначение
| 1 | 16А Электродвигатель вентилятора отопителя Реле (обмотка) очистителей фар и электродвигатели очистителей фар при всех положениях щетки, кроме исходного Реле (обмотка) включения обогрева заднего стекла Электродвигатели очистителя и омывателя заднего стекла Электродвигатель омывателя ветрового стекла | 
| 1* | 16А Плафоны Звуковые сигналы Штепсельная розеткаПрикуриватель Лампы стоп-сигнала | 
| 2 | 8А Реле и электродвигатель очистителя ветрового стекла Лампы указателей поворота и реле-прерыватель указателей поворота и аварийной сигнализации (в режиме указания поворота) Контрольная лампа указателей поворота Задние фонари (лампы света заднего хода) Обмотка возбуждения генератора (при пуске двигателя) Контрольная лампа включения блокировки дифференциала в раздаточной коробке Контрольная лампа включения стояночного тормоза Контрольная лампа аварийного состояния рабочей тормозной системы Контрольная лампа недостаточного давления масла Указатель температуры жидкости в системе охлаждения двигателя Указатель уровня топлива с контрольной лампой резерва топлива Контрольная лампа заряда аккумуляторной батареи Контрольная лампа прикрытия воздушной заслонки карбюратора Тахометр Электродвигатель отопителя Реле очистителей и омывателя фар (при не нажатой кнопке выключателя очистителей и омывателя фар) Электродвигатели очистителей фар при всех положениях щетки, кроме исходного* | 
| 3 | 8А Левая фара (лампа дальнего света) Контрольная лампа включения дальнего света фар | 
| 4 | 8А Правая фара (лампа дальнего света) | 
| 5 | 8А Левая фара (лампа ближнего света) | 
| 6 | 8А Правая фара (лампа ближнего света) | 
| 7 | 8А Левый передний фонарь (габаритный свет) Правый задний фонарь (габаритный свет) Фонари освещения номерного знака Контрольная лампа включения габаритных огней | 
| 8 | 8А Правый передний фонарь (габаритный свет) Левый задний фонарь (габаритный свет) Лампа освещения приборов Табло подсветки рычагов управления отопителем Лампа освещения прикуривателя Лампы подсветки выключателей и переключателей | 
| 9 | 16А Указатели поворота и реле-прерыватель указателей поворота и аварийной сигнализации Элемент обогрева заднего стекла и реле (контакты) его включения | 
| 9* | 8А Контрольная лампа и указатель давления масла Указатель температуры охлаждающей жидкости Указатель уровня топлива с контрольной лампой резерва Контрольная лампа включения стояночного тормоза Контрольная лампа уровня тормозной жидкости Указатели поворота и соответствующая контрольная лампа Контрольная лампа управления воздушной заслонкой карбюратора Контрольная лампа заряда аккумуляторной батареи Запорный клапан карбюратора Тахометр Задние фонари (свет заднего хода) Контрольная лампа блокировки дифференциала Реле-прерыватель указателей поворота Обогрев заднего стекла (цепь управления) | 
| 10 | 16А Звуковой сигнал Патрон подключения переносной лампы Плафоны освещения салона Задние фонари (лампы стоп-сигнала) | 
| 10* | 8А Регулятор напряжения Обмотка возбуждения генератора | 
| 11 | 8А Лампы указателей поворота и реле-прерыватель указателей поворота и аварийной сигнализации (в режиме аварийной сигнализации) Задний противотуманный фонарь | 
| 12 | 8А Реле дневных ходовых огней, лампы дневных ходовых огней | 
| 12* | 8А Реле очистителя и омывателя фар (при нажатой кнопке выключателя очистителя и омывателя фар) Электродвигатель омывателя фар Электродвигатели очистителей фар в момент пуска и в моменты прохождения щетками исходного положения | 
| 13 | 8А Задние фонари (лампы противотуманного света) Электродвигатели очистителей фар в момент пуска и в моменты прохождения щетками исходного положения Реле (контакты) очистителей фар Электродвигатель омывателя фар | 
| 14 | 16А Прикуриватель | 
| 15 | 16А Резервный Обогрев заднего стекла (силовая цепь) | 
| 16* | 8А Включатель аварийной сигнализации и указатели поворота в режиме аварийной сигнализации Очиститель и омыватель заднего стекла | 
Схема Электрическая Автомобиля Нива — tokzamer.ru
Также следует отметить, что версии оснащены двумя вентиляторами, предназначенными для охлаждения радиатора.

Для чего Вам пригодилась эта схема?
 Предохранители ваз системы впрыска находятся в отдельном блоке на левой боковине под панелью приборов. Что касается версий , то здесь также пришлось использовать более мощный генератор.


Схемы автомобилей
 Поделиться с друзьями: Вам также может быть интересно. На фото внизу представлена схема электропроводки ВАЗ с классическим карбюраторным силовым агрегатом.
Второй вариант схемы НИВА 21213
Порядок условной нумерации штекеров в колодках: а — очистителей ветрового стекла, фар и стекла двери задка, реле-прерывателя очистителя ветрового стекла; б — датчика-распределителя зажигания; в — реле-прерывателя аварийной сигнализации и указателей поворота; г — коммутатора; д — трехрычажного переключателя; е — выключателя аварийной сигнализации; ж — реле включения заднего противотуманного света; з — задних фонарей нумерация выводов по порядку сверху вниз ; и — комбинации приборов. Электромагнитный клапан карбюратора. Трехрычажный переключатель.
Выключатель лампы сигнализатора прикрытия воздушной заслонки карбюратора. Что касается системы зажигания, то она стала бесконтактной. Передние фонари. Цена на внедорожник была выше легковых моделей, но это не останавливало покупателей, стремившихся к свободе передвижения.Как подключить сигнализацию
https://youtube.com/watch?v=8Bh5uuPg1wQ
Оплаченные ссылки
Кроме того, если вы хотите улучшить свой внедорожник, к примеру, установив в него современную аудио-систему или поменяв освещение салона, то узнать об обозначениях схем также будет не лишним.
Также знать нюансы о проводке полезно будет тем, кто хочет установить на свое авто сигнализацию, в частности, если вы планируете подключать ее своими руками. Электромагнитный клапан карбюратора. Вторые концы черных проводов также сведены в точку, соединенную с массой.
Применяемая схема электропроводки Нива ВАЗ имеет отличия от других модификаций. Не используйте предохранители увеличенного номинала или самодельные — это может привести к пожару.
Выключатель ламп наружного освещения. Поэтому, маркировка блока для указанных моделей состоит из десяти символов.
Статья по теме: Узо расшифровка обозначений
Выключатель аварийной сигнализации. Автомобиль Нива Чтобы разобраться в особенностях проводки и электрооборудования автомобиля Нива или другой модели с инжектором либо карбюратором, разберемся в индексных обозначениях: ВАЗ — так обозначается Нива с карбюратором.
Стоимость такого транспортного средства, разумеется, была более высокой. Штепсельная розетка переносной лампы. Переключатель электродвигателя отопителя. Также следует отметить, что версии оснащены двумя вентиляторами, предназначенными для охлаждения радиатора.
Панель приборов
Да, постоянно. Можете ли вы расшифровать электросхему к своему авто?
Электродвигатели моторедукторов ваз очистителей ветрового стекла, стекла двери задка, фар — если установлены защищены автоматическими биметаллическими предохранителями многоразового действия. Датчик указателя недостаточного давления масла. К примеру, модели, характеризующиеся впрыском топлива, должны быть оснащены более мощным генератором, так как в них нагрузка на электропроводку более высокая.Схема электрооборудования Chevrolet Niva
СХЕМА ВАЗ-2121
СХЕМА ВАЗ-2121
Ваз 2121 «нива», разработан и выпускается с 1979 года.
Схема электрооборудования ВАЗ-2121 :
1. Передние фонари, 2. Фары, 3. Электродвигатель очистителя фар, 4. Звуковой сигнал, 5. Электродвигатель омывателя фар, 6. Электродвигатель омывателя ветрового стекла, 7. Генератор, 8. Боковой указатель поворота, 9. Аккумулятор ваз-2121, 10. Электродвигатель отопителя, 11. Доп.резистор электородвигателя отопителя, 12. Реле-прерыватель очистителя ветрового стекла, 13. Стартер, 14. Электродвигатель очистителя ветрового стекла, 15. Концевой выключатель карбюратора, 16. Электромагнитный клапан карбюратора, 17. Блок управления ЭПХХ, 18. Коммутатор, 19. Свечи зажигания, 20. Трамблер (распределитель зажигания, 21. Датчик давления масла, 22. Датчик температуры, 23. Розетка переноски, 24. Катушка зажигания, 25. Датчик уровня тормозной жидкости, 26. Реле включения очистителей и омывателя фар, 27. Реле включения обогрева заднего стекла, 28. Реле дальнего света фар, 29. Реле ближнего света фар, 30. Реле включения зажигания, 31. Реле включения стартера, 32. Выключатель лампы блокировки дифференциала, 33. Переключатель наружного освещения, 34. Прикуриватель ваз-2121, 35. Выключатель стоп-сигнала, 36. Выключатель света заднего хода, 37. Реле-прерыватель указателя поворотов и ав.сигнализации, 38. Основной блок пpeдoxpaнителей, 39. Дополнительный блок пpeдoxpaнителей, 40. Лампа подсветки рычажков отопителя, 41. Выключатель заднего противотуманого фонаря, 42. Выключатель обогрева заднего стекла, 43. Переключатель эл.двигателя отопителя, 44. Переключатель очистителя и омывателя заднего стекла, 45. Выключатель аварийной сигнализации, 46. Выключатель зажигания, 47. Контрольная лампа воздушной заслоки карбюратора, 48. Регулятор освещения приборов, 49. Подрулевой рычажный переключатель, 50. Выключатель контрольной лампы заслонки карбюратора, 51. Электродвигатель омывателя заднего стекла, 52. Дверной выключатель плафонов, 53. Плафоны освещения салона, 54. Комбинация приборов ваз-2121, 55. Фонари освещения номерного знака.
Схема электрооборудования ВАЗ-21213 :
1. Боковые указатели поворота. 2. Передние фонари. 3. Фары ваз-21213. 4. Электродвигатели очистителей фар. 5. Звуковые сигналы. 6. Реле включения очистителей и омывателя фар. 7. Реле включения ближнего света фар. 8. Реле включения дальнего света фар. 9. Электродвигатель омывателя фар. 10. Датчик недостаточного уровня тормозной жидкости. 11. Штепсельная розетка переносной лампы 12. Датчик контрольной лампы давления масла. 13. Датчик указателя давления масла. 14. Датчик указателя температуры охлаждающей жидкости. 15. Распределитель зажигания. 16. Свечи зажигания. 17. Электродвигатели стеклоочистителя. 18. Катушка зажигания. 19. Генератор. 20. Запopный клапан карбюратора. 21. Стартер ваз-21213. 22. Электродвигатель омывателя ветрового стекла. 23. Регулятор напряжения. 24. Реле контрольной лампы заряда аккумуляторной батареи. 25. Аккумуляторная батарея. 26. Реле стеклоочистителя. 27. Дополнительный блок пpeдoxpaнителей. 28. Основной блок пpeдoxpaнителей. 29. Выключатель контрольной лампы стояночного тормоза. 30. Выключатель контрольной лампы блокировки дифференциала. 31. Выключатель света заднего хода. 32. Выключатель контрольной лампы воздушной заслонки карбюратора. 33. Выключатель стоп-сигнала. 34. Электродвигатель отопителя. 35. Реле-прерыватель указателей поворота и аварийной сигнализации. 36. Дополнительный резистор электродвигателя отопителя. 37. Выключатель освещения приборов. 38. Переключатель света фар. 39. Переключатель указателей поворота. 40. Выключатель звуковых сигналов. 41. Переключатель стеклоочистителя. 42. Выключатель омывателя ветрового стекла. 43. Выключатель зажигания. 44. Выключатель наружного освещения. 45. Переключатель отопителя. 46. Выключатель очистителей и омывателя фар. 47. Прикуриватель. 48. Выключатель аварийной сигнализации. 49. Выключатели плафонов, расположенные в стойках дверей. 50. Указатель давления масла с контрольной лампой недостаточного давления. 51. Указатель уровня топлива с контрольной лампой резерва топлива. 52. Тахометр. 53. Контрольная лампа стояночного тормоза. 54. Контрольная лампа заряда аккумуляторной батареи. 55. Контрольная лампа воздушной заслонки карбюратора. 56. Спидометр. 57. Контрольная лампа наружного освещения. 58. Контрольная лампа указателей поворота. 59. Контрольная лампа дальнего света фар. 60. Реле-прерыватель контрольной лампы стояночного тормоза ваз-21213.
По всем вопросам о ремонте обращайтесь на ФОРУМ
Схема электропроводки ВАЗ 2121. Модернизация двигателя и системы зажигания. Особенности панели приборов
Появившись спустя 6 лет после начала работы завода в Тольятти, автомобиль ВАЗ 2121 на долгие годы закрепил за собой первенство внедорожной модели с большими возможностями. И хотя трансмиссия представляла собой достаточно революционное решение для отечественного автопрома, электрическая схема использовалась практически без изменений.
Как и большинство других деталей, внедорожник позаимствовал у своих легковых собратьев. В частности, электропроводка ВАЗ 2121 представляла собой проводку ВАЗ 2106 после небольшой доработки.
Фактически электросхема представляет собой:
- Однопроводную цепь, где роль второго провода выполняет кузов автомобиля;
 - Все исполнительные механизмы и контрольные приборы имею выводы с минусовой клеммы на «массу»;
 - Основные цепи защищены плавкими предохранителями.
 
Система зажигания
За основу работы двигателя внутреннего сгорания, устанавливаемого на автомобиль ВАЗ 2121, взята классическая схема, видео работы которой демонстрируется на курсах вождения:
- Генератор вырабатывает электрический ток;
 - Катушка зажигания повышает его мощность;
 - Распределитель зажигания подает электрические импульсы на свечи в момент достижения поршнем ВМТ;
 - Свечи производят поджиг топливовоздушной смеси в цилиндрах двигателя.
 
На фото представлены следующие компоненты:
- С поз. 3 по 12 – катушка зажигания и ее структура;
 - С поз.13 по 20 – свеча зажигания;
 - С поз.21 по 42 – распределитель зажигания (трамблер).
 
Модернизация двигателя
Полноприводная трансмиссия ВАЗ 2121 помимо существенных преимуществ, имела и недостатки бытового плана. В частности:
- Расход топлива был достаточно большим в сравнении с легковыми автомобилями (13,4 литра на 100 км в городских условиях и на бездорожье);
 - Это отражалось на эксплуатационных расходах – цена 1 км обходилась владельцам намного дороже. Да и мощность существующего двигателя для суровых условий бездорожья была недостаточной.
 
Увеличение рабочего объема двигателя и применение бесконтактной системы зажигания привело к необходимости модернизации электрической схемы в подкапотном пространстве. Замена проводки ВАЗ 2121 решала эту задачу сполна.
Модернизация системы зажигания
Поскольку за мощность искрообразования традиционно отвечает высоковольтная катушка, то автопроизводителем вносились изменения в ее работу. В частности, проводка на ВАЗ 2121 дополнялась жгутом, соединявшим коммутатор и остальные узлы системы зажигания.
Данная заводская инструкция содержит:
- Замок зажигания, выполняющий роль выключателя электрической цепи с выводами 30/1 и 15;
 - Реле зажигания с выводами 85,86,30 и 87;
 - Коммутатор с клеммной колодкой на 6 контактов;
 - Модернизированная катушка зажигания с выводами «Б» и «К»;
 - Трамблер (распределитель зажигания);
 - Свечи.
 
Панель приборов
Для последующих модификаций ВАЗ 2121 была основательно переработана панель приборов. В частности изменился дизайн и расположение контрольных ламп, а также появились новые шкалы на указателях панели приборов.
Выводы: автомобиль ВАЗ 2121 владельцы часто обслуживали своими руками. А обслуживание электрических систем невозможно без оригинальных схем. Особенно это касалось модернизированных версий, где вносились изменения в схему работы узлов и агрегатов.
- 
Самый мощный форд фокус 3
 - 
Хонда цивик замена сальника коленвала переднего
 - 
Адаптация холостого хода ваз
 - 
Как найти утечку газа в автомобиле гбо 4 поколения
 - Как сложить зеркала на киа соул
 
Подведение итогов
Необходимость разбираться в электросхеме проводки может возникнуть в том случае, если в работе системы возникли неисправности и их нужно устранить. Разумеется, сложные неисправности, связанные с работой генераторного узла и прочих непростых в плане конструкции устройств, решить в гаражных условиях без определенных знаний будет проблематично. Тем не менее, даже простое знание электроцепи и возможность расшифровки условных обозначений может во многом помочь автолюбителю при ремонте. Кроме того, необходимость разбираться в проводке также может возникнуть в том случае, если вы решили модернизировать акустику или установить более совершенную аудиосистему.








