Lada largus и его модификации альбом электросхем
Содержание
- 1 Лада Ларгус электросхема
- 2 Реле в комплексе с предохранителями
- 3 Cortinarius largus: большебрюхая паутинка
- 4 Передняя и задняя подвеска Лада Ларгус
- 5 Схемы электрооборудования Лада Ларгус
- 6 Инструкция по ремонту лада ларгус скачать бесплатно
- 7 Где находятся предохранители Лада Ларгус?
- 8 Все электрические схемы автомобиля Lada Largus
- 9 Зарядные устройства
- 10 Снятие и установка датчика скорости переднего колеса
- 11 Схемы электрооборудования Лада Ларгус (lada Largus), цветные — Izeak.com Lyrics
- 12 Схемы электрооборудования Lada Largus (до и после 2021 года)
Лада Ларгус электросхема
Сегодня вряд ли можно отыскать такой двигатель, который был бы способен функционировать без электричества. Для подачи электрического питания к компонентам бортовой сети применяются аккумулятор и генератор. Даже в подвеске современного авто присутствуют потребители напряжения (к примеру, датчики «ABS»), не говоря уже о светотехнике, моторе, трансмиссии и салонном оборудовании.
И все это в себе содержит схема электрооборудования.
Электрооборудование в автомобиле Ларгус
Электросхема в автомобиле предусматривает присутствие двух глобальных категорий приборов: потребителей питающего напряжения и устройств, вырабатывающих ток.
Эти узлы связаны посредством кабельных линий, состоящих в единой бортовой сети. По такому принципу функционирует сеть в LADA Largus.
Кстати, в этом автомобиле отсутствуют минусовые провода (кромке АКБ), а роль отрицательного контакта выполняет сам кузов.
АКБ, генератор в Ларгусе
Эти устройства, как уже обозначалось, фигурируют в качестве источников питания сети. В Лада Ларгус весь комплекс электрооборудования функционирует на напряжении, равном стандартные 12 Вольт. Каждый из токоприемников посредством кабельных линий коммутирован с аккумулятором.
Это необходимо для продолжения работы автомобиля при выходе из строя генераторной установки. Первый пуск мотора возможен именно благодаря присутствию батареи. Для универсальной LADA Largus производитель применяет свинцовые АКБ, являющиеся необслуживаемыми устройствами. Они не подразумевают последующие доливки электролитической жидкости.
Если АКБ настигла полная разрядка, а подзарядить не представляется возможным, то такое изделие безоговорочно меняют.
Генератор LADA Largus обретает жизнь благодаря ременной передаче, установленной на шкивах мотора и рассматриваемого здесь узла. Выработка электричества осуществляется только в движении. В это же время происходит подзарядка батареи.
Стартер в отечественном автомобиле
Это незаменимый узел для пуска силовой установки. Питание осуществляется напрямую от АКБ.
С переводом ключа в замке зажигания в соответствующую пуску позицию происходит срабатывание втягивающего реле в стартерном узле, вал начинает вращаться и посредством шестерни приводит в движение маховик мотора. После выполненных операций по запуску силового агрегата происходит самостоятельное отключение стартера.
Реле в комплексе с предохранителями
Никакая современная автомобильная электрическая схема не в состоянии обойтись без этих компонентов, которые «стоят на страже» работоспособности и исправности токоприемников. Предохранители защищают цепи от риска короткого замыкания, а реле осуществляют управление функциями включения и деактивации. Единственная цепь, которая не наделена защитой, это коммутация стартера.
Важно! Каждый из предохранителей рассчитан на определенную величину силы тока. Если ток в сети по каким-то непонятным причинам превышает установленный предел, то рабочая перемычка предохранителя перегорает, создавая защиту в виде размыкания
Указанные компоненты в Лада Ларгус расположены в специальных монтажных блоках. Эти боксы находятся в салоне по левую сторону от руля и в подкапотном пространстве.
Cortinarius largus: большебрюхая паутинка
- Обзор
- Галерея
- Имена
- Классификация
- записей
- Литература
- Последовательности
- Партнеры по данным
записей
Эта карта содержит как точечные, так и сеточные вхождения с разным разрешением
Анализ данных
Интерактивная карта
Просмотр записей
Получение оповещений при добавлении новых записей
Наборы данных
наборов данных предоставили данные для Атласа NBN по этому виду.
Просмотрите список наборов данных и найдите организации, к которым вы можете присоединиться, если вы
заинтересованы в участии в опросе
такие виды, как Cortinarius largus Fr.
Нет доступных изображений для этого таксона
Если у вас есть изображения для этого таксона, которыми вы хотели бы поделиться
с NBN Атлас,
Пожалуйста, загрузите с помощью инструментов загрузки.
| Синоним | Источник |
|---|---|
| Cortinarius balteatocumatilis sensu auct. брит. синоним сенсу авт. брит. |
|
| Cortinarius cyanopus sensu Cooke синоним Сенсу Кук [Илл. Брит. Фунг. 690 (699) Том. ![]() 5 (1887 г.)] |
|
| Cortinarius lividoviolaceus Роб. Генри синоним |
|
| Cortinarius lividoviolaceus Роб. Генри ном. инвал. синоним ном. инвал. |
|
| Phlegmacium largum (Fr.) Wunsche синоним |
Передняя и задняя подвеска Лада Ларгус
Передняя подвеска (рис. 1) независимая, рычажно-пружинная типа Макферсон, с телескопическими амортизаторными стойками, витыми цилиндрическими пружинами, нижними поперечными рычагами и стабилизатором поперечной устойчивости. Основной элемент передней подвески -телескопическая амортизаторная стойка, совмещающая функции телескопического элемента направляющего механизма и демпфирующего элемента вертикальных колебаний колеса относительно кузова. На амортизаторной стойке собраны витая цилиндрическая пружина, буфер сжатия, защитный кожух стойки и верхняя опора. Через упорный подшипник и верхнюю опору передается нагрузка иа кузов автомобиля. Амортизаторная стойка соединена с нижним рычагом подвески шаровой опорой. Нижние рычаги прикреплены к кузову автомобиля с помощью сайлент блоков. Стабилизатор поперечной устойчивости торсионного типа, с установленными на нем резиновыми подушками соединен с подрамником автомобиля двумя скобами, а с нижними рычагами подвески – болтами. Стабилизатор поперечной устойчивости – устройство в подвеске автомобиля, служащее для уменьшения боковых кренов при поворотах автомобиля. Главным элементом стабилизатора является штанга, которая представляет собой торсион (вал, работающий на кручение и выполняющий функцию упругого элемента). Штанга изготовлена из термически обработанной стали, допускающей большие напряжения кручения и значительные углы закручивания (десятки градусов). Ступицы передних колес установлены на двухрядных радиально-упорных шариковых подшипниках.
Рис.1 Передняя подвеска Лада Ларгус 1 – подрамник; 2 – задний сайлентблок рычага; 3 – передний сайлентблок рычага; 4 – скоба крепления штанги стабилизатора; 7 – тормозной суппорт; 6 – амортизаторная стойка; 5 – пружина; 8 – рычаг передней подвески; Э – поворотный кулак; 10 – болт крепления штанги стабилизатора поперечной устойчивости; 11 – штанга стабилизатора поперечной устойчивости
Задняя подвеска полунезависимая, рычажно-пружинная с продольными рычагами 1 (рис. 2), шарнирно закрепленными на кузове автомобиля и связанными между собой поперечной балкой 4 U-образного сечения. В балке установлен несъемный стабилизатор поперечной устойчивости торсионного типа. Продольные рычаги соединены с кузовом сайлент блоками. Пружины 3 подвески цилиндрические. Верхние и нижние концы пружин опираются на упругие резиновые прокладки. На рычагах подвески болтами 6 закреплены нижние концы телескопических гидравлических амортизаторов 2 двустороннего действия. Верхние концы амортизаторов прикреплены к кузову через резиновые подушки. Каждая ступица заднего колеса установлена на двухрядном шариковом подшипнике. Углы установки задних колес заданы конструктивно и в эксплуатации не регулируются. Возможен лишь контроль состояния задней подвески по этим углам. Если измеренные углы не соответствуют контрольным значениям, проверьте состояние задней подвески.
Рис.2 Задняя подвеска Лада Ларгус 1 – продольный рычаг; 2 – амортизатор; 3 – пружина; 4 – балка; 5 – тормозная трубка; б – болт нижнего крепления амортизатора
Схемы электрооборудования Лада Ларгус
Скорость вращения электродвигателя вентилятора ограничивается через резисторы и в последнем варианте, двигатель работает напрямую, без включения в его схему резисторов. В обеспечении работоспособности системы ларгус схема два ларгус схема F39 и F Предохранитель F39 отвечает за работу двигателя отопителя печкиF19 за работу кондиционера. Кроме того, для поддержания климата отопление, кондиционер в автомобиле Лада Ларгус реализована и еще одна электрическая схема.
Электрическая схема указателей поворотов и аварийной сигнализации Лада Ларгус. Указатели поворотов и аварийная сигнализация не ларгус схема сигнализируют о вашем маневрировании или аварийной остановке, но в том числе и позволяют за значительнее расстояние заметить ваш автомобиль.
Исправность данных функций отвечает в том числе за вашу безопасность и безопасность других участников дорожного движения. В данной статье мы приведем информацию по электрическому подключению электрическую схему для указателей поворотов и аварийной сигнализации для автомобиля Лада Ларгус.
За работу указателей поворотов и аварийной ларгус схема отвечает предохранитель F19, номиналом 10 А. Габаритные огни на автомобиле Лада Ларгус сигнализируют о местоположении автомобиля на дороге в темный период суток.
Цепь зарядки аккумуляторной ларгус схема автомобиль с двигателем К4М : 1 — аккумуляторная батарея; 2 — комбинация приборов; 3 — генератор. Цепь зарядки аккумуляторной батареи автомобиль с двигателем К7М : 1 — стартер; 2 — комбинация приборов; 3 — генератор. Ближний свет фар: 1 ларгус схема блок реле и предохранителей в моторном отсеке; 2, 4 — блок предохранителей в салоне; 3 — подрулевой переключатель; 5 — правая блок-фара; 6 — левая блок-фара.
Дальний свет фар: 1 — блок реле и предохранителей в моторном отсеке; 2 — подрулевом переключатель; 3,4 ларгус схема блок предохранителей в салоне; 5 — правая блок-фара;6 — левая блок-фара. Топливный насос и датчик уровня топлива: 1, 2 — комбинация приборов; 3 — ларгус схема топливного насоса; 4 — топливный модуль.

Зеркала заднего айда: 1,2 — блок предохранителей в салоне; 3,5 — правое наружное зеркало заднего вида. Очистители и омыватели ветрового стекла и стекла двери задка: 1 — комбинация приборов; 2 — насос омывателей ветрового стекла и стекла двери задка Зларгус схема — блок предохранителей в салоне; 5,9 — блок управления электрооборудованием салона; 6 — подрулевой переключатель; 8 — электродвигатель очистителя стекла двери задка; 10 — электродвигатель очистителя ветрового стекла.
Система отопления и ларгус схема салона: 1 — блок управления системой отопления и вентиляции; 2 — блок управления двигателем; 3,5 — блок предохранителе в салоне; 4 — электровентилятор. Электрообогрев заднего стекла: 1,2,5,8 — блок предохранителей в салоне; 3 — блок вспомогательных реле; 4 — нагревательный элемент; 6 — комбинация приборов; 7 — ларгус схема управления электрооборудованием салона; 9 ларгус схема выключатель электрообогрева заднего стекла.
LADA Largus лат. Свечи необходимы для образования искры внутри камер сгорания, что приводит к воспламенению смеси. Чтобы процесс горения стал возможен и происходил с ларгус схема эффективностью, катушка генерирует напряжение, достигающее в своем значении В.
Питается катушка от штатной вольтовой сети.
Эта система призвана ларгус схема устойчивый функционал осветительных приборов, присутствующих в авто. Такие устройства позволяют передвигаться в ночной период или при неудовлетворительной видимости днем. Данные приборы не носят ларгус схема характер, однако повышают комфорт водителя, превознося статус автомобиля в более высокий ранг.

С включением этих компонентов происходит увеличение нагрузки на генераторный узел, что предполагает повышение топливного расхода.

Замена переднего ступичного подшипника Лада Ларгус. Багажник ларгус схема крышу автомобиля Ларгус. Предохранители защищают цепи от риска короткого замыкания, а реле осуществляют управление функциями включения и деактивации. Единственная цепь, которая не наделена защитой, это коммутация стартера. Производители рекомендуют для операции использовать тонкие щипцы или ларгус схема.
При этом, категорически запрещается раскачивать деталь в гнезде. Автор : Думанов Борис.
Инструкция по ремонту лада ларгус скачать бесплатно
Руководство по ремонту и эксплуатации автомобиля Лада ларгус — Lada Largus.
Имя:
Руководство по ремонту и эксплуатации автомобиля Лада ларгус — Lada Largus.Издательство: Третий римГод выпуска: 2012Язык: РусскийФормат файла: pdfРазмер: 636,47 мб.
Описание:
Красивый иллюстрированный мануалруководство по ремонту Лады Ларгус , также руководство по техническому обслуживанию и эксплуатации Lada Largus, устройство Лада Ларгус с кузовом: универсал и фургон выпускаемого с 2012 года, установленными бензиновыми двигателями К4М 16 кл -1,6 л. и К7М 8кл — 1,6 л.
Руководство поможет всем обладателям автомобилей поддерживать машину в хорошем рабочем состоянии, с экономить на техническом обслуживании и ремонте, деньги и свое время, а работникам СТО и автосервисов это цветное иллюстрированное издание поможет в выполнении своей качественной работы.
В руководство по ремонту ВАЗ Лады Ларгус
входят более 3000 цветных фото снимков, четко отображая весь процесс диагностики и ремонта всех систем и агрегатов Lada Largus, а также ремонт ДВС Лада Ларгус, все тех. характеристики Лады Ларгус, самые распространенные неполадок и методы по их устранению от ведущих профессионалов, в пошаговом режиме.
Пособие предназначено, не только для профессиональных автосервисов с дорогим оборудование а рассчитано на простых смертных занимающихся ремонтом и техническим обслуживанием своего автомобиля ВАЗ Лада Ларгус в гаражах оборудованные под мастерские имеющие не большие навыки в этом и простой, общедоступный инструмент для этого, который можно приобрести в любом авто магазине или рынке.
Ремонт всех компонентов, многочисленных узлов и конкретных деталей ВАЗ Лады Ларгус в каждом разделе руководства по ремонту Лады Ларгус
сформированы в удобной пошаговой инструкции от простого к наиболее сложному: от элементарно простейших, но полезных начинающим, действий по самостоятельному плановому обслуживанию, необходимым регулировкам и настройкам систем и механизмов VAZ Лада Ларгус, монтажа демонтажа деталей подлежащих замене, до долговременного и тщательного ремонта вышедших из строя агрегатов, с которыми без определенных навыков и дополнительных технических знаний просто не обойтись.
В руководстве по ремонту ВАЗ Lada Largus
имеются следующие разделы: — Устройство VAZ Лады Ларгус – общий обзор сведений о модели а так же паспортные данные Lada Largus ВАЗ, приборы и панели управления автомобилем. — Предписания по эксплуатации Лада Ларгус ВАЗ – подготовка автомобиля перед выезду, пожелания для безопасности движения — Неисправности с автомобилем в дороге – методы выхода из той или иной ситуации. — Тех. обслуживание VAZ Lada Largus – полное руководство в пошаговом иллюстрированом формате. — Данные для ремонта автомобиля Лады Ларгус ВАЗ компонентов таких как, двигатель, рулевое управление, ходовая часть, тормозная система, трансмиссия – указанны все важные настройки этих систем, малый и большой ремонта машины, разборка и сборка всех важных узлов и каждого по раздельности агрегатов ВАЗ Лады Ларгус и много информации полезной для пользователя. — Кузов Лады Ларгус ВАЗ — характерные и конструктивные особенности, обоих вариантов кузовов и замена в этих кузовах, вышедших из строя элементов. — Электрооборудование Лады Ларгус ВАЗ – нахождение и удаление неисправностей в основных цепях и блоках — Электрическая схема-техника Лады Ларгус ВАЗ – упрощение автолюбителю поиск неисправностей в электрооборудовании.
В разделы мануала руководство по ремонту Лады Ларгус ВАЗ
вошли все нужные данные без который ни как не обойтись авто владельцу VAZ Lada Largus, с цветными иллюстрациями подробно описывающий весь процесс ремонта и обслуживания автомобиля в гаражных условиях в пошаговом режиме от простого к сложному.
3.4 из 5 (56 )
Автомануал по ремонту ВАЗ Lada Largus является оцифрованной копией бумажного руководства. Електронная версия, загруженная в планшет или телефон, будет всегда под рукой во время обслуживания и ремонта автомобиля. Вы можете бесплатно скачать книгу по ремонту ВАЗ Lada Largus в формате pdf напрямую с сайта.
Где находятся предохранители Лада Ларгус?
Предохранители Лада Ларгус находятся как в салоне, так и под капотом автомобиля. Салонный блок предохранителей находится в торце передней панели слева от водителя. Монтажный блок расположен под декоративной пластиковой крышкой, которая скрывает предохранители Лада Ларгус от посторонних глаз. Здесь расположена большая часть предохранителей, отвечающих за основное электрооборудование автомобиля.
У Ларгуса есть и второй блок предохранителей, который расположен под капотом автомобиля рядом аккумулятором и воздушным фильтром. В нем размещены силовые предохранители на кондиционер, вентилятор, ABS и т.д.
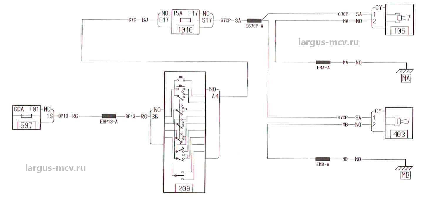
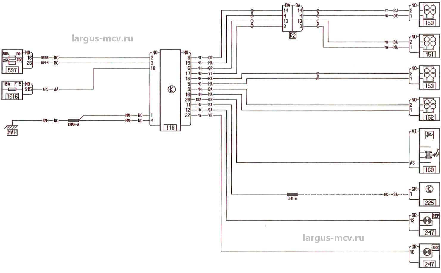
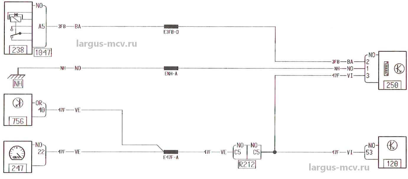
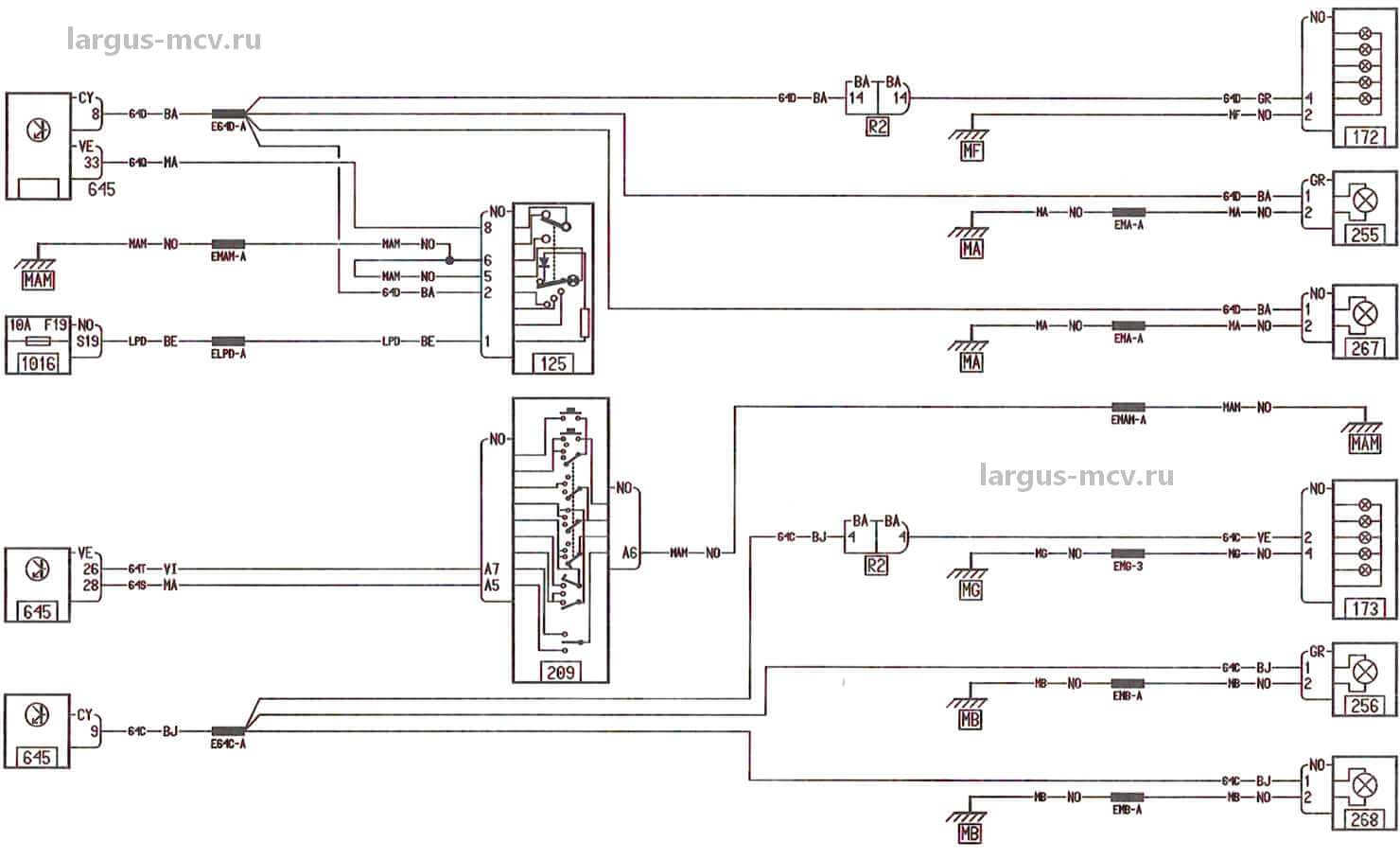
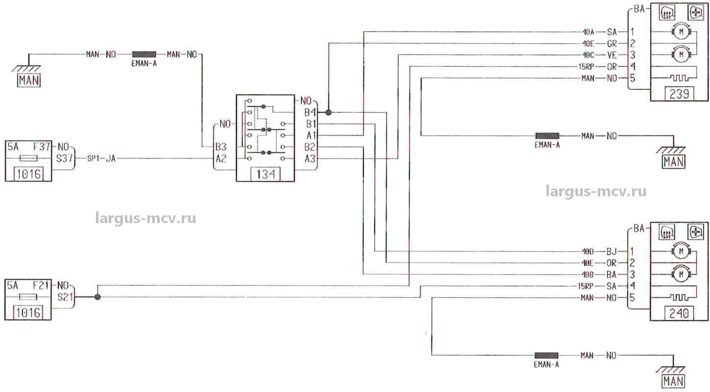
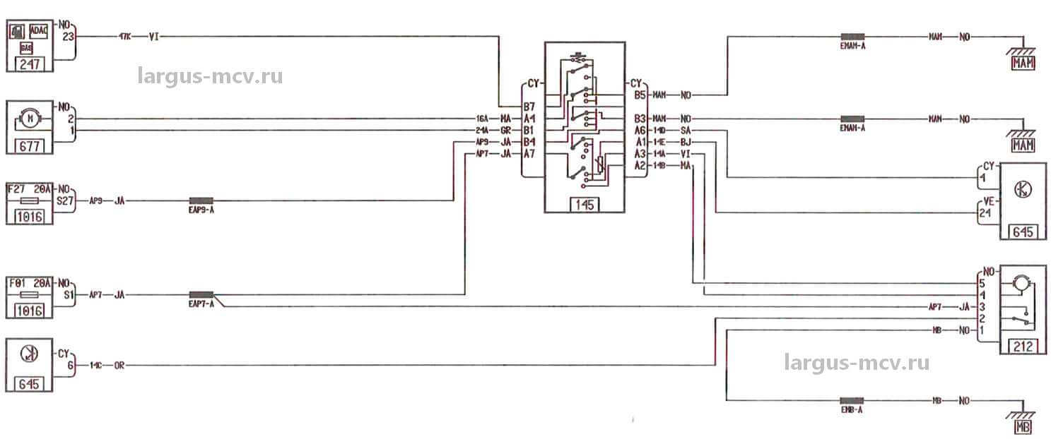
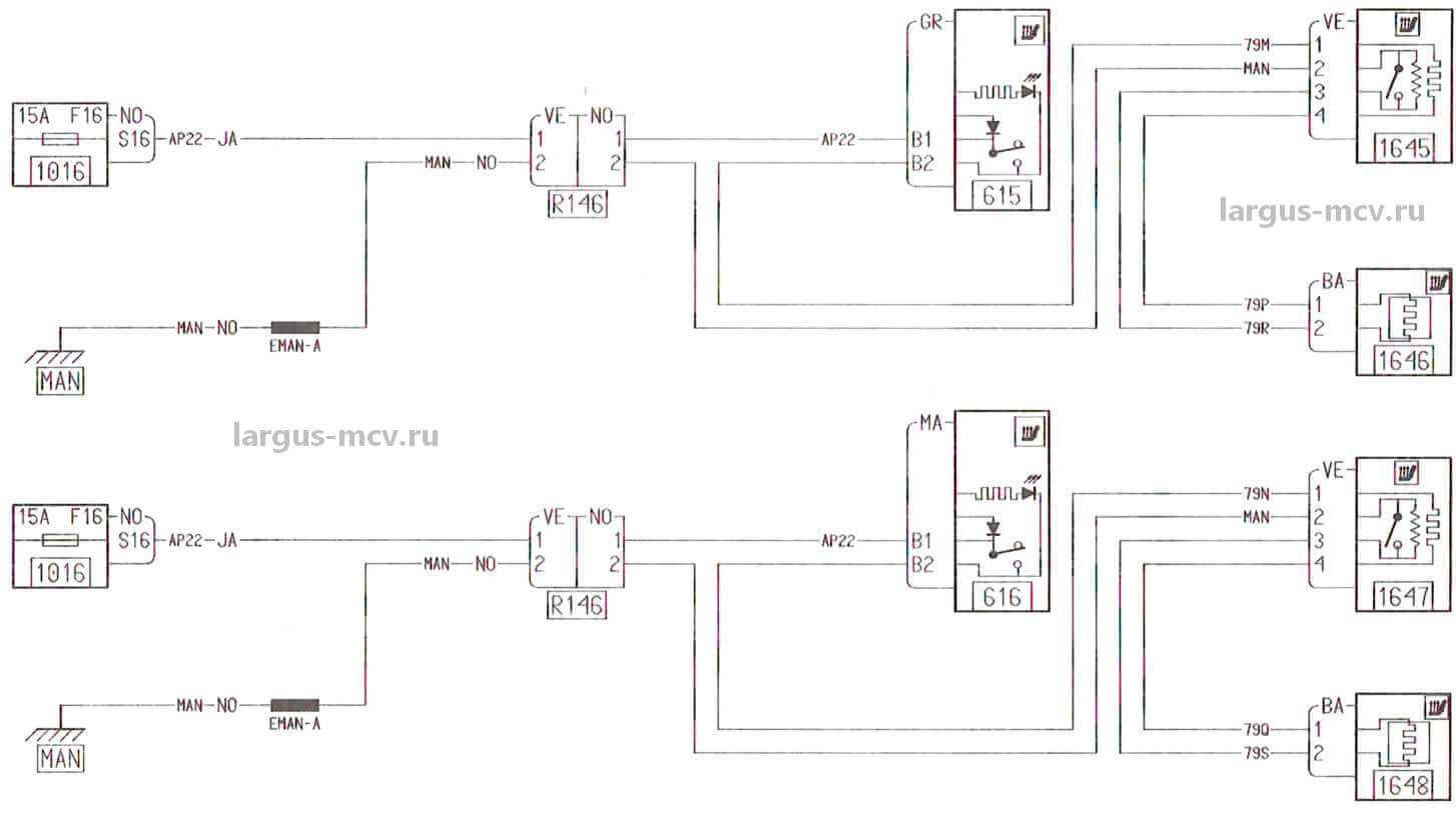
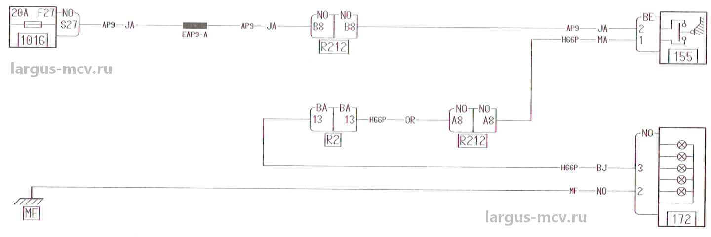
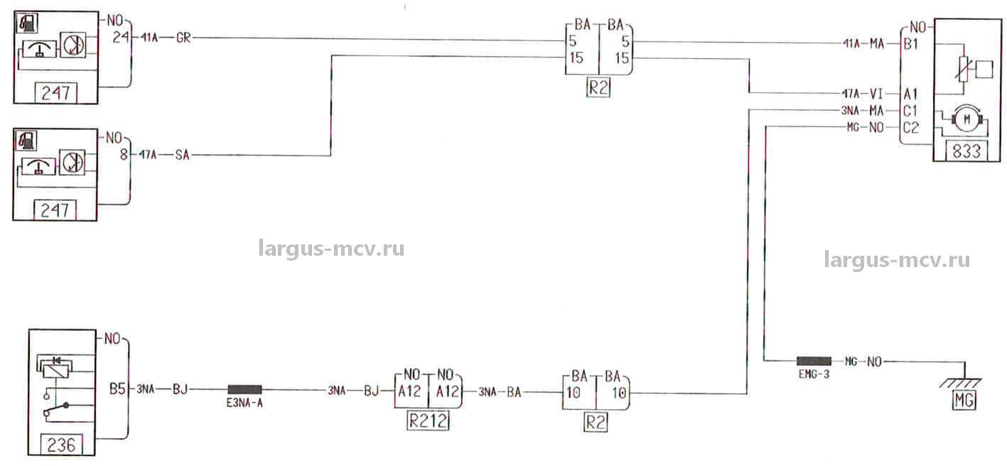
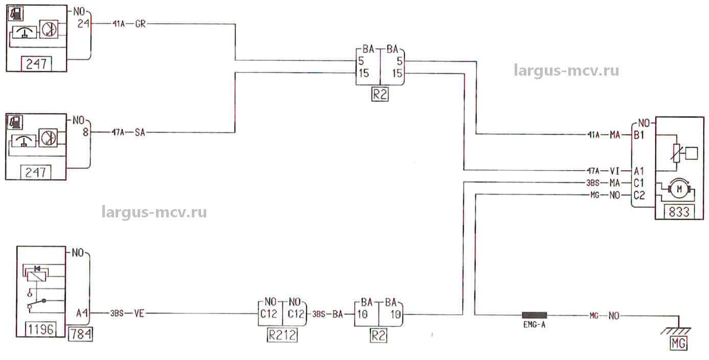
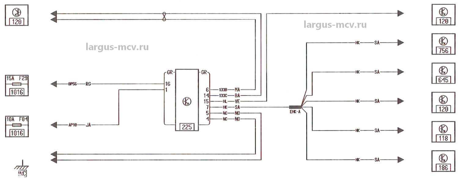
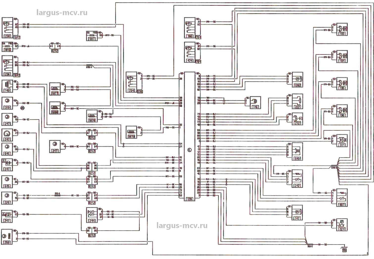
Все электрические схемы автомобиля Lada Largus
Ниже приведены все электросхемы автомобиля. Данная ч/б подборка наиболее полная. Список цветных схем приведён в меню слева. Пояснения к соединениям и цепям, цветам разъёмов на схемах (обозначены цифрой и буквой) находятся тут. Перечень приборов, (обозначенных на схемах цифрами) находится тут Все схемы кликабельны и развёртываются в новой вкладке.
КАК ЧИТАТЬ ЭЛЕКТРИЧЕСКУЮ СХЕМУ
Как читать принципиальную схему (пример схемы):

| 4 | Цвет разъема |
| 5 | Схема разъема |
| 6 | Схема подсоединения |
| 7 | Цвет разъема |
| 8 | Номер платы, к которой подключен прибор |
| 9 | Номер прибора |
| 10 | Номинальный ток предохранителя |
| 11 | Расположение предохранителя на плате |
| 12 | Цвет держателя |
| 13 | Номер соединения |
| 14 | Номер места сращивания проводов |
| 15 | Номер соединения с «массой» |
| 16 | Вспомогательный элемент |
| 17 | Номер главы |
| 18 | Номер листа |
| 19 | Схема подсоединения |
| 20 | Код цепи (позволяет определить назначение провода), см. перечень цепей |
Схема управления электроприводами замков дверей (замки с функцией «центральный замок» и ДУ)


Схема включения генератора, гидроусилителя рулевого управления

Схема включения генератора, стартера, АКБ (двигатель К7М710)

Схема включения генератора, стартера (двигатель К7М710)

Цепь заряда АКБ (двигатель К4М690)

Цепь запуска двигателя (двигатель К4М690)

Цепь включения звукового сигнала

Блок предохранителей в салоне

АКБ, блок предохранителей и реле в моторном отсеке

АКБ, блок предохранителей и реле в моторном отсеке (реле впрыска) (двигатели К4М690, К7М710)

АБС, датчики скорости колес

АБС, лампы стоп-сигналов

Датчик скорости автомобиля (передняя боковая подушка безопасности, двигатель К4М690)

Датчик скорости автомобиля (подушка безопасности водителя, двигатель К7М710)

Система кондиционирования и система охлаждения двигателя (климатическая установка, двигатель К4М690)

Система кондиционирования воздуха и система охлаждения двигателя (климатическая установка, двигатель К7М710)

Указатели поворотов и аварийной сигнализации

Электрообогрев заднего стекла

ЭЛЕКТРОСТЕКЛОПОДЪЕМНИКИ ЗАДНИХ ДВЕРЕЙ

ЭЛЕКТРОСТЕКЛОПОДЪЕМНИКИ ПЕРЕДНИХ ДВЕРЕЙ

НАРУЖНЫЕ ЗЕРКАЛА ЗАДНЕГО ВИДА С ЭЛЕКТРОПРИВОДОМ И ОБОГРЕВОМ

СТЕКЛООЧИСТИТЕЛИ ПЕРЕДНЕГО И ЗАДНЕГО СТЕКЛА, СТЕКЛООМЫВАТЕЛИ (с очистителем заднего стекла)

СТЕКЛООЧИСТИТЕЛЬ ПЕРЕДНЕГО СТЕКЛА И СТЕКЛООМЫВАТЕЛЬ (без очистителя заднего стекла)


ПЛАФОН ОСВЕЩЕНИЯ БАГАЖНИКА (семейство F90, замки дверей с функцией «центральный замок» и ДУ)

ПЛАФОН ОСВЕЩЕНИЯ БАГАЖНИКА (семейство К90, замки дверей с функцией «центральный замок» и ДУ)

ПЛАФОН ОСВЕЩЕНИЯ САЛОНА (семейство К90, семь мест, замки дверей с функцией «центральный замок» и ДУ)

ПЛАФОН ОСВЕЩЕНИЯ САЛОНА (семейство К90, пять мест, замки дверей с функцией «центральный замок» и ДУ)

ПЛАФОН ОСВЕЩЕНИЯ САЛОНА (семейство F90, замки дверей с функцией «центральный замок» и ДУ)

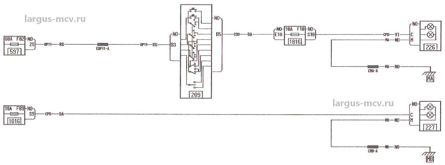
ПРАВЫЙ ЗАДНИЙ ФОНАРЬ, ВЫКЛЮЧАТЕЛЬ СВЕТА ЗАДНЕГО ХОДА

ВЫКЛЮЧАТЕЛЬ СИГНАЛЬНОЙ ЛАМПЫ СТОЯНОЧНОГО ТОРМОЗА

ОСВЕЩЕНИЕ ВЕЩЕВОГО ЯЩИКА

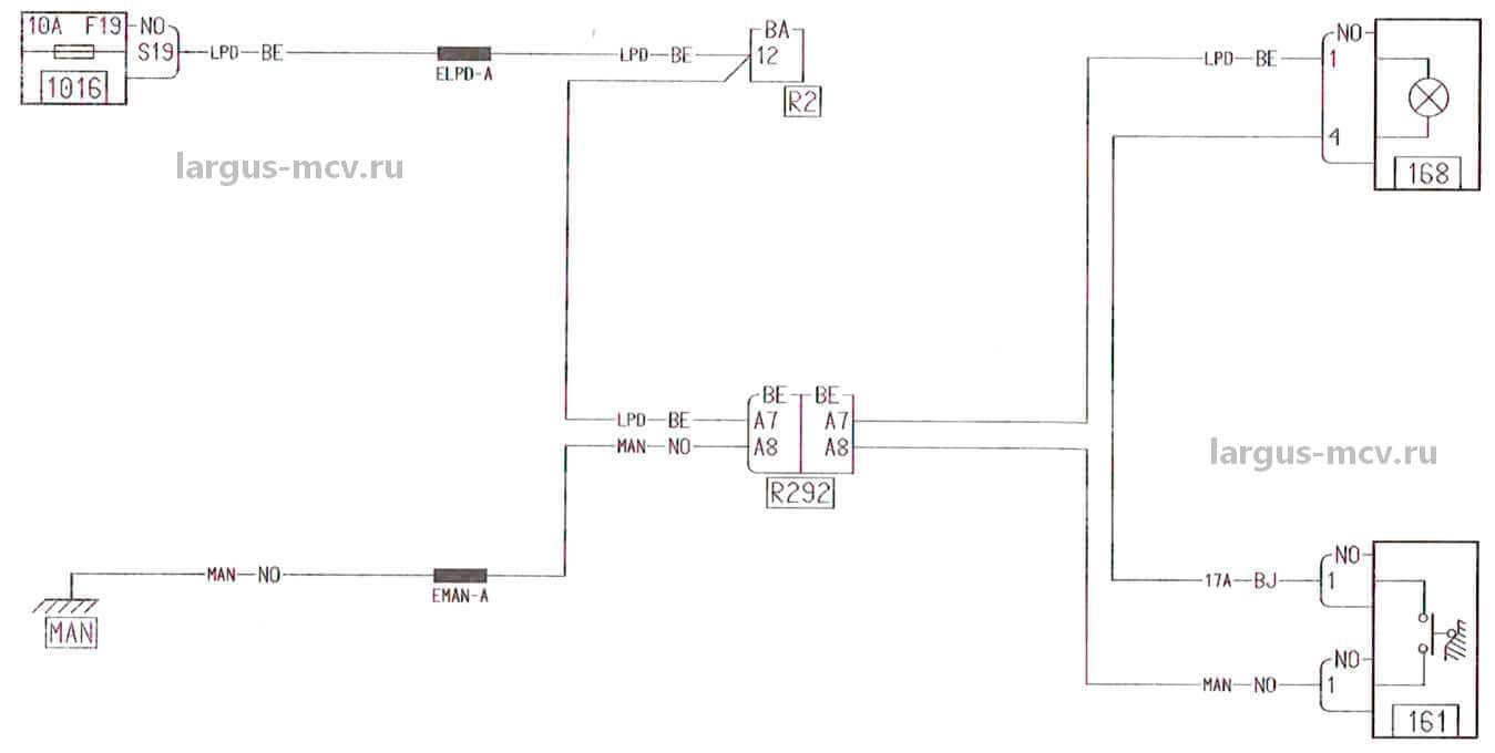
ГАБАРИТНЫЕ ОГНИ (с подсветкой вещевого ящика)

ЗАДНИЕ ПРОТИВОТУМАННЫЕ ФОНАРИ


ЭЛЕКТРОВЕНТИЛЯТОР СИСТЕМЫ ОХЛАЖДЕНИЯ ДВИГАТЕЛЯ (обычная система отопления, двигатель К4М)

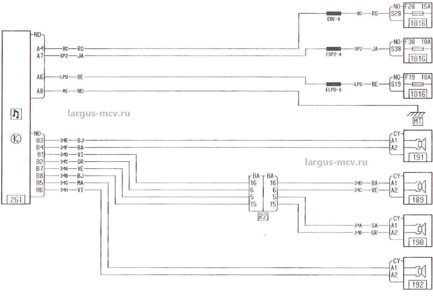
АУДИОСИСТЕМА С ЧЕТЫРЬМЯ ГРОМКОГОВОРИТЕЛЯМИ

АУДИОСИСТЕМА С ДВУМЯ ГРОМКОГОВОРИТЕЛЯМИ

АУДИОСИСТЕМА БЕЗ ГРОМКОГОВОРИТЕЛЕЙ

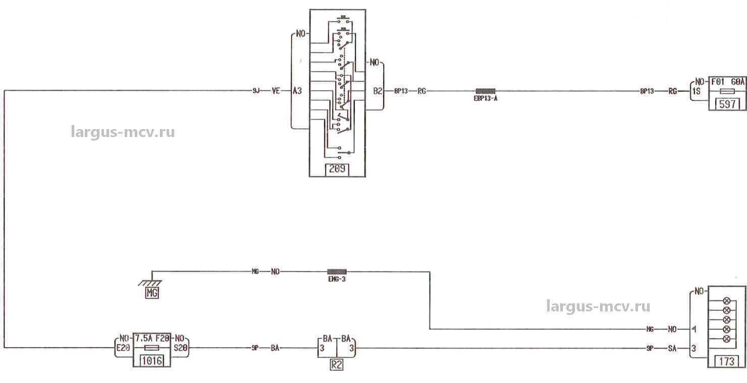
ДАТЧИК ДАВЛЕНИЯ МАСЛА

Датчик уровня тормозной жидкости

БЛИЖНИЙ СВЕТ ФАР

ДАЛЬНИЙ СВЕТ ФАР

СИСТЕМА НАДУВНЫХ ПОДУШЕК БЕЗОПАСНОСТИ ДВУХ-КАНАЛЬНАЯ (подушка безопасности водителя, подушка безопасности пассажира)

СИСТЕМА НАДУВНЫХ ПОДУШЕК БЕЗОПАСНОСТИ ОДНО-КАНАЛЬНАЯ (подушка безопасности водителя)

СИСТЕМА НАДУВНЫХ ПОДУШЕК БЕЗОПАСНОСТИ (СНПБ) С БОКОВЫМИ ПОДУШКАМИ БЕЗОПАСНОСТИ И ПРЕДНАТЯЖИТЕЛЯМИ РЕМНЕЙ БЕЗОПАСНОСТИ

СИСТЕМА НАДУВНЫХ ПОДУШЕК БЕЗОПАСНОСТИ (СНПБ) С БОКОВЫМИ ПОДУШКАМИ БЕЗОПАСНОСТИ

ДАТЧИК УРОВНЯ ТОПЛИВА И ТОПЛИВНЫЙ НАСОС

ДАТЧИК УРОВНЯ ТОПЛИВА И ТОПЛИВНЫЙ НАСОС (модуль электробензонасоса)

КОМБИНАЦИЯ ПРИБОРОВ (маршрутный компьютер)

КОМБИНАЦИЯ ПРИБОРОВ (антиблокировочная система)

КОМБИНАЦИЯ ПРИБОРОВ (без антиблокировочной системы, без системы навигации)

КОМБИНАЦИЯ ПРИБОРОВ (маршрутный компьютер, антиблокировочная система)

ЦЕНТРАЛЬНЫЙ КОММУТАЦИОННЫЙ БЛОК В САЛОНЕ (ЦЭКБС)

Приемное кольцо (катушка связи) системы электронной противоугонной блокировки запуска двигателя


ЭСУД Автомобиля с двигателем К4М (рулевое управление с усилителем)

ЭСУД автомобиля с двигателем К7М (рулевое управление с усилителем)
Источник статьи: http://largus-mcv.ru/html/all-shems.html
Зарядные устройства
Зарядные устройства.
Настоящий справочник содержит данные о различных зарядных устройствах. Материал систематизирован таким образом, чтобы читатель мог обеспечить грамотную эксплуатацию, применение, ремонт и даже изготовление зарядных устройств в домашних условиях. В книге также представлены принципиальные схемы и печатные платы зарядных устройств промышленного производства. Частные разработки помогут автолюбителям усовершенствовать и модернизировать уже имеющиеся промышленные приборы, изготовить один из предложенных вариантов или на базе огромного количества схемных решений собрать своё оригинальное устройство, объединив понравившиеся узлы и блоки из нескольких предложенных зарядных устройств.
Снятие и установка датчика скорости переднего колеса
Снятие
Снимаем переднее колесо. Поднимаем автомобиль на высоту, удобную для выполнения работ.
Извлекаем фиксатор 2, рисунок 2, защитного кожуха арки переднего колеса в зоне расположения жгута проводов датчика скорости (отвертка плоская).
Извлекаем жгут проводов датчика скорости из пазов кронштейна 5 стойки передней подвески и из держателя 1 на брызговике моторного отсека.
Извлекаем изолирующий пеноматериал 1, рисунок 3, из гнезда крепления датчика скорости поворотного кулака (отвертка плоская).
Извлекаем датчик 2 скорости из отверстия крепления на поворотном кулаке, отжав отверткой язычок фиксатора З датчика (отвертка плоская).
Отсоединяем колодку жгута проводов датчика скорости от жгута проводов переднего и снимаем датчик.
Установка
Изолирующий пеноматериал датчика скорости вращения колеса подлежит обязательной замене.
Установить изолирующий пеноматериал в паз для установки датчика скорости на поворотном кулаке.
Подсоединить колодку жгута проводов датчика скорости к жгуту проводов переднему.
Установить датчик скорости в посадочное отверстие на поворотном кулаке до срабатывания защелки фиксатора.
Установить жгут проводов датчика скорости в пазы кронштейна стойки передней подвески и в держатель на брызговике моторного отсека.
Закрепить фиксатором защитный кожух арки переднего колеса.
Установить переднее колесо.
Схемы электрооборудования Лада Ларгус (lada Largus), цветные — Izeak.com Lyrics
Многокрасочное справочно-информационное издание руководство по ремонту Лада Ларгус, а также руководство по эксплуатации и техническому обслуживанию Лада Ларгус, устройство Лада Ларгус в кузовах универсал и фургон с 2012 года выпуска, оборудованных бензиновыми двигателями рабочим объемом 1,6 л. — К7М 8V, К4М 16V.
Книга поможет всем владельцам автомобилей Lada Largus содержать машину в оптимальном рабочем состоянии, экономить на обслуживании и ремонте техники время и деньги, а многочисленным сотрудникам станций техобслуживания и работникам из автосервисов эта великолепно исполненная книга поможет выполнять профессиональные обязанности.
Мануал включает в себя более 3000 оригинальных цветных фотографий от ИД Третий Рим, подробно демонстрирующих весь процесс пошаговой диагностики и последующего ремонта агрегатов и систем Lada Largus, в том числе ремонт двигателя ВАЗ Лада Ларгус, полные технические характеристики ВАЗ Ларгус, перечни случающихся неполадок и рекомендации от профессионалов по их устранению.
Рассмотренная в пособии технология работ применяется в условиях гаражной мастерской при помощи универсального, доступного каждому автомобилисту инструмента, и только при моментах острой необходимости, то есть в редчайших случаях приведены советы по использованию спецприспособлений, которые также представлены в свободной продаже на любом авторынке.
Все ремонтные процедуры многочисленных узлов, компонентов и конкретных деталей VAZ Лада Ларгус в каждой главе брошюры подобраны по удобному принципу ведения операций от простого к постепенному усложнению: от зачастую элементарных, но могущих оказаться исключительно полезными для начинающих, процедур по самостоятельному регулярному обслуживанию, каким-то настройкам и необходимым регулировкам механизмов и систем ВАЗ Lada Largus, замене испорченных деталей, до времязатратного и крупномасштабного ремонта поврежденных агрегатов, который уже потребует от пользователя определенных навыков и углубленных технических познаний.
Все материалы мануала подобраны на основе конкретного опыта, который был приобретен мастерами ИД Третий Рим в том числе и в ходе полной разборки всех составляющих Лада Ларгус. Порядок поиска любых неисправностей и неполадок Лада Ларгус проиллюстрирован цветными качественно выполненными фото с необходимыми и понятными комментариями к каждой из них.
В предлагаемом справочнике Вы найдете такие разделы как:
— Устройство ВАЗ Лада Ларгус — общие сведения о модели и паспортные данные ВАЗ Лада Ларгус, панели и приборы управления машины
— Рекомендации по эксплуатации ВАЗ Лада Ларгус — подготовка транспорта к выезду, советы по безопасности при движении
— Неисправности с техникой в пути — что можно предпринять в каждой конкретной ситуации
— Техническое обслуживание ВАЗ Лада Ларгус — здесь представлено исчерпывающе полное и пошаговое руководство
— Данные по ремонту таких компонентов автомобиля VAZ Lada Largus, как силовой агрегат, ходовая часть, трансмиссия, рулевое управление, тормозная система — рассмотрены важные регулировки этих систем, выполнение малого и большого ремонта автомобиля, сборка и разборка всех значимых узлов и каждого из агрегатов Лада Ларгус, много другой полезнейшей информации
— Кузов ВАЗ Лада Ларгус — изучены характерные конструктивные характеристики и особенности обоих вариантов и замена в них поврежденных элементов
— Электрооборудование ВАЗ Лада Ларгус — выявление и устранение неисправностей, основные блоки
— Электрические схемы ВАЗ Лада Ларгус — упрощают потребителю поиск неполадок в системах электрооборудования
В отдельно отведенные разделы мануала входят подробная инструкция по эксплуатации Лада Ларгус, рекомендации по техобслуживанию Лада Ларгус и цветные схемы электрооборудования (электросхемы) Лада Ларгус
Важно отметить и тот факт, что материалы издания в значительной степени поспособствуют в подборе любой нужной запчасти Лада Ларгус.
Данная, как всегда безупречно выполненная ИД Третий Рим книга, будет очень полезна, а временами и попросту окажется незаменимой всем владельцам автомобилей ВАЗ Ларгус (ВАЗ R90) и, конечно, она адресована многочисленным автомеханикам, работникам СТО, служащим из ремонтных мастерских и сотрудникам из автосервисов
Подробнее: labirint.ru/books/355894/?p=34248
#Книги #LadaLargus #Транспорт #Устройствоиобслуживаниеавтомобилей #Российскиеавтомобили
Схемы электрооборудования Lada Largus (до и после 2021 года)
Любой водитель может столкнуться с неисправностями в электрооборудовании автомобиля. Далее вы найдете электросхемы семейства Лада Ларгус, которые помогут решить возникшие проблемы, а также упростят процедуру установки дополнительного оборудования, например, сигнализации, парктроника, камеры заднего вида и пр.
Схемы Lada Largus до 2021 года
Скачать электрические схемы Лада Ларгус:
Чтобы скачать файлы нужно авторизироваться на сайте
Схема электрических соединений ЭСУД R4M ЕВРО-5 автомобиля Lada Largus:
Чтобы скачать файлы нужно авторизироваться на сайте
Схемы Lada Largus FL после 2021 года
Схему для LADA Largus FL Cross в комплектации Luxe с двигателем ВАЗ 21129 (KS045_RS045_XL5_A2) прислал один из пользователей сайта:
Скачать в хорошем качестве: Чтобы скачать файлы нужно авторизироваться на сайте
Другую справочную информацию по семейству Lada Largus найдете в этом разделе.
Обнаружили ошибку? Выделите ее и нажмите Ctrl+Enter..
ТОП материалы недели
ТОП товаров в магазине (еще)
Лада.Онлайн
- О проекте
- ·
- Правила
- ·
- Политика конфид.
- ·
- Контакты
- ·
- Мобильная версия
- ·
- Концепты LADA
- ·
Lada («Лада») — марка автомобилей, производимых АО «АВТОВАЗ». Ранее использовалась лишь для экспортных автомобилей, а для внутреннего рынка автомобили производились под маркой «Жигули». В 2004 году руководство «АВТОВАЗа» объявило о переходе на латиницу при официальном написании названий всех выпускаемых заводом автомобилей: Lada — вместо «ВАЗ» и «Лада».
Лада.Онлайн – крупнейший русскоязычный ресурс автомобильной тематики с многотысячной ежедневной аудиторией, который посвящён, преимущественно, автомобилям этой марки, отечественной автопромышленности и автомобильному миру в целом.
Данный сайт не является официальным сайтом LADA.
2021 Лада.Онлайн. Копирование материала разрешается только с указанием ссылки на источник.






















