Газ 66
Содержание
- 1 Особенности электрооборудования
- 2 Схема подключения реле поворотов ГАЗ 66
- 3 Обзор основных элементов проводки
- 4 Устройство системы зажигания ГАЗ 53
- 5 Как самостоятельно проверить и исправить реле поворотов ГАЗ 66
- 6 12.1. ГАЗ. Эксплуатация, обслуживание и ремонт автомобилей ГАЗ-53А и ГАЗ-66. Схемы электрооборудования
- 7 Неисправности системы зажигания автомобиля ГАЗ 3307
- 8 Основные технические характеристики
Особенности электрооборудования
Военное предназначение автомобиля накладывает определенные свойства на все его системы и узлы. В частности, требования по электрооборудованию заключаются в:
- Максимальной защите проводки от наводимых электромеханических помех,
- Дублировании основных компонентов, либо их резервной схеме работы,
- Максимальной ремонтопригодности в полевых условиях своими руками.

Справочно: сама же проводка имела классическую схему, присущую контактному зажиганию карбюраторных двигателей. Однако, ряд элементов и узлов были выполнены уникальными, что требовалось по условиям эксплуатации.
Очень часто армейский автомобиль ГАЗ 66 нес на себе функции радиоэлектронной разведки и раннего обнаружения противника. Поэтому, исполнение электрооборудования предусматривало максимальную защиту, ведь цена потери боевой единицы могла иметь тяжелые последствия для боевой операции.

Система зажигания
Для защиты системы зажигания, проводка ГАЗ 66 выполнена в экранированном варианте:
- Корпус трамблера помещен в герметичный металлический стакан,
- Высоковольтные провода к свечам имеют металлическую оплетку,
- На свечи одеты металлические колпаки, выполняющие роль экрана.

Конструкция основных узлов выполнена таким образом, чтобы система зажигания сохраняла свою работоспособность и при преодолении водных преград. В частности:
- В корпус трамблера с помощью гибкого шланга подается с ресивера избыточное давление, препятствующее проникновению воды внутрь,
- Высоковольтные провода оснащены герметичными колпаками,
- Катушка зажигания также помещена в герметичный корпус (см. также схему электропроводки ГАЗ 3307).

Справочно: при преодолении вброд рек и озер водителю предписывалось снимать шкив с привода вентилятора охлаждения двигателя. Это необходимо для того, чтобы уберечь радиатор, поскольку в воде вентилятор создает водную струю, способную вывести его из строя.
Также к системе зажигания были предусмотрены аварийные схемы работы. В частности, заводская инструкция при выходе из строя катушки зажигания или трамблера предписывала следующий алгоритм действий:
- Отсоединить провод генератора от катушки зажигания,
- Присоединить к аварийному вибратору,
- Запустить двигатель и поддерживать частоту вращения не выше 2000 об/мин,
- Двигаться с одинаковой скоростью не более 50 км (см. также схему электропроводки ГАЗ 3110).

При движении на резервной системе зажигания аварийный вибратор исполняет роль катушки и трамблера, постоянно генерируя искру с частотой 250-400 Гц. При этом:
- мощность двигателя снижается, что накладывает ограничения на буксируемый прицеп,
- автомобиль может проехать еще 50 км, что достаточно для выполнения поставленных командованием задач.
Справочно: на последующих версиях автомобиля устанавливалось транзисторное зажигание. Однако, как и прежде система комплектовалась резервной схемой работы на случай выхода из строя ее электронных компонентов.
Система освещения
Именно по осветительным приборам можно легко отличить гражданскую версию ГАЗ 66 от ее военного оригинала:
- Первое поколение (с 1963 по 1968 года) и второе (с1968 по 1985 года) выпускались исключительно для нужд военных,
- Третье поколение автомобиля (с 1985 года) получило «прописку» в народном хозяйстве.

Для военных моделей важнее всего было обеспечить маскировку авто в ночное время, тогда как для гражданских версий задача стоит совершенно иначе:
- Обеспечить видимость габаритов автомобиля на дорогах общего пользования,
- Обеспечить видимость дорожной обстановки водителю из кабины.
Справочно: Начиная с 1981 года, на ГАЗ 66 устанавливали новые световые приборы, включая и увеличенные в размерах подфарники оранжевого цвета.

Кроме наружных приборов освещения, существовали и гражданские версии автомобиля, предназначенные для эксплуатации в суровых зимних широтах. В частности, северный вариант ГАЗ 66-92 комплектовался:
- Кабиной с усиленной термоизоляцией,
- Двойными стеклами,
- Дополнительным салонным отопителем и предпусковым подогревателем,
- Аккумуляторной батареей увеличенной емкости,
- Дополнительными противотуманными фарами.
Схема подключения реле поворотов ГАЗ 66
Реле поворотов ГАЗ 66 – это электромеханическое устройство, которое используется для управления сигналами поворотов автомобиля. Оно устанавливается на панели приборов и подключается к системе электроосвещения автомобиля.
Схема подключения реле поворотов ГАЗ 66 представляет собой последовательное соединение нескольких элементов:
- Входное напряжение. Система электроснабжения автомобиля обеспечивает поступление электрического напряжения на реле поворотов.
- Выходное напряжение. Реле поворотов управляет выходным сигналом, который подается на лампы указателей поворота.
- Управляющий сигнал. Реле поворотов получает управляющий сигнал от переключателя поворотов.
- Система заземления. Для нормальной работы реле поворотов необходимо обеспечить надежное заземление.
Подключение реле поворотов ГАЗ 66 осуществляется с помощью проводов, которые соединяют соответствующие выводы реле с элементами системы электроосвещения и переключателем поворотов автомобиля.
| № вывода | Описание | Подключение |
|---|---|---|
| 1 | Питание (+12В) | Соединить с положительным контактом аккумуляторной батареи |
| 2 | Выходной сигнал на лампу правого поворота | Соединить с соответствующим выводом лампы правого поворота |
| 3 | Выходной сигнал на лампу левого поворота | Соединить с соответствующим выводом лампы левого поворота |
| 4 | Заземление (-) | Соединить с кузовом или отдельным заземляющим проводом |
| 5 | Управляющий сигнал | Подключить к выводу переключателя поворотов |
Чтобы убедиться в правильной работе схемы подключения реле поворотов ГАЗ 66, можно провести диагностику. Для этого необходимо проверить наличие напряжения на входном и выходном контактах реле, а также правильность управляющего сигнала.
В случае неисправности реле поворотов ГАЗ 66, его можно попытаться отремонтировать. В большинстве случаев необходимо заменить поврежденные контакты или исправить пайку на плате реле.
Обзор основных элементов проводки
Проводка автомобиля ГАЗ-66 состоит из множества элементов, обеспечивающих передачу электрического тока по разным устройствам и системам автомобиля. В этом разделе мы рассмотрим основные элементы проводки и их назначение.
1. Предохранители
Предохранители – это устройства, предназначенные для защиты проводки от короткого замыкания и перегрузки. Они устанавливаются на вводные линии электроустановки и при превышении тока, для которого предохранитель рассчитан, автоматически перегорают, прерывая электрическую цепь и предотвращая повреждение проводки.
2. Реле
Реле – это электромеханические устройства, которые управляют электрическими цепями в зависимости от поступающих на них сигналов. Реле используются, например, для управления световыми сигналами и звуковым сигналом автомобиля.
3. Переключатели
Переключатели – это устройства, которые позволяют изменять параметры электрической цепи, например, включать и выключать электрические устройства или менять направление их работы. На автомобиле ГАЗ-66 присутствуют различные переключатели, такие как переключатель фар, зажигания, поворотов и др.
4. Лампы и фонари
Лампы и фонари – это осветительные устройства, которые обеспечивают видимость автомобиля в темное время суток или в условиях плохой видимости. На ГАЗ-66 присутствуют фары, габаритные огни, сигнальные огни, стоп-сигналы и другие элементы освещения.
5. Проводка и соединители
Проводка и соединители – это основные элементы электрической системы автомобиля, которые обеспечивают передачу электрического тока от источника к электрическим устройствам. Проводка на ГАЗ-66 выполнена в виде жгутов проводов разных цветов, каждый из которых отвечает за определенные электрические цепи.
6. Блок предохранителей
Блок предохранителей – это устройство, в котором располагаются предохранители разного номинала для каждой электрической цепи. Блок предохранителей на ГАЗ-66 располагается в салоне автомобиля и обеспечивает централизованную защиту всей проводки.
7. Датчики и выключатели
Датчики и выключатели – это устройства, которые используются для контроля и управления различными системами автомобиля. Например, на ГАЗ-66 присутствуют датчики уровня топлива, температуры двигателя, датчик скорости и т.д.
Некоторые элементы проводки автомобиля ГАЗ-66
Элемент проводки
Назначение
Предохранители
Защита проводки от короткого замыкания и перегрузки
Реле
Управление электрическими цепями
Переключатели
Изменение параметров электрической цепи
Лампы и фонари
Осветительные устройства
Проводка и соединители
Передача электрического тока
Блок предохранителей
Централизованная защита проводки
Датчики и выключатели
Контроль и управление системами автомобиля
Устройство системы зажигания ГАЗ 53
На ГАЗ-53 установлена бесконтактная транзисторная система зажигания, первичная цепь которой выдает напряжение 12 вольт. Система зажигания считается батарейной, состоящей из источников электрического тока, которым может выступать аккумуляторная батарея, катушки зажигания, коммутатора, датчика-распределителя, и другого электрооборудования газ 53, которое чаще всего и вызывает проблемы, так как его необходимо настраивать, свечей с наконечниками, добавочного резистора, выключателя зажигания проводов низкого и высокого напряжения.
на чертеже показана полная схема системы зажигания ГАЗ-53
Система зажигания является одной из самых важных систем в автомобиле, так как именно от ее исправной работы зависит работа двигателя, а также расход топлива всего автомобиля. Для подавления радиопомех, которые создают провода высокого напряжения и наконечники свеч, на первых установлены распределенное сопротивление, а на вторых — подавительные резисторы.
В системе зажигания установлена катушка марки Б 116, предназначение которой преобразовывать ток низкого напряжения в высокое напряжение.
В свою очередь катушка состоит из трансформатора, в который вмонтирован железный сердечник. На этот сердечник сверху намотана первичная обмотка, а под ней вторичная. Сам трансформатор является стальным корпусом, который герметично закрыт, внутри него вместе с сердечником залито масло. Для обслуживания этого трансформатора предусмотрена пластмассовая крышка, которая способна выдержать воздействие высокого напряжения.
Первые грузовые автомобили ГАЗ 53 имели контактно-транзисторную систему зажигания, затем она стала бесконтактной электронной. Так как контактная (или контактно-транзисторная) система уже безнадежно устарела, будем рассматривать бесконтактную систему. Система зажигания ГАЗ 53 состоит из низковольтной и высоковольтной цепи. В низковольтную цепь входит:
- Аккумуляторная батарея. В батарее параллельно между собой соединены шесть банок по 2 вольта, в общей сложности получается 12 вольт. На ГАЗ 53 стандартно устанавливается аккумулятор 6СТ-75 емкостью 75 а/ч.
- Аккумуляторные провода с клеммами. Провода многожильные и имеют большое сечение.
- Замок зажигания. Служит для подачи питания в низковольтную цепь. В самом крайнем левом положении (по часовой стрелке) замыкаются контакты на втягивающем реле стартера, и двигатель стартером приводится в движение.
- Прерыватель. В ГАЗ 53 он находится в трамблере. В контактном зажигании роль прерывателя выполняли кулачковый вал трамблера и контакты зажигания, в более современном варианте роль прерывателя выполняет датчик Холла.
- Коммутатор. Обеспечивает стабильную работу прерывателя.
- Вариатор (сопротивление). Обеспечивает стабильный запуск двигателя и разгружает работу катушки зажигания на больших оборотах ДВС. За счет вариатора катушка не перегревается. На более современных вариантах системы вариатор был убран (в модели газ 3307), а роль вариатора стал выполнять дополнительный транзистор, находящийся в схеме нового коммутатора.
- Первичная обмотка катушки зажигания (КЗ). Имеет небольшое количество витков и относительно толстый медный провод.
Проверка катушки зажигания мультиметром
Во вторичной (высоковольтной) цепи присутствуют следующие элементы:
- Вторичная обмотка КЗ. Имеет большое количество витков и тонкий медный провод.
- Распределитель зажигания ГАЗ 53. Распределительная часть трамблера состоит из вала, крышки распределителя и бегунка.
- Высоковольтные провода и наконечники. По ним высоковольтный импульс поступает на свечи зажигания.
- Свечи зажигания.
Как самостоятельно проверить и исправить реле поворотов ГАЗ 66
Реле поворотов является важной частью электросистемы автомобиля ГАЗ 66 и отвечает за правильное функционирование сигнальных индикаторов поворота. Если сигналы поворота перестали работать, возможно, проблема кроется именно в реле
В данной статье мы рассмотрим, как самостоятельно проверить и исправить реле поворотов ГАЗ 66.
Шаг 1: Проверка питания
Первым шагом необходимо убедиться в наличии питания на реле поворотов. Для этого можно использовать мультиметр, установив его в режим измерения постоянного напряжения. Подключите один из проводов мультиметра к положительному (+) выводу аккумулятора, а другой провод — к разъему реле поворотов с зажженным зажиганием. Если на мультиметре отображается напряжение около 12 В, значит питание подается правильно.
Шаг 2: Проверка контактов
Если питание на реле поворотов есть, но сигнальные индикаторы не работают, возможно, проблема кроется в контактах реле. Для проверки контактов необходимо освободить реле от монтажа и визуально осмотреть его. Если контакты окислены или загрязнены, можно попробовать их прочистить при помощи абразивной наждачной бумаги или специальных чистящих средств. Также стоит проверить, нет ли на контактах признаков обгорания или перегрева.
Шаг 3: Проверка реле с помощью мультиметра
Для более детальной проверки реле можно использовать мультиметр. Установите мультиметр в режим проверки сопротивления. Подключите один провод мультиметра к контакту 49 реле, а другой провод — к контакту 49a или 49b (в зависимости от конкретной конструкции реле). Если мультиметр показывает низкое сопротивление (обычно так называемый «нулевой» ом), значит реле исправно. Если сопротивление бесконечно высокое или ноль, значит реле вышло из строя и требуется замена.
Шаг 4: Замена реле
Если при проверке реле были обнаружены дефекты, которые невозможно исправить (например, обгорание контактов), требуется замена реле. Для этого сначала необходимо купить новое реле, затем отсоединить многоштекерные разъемы от старого реле, а затем подключить разъемы к новому реле
Обратите внимание на правильность подключения проводов
Важно помнить, что при работе с электрооборудованием автомобиля необходимо соблюдать меры предосторожности и осторожно обращаться с проводами, чтобы избежать короткого замыкания. В заключение можно сказать, что самостоятельная проверка и исправление реле поворотов ГАЗ 66 доступны даже для неопытных автовладельцев. Однако, если вы не уверены в своих навыках или сомневаетесь в результате проверки, лучше обратиться к специалисту для проведения полной диагностики электросистемы и ремонта при необходимости
Однако, если вы не уверены в своих навыках или сомневаетесь в результате проверки, лучше обратиться к специалисту для проведения полной диагностики электросистемы и ремонта при необходимости
В заключение можно сказать, что самостоятельная проверка и исправление реле поворотов ГАЗ 66 доступны даже для неопытных автовладельцев. Однако, если вы не уверены в своих навыках или сомневаетесь в результате проверки, лучше обратиться к специалисту для проведения полной диагностики электросистемы и ремонта при необходимости.
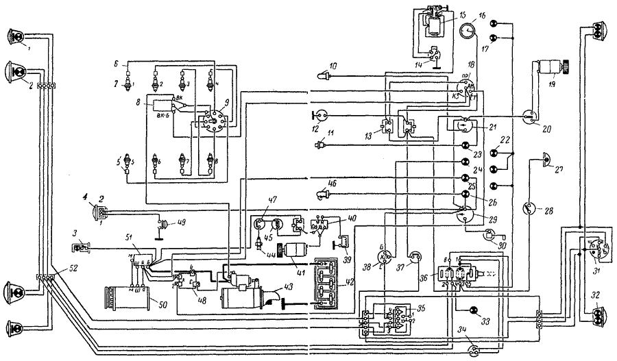
12.1. ГАЗ. Эксплуатация, обслуживание и ремонт автомобилей ГАЗ-53А и ГАЗ-66. Схемы электрооборудования
СХЕМЫ ЭЛЕКТРООБОРУДОВАНИЯ
Электрооборудование автомобилей выполнено по однопроводной схеме. Вторым проводом являются металлические части автомобиля (масса). С массой соединены все минусовые клеммы всего электрооборудования. Номинальное напряжение 12 в. На рис. 122, 123 и 124 показаны принципиальные схемы электрооборудования автомобилей.

рис. 122. Схема электрооборудования автомобиля ГАЗ-53А: 1— подфарник; 2 — фара; 3 — подкапотная лампа; 4 — сигнал; 5 — гасящее сопротивление; 6 — провод высокого напряжения; 7 — свеча зажигания; 8 — катушка зажигания; 9 — распределитель; 10 — датчик температуры охлаждающей жидкости; 11 — датчик давления масла; 12 — штепсельная розетка переносной лампы; 13 — биметаллический предохранитель; 14 — переключатель стеклоочистителя; 15 — стеклоочиститель; 16 — часы; 17 — лампа освещения часов; 18 — включатель зажигания и стартера; 19 — электродвигатель отопителя; 20 — переключатель электродвигателя; 21 — указатель температуры охлаждающей жидкости; 22 — лампа освещения приборов; 23 — контрольная лампа давления масла; 24 — контрольная лампа указателя поворотов; 25 — контрольная лампа зарядки; 26 — контрольная лампа температуры охлаждающей жидкости в радиаторе; 27 — плафон; 28 — включатель плафона; 29 — указатель уровня топлива; 30 — датчик указателя уровня топлива ; 31 — штепсельная розетка прицепа; 32 — задний фонарь; 33 — контрольная лампа дальнего света; 34 — ножной переключатель света; 35 — переключатель указателей поворотов; 36 — центральный переключатель света; 37 — включатель света «Стоп»; 38 — прерыватель указателей поворота; 39 — электромагнитный клапан предпуского подогревателя; 40 — переключатель режимов работы предпускового подогревателя; 41 — электродвигатель вентилятора предпускового подогревателя; 42 — аккумуляторная батарея; 43 — стартер; 44 — запальная свеча предпускового подогревателя; 45 — дополнительное сопротивление; 46 — датчик контрольной лампы температуры охлаждающей жидкости в радиаторе; 47 — включатель запальной свечи; 48 — дополнительное реле стартера; 49 — включатель звукового сигнала; 50 — генератор; 51 — реле-регулятор; 52 — соединительная панель.

рис. 123. Схема электрооборудования автомобиля ГАЗ-66: 1— подфарник; 2 — фара; 3 — соединительная панель; 4 — сигнал; 5 — включатель сигнал; 6 — генератор; 7 — реле-регулятор; 8 — датчик температуры охлаждающей жидкости; 9 — контрольная лампа температуры охлаждающей жидкости в радиаторе; 10 — контрольная лампа зарядка; 11 — контрольная лампа указателей поворота; 12 — контрольная лампа давления масла; 13 — указатель температуры охлаждающей жидкости; 14 — включатель электродвигателя отопителя; 15 — электродвигатель отопителя; 16 — лампа освещения щитка приборов; 17 — включатель плафона кабины; 18 — плафон кабины; 19 — датчик давления масла; 20 — датчик температуры охлаждающей жидкости; 21 — свеча подогревателя; 22 — катушка зажигания; 23 — свеча зажигания; 24 — гасящее сопротивление; 25 — распределитель; 26 — датчик правого топливного бака; 27 — задний фонарь; 28 — включателя зуммера; 29 — включатель плафона кузова; 30 — плафон кузова; 31 — соединитель проводов; 32 — штепсельная розетка прицепа; 33 — датчик левого топливного бака; 34 — выключатель массы; 35 — аккумуляторная батарея; 36 — электромагнитный клапан; 37 — кнопочный предохранитель подогревателя; 38 — контрольная спираль; 39 — включатель свечи; 40 — переключатель электродвигателя подогревателя; 41 — электродвигатель подогревателя; 42 — стартер; 43 — зуммер; 44 — ножной переключатель света; 45 — контрольная лампа дальнего света; 46 — центральный переключатель света; 47 — переключатель датчиков топливных баков; 48 — включатель поворотной фары; 49 — включатель зажигания и стартера; 50 — включатель света «Стоп»; 51 — переключатель указателей поворота; 52 — прерыватель; 53 — штепсельная розетка переносной лампы; 54 — кнопочный предохранитель; 55 — дополнительное реле стартера; 56 — поворотная фара; 57 — указатель топлива; 58 — подкапотная лампа; 59 — электродвигатель стеклоочистителя; 60 — переключатель электродвигателя стеклоочистителя.
Источник статьи: http://vajnovsem.ru/ins-gaz-sobol/gaz66gaz53a-75.html
Неисправности системы зажигания автомобиля ГАЗ 3307
Характерные признаки неисправностей в системе зажигания
Неисправностями в зажигании могут служить следующие признаки:
- Двигатель не запускается;
- Мотор заводится и тут же глохнет;
- Работа мотора идет с перебоями («троит»);
- Двигатель не развивает оборотов, происходит потеря мощности;
- Двигатель не работает на холостых оборотах.
Причины, по которым происходят неполадки в системе зажигания
Для автомобилей ГАЗ 3307 характерны следующие неисправности:
- Отказ коммутатора;
- Обрыв сопротивления в вариаторе (с вариаторным зажиганием);
- Прогар крышки трамблера;
- Пробой высоковольтных проводов и наконечников;
- Перегрев катушки зажигания;
-
Выход из строя свечей зажигания;
- Неисправность бегунка распределителя;
- Разрыв диафрагмы вакуумного регулятора опережения зажигания.
Периодически может выходить из строя и сам трамблер, но это происходит не так часто. Обычно прерыватель-распределитель проходит свой положенный срок службы без поломок.
Чаще всего на ГАЗ 3307 возникает проблема с перегревом катушки и с отказом коммутатора. В системах зажигания с вариатором причиной является низкая надежность последнего. Поэтому нередко такую схему переделывают, исключая добавочное сопротивление из цепи. Заменить коммутатор 13.3734 на 131.3734 очень просто:
Нужно снять старый коммутатор и установить на его место новый.
Соединить провода по той же схеме, что и на старом устройстве.
Отсоединить на вариаторе провод вариатора с клеммы «К» и переставить его на клемму «+» (или другое обозначение «ВК-Б»).
Можно вариатор и вовсе удалить, но тогда соединенные провода нужно будет изолировать
Еще важно правильно соединить проводку, при неправильном соединении катушка постоянно будет выходить из строя из-за перегрева, так как будет работать с постоянной перегрузкой
Прогар крышки прерывателя-распределителя часто происходит по причине неплотного соединения центрального высоковольтного провода с крышкой трамблера. Периодически следует проверять, до конца ли вставлен провод – под резиновым колпачком плотность соединения можно визуально не определить.
Пробой высоковольтных проводов и наконечников приводит к «подтраиванию» двигателя и потере мощности. При покупке проводов необходимо ориентироваться на то, чтобы они соответствовали требованиям эксплуатации для данного автомобиля.
Если двигатель не заводится, причиной неисправности может служить сгоревший замок зажигания. В таком случае не будет подаваться искра на цилиндры. Причина может скрываться и в электрической проводке: в частности, из-за поврежденного провода, идущего от коммутатора к катушке зажигания.
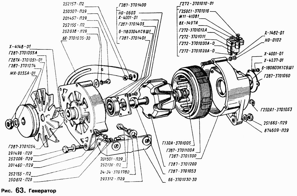
Основные технические характеристики
Генератор Г287 на ГАЗ-66 обладает мощностью на выходе 1260 Вт, что является достаточным для одновременной работы всего электрооборудования грузовика.
Его заводские характеристики:
- Наименование характеристики Показатель
- Тип трехфазный, синхронный, переменного электротока
- Движения вращательного механизма вправо от шкива
- Максимальное напряжение, В 14
- Предельный электроток, А 90
- Скорость вращения, обеспечивающая
- напряжение на клеммах 14 В (при
- температуре окружающей среды + 20
- градусов С), когда электроток составляет 0 А /
- 60 А, об / мин 850 / 1800

Схема генератора ГАЗ 66
- Количество статорных фазовых моментов, шт. 3
- Количество катушечных модулей в фазовом
- моменте 6
- Количество оборотов в катушечном
- механизме 16
- Проводка обмотки статорной части, тип ПЭВ2 или ПЭВ200 1,40–1,56 мм по диаметру
- Проводка обмотки на катушке возбуждения,
- тип ПЭВ2 0,93 мм в диаметре
- Количество оборотов в катушке, шт. 520 + / — 10
- Показатель сопротивления обмотки
- возбуждения при +25 градусах С, Ом 3,2 + / — 0,2
- Тип щеток М1
- Жесткость пружины, гс 180–260
- Тип подшипника передней крышки 6-1180304К1С9Ш1
- Тип подшипника задней крышки 6-180603КС9Ш1
- Модуль выпрямителей, тип БПВ7-100
- Количество диодов 12









