Электросистема самого надежного грузовика на постсоветском пространстве
Содержание
- 1 Как работает зажигание
- 2 Схема электропроводки газ 3307 цветная с описанием
- 3 Схема электрооборудования ГАЗ 53-12
- 4 Что может быть с генератором 5101.3701 на ГАЗ 3309
- 5 Схема электропроводки газ 53 старого образца цветная с описанием
- 6 Вся проводка для газ 53
- 7 Как Выставить Зажигание На Газ 53 Видео
- 8 Ремонт двигателя ЗМЗ 53
- 9 Возможные неисправности проводки
- 10 Порядок работы 8 цилиндрового двигателя ГАЗ 53
- 11 Область использования двигателей ГАЗ 53 в наши дни
- 12 Замена
- 13 Место установки генератора ГАЗ-53
- 14 Особенности электрооборудования
- 15 Монтаж проводов от генератора ГАЗ-53
- 16 Устройство системы зажигания ГАЗ 53
- 17 Замена
- 18 Схема
- 19 О двигателе ЗМЗ-53
- 20 Схема электрооборудования
- 21 Предохранители и реле
Как работает зажигание
Как мы уже установили, мотор не может работать в двух случаях: нечему гореть или нечем поджечь. И если с топливной системой все более или менее понятно, зажигание многих автолюбителей, немного пугает. Вся проблема в том, что они просто не понимают как это вообще работает.
Попробуем разобраться с самого начала.
Задача системы зажигания — в нужный момент подать высокое напряжение на свечу соответствующего цилиндра. Напряжение приходит на центральный электрод свечи и проскакивает искрой на ее боковой электрод, соединенный с массой. Это и есть та самая живительная искра, что воспламеняет топливо. За распределение искры отвечает трамблер, а высокое напряжение обеспечивает катушка. Здесь все понятно. Так от чего некоторые не могут победить неисправности в такой простой системе и вынуждены обращаться в автосервисы, в которых, к слову, уже и не помнят, что такое трамблер?
Придется копнуть немного глубже, аж до школьного курса физики.
Схема электропроводки газ 3307 цветная с описанием
Схема электрооборудования ГАЗ 53-12
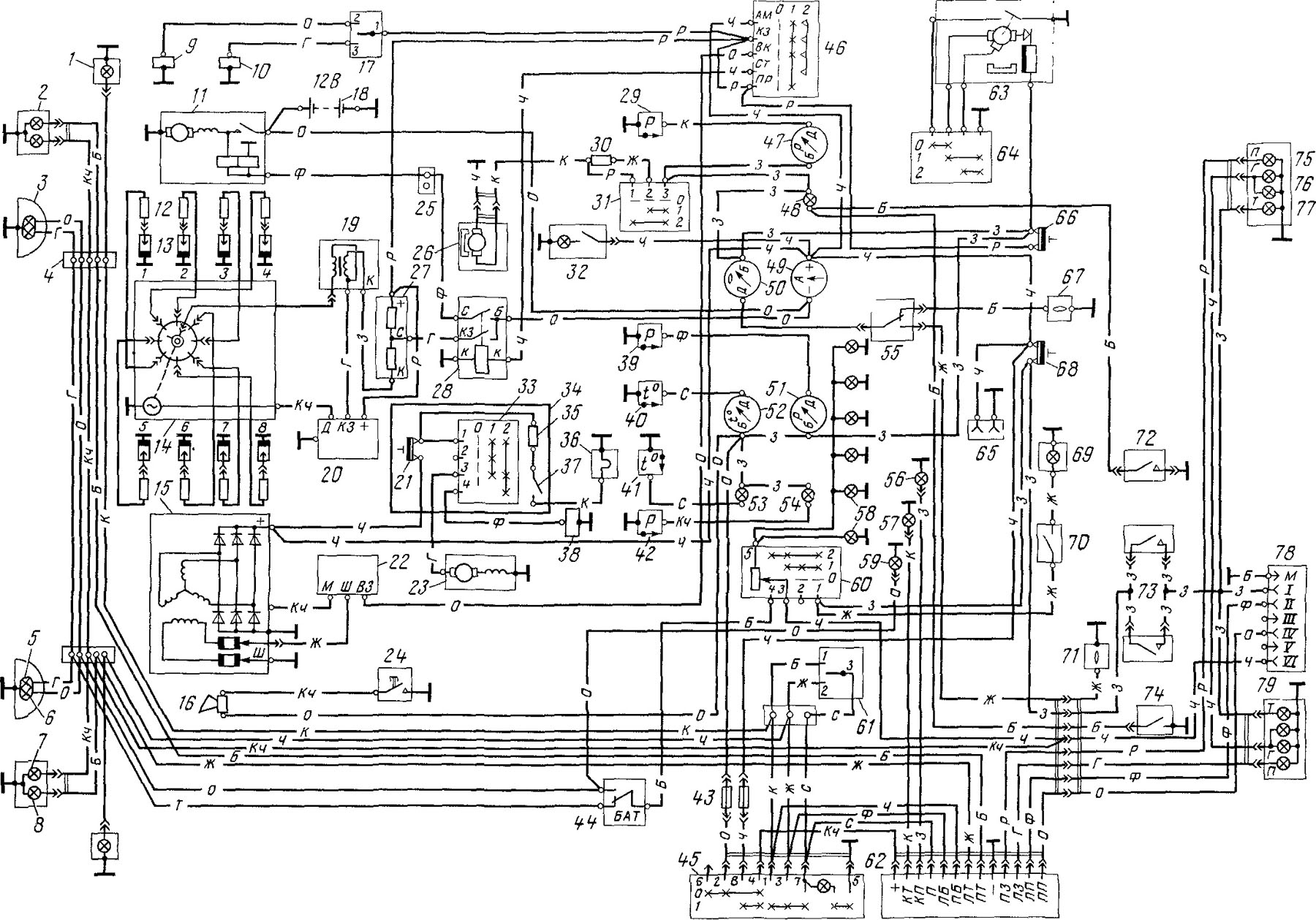
Подробная схема электрических соединений ГАЗ 53 изображена на рисунке ниже (кликнете для увеличения).
Схема электрооборудования автомобиля ГАЗ 53-12
- боковой указатель поворота
- передний фонарь
- фара
- соединительная панель
- нить дальнего света
- нить ближнего света
- лампа указателя поворота
- лампа габаритного света
- электромагнитный бензиновый клапан
- электромагнитный газовый клапан
- стартер
- помехоподавительный наконечник
- свечи
- датчик-распределитель
- генератор
- звуковой сигнал
- переключатель БЕНЗИН-ГАЗ
- аккумуляторная батарея
- катушка зажигания
- транзисторный коммутатор
- предохранитель
- регулятор напряжения
- электродвигатель вентилятора
- кнопка звукового сигнала
- соединительная панель
- электродвигатель отопителя
- добавочный резистор
- дополнительное реле стартера
- датчик давления газа
- резистор
- переключатель отопителя
- подкапотная лампа
- переключатель
- пульт управления пусковым подогревателем
- контрольный резистор
- свеча
- выключатель свечи
- электромагнитный клапан
- датчик давления масла
- датчик температуры двигателя
- датчик перегрева двигателя
- датчик аварийного давления масла
- предохранитель
- ножной переключатель света
- выключатель аварийной сигнализации
- выключатель зажигания
- указатель давления газа
- сигнализатор неисправности тормозов
- указатель тока
- указатель уровня топлива
- указатель давления масла
- указатель температуры двигателя
- сигнализатор перегрева двигателя
- сигнализатор давления масла
- переключатель датчиков топлива
- сигнализатор указателей поворота прицепа
- сигнализатор указателей поворота
- лампа освещения приборов
- сигнализатор дальнего света
- переключатель освещения
- переключатель указателей поворота
- реле указателей поворота и аварийной сигнализации
- электродвигатель стеклоочистителя
- переключатель стеклоочистителя
- розетка переносной лампы
- предохранитель 15 А
- датчик уровня топлива основного бака
- предохранитель 20 А
- плафон
- выключатель плафона
- датчик уровня топлива дополнительного бака
- выключатель проверки сигнализатора неисправности тормозов
- выключатель сигнала торможения
- датчик сигнализатора неисправности тормозов
- лампа указателя поворота
- лампа габаритного света
- лампа сигнала торможения
- розетка прицепа
- задний фонарь
Обозначение цвета проводов на электрической схеме ГАЗ 53:
- Б — белый
- К — красный
- Ж — желтый
- З — зеленый
- Кч — коричневый
- Ч — черный
- Г — голубой
- О — оранжевый
- Р — розовый
- Ф — фиолетовый
- С — серый
Источник статьи: http://gaz5312.ru/elektrooborudovanie/sxema-elektrooborudovaniya-gaz-53-12.html
Что может быть с генератором 5101.3701 на ГАЗ 3309
Если при включении зажигания на панели приборов не загорелась лампочка разрядки аккумулятора, то генератор после запуска двигателя не заработает, смотрите по вольтметру, стрелка останется слева.
Если двигатель заработал, а лампочка не погасла, значит, генератор не заработал (проверьте ремень)
Если лампочка загорелась на ходу, то значит, генератор перестал работать
Если лапочка помаргивает, это значит, что пора заменить щетки
Если лампочка слабо подсвечивается – генератор неисправен
Если лампочки светятся слишком ярка, помаргивают, а аккумулятор становится мокрым, значит напряжение слишком высокое, надо срочно заменить регулятор напряжения.
Если лампочка гаснет только на высоких оборотах, то генератор неисправен
Если генератор громко шумит, надо менять подшипники. Если генератор очень старый, то лучше поменять целиком генератор.
При любой неисправности надо ехать туда, где сделаю ремонт генератора, иначе через два часа можно безнадежно встать
Источник
Схема электропроводки газ 53 старого образца цветная с описанием
ЭЛЕКТРООБОРУДОВАНИЕ АВТОМОБИЛЯ ГАЗ-53-12
На автомобиле установлено электрооборудование постоянного тока. Номинальное напряжение в системе 12 В.
Узлы электрооборудования соединены по однопроводной системе, вторым проводом служат металлические части автомобиля. С кабиной автомобиля соединены все отрицательные выводы узлов электрооборудования. На рис. 172 дана принципиальная схема электрооборудования.

Рис. 172. Схема электрооборудования: 1 — боковой указатель поворота; 2 — передний фонарь; 3 — фара; 4, 25 — соединительные панели: 5 — лампа фары (нить дальнего света); 6 — лампа фары (нить ближнего света); 7 — лампа указателя поворота; % лампа габаритного света; 9 — электромагнитный бензиновый клапан; 10 — электромагнитный газовый клапан; 11 стартер; 12 — помехоподавательный наконечник с резистором; 13 — свечи зажигания; 14 — датчик-распределитель; 15 — генератор; 16 — звуковой сигнал; 17 — переключатель бензин-гай: 18 — аккумуляторная батарея; 19 — катушка зажигания; 20 — транзисторный коммутатор; 21, 66, 68 —- предохранитель; 22 — регулятор напряжения; 23 — электродвигатель вентилятора; 24 — выключатель сигнала; 26 — электродвигатель отопителя; 27 — добавочный резистор; 28 — дополнительное реле; 29 — датчик давления газа; 30 — резистор; 3! — переключатель отопителя; 32 — подкапотная лампа; 33 — переключатель предпускового подогрева геля; 34 — пульт управления предпусковым подогревателем; 35 — контрольный резистор; 36 — свеча накаливания: 37 -выключатель свечи; 38 — электромагнитный клапан; 39 — датчик давления масла; 40 — датчик температуры двигателя; 41 — датчик аварийной температуры двигателя; 42 — датчик аварийного давления; 43 — предохранитель; 44 — ножной переключатель света; 45— выключатель аварийной сигнализации; 46 — выключатель зажигания; 47 — указатель давления газа; 48 — сигнализатор неисправности тормозов; 49 — указатель тока; 50 — указатель уровня топлива; 51 — указатель давления масла; 52 указатель температуры двигателя; 53 — сигнализатор аварийной температуры двигателя; 54 — сигнализатор аварийного давления масла; 55 — переключатель датчиков топлива; 56 — сигнализатор указателей поворота прицепа; 57 — сигнализатор указателей поворота; 58 — лампа освещения приборов; 59 — сигнализатор дальнего света; 60 — центральный переключатель света; 61 — переключатель указателей поворота; 62 — реле указателей поворота; 63 — электродвигатель стеклоочистителя; 64 — переключатель стеклоочистителя: 65 — розетка переносной лампы: 67 — датчик указателя уровня топлива основного бака; 69 — плафон; 70 — выключатель плафона; 71 — датчик указателя уровня дополнительного бака; 72 — выключатель проверки сигнализатора неисправности тормозов; 73 — выключатель сигнала торможения; 74 — датчик сигнализатора неисправности тормозов; 75 — лампа указателя поворота; 76, 77 — лампы соответственно габаритного света и сигнала торможения; 78 — розетка прицепа; 79 — задний фонарь
Источник статьи: http://www.sinref.ru/avtomobili/GAZ/000_avtomobil_gaz_53_12_ustroistvo_remont_butusov/181.htm
Вся проводка для газ 53
ЭЛЕКТРООБОРУДОВАНИЕ АВТОМОБИЛЯ ГАЗ-53-12
На автомобиле установлено электрооборудование постоянного тока. Номинальное напряжение в системе 12 В.
Узлы электрооборудования соединены по однопроводной системе, вторым проводом служат металлические части автомобиля. С кабиной автомобиля соединены все отрицательные выводы узлов электрооборудования. На рис. 172 дана принципиальная схема электрооборудования.

Рис. 172. Схема электрооборудования: 1 — боковой указатель поворота; 2 — передний фонарь; 3 — фара; 4, 25 — соединительные панели: 5 — лампа фары (нить дальнего света); 6 — лампа фары (нить ближнего света); 7 — лампа указателя поворота; % лампа габаритного света; 9 — электромагнитный бензиновый клапан; 10 — электромагнитный газовый клапан; 11 стартер; 12 — помехоподавательный наконечник с резистором; 13 — свечи зажигания; 14 — датчик-распределитель; 15 — генератор; 16 — звуковой сигнал; 17 — переключатель бензин-гай: 18 — аккумуляторная батарея; 19 — катушка зажигания; 20 — транзисторный коммутатор; 21, 66, 68 —- предохранитель; 22 — регулятор напряжения; 23 — электродвигатель вентилятора; 24 — выключатель сигнала; 26 — электродвигатель отопителя; 27 — добавочный резистор; 28 — дополнительное реле; 29 — датчик давления газа; 30 — резистор; 3! — переключатель отопителя; 32 — подкапотная лампа; 33 — переключатель предпускового подогрева геля; 34 — пульт управления предпусковым подогревателем; 35 — контрольный резистор; 36 — свеча накаливания: 37 -выключатель свечи; 38 — электромагнитный клапан; 39 — датчик давления масла; 40 — датчик температуры двигателя; 41 — датчик аварийной температуры двигателя; 42 — датчик аварийного давления; 43 — предохранитель; 44 — ножной переключатель света; 45— выключатель аварийной сигнализации; 46 — выключатель зажигания; 47 — указатель давления газа; 48 — сигнализатор неисправности тормозов; 49 — указатель тока; 50 — указатель уровня топлива; 51 — указатель давления масла; 52 указатель температуры двигателя; 53 — сигнализатор аварийной температуры двигателя; 54 — сигнализатор аварийного давления масла; 55 — переключатель датчиков топлива; 56 — сигнализатор указателей поворота прицепа; 57 — сигнализатор указателей поворота; 58 — лампа освещения приборов; 59 — сигнализатор дальнего света; 60 — центральный переключатель света; 61 — переключатель указателей поворота; 62 — реле указателей поворота; 63 — электродвигатель стеклоочистителя; 64 — переключатель стеклоочистителя: 65 — розетка переносной лампы: 67 — датчик указателя уровня топлива основного бака; 69 — плафон; 70 — выключатель плафона; 71 — датчик указателя уровня дополнительного бака; 72 — выключатель проверки сигнализатора неисправности тормозов; 73 — выключатель сигнала торможения; 74 — датчик сигнализатора неисправности тормозов; 75 — лампа указателя поворота; 76, 77 — лампы соответственно габаритного света и сигнала торможения; 78 — розетка прицепа; 79 — задний фонарь
Источник
Как Выставить Зажигание На Газ 53 Видео
Как установить газ на зажигание 53 Видео
Полная линия: ГАЗ-3307, 53, ГАЗ-3309, ГАЗ-66, 3308, 33081, 33086, ГАЗ-33104
Установка зажигания автомобилей ГАЗ-53, ГАЗ-3307
Система зажигания ГАЗ-53, ГАЗ-3307 представляет собой 12-вольтный бесконтактный аккумуляторный транзистор, состоящий из электронных источников тока, катушки зажигания, дополнительного резистора, выключателя, выключателя зажигания, свечей зажигания, свечей зажигания, выключателя зажигания и низкого напряжения зажигания.
Рис. 1. Схема системы зажигания ГАЗ-53, ГАЗ-3307
А — до стартера; 1 — катушка зажигания; 2.7 — первичная обмотка; 3 — вторичная обмотка; 4 — батарея; 5 — текущий индикатор; 6 — дополнительное реле стартера; 7 — дополнительный резистор; 8 — выключатель зажигания и стартер; 9 — шумоподавляющий резистор; 10 — свеча зажигания; 11 — датчик распределителя; 12 — ползунок резистора для подавления шума; 13 — обмотка распределителя; 14 — постоянный магнит; 15 — выключатель; R1 — резистор МЛТ-8,2 кОм; R2 — резистор MLT-1, R3 — резистор MLT; R4 — резистор МЛТ-82 кОм; R5 — резистор МЛТ-62 Ом; R6 — резистор МЛТ-200 Ом; R7, R8 — резисторы МЛТ-47 кОм; С2 — конденсатор К73-17-250Б-0Д; СЗ — конденсатор К73-17-4008-1; Конденсаторы С4, С5 — К73-17-250В-0,047 мкФ; С6 — конденсатор К50-29-160В-10; С7 — конденсатор КЛ-2-И20-500В-1000; ВИ — КДЮ2БилиКД4 521А; V2 — диоды КД209А или КД212А; V3 — CT 848 A транзистор; V4, V5 — транзисторы KT630B, также известные как KT653B; V7 — это диод 102 В
Надежная и экономичная работа двигателя зависит от бесперебойной работы системы зажигания ГАЗ-53. Для устранения радиопомех, вызванных системой зажигания, провода высокого напряжения имеют распределенное сопротивление, а наконечники свечей имеют резисторы подавления. Схема набора учетных программ зажигания показана на рис. 1.
Технические характеристики системы зажигания автомобилей ГАЗ-53, ГАЗ-3307
Порядок зажигания ГАЗ-53. 1 — 5 — 4. 2-6 — 3,7 — 8 Тип распределителя зажигания. 24,3706 Скорость вращения распределительного вала составляет 1 мин при непрерывном зажигании во время работы с катушкой зажигания B116 на трехэлектродном разряднике с искровым разрядником 7 мм, мин-1. 20 — 2300 Направление вращения распределителя (распределителя) ролика ГАЗ-53. по часовой стрелке Катушка зажигания ГАЗ-53. B116 Свечи. A11 Размер искрового промежутка в свечах, мм 0,8 — 0,95 Дополнительный резистор. 14,3729 Переключатель. 13.3734 или 13.3734-01 Наконечник свечи 35.3707200 Сопротивление наконечника, кОм. 4 — 7
Катушка зажигания ГАЗ-53, ГАЗ-3307 (В 116) используется для преобразования тока низкого напряжения в ток высокого напряжения.
Катушка зажигания ГАЗ-53, ГАЗ-3307 (В 116) представляет собой трансформатор, на металлический сердечник которого намотан вторичный элемент, а над ним — первичная обмотка. Сердечник с обмотками установлен в герметичном железном корпусе, заполненном маслом и покрытом высоковольтным пластиковым корпусом.
Сопротивление обмотки при 15 — 35 ° C: первичное 0,43 Ом, вторичное 13 000 — 13 400 Ом.
Техническое обслуживание зажигания ГАЗ-53, ГАЗ-3307
Для защиты от возможного повреждения пластиковой крышки, катушка должна быть очищена от грязи, пыли и масла, чтобы проверить надежность проводов высокого и низкого напряжения.
Когда двигатель не работает, вы не можете оставить зажигание включенным, чтобы избежать перегрева катушки, что приведет к его неисправности. Использование других типов катушек зажигания недопустимо.
Причинами неисправности катушки зажигания ГАЗ-53, ГАЗ-3307 являются: обрыв изоляции; межконтурная схема; сколы и трещины в пластиковой крышке; перегорание катушки зажигания из-за отсутствия высоковольтного провода в розетке.
В обмотках катушек зажигания недостатки в большинстве случаев возникают из-за их перегрева и работы с увеличенными разрядниками. Перегрев происходит в основном, когда зажигание включено и двигатель не запускается.
При снятии катушки зажигания ГАЗ-53, ГАЗ-3307 на замену убедитесь, что провода подключены к клеммам катушки в исправном состоянии и надежно закреплены. Катушка должна проверяться на специальном экране с транзисторным переключателем, дополнительным резистором и распределителем.
Ремонт двигателя ЗМЗ 53
- старые втулки необходимо выпрессовать, а новые запрессовать;
- после запрессовки втулки под опоры распредвала необходимо обработать специальной разверткой.
Во время капремонта поршневая группа обычно меняется целиком, хотя нередко (особенно раньше, в советское время) гильзы цилиндров растачивали, и в них устанавливали ремонтные поршни. На двигателе ЗМЗ-53 всего имеется три ремонтных размера:
Если учесть, что стандартный поршень имеет диаметр 92 мм, то поршень последнего ремонта будет иметь размер больше на 1,5 мм, то есть, он диаметр будет равен 93,5 мм.
При капремонте ЗМЗ-53 также следует обратить внимание на состояние верхних головок шатуна – в них устанавливаются медные втулки, которые со временем изнашиваются. Если между поршневым пальцем и втулкой есть люфт, мотор будет стучать, и стук этот весьма неприятный. В дальнейшем втулка начинает выкрашиваться, и тогда стук становится очень сильным – ездить на таком моторе невозможно
В дальнейшем втулка начинает выкрашиваться, и тогда стук становится очень сильным – ездить на таком моторе невозможно.
Возможные неисправности проводки
Если электрооборудование перестает работать, нужно проверять проводку.
Для нее характерны несколько неисправностей:
- Обрыв провода, зачастую является следствием его установки в ненадежное для этого место. При укладке проводов нужно учитывать, что они не должны соприкасаться с движущимися частями.
- Утечка тока. Обычно такая неисправность случается из-за пробоя в проводе. Для того, чтобы не допустить подобной проблемы, все проводки должны быть надежно заизолированы.
- Плохой контакт. Как правило, эта поломка связана либо с окислением контакта, либо с отсоединением кабеля от оборудования из-за плохой фиксации или вибраций.
Загрузка …
Порядок работы 8 цилиндрового двигателя ГАЗ 53
Опытные механики, которые сталкиваются с ремонтом и восстановлением данных силовых агрегатов, знакомы с порядком работы цилиндров. Схема зажигания цилиндров двигателя ГАЗ 53: 1-5-4-2-6-3-7-8. Материал блока и обеих головок блока цилиндров — алюминиевый сплав АЛ-4, что позволило значительно снизить вес двигателя ГАЗ 53.
Если вы решили отремонтировать двигатель своими руками, то нужно строго соблюдать последовательность, в которой работают цилиндры. В сбытовой сети по-прежнему есть запчасти для ГАЗ 53 и ЗМЗ 53 для текущего ремонта и ремонта.
Выпуск двигателя ГАЗ 53 продолжался до 1989 года. Последние версии двигателей получили следующие изменения:
Благодаря многочисленным улучшениям обновленный двигатель получил заметное увеличение мощности более чем на 5 лошадиных сил.
Область использования двигателей ГАЗ 53 в наши дни
По-прежнему активно используются грузовики ГАЗ 53, многие из которых оснащены дизельными двигателями. Однако есть и автомобили, которые работают на собственном силовом агрегате. Основные недостатки устаревших моделей:
- из-за чрезмерного КПД бензинового двигателя ГАЗ-53 его технические характеристики не соответствуют современным требованиям комфорта;
- устройство кабины устаревшей конструкции зимой не отапливается;
- сиденья необычно жесткие, неудобные;
- рулевое колесо не оборудовано гидроусилителем.
Чаще всего эти машины используются совместно со специализированными надстройками:
- емкости для различных жидкостей;
- устройства канализации;
- коробчатые кузова;
- коммунальное оборудование;
- противопожарное оборудование и др.
Замена
Генератор ГАЗ 53 находится в передней верхней части двигателя, в районе впускного коллектора рядом с клапанной крышкой 4-8-ого цилиндра. Заменить деталь очень просто – до нее легко добраться, и при этом у нее минимум креплений. Для снятия нужно:
- Обесточить электрическую схему автомобиля (отсоединить клеммы с аккумулятора);
- Снять все провода с генератора;
- Открутить болт крепления натяжной планки и повернуть генератор для освобождения ремня;
- Снять ремень, раскрутить болты с гайками нижнего крепления (всего два болта с гайками) и демонтировать генератор;
- Установить новый генератор, выполнив все действия в обратном порядке.
Место установки генератора ГАЗ-53
Генератор ГАЗ-53 предназначен для создания электрической энергии для питания различных электрических устройств в автомобиле. Провода от генератора должны быть правильно подключены, чтобы обеспечить надежную передачу энергии.
Место установки генератора на ГАЗ-53 находится в моторном отсеке автомобиля. Обычно он устанавливается на левой стороне двигателя и крепится к специальной плите или косынке. Установка генератора должна выполняться с соблюдением всех инструкций производителя и проверка должна проводиться специалистом, обеспечивающим правильное фиксирование генератора и его соединение с системой заземления автомобиля.
Провода от генератора соединяются с разъемами, которые находятся на передней части генератора. Обычно используются металлические зажимы для надежной фиксации проводов на разъемах
Важно следить за правильной положительной и отрицательной полярностью при соединении проводов
Обычно провод от генератора, отвечающий за передачу положительного напряжения, подключается к аккумуляторной батарее автомобиля. Таким образом, генератор заряжает аккумулятор во время работы двигателя.
Как правило, провод, отвечающий за передачу отрицательного напряжения, подключается к металлической части автомобиля, которая служит заземлением. Это обеспечивает электрическую цепь и безопасность в автомобиле.
Особенности электрооборудования
Для начала предлагаем ознакомиться с описанием основных компонентов электрической схемы:
- Система зажигания. Она включает в себя распределительное устройство, катушку, коммутатор, свечи зажигания, а также высоковольтные провода. По этим проводам осуществляется передача искры для возгорания горючей смеси.
- Стартер, без которого запуск мотора также будет невозможен.
- Генераторное устройство, осуществляющее питание основного оборудования во время езды.
- Оптика. Речь идет об осветительных приборах головного освещения, стоп-сигналов, габаритов, а также световой сигнализации или поворотниках.
- Электродвигатель отопительной системы.
- Электродвигатель системы очистки лобового стекла.
- Приборная панель, где сосредоточены основные датчики, в том числе уровня топлива и температуры двигателя.
- Система подрулевого переключения — позволяет активировать работу стеклоочистителей, а также включить поворотники (автор видео — Андрей Набоков).
Монтаж проводов от генератора ГАЗ-53
Правильный монтаж проводов от генератора ГАЗ-53 играет важную роль в обеспечении надежной работы электрооборудования автомобиля. В данной статье мы расскажем о схеме и расположении проводов от генератора ГАЗ-53.
Перед началом монтажа проводов необходимо провести диагностику и проверить состояние генератора. Убедитесь, что провода и разъемы в хорошем состоянии и не имеют повреждений. В случае необходимости, замените поврежденные элементы.
Схема подключения проводов от генератора ГАЗ-53:
- Разъем «А» подключается к клемме «+» аккумулятора. Проверьте правильность подключения и надежность контакта.
- Разъем «Б» подключается к массе автомобиля. Убедитесь, что контакт хорошо заземлен.
- Соедините провода «В» и «Г». Провод «В» подключается к клемме «B» генератора, а провод «Г» — к клемме «D+».
Расположение проводов от генератора ГАЗ-53:
- Кабель «А» идет от генератора к клемме «+» аккумулятора.
- Кабель «Б» идет от генератора к клемме блока или кузова автомобиля (место, где осуществляется заземление).
- Кабель «В» идет от генератора к клемме «B» генератора.
- Кабель «Г» идет от генератора к клемме «D+».
При монтаже проводов обратите внимание на следующие моменты:
- Провода должны быть достаточной длины, чтобы не создавать излишнего напряжения и не ограничивать перемещение генератора и других элементов.
- Провода должны быть защищены от повреждений и надежно закреплены, чтобы избежать искрения и короткого замыкания.
- Проверьте, что контакты разъемов надежно фиксируются и обеспечивают хороший контакт.
- После монтажа проводов проведите тестирование работы генератора и убедитесь в его надежной работе.
Монтаж проводов от генератора ГАЗ-53 играет важную роль в обеспечении электропитания автомобиля. Следуйте рекомендациям и инструкциям, и ваш генератор будет работать надежно и безопасно.
Устройство системы зажигания ГАЗ 53
На ГАЗ-53 установлена бесконтактная транзисторная система зажигания, первичная цепь которой выдает напряжение 12 вольт. Система зажигания считается батарейной, состоящей из источников электрического тока, которым может выступать аккумуляторная батарея, катушки зажигания, коммутатора, датчика-распределителя, и другого электрооборудования газ 53, которое чаще всего и вызывает проблемы, так как его необходимо настраивать, свечей с наконечниками, добавочного резистора, выключателя зажигания проводов низкого и высокого напряжения.
на чертеже показана полная схема системы зажигания ГАЗ-53
Система зажигания является одной из самых важных систем в автомобиле, так как именно от ее исправной работы зависит работа двигателя, а также расход топлива всего автомобиля. Для подавления радиопомех, которые создают провода высокого напряжения и наконечники свеч, на первых установлены распределенное сопротивление, а на вторых — подавительные резисторы.
В свою очередь катушка состоит из трансформатора, в который вмонтирован железный сердечник. На этот сердечник сверху намотана первичная обмотка, а под ней вторичная. Сам трансформатор является стальным корпусом, который герметично закрыт, внутри него вместе с сердечником залито масло.
Первые грузовые автомобили ГАЗ 53 имели контактно-транзисторную систему зажигания, затем она стала бесконтактной электронной. Так как контактная (или контактно-транзисторная) система уже безнадежно устарела, будем рассматривать бесконтактную систему. Система зажигания ГАЗ 53 состоит из низковольтной и высоковольтной цепи. В низковольтную цепь входит:
- Аккумуляторная батарея. В батарее параллельно между собой соединены шесть банок по 2 вольта, в общей сложности получается 12 вольт. На ГАЗ 53 стандартно устанавливается аккумулятор 6СТ-75 емкостью 75 а/ч.
- Аккумуляторные провода с клеммами. Провода многожильные и имеют большое сечение.
- Замок зажигания. Служит для подачи питания в низковольтную цепь. В самом крайнем левом положении (по часовой стрелке) замыкаются контакты на втягивающем реле стартера, и двигатель стартером приводится в движение.
- Прерыватель. В ГАЗ 53 он находится в трамблере. В контактном зажигании роль прерывателя выполняли кулачковый вал трамблера и контакты зажигания, в более современном варианте роль прерывателя выполняет датчик Холла.
- Коммутатор. Обеспечивает стабильную работу прерывателя.
- Вариатор (сопротивление). Обеспечивает стабильный запуск двигателя и разгружает работу катушки зажигания на больших оборотах ДВС. За счет вариатора катушка не перегревается. На более современных вариантах системы вариатор был убран (в модели газ 3307), а роль вариатора стал выполнять дополнительный транзистор, находящийся в схеме нового коммутатора.
- Первичная обмотка катушки зажигания (КЗ). Имеет небольшое количество витков и относительно толстый медный провод.
Проверка катушки зажигания мультиметром
Во вторичной (высоковольтной) цепи присутствуют следующие элементы:
- Вторичная обмотка КЗ. Имеет большое количество витков и тонкий медный провод.
- Распределитель зажигания ГАЗ 53. Распределительная часть трамблера состоит из вала, крышки распределителя и бегунка.
- Высоковольтные провода и наконечники. По ним высоковольтный импульс поступает на свечи зажигания.
- Свечи зажигания.
Источник
Замена
Генератор ГАЗ 53 находится в передней верхней части двигателя, в районе впускного коллектора рядом с клапанной крышкой 4-8-ого цилиндра. Заменить деталь очень просто – до нее легко добраться, и при этом у нее минимум креплений. Для снятия нужно:
- Обесточить электрическую схему автомобиля (отсоединить клеммы с аккумулятора);
- Снять все провода с генератора;
-
Открутить болт крепления натяжной планки и повернуть генератор для освобождения ремня;
- Снять ремень, раскрутить болты с гайками нижнего крепления (всего два болта с гайками) и демонтировать генератор;
- Установить новый генератор, выполнив все действия в обратном порядке.
Схема
О двигателе ЗМЗ-53
Как и сам автомобиль, его двигатель так же легендарен. Этот двигатель выполнен по схеме V8. Его рабочий объем составляет 4,25 литра, а максимальная мощность составляет 115 литров вместе с. Конечно, по современным меркам соотношение мощности к объему далеко не велико, однако для начала 1960-х, как и для карбюраторного силового агрегата, вполне приличное. Многие из этих двигателей были произведены по сравнению с грузовиками ГАЗ-53, за исключением газонов, они также устанавливались на ГАЗ-3307, ГАЗ-3308 и ПАЗ-3205. А ЗМЗ-66, которым оснащалась легендарная «Шишиги» — ГАЗ-66, это тот же ЗМЗ-53, адаптированный под полноприводный армейский грузовик.
Истоки этой силовой установки восходят к 1950-м годам, когда в Заволжске был разработан двигатель ЗМЗ-13 для первой Волги ГАЗ-21 и для Чайки. В свое время двигатель произвел фурор во всем мире из-за повсеместного использования алюминия в его конструкции. На тот момент он считался самым современным. Используя наработки по ЗМЗ-13, уменьшив объем, был получен ЗМЗ-53. Иными словами, ЗМЗ-53 по конструкции был точно такой же, как и ЗМЗ-13, только меньше по объему. Причем многие части обоих двигателей абсолютно идентичны и взаимозаменяемы. У двигателя ЗМЗ-53 поршни меньшего размера, их диаметр уменьшен со 100 до 92 мм, также стал меньше ход поршня — с 88 до 80 мм.
На протяжении всей своей истории двигатель ЗМЗ-53 модернизировался с целью повышения надежности и снижения расхода топлива. И автомобилисты это оценили. Несмотря на то, что дизельные двигатели считаются эталоном для грузовиков, газоны с этими силовыми агрегатами и сегодня популярны. И им удалось уравновесить более высокие эксплуатационные расходы за счет установки газового оборудования.
Схема электрооборудования
В первую очередь отметим, что любая схема электрооборудования автомобиля, в том числе и такого, как ГАЗ 53 оснащена следующими элементами:
- ГПТ – генератором переменного тока;
- КТС – системой зажигания контактно-транзисторной;
- подогревателем пуска;
- проводкой различного напряжения, соединяющей все элементы в единую схему.
Внимание. Электросхема грузового автомобиля ГАЗ-53 не рассчитана на нестандартные нагрузки. Поэтому запрещается запускать двигатель, если поврежден кабель, идущий от генератора к регулятору или же если он «искрит»
Поэтому запрещается запускать двигатель, если поврежден кабель, идущий от генератора к регулятору или же если он «искрит».
Система зажигания
Рассмотрим для начала систему зажигания. Известно, что она батарейная, с напряжением в цепи 12 В .
Состоит она, кроме того, из следующих компонентов:
- коммутатора;
- источников, подающих ток;
- катушки;
- резистора (добавочного);
- распределителя зажигания (трамблера);
- свечей с их наконечниками;
- выключателя зажигания;
- проводки.
Отметим, что четкая работа двигателя напрямую зависит от нормального функционирования системы зажигания. Во избежание радиопомех, вызванных системой зажигания, провода снабжаются распределителем сопротивления (это касается в основном проводов ВН), а наконечники свечей зажигания – подавительными резисторами. (См. также статью Особенности схемы электропроводки ГАЗ.)
Рассмотрим теперь каждый элемент системы зажигания в отдельности и узнаем, как он функционирует.
Свечи зажигания на ГАЗ 53 обязательно должны иметь заводской зазор в 0,85 мм. Они должны быть с нихромовым электродом – подойдут А11, А11-1, А10-H и другие. Порядок зажигания видно на фото ниже.
- Распределитель зажигания применяется в этом автомобиле такой, чтобы частота вращения его валика составляла одну минуту с бесперебойным искрообразованием. Функционирует одновременно с катушкой зажигания. Вращается валик обязательно по часовой стрелке.
- Катушка зажигания – Б114-Б или Б116 (более усовершенствованная). Формирует импульсы высокого напряжения в системе зажигания автомобиля ГАЗ 53. Имеет номинальное напряжение в 12В и вторичное напряжение – 17кВ.
- Коммутатор зажигания усиливает сигнал датчика-распределителя и катушки зажигания. (См. также статью Схема электропроводки Газель: как установить самому.)
Примечание. Чтобы соединить все вышеперечисленные детали и агрегаты электрооборудования автомобиля в единую цепь применяются провода низкого напряжения. Они обязательно должны защищаться полихлорвиниловой изоляцией.
Проводка
Основные правила, которые соблюдаются в работе с проводкой следующие.
Тщательное внимание всегда уделяется проводке ГАЗ 53, которая может быть подвержена различным воздействиям. Если нарушится изоляция какого-нибудь провода, то его металлическая составляющая может касаться корпуса автомобиля, тем самым, вызывая короткое замыкание Не стоит говорить, к чему это приводит (обгорание изоляции, возникновение пожара и т. д.)
Важно учитывать тот факт, что провода, насколько бы хорошо они не были изолированы, всегда подвергаются механическим воздействиям при эксплуатации автомобиля. В частности, возможно перетирание проводки об остры кромки частей автомобиля, излишнее провисание и т. д.)
Важно учитывать тот факт, что провода, насколько бы хорошо они не были изолированы, всегда подвергаются механическим воздействиям при эксплуатации автомобиля. В частности, возможно перетирание проводки об остры кромки частей автомобиля, излишнее провисание и т
д.)
Важно учитывать тот факт, что провода, насколько бы хорошо они не были изолированы, всегда подвергаются механическим воздействиям при эксплуатации автомобиля. В частности, возможно перетирание проводки об остры кромки частей автомобиля, излишнее провисание и т
п
Кроме того, особое внимание следует уделить чистоте и плотности присоединения проводов к зажимам. Следить необходимо тщательно за тем, чтобы на поверхность проводов не попадали такие смеси, как бензин или масло, способные разрушить изоляцию и сократить срок службы проводов
Обязательно нужно проверять исправность перемычки, расположенные между мотором, рамой и кабиной ГАЗ 53.
Проводка автомобиля ГАЗ-53 настолько важная составляющая, что простая ее модернизация приводит к ощутимым положительным изменениям в работе двигателя. (См. также статью Особенности схемы электропроводки Газель Бизнес.)
Предохранители и реле
В системе электрооборудования автомобиля применяются термобиметаллические предохранители двух типов: с возвратной кнопкой и непрерывного действия. Термобиметаллические предохранители с возвратной кнопкой расположены на нижней отбортовке панели приборов слева и справа от рулевой колонки.
Предохранители защищают следующие цепи:
p, blockquote 8,1,0,0,0 —>
- левый типа ПР315 на 15 А — цепи приборов, электродвигателя отопителя, указателей поворота и звукового сигнала.
- правый типа ПР2-Б на 20 А — цепи освещения.
- На пульте управления предпусковым подогревателем установлен предохранитель типа ПР2-Б, который защищает цепи подогревателя.
Устройство термобиметаллического предохранителя с возвратной кнопкой
Обозначение
p, blockquote 11,0,0,0,0 —>
- вывод;
- корпус;
- биметаллическая пластина;
- возвратная кнопка;
- контакт;
- гайка;
- центральный регулировочный винт;
- винт.
Для включения предохранителя имеется возвратная кнопка 4, при нажатии на которую биметаллическая пластина займет первоначальное положение, контакты вновь замкнутся, и ток в цепи восстановится.
Термобиметаллический предохранитель непрерывного действия автомобиля ГАЗ-53-12
Предохранитель служит для защиты от перегрузок и коротких замыканий электродвигателя стеклоочистителя.
p, blockquote 16,0,0,0,0 —> p, blockquote 17,0,0,0,1 —>
Биметаллическая пластина одним концом закреплена на одном выводе, а на другом конце имеет контакт, который соединяется с контактом, установленным на втором выводе. Ток к электродвигателю проходит через биметаллическую пластину.









