Не работают задние габариты уаз буханка
Содержание
- 1 Подробная инструкция по проводке УАЗ 3741
- 2 Улучшение электрооборудования
- 3 Переделка
- 4 Особенности электрооборудования
- 5 Поиск неисправностей
- 6 Видео «Обозначение элементов электросхемы в УАЗ»
- 7 Схема электропроводки для буханки с карбюраторным двигателем
- 8 Уаз | автоэлектрик
- 9 Электрическая Схема Патриот — tokzamer.ru
- 10 Ремонт электропроводки УАЗ Буханка 3741
- 11 Улучшение схемы электрооборудования УАЗ 452
- 12 Разъемы диагностики OBDII и УАЗ / ГАЗ
- 13 Схема электропроводки для буханки с карбюраторным двигателем
- 14 Схема проводки для буханки с инжекторным двигателем.
- 15 Электросхема УАЗ 3303
- 16 Электросхема УАЗ 3303 старомодная
Подробная инструкция по проводке УАЗ 3741
Проводка УАЗ 3741 является важной частью электрической системы автомобиля. Она осуществляет передачу электрического тока от аккумулятора к различным электрическим компонентам и устройствам автомобиля, таким как фары, сигналы поворота, стоп-сигналы и др
Для проводки УАЗ 3741 используются провода различного цвета и диаметра, а также разъемы, реле и предохранители. Вся проводка прокладывается в специальных каналах или трубках, чтобы защитить ее от внешних воздействий и предотвратить короткое замыкание.
Перед установкой и подключением проводки УАЗ 3741 рекомендуется ознакомиться с электрической схемой автомобиля, которая подробно описывает расположение и соединение всех проводов и компонентов.
Некоторые основные правила при установке проводки:
Перед проведением работ отключите аккумулятор автомобиля и убедитесь, что электрический ток отключен.
При подключении проводов обратите внимание на правильное соответствие их цветов и маркировок.
Убедитесь, что все соединения проводов надежно закреплены и не образуют замыкания.
Проверьте, что провода проложены в специальных каналах или трубках и надежно защищены от внешних воздействий.
Проверьте работу электрических компонентов после установки проводки.
Таблица цветов проводки УАЗ 3741:
| Цвет провода | Назначение |
|---|---|
| Красный | Плюс аккумулятора |
| Черный | Минус аккумулятора |
| Белый | Подсветка салона |
| Желтый | Сигнальные огни |
| Зеленый | Сигналы поворота |
| Синий | Фары с дальним светом |
| Оранжевый | Фары ближнего света |
| Коричневый | Стояночные огни |
Следуя данной инструкции и электрической схеме УАЗ 3741, вы сможете правильно провести и установить проводку, обеспечивая надежное и безопасное функционирование электрической системы автомобиля.
Улучшение электрооборудования
Большинство автолюбителей согласятся, что не менее важная вещь — это центральный замок на УАЗ. Замок на УАЗ Буханка легко покупается в любом магазине автозапчастей и без проблем устанавливается на транспортное средство.
Еще один «апгрейд» для этого автомобиля — это электровентилятор двигателя. Электровентилятор — стандартная деталь для большинства современных машин. Однако в старых моделях такой прибор не устанавливался. Множество автолюбителей уже убедилось в полезности такой детали электропроводки, как электровентилятор, поэтому его довольно часто устанавливают на Буханку, тем более что его можно легко приобрести в любом автомагазине.
Кроме того, частенько владельцы УАЗ 452 меняют стандартные зеркала. Поскольку данное авто часто эксплуатируется в довольно экстремальных условиях, то зеркала с подогревом будут явно нелишними. Особенно для водителей в холодных краях. Зеркала с электроподогревом достаточно просто устанавливаются на Буханку, так как электрическая схема УАЗ 452 позволяет делать такие улучшения.
Инжектор, приборная панель, электровентилятор, зеркала с подогревом — после стольких нововведений схема электропроводки УАЗ подвергается изменениям. А для бесперебойной работы всех вышеуказанных улучшений не помешает хороший генератор. Стандартный генератор УАЗ 452 нельзя назвать плохим, однако, согласно статистике, большинство владельцев все-таки решают поставить другой генератор.
Для этого можно взять генератор из любой другой марки авто. Например, на Буханку часто ставят генераторы от Фольксвагена, Ниссана и других автомобилей. Генератор — это важный элемент электропроводки, поэтому если вы решили серьезно улучшить электрооборудование УАЗ 452, то новый генератор может понадобиться.
Источник статьи: http://kalina-2.ru/remont-vaz/shema-jelektrooborudovanija-uaz-452-cvetnaja-s
Переделка
Собственно, сама работа сводится к переделке трамблера, у которого уже не будет высоковольтной части – формировать высоковольтные импульсы за него будет электронный коммутатор
. На представленных ниже фото показано расположение двух датчиков сразу.
Обратите внимание на форму контактной пластины:
- Она имеет загнутые концы – датчики расположены вертикально;
- Ровная – датчики крепятся горизонтально.
И тот и другой вариант – рабочие, все зависит от конструкции трамблера. В дальнейшем вам предстоит лишь отрегулировать зажигание. Инструкция проста — вы должны помнить, что начало искрообразования начинается, когда край пластины оказывается по центру датчика Холла.
Порядок следующий:
- Проворачивайте коленвал до тех пор, пока в первом цилиндре поршень не достигнет ВМТ;
- Поворачивайте корпус трамблера до тех пор, пока контактная пластина не окажется в прорези датчика;
- Тщательно затяните все крепежные винты, чтобы устранить люфты.
- Запустите двигатель.
Особенности электрооборудования
Итак, какими же особенностями обладает схема электропроводки УАЗ 452. На момент начала производства для инженеров и конструкторов предприятия наиболее сложным моментом был поиск самых качественных элементов и комплектующих.
В частности, речь ведется о деталях для системы освещения транспорта, а также зажигания, что особенно хорошо прослеживается по тому, как наполнена кабина авто:
- элементами управления различными системами транспорта;
- контрольными устройствами для слежения за состоянием узлов и механизмов.
Внешняя оптика
На тот момент конструкторам приходилось прибегать к многим внештатным решениями для того, чтобы наладить серийное производство авто.
Именно поэтому:
- Схема электрооборудования УАЗ включает в себя переключатель оптики, который был позаимствован от ГАЗ 69. Кстати, последняя является предшественником Буханки.
- Кроме того, практически вся оптика была позаимствована от ГАЗ 64 — это фонари и т.д.
Система зажигания
Система зажигания Буханки с обозначением элементов
Поиск неисправностей
На любых отечественных авто периодически возникают проблемы в работе электрооборудования. Если вы заметили, что проводка УАЗ работает некорректно, нужно осуществить ее диагностику и проверку всех элементов. При наличии любых неисправностей в работе электронных устройств в первую очередь нужно проверить, не сгорели ли предохранители в монтажном блоке. Если с этими элементами все нормально, а оборудование все равно не функционирует, к примеру, если говорить об оптике, то необходимо проверить, рабочие ли используются лампочки. Если сами лампы рабочие, необходимо произвести прозвон электрической части с использованием тестера (автор видео о прозвоне — Рамиль Абдуллин).
https://youtube.com/watch?v=5Uuav1voa-0
Если же Буханка совсем отказывается заводиться, необходимо сделать следующее:
- В первую очередь, проверьте работоспособность АКБ.
- При заряженной батарее с помощью тестера прозвоните цепь от катушки до генераторного устройства, нередко причиной невозможности запуска мотора служат обрывы в проводке. Если обрывы имеются, провода следует поменять. Если на контактах есть окисления, их следует зачистить.
- Запуск силового агрегата будет невозможным при отсутствии искры.Для диагностики наличия искры со свечи следует снять высоковольтный кабель и поднести его к кузову. При попытке запуска мотора между кабелем и кузовом должна проскочить искра.
- Если искры нет, возможно, проблема заключается в наличии нагара и налета на ней. Кстати, зачастую нагар является причиной и нестабильной работы мотора, его троения. Чтобы избавиться от такой неисправности, свечи желательно почистить, пошаговая инструкция этого процесса представлена тут.
Загрузка …
Видео «Обозначение элементов электросхемы в УАЗ»
Подробное обозначение всех датчиков и регуляторов электросхемы в салоне Буханки представлено на видео ниже (автор ролика — Xodor).
Схема электропроводки для буханки с карбюраторным двигателем
Для подключения электроприборов к системе автомобиля с карбюратором используется схема старого образца – разработанная для автомобилей УАЗ буханка 1954 – 1984 года выпуска.
Зачем может понадобиться схема электропроводки для такого автомобиля? Необходимость в инструкции по проведению проводов в автомобиле может появиться не только если исправляется какой-то дефект, мешающий эксплуатации транспортного средства, но и тогда, когда проводка прокладывается заново.
Стоит помнить, что схем для автомобиля с карбюраторным двигателем две. Первая – простая, в которой отсутствует электронный блок управления карбюратором (этот элемент появился уже после 1984 года и в старые схемы не входит).
Вторая – немного более сложная (учитывается подключение блока управления карбюратором). Такая схема должна применяться, если необходимо подключение к работе всех электронных систем автомобиля, а не только зажигания и необходимого для управления автотранспортным средством минимума.
Для проведения проводов по упрощённой схеме достаточно протянуть провод от аккумуляторной батареи через тумблер на зажигание для появления искры, и второй – через реле и кнопку на стартер для обеспечения возможности завести двигатель.
Если в генератор автомобиля не встроен регулятор напряжения, то его нужно приобрести и подключить в систему.
Уаз | автоэлектрик
Архив рубрики “УАЗ”
Для увеличения схема электрооборудования автомобилей УАЗ-469 щелкните по рисунку
12 Апрель 2016. : к записи Схема электрооборудования автомобилей УАЗ-469 отключены. Читать запись полностью »
схема предохранителей уаз хантер
28 Март 2016. : к записи Схема расположения предохранителей УАЗ ХАНТЕР отключены.
Читать запись полностью »
Схема электрооборудования автомобиля УАЗ–31601 1 – указатель поворота передний правый; 2 – фара правая; 3 – фара левая; 4 – моторедуктор фароочистителя правый; 5 – фара противотуманная правая; 6 – фара противотуманная левая; 7 – сигнал звуковой; 8 – моторедуктор фароочистителя левый; 9 – указатель поворота передний левый; 10 – генератор; 11…
03 Март 2013. : 0.
Читать запись полностью »
Схема электрическая принципиальная УАЗ 31519 (Хантер) 2003 г 1 — правый передний фонарь; 2 — правая фара; 3 — правая противотуманная фара; 4 — сигнал звуковой; 5 — левая противотуманная фара; 6 — левая фара; 7 — левый передний фонарь; 8 — генератор; 9 — датчик температуры охлаждающей жидкости; 10 — датчик аварийного…
03 Март 2013. : 0.
Читать запись полностью »
Электрооборудование автомобилей УАЗ Patriot выпуска 2006 г el_Patriot(2006) Электрооборудование автомобилей УАЗ Patriot выпуска до 2007 г 1, 2 — блок-фары; 3, 4 — противотуманные фары; 5, 6 — звуковые сигналы; 7 — электровентилятор системы охлаждения двигателя; 8 — генератор; 9 — датчик концентрации кислорода; 10 — датчик положения распределительного…
03 Март 2013. : 0.
Читать запись полностью »
1 – фонарь передний; 2 – фара; 3 – фонарь спецзнака (только для УАЗ–3962); 4 – электродвигатель вентилятора отопителя (только для УАЗ–3962, УАЗ–2206); 5 – датчик сигнальной лампы аварийного состояния гидропривода тормозов; 6 – сигнал звуковой; 7 – повторитель боковой указателя поворота; 8 – фара поворотная (только для УАЗ–3962); 9 – переключатель…
03 Март 2013. : 0.
Читать запись полностью »
Схема электрооборудования автомобиля УАЗ–39094 с многофункциональными подрулевыми переключателями 1 – фонарь передний; 2 – фара; 3, 4 – противотуманные фары; 5 – фара; 6 – фонарь передний; 7 – выключатель контрольной лампы неисправности тормозной системы; 8 – сигнал звуковой; 9 – стеклоочиститель; 10 – выключатель стоп-сигнала; 11…
03 Март 2013. : 0.
Читать запись полностью »
Схема электрооборудования автомобиля УАЗ–39095 без многофункциональных подрулевых переключателей 1, 6 – фонари передние; 2, 5 – фары; 3, 4 – противотуманные фары; 7 – выключатель контрольной лампы неисправности тормозной системы; 8 – сигнал звуковой; 9 – стеклоочиститель; 10 – выключатель стоп-сигнала; 11 – переключатель указателей…
03 Март 2013. : 0.
Читать запись полностью »
Схема электрооборудования автомобиля УАЗ–33036 без многофункциональных подрулевых переключателей 1, 6 – фонари передние; 2, 5 – фары; 3, 4 – противотуманные фары; 7 – выключатель контрольной лампы неисправности тормозной системы; 8 – сигнал звуковой; 9 – стеклоочиститель; 10 – выключатель стоп-сигнала; 11 – переключатель указателей…
03 Март 2013. : 0.
Читать запись полностью »
Схема электрическая принципиальная УАЗ–3303 1 – фонарь передний; 2 – фара; 3 – электродвигатель вентилятора отопителя; 4 – датчик сигнальной лампы аварийного состояния гидропривода тормозов; 5 – сигнал звуковой; 6 – электродвигатель омывателя; 7 – выключатель плафона освещения кабины; 8 – плафон освещения кабины; 9 – лампа сигнальная…
03 Март 2013. : 0.
Читать запись полностью »
Схема электрическая принципиальная УАЗ–3153 1 – фонарь передний; 2 – фара; 3 – противотуманная фара; 4 – сигнал звуковой; 5 – противотуманная фара; 6 – фара; 7 – фонарь передний; 8 – генератор; 9 – датчик аварийного давления масла; 10 – датчик давления масла; 11 – датчик температуры охлаждающей жидкости; 12 – датчик аварийной температуры…
03 Март 2013. : 0.
Читать запись полностью »
Схема электрическая принципиальная УАЗ–31512 Схема электрооборудования автомобилей семейства УАЗ–31512 (кроме УАЗ–3153) 1 – передний фонарь; 2 – фара; 3 – противотуманная фара; 4 – звуковой сигнал; 5 – генератор; 6 – подкапотная лампа; 7 – датчик указателя темпеpатуpы охлаждающей жидкости в блоке цилиндpов; 8 – датчик сигнальной лампы…
03 Март 2013. : 0.
Читать запись полностью »
Электрическая Схема Патриот — tokzamer.ru
Помимо этого я еще и позвонил на горячую линию завода, описав в общих чертах проблему и попросив выслать электросхему. Схемы электрооборудования Уаз Патриот разных годов выпуска представлены ниже.
УАЗ Patriot 2011, 128 л. с. — поломка
Однако выдёргивание предохранителя стеклоподъёмников — влияет.Так и не дождавшись полезной информации а она, на самом деле, была, но я её прошляпил, поясню в конце , снова взялся за дело.Как определить наличие напряжения в электропроводке авто: Для проверки вам понадобится контрольная лампочка, к ней необходимо припаять два провода. Электрическая схема УАЗ Патриот.
Схема электрическая уаз патриот
Ну, что же, с ЦЭшкой теперь выяснить причину неисправности уже проще! В этот пакет входят следующие полезные эл.
https://youtube.com/watch?v=-tBfBByA8JU
Отрицательные выходы потребителей соединены с кузовом и двигателем автомобиля, которые выполняют функции второго провода.
Одной из проблем, которые случаются в работе проводки, является нарушение целостности, то есть обрыв или повреждение кабеля. Для коммутации основных цепей автомобиля служит комбинированный выключатель зажигания, состоящий из контактной части и механического противоугонного устройства с замком. В интернете, при описании похожих случаев, когда электрика ведёт себя непонятно, одно из самых часто звучащих предположений — проблемы с массой.
В модельном ряду УАЗ Патриот представлены автомобили с двигателями, выполненными по стандартам Евро 2 до года , Евро 3 выпуск с по год и Евро 4 после года.
Во-вторых, создавать паутину невероятного размера из жил не вижу особого смысла, она кстати также плохо воспринимается. В общем, не выдерживаю и кладу трубку, чтобы этой юной леди не нахамить… В этот же день созваниваюсь с автосервисом Викинг-Моторс и договариваюсь на гарантийное обслуживание. У меня где-то китайская ЦЭшка мультиметр в машине валялась, щас поищу… Знакомый извлекает из недр багажника заветный прибор, подкидывает пару пачек сигарет и, пожелав мне удачи, уезжает торопился за светло добраться до дома.
Характеристика
Чтобы разобраться в принципе построения печатной платы, понадобится электрическая схема. Помимо этого я еще и позвонил на горячую линию завода, описав в общих чертах проблему и попросив выслать электросхему. Так и не дождавшись полезной информации а она, на самом деле, была, но я её прошляпил, поясню в конце , снова взялся за дело. Электрические цепи системы управления двигателем выполнены по многопроводной схеме и соединены с массой автомобиля только через электронный блок управления.
УАЗ Патриот (УАЗ-3163)
Я объяснил по-человечески, что в Красноярске нам надо быть не позже утра понедельника! Номинальное напряжение в бортовой сети автомобиля 12 вольт. Мы ждём звонка от эвакуатора, в запасе еще порядка 5 часов, а я пока привожу ПАТРика в первозданный вид, чтобы в у гарантийщиков не было вопросов.
Ремонт электропроводки УАЗ Буханка 3741
Электропроводка является одной из самых важных систем в УАЗ Буханка 3741, так как она отвечает за подачу электроэнергии во все системы автомобиля. Если возникли проблемы с электропроводкой, то может потребоваться ее ремонт. В данной статье мы рассмотрим основные шаги по ремонту электропроводки УАЗ Буханка 3741.
Проверка и обслуживание аккумулятора
Первым шагом при ремонте электропроводки УАЗ Буханка 3741 является проверка и обслуживание аккумулятора. Проверьте уровень электролита в аккумуляторе и при необходимости добавьте дистиллированную воду. Также проверьте состояние клемм аккумулятора и очистите их при необходимости.
Проверка предохранителей и реле
Далее необходимо проверить состояние предохранителей и реле в электропроводке УАЗ Буханка 3741. Откройте крышку блока предохранителей и реле и проверьте каждый предохранитель на наличие перегоревших проводов. При обнаружении перегоревшего предохранителя замените его на новый.
Проверка проводки и разъемов
После проверки предохранителей и реле необходимо внимательно осмотреть проводку и разъемы на наличие повреждений, обрывов или окисления. Если вы обнаружите любые повреждения, замените неисправные провода или разъемы, используя оригинальные запчасти от производителя.
Проверка и замена свечей зажигания
Другим важным шагом при ремонте электропроводки УАЗ Буханка 3741 является проверка и при необходимости замена свечей зажигания. Проверьте состояние свечей зажигания и очистите их при необходимости. Если свечи зажигания изношены или повреждены, замените их новыми.
Проверка генератора и стартера
Последним шагом при ремонте электропроводки УАЗ Буханка 3741 является проверка генератора и стартера. При помощи специальных тестеров проверьте состояние генератора и стартера. Если они не функционируют должным образом, замените их на новые.
Помните, что ремонт электропроводки УАЗ Буханка 3741 может потребовать определенных навыков и инструментов. Если у вас нет опыта в проведении подобных работ, рекомендуется обратиться к специалистам.
Улучшение схемы электрооборудования УАЗ 452
Первые экземпляры УАЗ 452 увидели мир в 1965 году и навсегда вошли в историю советского автопроизводства. Схема электрооборудования УАЗ 452 и даже кузовная конструкция в этом авто безотказные.
Автомобиль стал по-настоящему многоцелевым средством передвижения. Его использовали и в военных целях, и в медицинских.
Особенно стоит отметить надежное электрооборудование УАЗ. За долгие годы производства авто претерпело множество изменений. Например, схема электропроводки УАЗ стала намного современнее и технологичнее.
Выпуск 1965 — 1984 годов
Если говорить о начале производства, то та схема электрооборудования УАЗ 452 продержалась на конвейере до 1984 года. В данный период множество деталей в схеме было позаимствовано из других моделей. Также довольно большое количество деталей можно было назвать экспериментальными. Однако, как показало будущее, такая простота вылилась в чрезвычайную надежность во время эксплуатации.
В те годы довольно сложной задачей было найти необходимые элементы и детали. Особенно актуальной эта проблема была в системах зажигания и освещения. Поэтому решением стало заимствование деталей у предшественников. Так, у ГАЗ 69 был взят ножной переключатель света.
Фары Буханки достались ей от ГАЗ 24. Система зажигания была скопирована с небольшими изменениями у Волги. Поэтому неудивительно, что от Волги производители ГАЗ 452 также позаимствовали и мотор. Что касается электросхемы, то все было очень примитивно и просто, но при этом практично и надежно. К тому же цена вопроса явно оправдывала такую простоту.
Новые модификации
С 1985 автомобиль претерпел изменения. Их даже можно назвать вполне существенными. Также стоит учитывать, что в последние годы электросхема УАЗ 452 была довольно серьезно модернизирована.
А сама базовая комплектация стала заметно богаче. Теперь модификацией стал для УАЗ Буханка инжектор. Производитель отказался от карбюраторных систем и выпустил более экономичный и современный для УАЗ Буханка инжектор.
Схема электрооборудования УАЗ стала более прогрессивной.
Преобразилась и приборная панель. Наиболее заметными изменениями стали: дополнительное реле стартера, добавочно сопротивление в цепи АКБ-зажигания. Однако большинство владельцев Буханки самостоятельно модернизируют свое транспортное средство. А приборная панель — первый шаг к модернизации интерьера.
Такая накладка находится в свободной продаже, и купить ее не представляет особой сложности. Приборная панель в УАЗ 452 является цельнометаллической и не украшает интерьер.
Современная накладка на панель в большинстве своем производится из пластика и служит хорошим украшением данному автомобилю.
Еще одним недостатком в старенькой Буханке является отсутствие электрических стеклоподъемников. Однако электростеклоподъемники можно с легкостью установить самостоятельно. Они отлично впишутся в электросхему УАЗ 452. Но ни установка стеклоподъемников, ни их изначальное отсутствие в составе электропроводки не является основной проблемой бедности комплектации.
Улучшение электрооборудования
Большинство автолюбителей согласятся, что не менее важная вещь — это центральный замок на УАЗ. Замок на УАЗ Буханка легко покупается в любом магазине автозапчастей и без проблем устанавливается на транспортное средство.
Еще один «апгрейд» для этого автомобиля — это электровентилятор двигателя. Электровентилятор — стандартная деталь для большинства современных машин. Однако в старых моделях такой прибор не устанавливался.
Множество автолюбителей уже убедилось в полезности такой детали электропроводки, как электровентилятор, поэтому его довольно часто устанавливают на Буханку, тем более что его можно легко приобрести в любом автомагазине.
Инжектор, приборная панель, электровентилятор, зеркала с подогревом — после стольких нововведений схема электропроводки УАЗ подвергается изменениям. А для бесперебойной работы всех вышеуказанных улучшений не помешает хороший генератор. Стандартный генератор УАЗ 452 нельзя назвать плохим, однако, согласно статистике, большинство владельцев все-таки решают поставить другой генератор.
Для этого можно взять генератор из любой другой марки авто. Например, на Буханку часто ставят генераторы от Фольксвагена, Ниссана и других автомобилей. Генератор — это важный элемент электропроводки, поэтому если вы решили серьезно улучшить электрооборудование УАЗ 452, то новый генератор может понадобиться.
Метки к записи:
Разъемы диагностики OBDII и УАЗ / ГАЗ
Разъемы диагностики OBDII и УАЗ / ГАЗ
Схема электропроводки для буханки с карбюраторным двигателем
Для подключения электроприборов к системе автомобиля с карбюратором используется старая схема разработанная для буханок УАЗа 1954 – 1984 годов.
Зачем нужна электрическая схема такой машины? Потребность в инструкциях по прокладке кабелей в автомобиле может возникнуть не только при устранении какого-либо дефекта, мешающего работе транспортного средства, но и при прокладки новой проводки.
Стоит знать, что для автомобиля с карбюраторным двигателем существует две схемы.
Одна – простая, в которой нет электронного блока управления карбюратором (этот элемент появился после 1984 года и в старые схемы не входит).
Вторая чуть посложнее (учтено подключение блока управления карбюратором). Такую схему стоит использовать, если необходимо подключить к работе все электронные системы автомобиля, а не только зажигание и другого минимума для управления автомобилем.
Если в автомобильном генераторе нет встроенного регулятора напряжения, то его необходимо купить и подключить к системе.
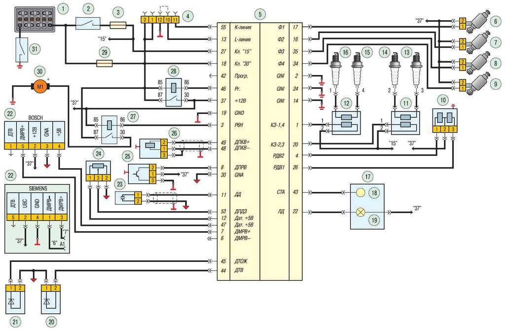
Схема проводки для буханки с инжекторным двигателем.
Ремонтируя электропроводку в данном автомобиле сложно найти штатную схему подключения – производителем она не включена в инструкцию по эксплуатации.
Есть заблуждение, что схема подключения электроприборов в автомобилях УАЗ с инжекторным двигателем идентична схеме, применяемой в автомобиле с карбюратором, но на самом деле они другие.
Для решения проблемы управления машиной, связанной с проводкой, используются две схемы подключения: одна стандартная для буханки с карбюраторным двигателем и одна для инжекторной для ГАЗ-69 «Козел».
Объединение информации из этих двух диаграмм позволяет отремонтировать или перемонтировать инжекторную буханку.
Вместо схемы ГАЗ-69 (инжектор) можно использовать схему электронной системы управления двигателем, поэтому водителям рекомендуется брать ее с собой вместе со схемой подключения на карбюраторном ДВС буханки.
Эти источники позволяют управлять проводкой инжектора по всему автомобилю, за исключением некоторых электронных компонентов, если они не предусмотрены стандартной электрической схемой.
В этом случае стоит обратиться на спец форумы – более опытные хозяева буханок могут не только предложить решение возникшей проблемы, но и поделиться отсутствующей схемой для нее, если их машина той же модели, что и неисправная.
Электросхема УАЗ 3303
У меня автомобиль 1989 года выпуска, изначально с бесконтактной системой зажигания. Позже переделали в контактную, о чем не пожалел ни разу. В этом есть и плюсы и минусы, рассказываю не о них. Пришлось использовать старомодную схему подключения УАЗ 3303, конечно, с карбюратором тоже.
Схема 1.
Производитель в общем предупредил о возможном внесении изменений в электрическую схему. Так как автомобиль находится в эксплуатации уже 30 лет, такие изменения должны быть. Вот несколько разных схем с контактной и бесконтактной системой зажигания для разных автомобилей УАЗ. Но поскольку в те времена не было особых различий, я считаю их похожими с некоторыми отличиями.
На Схеме 1. показана бесконтактная версия автомобильной проводки в цвете, на Схема 2. – более старая модель.
Схема 2.
Электросхема УАЗ 3303 старомодная
Здесь представлена схема подключения генератора УАЗ 3303. Схема, которая имеет систему зажигания с контактами, взята от 469. На схеме есть радиоприемник, это примечательно.
Схема подключения УАЗ 469 аналогична 3303 с контактной системой зажигания
В заключение публикую еще одну схему от бортового УАЗ 33036, более свежую, не не инжекторную.












