Схема электропроводки ваз 2121 нива
Содержание
- 1 Советы по обслуживанию
- 2 Схема комбинации приборов, поиск и устранение неисправностей комбинации приборов
- 3 Схема электропроводки ВАЗ 2121. Модернизация двигателя и системы зажигания. Особенности панели приборов
- 4 СХЕМА ВАЗ-2121
- 5 Основные электрические схемы Нивы 21214
- 6 Лада 4×4 3D 2121 › Бортжурнал › Электровентиляторы 21214 в 2121
- 7 СХЕМА ВАЗ-2121
- 8 Подведение итогов
- 9 Подведение итогов
Советы по обслуживанию
Поиск неисправности системы зажигания заводская инструкция предписывает осуществлять в следующей последовательности:
Система зажигания: проводка на Нива 21213
- От замка зажигания (клемма 15) провод на катушку (клемма +В) замкнуть на контрольную лампу;
- Ее минусовой вывод соединить на «массу»;
- Включить зажигание – повернуть ключ в замке в положение «II»;
- Если контрольная лампа загорится, значит цепь исправна. Если нет – искать повреждение провода;
- При включенном зажигании вытащить центральный провод от катушки из трамблера;
- Поднести его металлический наконечник к блоку цилиндров таким образом, чтобы между ними образовался зазор в 3-4 мм;
- На несколько секунд включить стартер;
- Если искра проскакивает – катушка исправна.
Схема комбинации приборов, поиск и устранение неисправностей комбинации приборов
Составляющие узлы комбинации приборов в запасные части не поставляются, поэтому в случае отказа одного из приборов комбинацию следует заменять в сборе.
Все контрольные приборы автомобиля объединены в комбинацию приборов. Она включает в себя: спидометр со счетчиком пройденного пути, указатель температуры охлаждающей жидкости, указатель уровня топлива, тахометр, сигнализаторы.
С 2009 года на автомобили Lada Niva 4×4 устанавливают электронную комбинацию приборов, заимствованную у семейства «Самара-2».
Работой приборов управляет электронный модуль, в который поступают сигналы от датчиков. Указатели температуры и уровня топлива — электромагнитного типа. Стрелки тахометра и спидометра приводятся в действие шаговыми электродвигателями.
Схема соединения жгута проводов панели приборов (после 2009 г)
Схема соединений комбинации приборов выпуска с 1996г. (вид изнутри)
Указатель температуры охлаждающей жидкости работает совместно с датчиком, ввернутым в головку цилиндров. В датчике установлен терморезистор (резистор, изменяющий свое сопротивление в зависимости от температуры).
Данные для проверки датчика указателя температуры охлаждающей жидкости
| Температура, °С | Напряжение на датчике, В | Сопротивление датчика, Ом |
| 30 | 8 | 1350–1880 |
| 50 | 7,6 | 585–820 |
| 70 | 6,85 | 280–390 |
| 90 | 5,8 | 155–196 |
| 110 | 4,7 | 87–109 |
Данные для проверки указателя температуры охлаждающей жидкости
| Положение стрелки указателя (при напряжении в бортовой сети 13–14 В) | Сопротивление датчика температуры, Ом |
| В начале шкалы | 640–1320 |
| В начале красной зоны | 77–89 |
| 40–50 |
Если стрелка указателя постоянно находится в начале шкалы, при включенном зажигании отсоедините провод от датчика и через резистор 20–50 Ом (лампочка 4–5 Вт, обмотка реле) соедините его с «массой». Если стрелка отклонится, неисправен датчик.
Если стрелка не отклонилась, снимите комбинацию приборов, отсоедините от нее красную колодку и при включенном зажигании соедините через резистор 20–50 Ом штекер «13» белой колодки с «массой». Если стрелка теперь отклонилась – неисправна цепь «датчик – указатель». Если нет – неисправен указатель или его цепь питания.
Если стрелка указателя постоянно находится в красной зоне, при включенном зажигании отсоедините провод от датчика. Если стрелка отклонилась к началу шкалы – неисправен датчик, если нет – провод замыкает на «массу» или не работает указатель. Последний можно проверить, отсоединив белую колодку от комбинации приборов.
При этом у исправного указателя (при включенном зажигании) стрелка должна быть в начале шкалы.
Данные для проверки датчика указателя уровня топлива
| Уровень топлива | Сопротивление датчика, Ом |
| Пустой бак | 250±12 |
| Наполовину заполненный | 66±6 |
| Полный бак | 20±3 |
Данные для проверки указателя уровня топлива
| Положение стрелки указателя (при напряжении в бортовой сети 13–14 В) | Сопротивление датчика, Ом |
| В начале шкалы | 238–262 |
| В середине шкалы | 59–71 |
| В конце шкалы | 17–23 |
Если стрелка указателя постоянно находится в начале шкалы (показывает пустой бак), при включенном зажигании отсоедините розовый провод от датчика и соедините его с «массой». Если стрелка отклонится к концу шкалы, неисправен датчик или цепь, соединяющая его с «массой».
Если стрелка не отклонилась, снимите комбинацию приборов, отсоедините от нее белую колодку и при включенном зажигании через резистор 20–50 Ом (лампочка 4–5 Вт, обмотка реле) соедините ее штекер «11» с «массой». Если теперь стрелка отклонилась, неисправна цепь «датчик – указатель». Если нет – неисправен указатель или его цепь питания.
Если стрелка указателя постоянно показывает полный бак, при включенном зажигании отсоедините провод от датчика. Если стрелка отклонилась к началу шкалы – неисправен датчик, если нет – провод замыкает на «массу» или не работает указатель. Последний можно проверить, отсоединив белую колодку проводов от комбинации приборов.
Тахометр и спидометр проверяются на специальных стендах. Как правило, нарушения в их работе связаны с окислением контактов в питающей и контрольной цепях, или (у спидометра) с неправильной укладкой, или повреждением тросика, или его привода.
При выходе из строя контрольных приборов или их датчиков их заменяют.
Схема электропроводки ВАЗ 2121. Модернизация двигателя и системы зажигания. Особенности панели приборов
Появившись спустя 6 лет после начала работы завода в Тольятти, автомобиль ВАЗ 2121 на долгие годы закрепил за собой первенство внедорожной модели с большими возможностями. И хотя трансмиссия представляла собой достаточно революционное решение для отечественного автопрома, электрическая схема использовалась практически без изменений.
Как и большинство других деталей, внедорожник позаимствовал у своих легковых собратьев. В частности, электропроводка ВАЗ 2121 представляла собой проводку ВАЗ 2106 после небольшой доработки.
Фактически электросхема представляет собой:
- Однопроводную цепь, где роль второго провода выполняет кузов автомобиля;
- Все исполнительные механизмы и контрольные приборы имею выводы с минусовой клеммы на «массу»;
- Основные цепи защищены плавкими предохранителями.
Система зажигания
За основу работы двигателя внутреннего сгорания, устанавливаемого на автомобиль ВАЗ 2121, взята классическая схема, видео работы которой демонстрируется на курсах вождения:
- Генератор вырабатывает электрический ток;
- Катушка зажигания повышает его мощность;
- Распределитель зажигания подает электрические импульсы на свечи в момент достижения поршнем ВМТ;
- Свечи производят поджиг топливовоздушной смеси в цилиндрах двигателя.
На фото представлены следующие компоненты:
- С поз. 3 по 12 – катушка зажигания и ее структура;
- С поз.13 по 20 – свеча зажигания;
- С поз.21 по 42 – распределитель зажигания (трамблер).
Модернизация двигателя
Полноприводная трансмиссия ВАЗ 2121 помимо существенных преимуществ, имела и недостатки бытового плана. В частности:
- Расход топлива был достаточно большим в сравнении с легковыми автомобилями (13,4 литра на 100 км в городских условиях и на бездорожье);
- Это отражалось на эксплуатационных расходах – цена 1 км обходилась владельцам намного дороже. Да и мощность существующего двигателя для суровых условий бездорожья была недостаточной.
Увеличение рабочего объема двигателя и применение бесконтактной системы зажигания привело к необходимости модернизации электрической схемы в подкапотном пространстве. Замена проводки ВАЗ 2121 решала эту задачу сполна.
Модернизация системы зажигания
Поскольку за мощность искрообразования традиционно отвечает высоковольтная катушка, то автопроизводителем вносились изменения в ее работу. В частности, проводка на ВАЗ 2121 дополнялась жгутом, соединявшим коммутатор и остальные узлы системы зажигания.
Данная заводская инструкция содержит:
- Замок зажигания, выполняющий роль выключателя электрической цепи с выводами 30/1 и 15;
- Реле зажигания с выводами 85,86,30 и 87;
- Коммутатор с клеммной колодкой на 6 контактов;
- Модернизированная катушка зажигания с выводами «Б» и «К»;
- Трамблер (распределитель зажигания);
- Свечи.
Панель приборов
Для последующих модификаций ВАЗ 2121 была основательно переработана панель приборов. В частности изменился дизайн и расположение контрольных ламп, а также появились новые шкалы на указателях панели приборов.
Выводы: автомобиль ВАЗ 2121 владельцы часто обслуживали своими руками. А обслуживание электрических систем невозможно без оригинальных схем. Особенно это касалось модернизированных версий, где вносились изменения в схему работы узлов и агрегатов.
-
Самый мощный форд фокус 3
-
Хонда цивик замена сальника коленвала переднего
-
Адаптация холостого хода ваз
-
Как найти утечку газа в автомобиле гбо 4 поколения
- Как сложить зеркала на киа соул
СХЕМА ВАЗ-2121
СХЕМА ВАЗ-2121
Ваз 2121 «нива», разработан и выпускается с 1979 года.
Схема электрооборудования ВАЗ-2121 :
1. Передние фонари, 2. Фары, 3. Электродвигатель очистителя фар, 4. Звуковой сигнал, 5. Электродвигатель омывателя фар, 6. Электродвигатель омывателя ветрового стекла, 7. Генератор, 8. Боковой указатель поворота, 9. Аккумулятор ваз-2121, 10. Электродвигатель отопителя, 11. Доп.резистор электородвигателя отопителя, 12. Реле-прерыватель очистителя ветрового стекла, 13. Стартер, 14. Электродвигатель очистителя ветрового стекла, 15. Концевой выключатель карбюратора, 16. Электромагнитный клапан карбюратора, 17. Блок управления ЭПХХ, 18. Коммутатор, 19. Свечи зажигания, 20. Трамблер (распределитель зажигания, 21. Датчик давления масла, 22. Датчик температуры, 23. Розетка переноски, 24. Катушка зажигания, 25. Датчик уровня тормозной жидкости, 26. Реле включения очистителей и омывателя фар, 27. Реле включения обогрева заднего стекла, 28. Реле дальнего света фар, 29. Реле ближнего света фар, 30. Реле включения зажигания, 31. Реле включения стартера, 32. Выключатель лампы блокировки дифференциала, 33. Переключатель наружного освещения, 34. Прикуриватель ваз-2121, 35. Выключатель стоп-сигнала, 36. Выключатель света заднего хода, 37. Реле-прерыватель указателя поворотов и ав.сигнализации, 38. Основной блок пpeдoxpaнителей, 39. Дополнительный блок пpeдoxpaнителей, 40. Лампа подсветки рычажков отопителя, 41. Выключатель заднего противотуманого фонаря, 42. Выключатель обогрева заднего стекла, 43. Переключатель эл.двигателя отопителя, 44. Переключатель очистителя и омывателя заднего стекла, 45. Выключатель аварийной сигнализации, 46. Выключатель зажигания, 47. Контрольная лампа воздушной заслоки карбюратора, 48. Регулятор освещения приборов, 49. Подрулевой рычажный переключатель, 50. Выключатель контрольной лампы заслонки карбюратора, 51. Электродвигатель омывателя заднего стекла, 52. Дверной выключатель плафонов, 53. Плафоны освещения салона, 54. Комбинация приборов ваз-2121, 55. Фонари освещения номерного знака.
Схема электрооборудования ВАЗ-21213 :
1. Боковые указатели поворота. 2. Передние фонари. 3. Фары ваз-21213. 4. Электродвигатели очистителей фар. 5. Звуковые сигналы. 6. Реле включения очистителей и омывателя фар. 7. Реле включения ближнего света фар. 8. Реле включения дальнего света фар. 9. Электродвигатель омывателя фар. 10. Датчик недостаточного уровня тормозной жидкости. 11. Штепсельная розетка переносной лампы 12. Датчик контрольной лампы давления масла. 13. Датчик указателя давления масла. 14. Датчик указателя температуры охлаждающей жидкости. 15. Распределитель зажигания. 16. Свечи зажигания. 17. Электродвигатели стеклоочистителя. 18. Катушка зажигания. 19. Генератор. 20. Запopный клапан карбюратора. 21. Стартер ваз-21213. 22. Электродвигатель омывателя ветрового стекла. 23. Регулятор напряжения. 24. Реле контрольной лампы заряда аккумуляторной батареи. 25. Аккумуляторная батарея. 26. Реле стеклоочистителя. 27. Дополнительный блок пpeдoxpaнителей. 28. Основной блок пpeдoxpaнителей. 29. Выключатель контрольной лампы стояночного тормоза. 30. Выключатель контрольной лампы блокировки дифференциала. 31. Выключатель света заднего хода. 32. Выключатель контрольной лампы воздушной заслонки карбюратора. 33. Выключатель стоп-сигнала. 34. Электродвигатель отопителя. 35. Реле-прерыватель указателей поворота и аварийной сигнализации. 36. Дополнительный резистор электродвигателя отопителя. 37. Выключатель освещения приборов. 38. Переключатель света фар. 39. Переключатель указателей поворота. 40. Выключатель звуковых сигналов. 41. Переключатель стеклоочистителя. 42. Выключатель омывателя ветрового стекла. 43. Выключатель зажигания. 44. Выключатель наружного освещения. 45. Переключатель отопителя. 46. Выключатель очистителей и омывателя фар. 47. Прикуриватель. 48. Выключатель аварийной сигнализации. 49. Выключатели плафонов, расположенные в стойках дверей. 50. Указатель давления масла с контрольной лампой недостаточного давления. 51. Указатель уровня топлива с контрольной лампой резерва топлива. 52. Тахометр. 53. Контрольная лампа стояночного тормоза. 54. Контрольная лампа заряда аккумуляторной батареи. 55. Контрольная лампа воздушной заслонки карбюратора. 56. Спидометр. 57. Контрольная лампа наружного освещения. 58. Контрольная лампа указателей поворота. 59. Контрольная лампа дальнего света фар. 60. Реле-прерыватель контрольной лампы стояночного тормоза ваз-21213.
По всем вопросам о ремонте обращайтесь на ФОРУМ
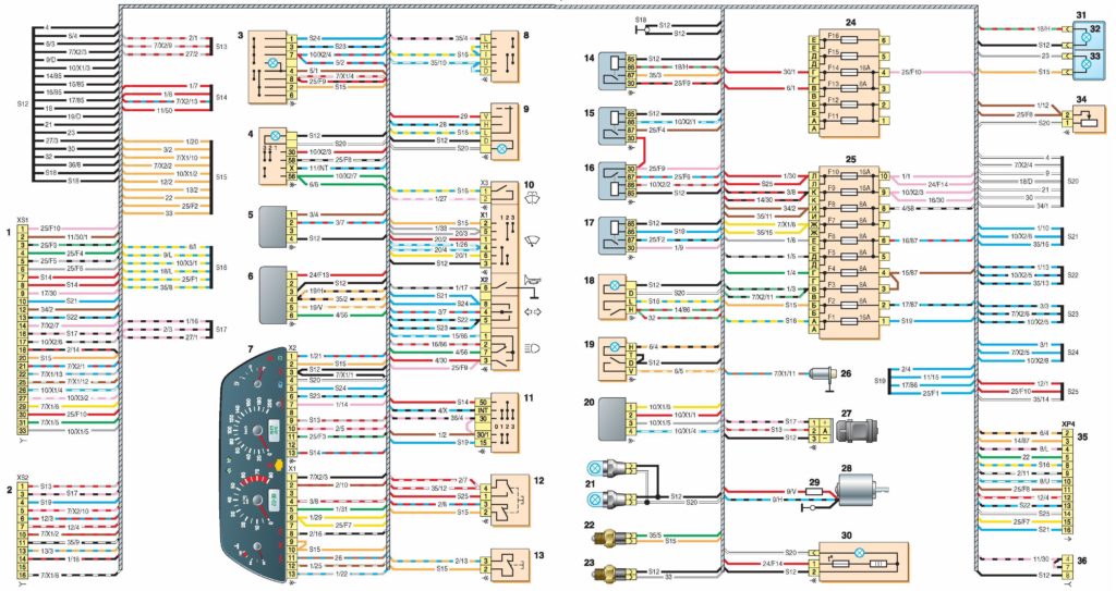
Основные электрические схемы Нивы 21214
Передний жгут проводов

- правый передний фонарь;
- правый боковой указатель поворота;
- колодка соединения со жгутом проводов правого фонаря и бокового указателя поворотов;
- правая фара;
- колодка соединения со жгутом проводов правой фары;
- стартер;
- аккумулятор;
- генератор;
- левая фара;
- соединение со жгутом проводов левой фары;
- левый передний подфарник;
- левый боковой указатель поворота;
- соединение со жгутом проводов правого переднего фонаря;
- звуковой сигнал;
- датчик температуры наружного воздуха;
- очиститель ветрового стекла;
- датчик температуры охлаждающей жидкости для комбинации приборов;
- датчик контрольной лампы аварийного давления масла;
- омыватель ветрового стекла;
- датчик контрольной лампы уровня тормозной жидкости;
- реле блокировки стартера;
- соединение со жгутом панели приборов
ЭСУД

- клапан продувки адсорбера;
- дроссельный узел
- датчик температуры охлаждающей жидкости
- правый вентилятор системы охлаждения;
- левый вентилятор системы охлаждения;
- катушка зажигания;
- свечи зажигания;
- датчик массового расхода воздуха;
- датчик положения коленчатого вала;
- колодка соединения со жгутом проводов управляющего датчика концентрации кислорода;
- управляющий датчик концентрации кислорода;
- датчик фаз;
- датчик детонации;
- колодка соединения со жгутом проводов форсунок;
- форсунки;
- педаль е-газа;
- колодка соединения со жгутом проводов панели приборов;
- главное реле;
- реле правого вентилятора системы охлаждения;
- реле левого вентилятора системы охлаждения;
- реле топливного насоса;
- предохранитель топливного насоса;
- колодка соединения с задним жгутом проводов (к топливному модулю);
- диагностическая колодка;
- масса в салоне автомобиля;
- блок предохранителей ЭСУД;
- колодка соединения зеленого цвета со жгутом проводов индикатора состояния АПС (светодиод);
- колодка соединения черного цвета со жгутом проводов индикатора состояния АПС (катушка связи);
- блок управления автомобильной противоугонной системы (АПС);
- колодка соединения со жгутом проводов диагностического датчика концентрации кислорода;
- диагностический датчик концентрации кислорода;
- электронный блок управления двигателем (контроллер)
Схема соединения панели приборов

- соединение с передним жгутом проводов;
- соединение со жгутом проводов системы управления двигателем;
- выключатель аварийной сигнализации;
- выключатель наружного освещения;
- реле поворотов;
- реле включения противотуманных ламп в задних фонарях;
- комбинация приборов;
- переключатель очистителя и омывателя стекла двери багажного отделения;
- переключатель отопителя;
- трех рычажный подрулевой переключатель;
- выключатель зажигания;
- датчик положения педали тормоза и выключатель сигналов торможения;
- датчик положения педали сцепления;
- реле обогрева стекла двери багажного отделения;
- реле дальнего света;
- реле ближнего света;
- реле зажигания;
- выключатель обогрева стекла двери багажного отделения;
- выключатель заднего противотуманного света;
- реле стеклоочистителя ветрового стекла;
- лампы подсветки блока управления отопления и вентиляции;
- выключатель света заднего хода;
- датчик включения блокировки дифференциала;
- дополнительный блок предохранителей;
- основной блок предохранителей;
- выключатель контрольной лампы стояночного тормоза;
- датчик скорости автомобиля;
- вентилятор отопителя;
- дополнительный резистор отопителя;
- прикуриватель;
- блок контрольных ламп;
- индикатор включения обогрева стекла двери багажного отделения;
- индикатор включения блокировки дифференциала;
- регулятор освещения приборов;
- соединение с задним жгутом проводов;
- подключение к аудиосистеме
Задний жгут проводов

- соединение со жгутом проводов системы управления двигателем;
- соединение со жгутом проводов панели приборов;
- правый плафон освещения салона;
- концевой выключатель правой двери;
- топливный модуль;
- концевой выключатель левой двери;
- левый плафон освещения салона;
- очиститель стекла двери багажного отделения;
- соединение со жгутом проводов очиститель стекла двери багажного отделения;
- фонари освещения номерного знака;
- элемент обогрева стекла двери багажного отделения;
- омыватель стекла двери багажного отделения;
- задний правый фонарь;
- дополнительный сигнал торможения;
- задний левый фонарь
Лада 4×4 3D 2121 › Бортжурнал › Электровентиляторы 21214 в 2121
Просто короткая заметка про установку. Вдохновившись статейкой на нива-фак и утомившись от постоянного закипания разбил копилку и отправился на местный авторынок, где и приобрел: 1. Электровентили 21214 2. Тройник под датчик от ГАЗели 3. Датчик ТМ-108 87-92 градуса 4. Реле 711.3747-01 5. Предохранитель 30А 6. Кнопка управления печкой ВАЗ-2101 7. Резиновые прокладосы радиатора от ВАЗ-2108 2 шт. Итак, часть первая — установка. В статье по ссылочке чувак пишет что вот он еле-еле внедрил вентили в мордас, руль поднял, х*& поджал, там подпилил так подвнедрил — НЕ НАДО ТАК!
Вентили упираются нижними ножками в отверстия на морде, а верхними резиночками прижимаются радиком к верху морды, и все. Ничего не перекашивает не затирает, все работает ОТ-ЛИ-ЧНО. И бортики на верхних резиночках лично мне намекают, что так и должно быть, не надо впихивать невпихуемое. Попутно открутили родного карлсончика, дабы не отбирал мощь у, и без того ушатанного пихла. Так же в процессе заменили ремень гены, ибо он слегка поизносился. Тройничок с датчиком врезали в нижний патрубок, вошел не без мата, но вошел.
Фоточка не ахти, но вид у машины стал явно получше
Часть вторая — подключение. Схема в статейке, в отличии от инструкции, более толковая. Все по ней и подключили, только провода на кнопке поменяли местами: массу с любым другим.
Результат: схема работает, но гудят они — мама не горюй. почему-то сразу ощущаешь себя на Юнкерсе
Датчик оказался, походу, слишком горячим — по показометру включается когда стрелка уже далеко за 90 переползла. Напряжение на 2000 оборотов с включенными вентилями проседает до 13 вольт
СХЕМА ВАЗ-2121
СХЕМА ВАЗ-2121
Ваз 2121 “нива”, разработан и выпускается с 1979 года.
Схема электрооборудования ВАЗ-2121 :
1. Передние фонари, 2. Фары, 3. Электродвигатель очистителя фар, 4. Звуковой сигнал, 5. Электродвигатель омывателя фар, 6. Электродвигатель омывателя ветрового стекла, 7. Генератор, 8. Боковой указатель поворота, 9. Аккумулятор ваз-2121, 10. Электродвигатель отопителя, 11. Доп.резистор электородвигателя отопителя, 12. Реле-прерыватель очистителя ветрового стекла, 13. Стартер, 14. Электродвигатель очистителя ветрового стекла, 15. Концевой выключатель карбюратора, 16. Электромагнитный клапан карбюратора, 17. Блок управления ЭПХХ, 18. Коммутатор, 19. Свечи зажигания, 20. Трамблер (распределитель зажигания, 21. Датчик давления масла, 22. Датчик температуры, 23. Розетка переноски, 24. Катушка зажигания, 25. Датчик уровня тормозной жидкости, 26. Реле включения очистителей и омывателя фар, 27. Реле включения обогрева заднего стекла, 28. Реле дальнего света фар, 29. Реле ближнего света фар, 30. Реле включения зажигания, 31. Реле включения стартера, 32. Выключатель лампы блокировки дифференциала, 33. Переключатель наружного освещения, 34. Прикуриватель ваз-2121, 35. Выключатель стоп-сигнала, 36. Выключатель света заднего хода, 37. Реле-прерыватель указателя поворотов и ав.сигнализации, 38. Основной блок предохранителей, 39. Дополнительный блок предохранителей, 40. Лампа подсветки рычажков отопителя, 41. Выключатель заднего противотуманого фонаря, 42. Выключатель обогрева заднего стекла, 43. Переключатель эл.двигателя отопителя, 44. Переключатель очистителя и омывателя заднего стекла, 45. Выключатель аварийной сигнализации, 46. Выключатель зажигания, 47. Контрольная лампа воздушной заслоки карбюратора, 48. Регулятор освещения приборов, 49. Подрулевой рычажный переключатель, 50. Выключатель контрольной лампы заслонки карбюратора, 51. Электродвигатель омывателя заднего стекла, 52. Дверной выключатель плафонов, 53. Плафоны освещения салона, 54. Комбинация приборов ваз-2121, 55. Фонари освещения номерного знака.
Схема электрооборудования ВАЗ-21213 :
1. Боковые указатели поворота. 2. Передние фонари. 3. Фары ваз-21213. 4. Электродвигатели очистителей фар. 5. Звуковые сигналы. 6. Реле включения очистителей и омывателя фар. 7. Реле включения ближнего света фар. 8. Реле включения дальнего света фар. 9. Электродвигатель омывателя фар. 10. Датчик недостаточного уровня тормозной жидкости. 11. Штепсельная розетка переносной лампы 12. Датчик контрольной лампы давления масла. 13. Датчик указателя давления масла. 14. Датчик указателя температуры охлаждающей жидкости. 15. Распределитель зажигания. 16. Свечи зажигания. 17. Электродвигатели стеклоочистителя. 18. Катушка зажигания. 19. Генератор. 20. Запорный клапан карбюратора. 21. Стартер ваз-21213. 22. Электродвигатель омывателя ветрового стекла. 23. Регулятор напряжения. 24. Реле контрольной лампы заряда аккумуляторной батареи. 25. Аккумуляторная батарея. 26. Реле стеклоочистителя. 27. Дополнительный блок предохранителей. 28. Основной блок предохранителей. 29. Выключатель контрольной лампы стояночного тормоза. 30. Выключатель контрольной лампы блокировки дифференциала. 31. Выключатель света заднего хода. 32. Выключатель контрольной лампы воздушной заслонки карбюратора. 33. Выключатель стоп-сигнала. 34. Электродвигатель отопителя. 35. Реле-прерыватель указателей поворота и аварийной сигнализации. 36. Дополнительный резистор электродвигателя отопителя. 37. Выключатель освещения приборов. 38. Переключатель света фар. 39. Переключатель указателей поворота. 40. Выключатель звуковых сигналов. 41. Переключатель стеклоочистителя. 42. Выключатель омывателя ветрового стекла. 43. Выключатель зажигания. 44. Выключатель наружного освещения. 45. Переключатель отопителя. 46. Выключатель очистителей и омывателя фар. 47. Прикуриватель. 48. Выключатель аварийной сигнализации. 49. Выключатели плафонов, расположенные в стойках дверей. 50. Указатель давления масла с контрольной лампой недостаточного давления. 51. Указатель уровня топлива с контрольной лампой резерва топлива. 52. Тахометр. 53. Контрольная лампа стояночного тормоза. 54. Контрольная лампа заряда аккумуляторной батареи. 55. Контрольная лампа воздушной заслонки карбюратора. 56. Спидометр. 57. Контрольная лампа наружного освещения. 58. Контрольная лампа указателей поворота. 59. Контрольная лампа дальнего света фар. 60. Реле-прерыватель контрольной лампы стояночного тормоза ваз-21213.
По всем вопросам о ремонте обращайтесь на ФОРУМ
Подведение итогов
Необходимость разбираться в электросхеме проводки может возникнуть в том случае, если в работе системы возникли неисправности и их нужно устранить. Разумеется, сложные неисправности, связанные с работой генераторного узла и прочих непростых в плане конструкции устройств, решить в гаражных условиях без определенных знаний будет проблематично. Тем не менее, даже простое знание электроцепи и возможность расшифровки условных обозначений может во многом помочь автолюбителю при ремонте. Кроме того, необходимость разбираться в проводке также может возникнуть в том случае, если вы решили модернизировать акустику или установить более совершенную аудиосистему.
Подведение итогов
Необходимость разбираться в электросхеме проводки может возникнуть в том случае, если в работе системы возникли неисправности и их нужно устранить. Разумеется, сложные неисправности, связанные с работой генераторного узла и прочих непростых в плане конструкции устройств, решить в гаражных условиях без определенных знаний будет проблематично. Тем не менее, даже простое знание электроцепи и возможность расшифровки условных обозначений может во многом помочь автолюбителю при ремонте. Кроме того, необходимость разбираться в проводке также может возникнуть в том случае, если вы решили модернизировать акустику или установить более совершенную аудиосистему.









