Электрооборудование зил 130 и 131: цветная схема и особенности обслуживания. зил 130 реле поворотов схема подключения
Содержание
- 1 Установка проводки в кабине Зил 130
- 2 Зил самосвал
- 3 Получение электроэнергии в электропроводке Зил 130
- 4 Устройство тормозной системы
- 5 Политика модификаций
- 6 Как определить неисправность?
- 7 Схема электрооборудования автомобиля ЗИЛ-130
- 8 Роль электропроводки в работе ЗИЛ 130
- 9 Автоэлектрик
- 10 Интересные факты
- 11 Принципиальная схема электрооборудования автомобиля ЗИЛ 130
- 12 Цветная электрическая схема электрооборудования ЗИЛ 131 и 130 с описанием проводов
- 13 Схема ЗИЛ-131
- 14 Особенности монтажа проводки в электропроводке Зил 130
- 15 Постоянный ток и переменный ток в электропроводке Зил 130
- 16 Электросхема Зил 131 — ЗИЛ Электросхема —
- 17 Коробка переключения передач (КПП) ЗИЛ-130
Установка проводки в кабине Зил 130
Установка проводки в кабине Зил 130 является важным этапом при осуществлении ремонта или модернизации данного транспортного средства. Правильное подключение и установка проводки позволит обеспечить надежную работу электрической системы и исключить возможные неисправности.
Для установки проводки в кабине Зил 130 рекомендуется следующая последовательность действий:
Подготовьте необходимые инструменты и материалы: провода различных цветов, предохранители, реле, выключатели, разъемы, крепежные элементы.
Произведите демонтаж старой проводки. Отключите аккумулятор, чтобы избежать короткого замыкания и риска поражения электрическим током.
Подключите провода новой проводки по цветовой гамме и согласно электрическим схемам. Они должны быть четко прокладаны и не должны пересекаться, чтобы не возникали короткое замыкание или обрывы.
Установите предохранители и реле в специальные держатели или коробки
Обратите внимание на правильность подключения и выбор соответствующих параметров.
При необходимости установите выключатели или переключатели для активации различных функций (освещение, обогрев, вентиляция и т. д.)
Убедитесь в их правильной установке и соединении с проводкой.
Выполните проверку работы проводки. Для этого подключите аккумулятор и проверьте функциональность различных систем и устройств в кабине Зил 130. Убедитесь в отсутствии короткого замыкания и исправности всех проводных соединений.
При установке проводки в кабине Зил 130 рекомендуется обратиться к специалистам или изучить руководство по эксплуатации данного транспортного средства. Это позволит избежать ошибок и обеспечить надежную работу электрической системы.
Зил самосвал
Реле-регулятор можно проверить непосредственно на автобусе. Детальная проверка различных реле описана в соответствующих разделах книги. Обрыв в цепи источников и потребителей электрической энергии возникает вследствие расплавления плавкого предохранителя, размыкания контактов в термобиметаллическом предохранителе, разрыва проводов, непрочного крепления наконечников проводов на выводах, нарушения контакта в штекерном соединении проводов, нарушения контакта в выключателях и переключателях, обрыва цепи в потребителях перегорание нити накаливания в лампе, перегорание дополнительного резистора или обмотки электродвигателя и т.
Если в цепи имеется обрыв, нужно разобрать блок и спаять оборванный участок платы можно подпаять параллельно ему проводник или заменить печатные платы. Для выявления места обрыва провод с пружинным наконечником присоединяют к массе, а острием наконечника начинают касаться зажимов цепи в направлении от неработающего прибора к аккумуляторной батарее.
Затем вышли три его модификации: с карбюраторным двигателем;с дизельным двигателем;с неэкранированной проводкой для гражданских нужд.
Для передачи электрической энергии от источника к потребителям используют провода, которые по изоляции разделяются на провода низкого и высокого напряжения.
Если в цепи имеется обрыв, нужно разобрать блок и спаять оборванный участок платы можно подпаять параллельно ему проводник или заменить печатные платы.
Для контроля выпрямителя к его положительному и отрицательному зажимам подключают вольтметр или контрольную лампу и отъединяют провод от зажима Б реле- регулятора.
Включают предохранитель замыкают контакты нажатием кнопки.
ЭЛЕКТРООБОРУДОВАНИЕ АВТОМОБИЛЯ.

Получение электроэнергии в электропроводке Зил 130
Электропроводка Зил 130 осуществляется с использованием специальной схемы подключения, которая обеспечивает получение электроэнергии для работы всех электрических устройств автомобиля.
Для получения электроэнергии в электропроводке Зил 130 используется генератор, который преобразует механическую энергию, получаемую от двигателя, в электрическую энергию. Генератор установлен на двигателе и приводится в действие ременной передачей. Он обеспечивает подачу электроэнергии на аккумуляторную батарею и питание всех электрических систем автомобиля.
Аккумуляторная батарея является источником электроэнергии, который предназначен для запуска двигателя и обеспечения питания электрических устройств при отключенном двигателе. Батарея подключается к генератору и заряжается им во время работы двигателя. Таким образом, батарея будет всегда полностью заряжена и готова к использованию.
Для передачи электроэнергии от генератора и аккумуляторной батареи к электроприборам автомобиля используется проводная система проводки. Система проводки состоит из проводов, предохранителей, реле и переключателей, которые обеспечивают правильное распределение и подачу электроэнергии.
Устройство тормозной системы
Все модификации ЗИЛ 5301 «Бычок» оборудуются похожими тормозными системами, которые можно рассмотреть по электрической схеме. В них используется пневмоусилитель и двухконтурный гидропривод. Первый контур осуществляет торможение правых передних и задних левых колес. Второй контур применяется для торможения остальных колес.
Если возникают проблемы с контурами, выходят из строя, то применяется экстренное торможение при помощи гидравлической системы. В передней части задействуются дисковые тормозные компоненты, а сзади – элементы барабанного типа. Конструкция заднего моста дополнена механизмами с тормозным устройством, где предусмотрен автоматический регулятор для усиления торможения.
Все эти компоненты в схеме обеспечивают высокую безопасность при управлении грузовым средством, при возникновении опасных ситуаций срабатывают дополнительные компоненты. Чтобы грузовик не тронулся с места при стоянке, используется стояночный тормоз. У него имеется привод, который выводится на колодки колес в задней оси. Последние модели оборудуются ABS.
Грузовые автомобили ЗИЛ 5301 «Бычок» считаются универсальными средствами. Их применяют для грузоперевозок разных изделий, подходят даже для транспортировки пищевой продукции. По этой причине они востребованные среди многих торговых компаний, которые занимаются доставкой. Но, несмотря на популярность и удобство эксплуатации у данной техники имеются отрицательные особенности – шумная работа двигателя, низкое качество резины на шинах, которая рвется даже при небольших нагрузках, проблемный запуск мотора при морозах. Однако преимуществ у ТС намного больше, «Бычок» не имеет аналогов на отечественном рынке, поэтому относится к востребованной технике для грузоперевозок с массой до 3 тонн.
=>
Грузовой автомобиль ЗИЛ «Бычок» появился давно, но он до сих пор пользуется популярностью. Он известен своей высокой мощностью, отличной грузоподъемностью и хорошей маневренностью на дорогах. Производство моделей 5301 на заводе имени Лихачева началось с середины девяностых годов, в то время предприятие специализировалось на изготовлении техники с грузоподъемностью до трех тонн.
Специалисты не стали экспериментировать и придумывать необычные дополнения. Была установлена классическая электрическая схема ЗИЛ 5301 «Бычок», которая не требует соблюдения особых мер эксплуатации. А многие опытные водители и электрики при необходимости могут самостоятельно осуществить ремонт ее элементов без применения специального оборудования. Но все же стоит рассмотреть конструктивные особенности грузовика и основные элементы механизма.
Политика модификаций
Имея столь серьезную поддержку и признание, автозавод с 1967 года получил заказы на модификацию ЗИЛ 130. Особо следует выделить 2 направления:
- Выпуск моделей, способных нести службу в Заполярье (при температуре ниже -45С). Эти автомобили производились для осваивания месторождений в Сибири и на Дальнем востоке;
- Выпуск моделей, предназначенных для работы в тропиках (при 100% влажности). Их производили для зарубежных стран, которым помогало советское правительство.

Фото плаката 60-х: ЗИЛ-130 в тропическом исполнении
Модификация ЗИЛ 130С
В 70-е годы в Сибири были открыты многие месторождения полезных ископаемых. Цена добычи была низкой, и для их разработки требовались грузовые автомобили, способные работать в суровых климатических условиях.
Для Севера инструкция ЗИЛа предусматривала оранжевый цвет – для большей заметности во время снегопадов
О том, с какими трудностями сталкивались автомобили в условиях Крайнего Севера, вы можете судить по видео, представленному в нашей статье. Это черно-белая копия, воссозданная из архивных материалов Завода имени Лихачева, наглядно демонстрирует возможности грузового автомобиля ЗИЛ 130 С.
Тематическое видео смотрите в конце статьи.
Среди комплектации ЗИЛ 130С (Сибирь) следует отметить особенности электрооборудования:
- Предпусковой обогреватель с автономным источником питания;
- Кабина с двойным остеклением и дополнительным автономным отопителем, оснащенным электрическим вентилятором повышенной мощности;
- Противотуманные фары и прожектор-искатель с управлением из кабины;
- Два независимых бензобака с указателем уровня топлива на приборной панели;
- Указатель температуры электролита аккумуляторной батареи.

Предпусковой обогреватель обеспечивал запуск двигателя при отрицательных температурах
Специальные версии
Также грузовые модификации различались по заказчикам:
- Для министерства обороны (МО);
- Для аварийно-спасательных служб (в основном пожарных);
- Для гражданских предприятий.
В частности, для армейских нужд автозавод приступил к выпуску автомобиля ЗИЛ-130Е, на который:
- устанавливалась экранированная электропроводка ЗИЛ 130;
- генератор переменного тока Г-51 (450 Вт мощности и силой тока 40А);
- реле-регулятор напряжения РР-51;
- прерыватель-распределитель зажигания Р-102;
- высоковольтная катушка зажигания Б-102Б;
- электрический стартер СТ-2;
- свечи зажигания СН-307.
Памятник на территории Управления МЧС в Белгороде, установленный своими руками
Как определить неисправность?
Неполадки, связанные с электрооборудованием, можно определить по следующим признакам:
- Генератор: не дает зарядный ток, шум подшипников во время работы, зарядный ток большой силы.
- Стартер: не работает; не вращает коленвал двигателя; ротор вращается, но не вращает коленвал; при включении слышны частые щелчки втягивающего реле; после пуска мотора стартер не отключается.
- Аккумуляторная батарея: быстро разряжается; быстро уменьшается уровень электролита в батарее; из отверстий для вентиляции проливается электролит; во время зарядки незначительное повышение плотности электролита.
- Система зажигания: нарушены контакты в соединениях компонент системы зажигания, не запускается силовой агрегат.
Схема электрооборудования автомобиля ЗИЛ-130
Система электрооборудования автомобиля ЗИЛ-130 однопроводная. Отрицательные клеммы источников тока соединены с массой автомобиля. Номинальное напряжение 12 В. На автомобиле применяются провода низкого напряжения типа ПГВА и высокого напряжения типа ПВВ.
Проверка проводов на исправность изоляции проводится внешним осмотром. При обнаружении оголенного места на проводах низкого напряжения надо его изолировать (обмотать) изоляционной лентой. Провода высокого напряжения с пробитой изоляцией заменяются новыми и ремонту не подлежат.
Для определения обрыва провода нужно применять пробник с контрольной лампочкой. Для выявления места обрыва провод с пружинным наконечником присоединяют к массе, а острием наконечника начинают касаться зажимов цепи в направлении от неработающего прибора к аккумуляторной батарее. При большом расстоянии между зажимами или при их отсутствии можно прокалывать изоляцию провода острием наконечника.
Проверка ведется до тех пор, пока лампочка не загорится. Место обрыва провода будет находиться между точкой касания, в которой лампочка загорелась, и ближайшей к ней точкой, где лампочка еще не горит. Оборванный провод надо заменить. В качестве временной меры можно соединить концы оборванного провода и обмотать место соединения изоляционной лентой.
При замыкании провода на массу следует проверить изоляцию провода. Так как цепь многих потребителей тока защищена предохранителями, то обычно цепь, в которой произошло замыкание, немедленно размыкается соответствующими предохранителями.
Для устранения замыкания внимательно осмотреть все провода и обнаруженные участки с поврежденной изоляцией обернуть изоляционной лентой.
Для поддержания электропроводки в исправном состоянии и предупреждения перетирания проводов необходимо очищать провода от грязи и пыли, проверять скобы крепления проводов.
Роль электропроводки в работе ЗИЛ 130
Электропроводка играет важную роль в работе грузового автомобиля ЗИЛ 130. Она осуществляет передачу электрической энергии от аккумулятора к различным электроприборам и системам автомобиля. Это связано с тем, что в современных автомобилях электрооборудование стало неотъемлемой частью и включает в себя множество функций и элементов.
Основная задача электропроводки в ЗИЛ 130 — обеспечить правильное и надежное функционирование всех систем автомобиля. Это включает в себя системы освещения, пуска двигателя, заряда аккумулятора, работы приборов и индикаторов, а также другие электроприборы.
В ЗИЛ 130 для электропроводки используются специальные провода, разъемы, плавкие предохранители и другие компоненты. Они позволяют создать надежную и безопасную систему передачи электроэнергии в автомобиле.
Важно отметить, что корректная работа электропроводки ЗИЛ 130 влияет на безопасность движения и надежность работы автомобиля. Неправильно подключенный или поврежденный провод может привести к сбоям в работе системы, что может сказаться на управлении автомобилем и стать источником возгорания
В целом, электропроводка в ЗИЛ 130 играет ключевую роль в обеспечении нормальной работы и безопасности автомобиля. Регулярная проверка и обслуживание этой системы поможет избежать непредвиденных поломок и обеспечит надежность в эксплуатации грузового автомобиля.
Автоэлектрик
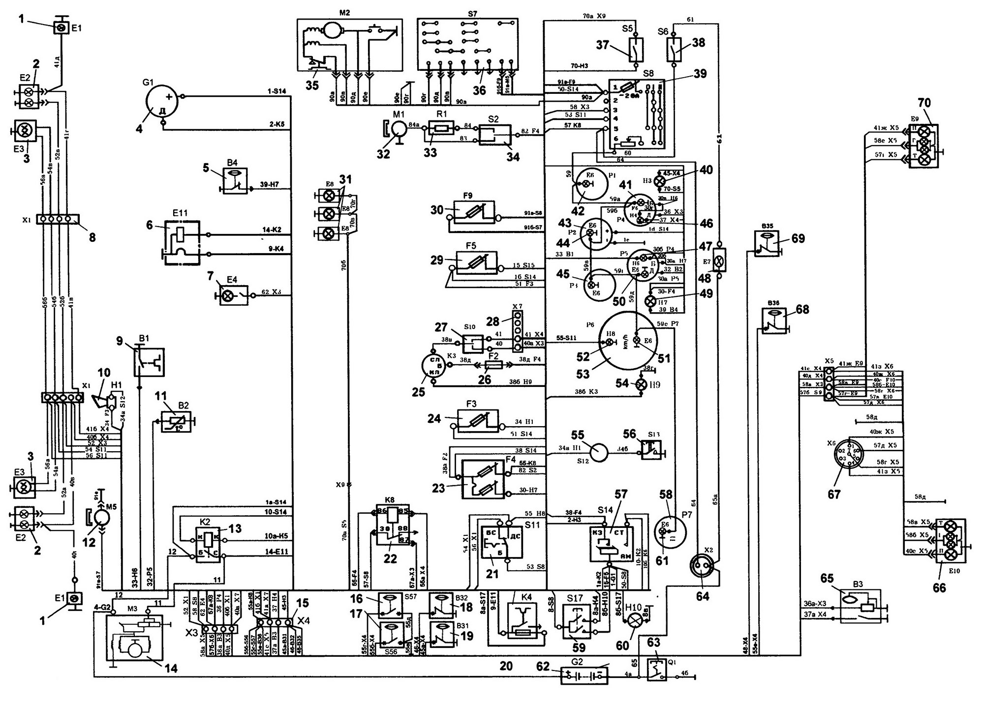
Схема электрооборудования ЗИЛ-131
1 — фара головного света; 2 — передний фонарь; 3 — боковой повторитель указателя поворота; 4 — генератор; 5 — регулятор напряжения; 6 — подкапотная лампа; 7 — аварийный вибратор; 8 — свеча зажигания; 9 — датчик-распределитель; 10 — транзисторный коммутатор; 11 — добавочный резистор; 12 — катушка зажигания; 13 — фильтр радиопомех; 14 — датчик температуры охлаждающей жидкости; 15 — датчик контрольной лампы аварийного перегрева жидкости; 16 — электрический сигнал; 17 — реле включения переднего моста; 18 — реле стартера; 19 — конденсаторный фильтр; 20 — стартер; 21 — розетка рации; 22 — зуммер; 23 — электродвигатель отопителя; 24 — конденсатор электродвигателя отопителя; 25 — резистор электродвигателя отопителя; 26 — электродвигатель вентилятора; 27 — опознавательные фонари автопоезда; 28 — выключатель сигнала торможения; 29 — прожектор искатель; 30 — фонарь освещения кабины; 31 — выключатель фонаря освещения кабины; 32 — выключатель принудительного включения привода переднего моста; 33 — выключатель опознавательных фонарей автопоезда; 34 — переключатель датчиков указателя уровня топлива; 35 — переключатель отопителя; 36 — выключатель плафона; 37 — выключатель вентилятора; 38 — переключатель управляемой фарой; 39 — выключатель управляемой фары; 40 — центральный переключатель света; 41 — контрольная лампа включения привода переднего моста; 42 — манометр тормозной системы; 43 — контрольная лампа аварийного падения давления масла; 44 — комбинация приборов; 45 — плафон; 46 — контрольная лампа указателей поворота; 47 — спидометр; 48 — контрольная лампа аварийного перегрева жидкости; 49 — контрольная лампа дальнего света фар; 50 — манометр системы регулирования давления воздуха в шинах; 51 — предохранитель; 52 — реле указателей поворота; 53 — контактное устройство электрического сигнала; 54 — кнопка сигнала; 55 — переключатель указателей поворота; 56 — розетка переносной лампы; 57 — переключатель света фар; 58 — переключатель зажигания; 59 — предохранитель; 60 — предохранитель; 61 — аккумуляторная батарея; 62 — выключатель аккумуляторной батареи; 63 — электромагнит клапана системы включения переднего моста; 64 и 68 — датчики указателей уровня топлива; 65 — выключатель клапана переднего моста; 66 — выключатель контрольной лампы включения переднего моста; 67 — розетка прицепа; 69 — розетка переносной лампы; 70 — задний фонарь; 71 — фонарь освещения номерного знака; 72 — выключатель сигнала водителю.
Интересные факты
На филиале ЗиЛ в Чите собирался северный вариант ЗиЛ-130С, который оснащался лебедкой, с приводом от коробки передач. Машина предназначалась для эксплуатации при температуре до -60°С. Машины красились в яркие оранжевый или красный цвета, а также в армейский «хаки».
На сегодняшний день грузовики ЗиЛ-130 устарели, и постепенно списываются из-за износа конструкции и значительного расхода топлива.
Остающиеся экземпляры переоборудуются путем замены бензинового двигателя на дизельный агрегат (как правило, изделие Минского моторного завода Д-245). Грузовики ранних выпусков являются большой редкостью и стали предметом коллекционирования.
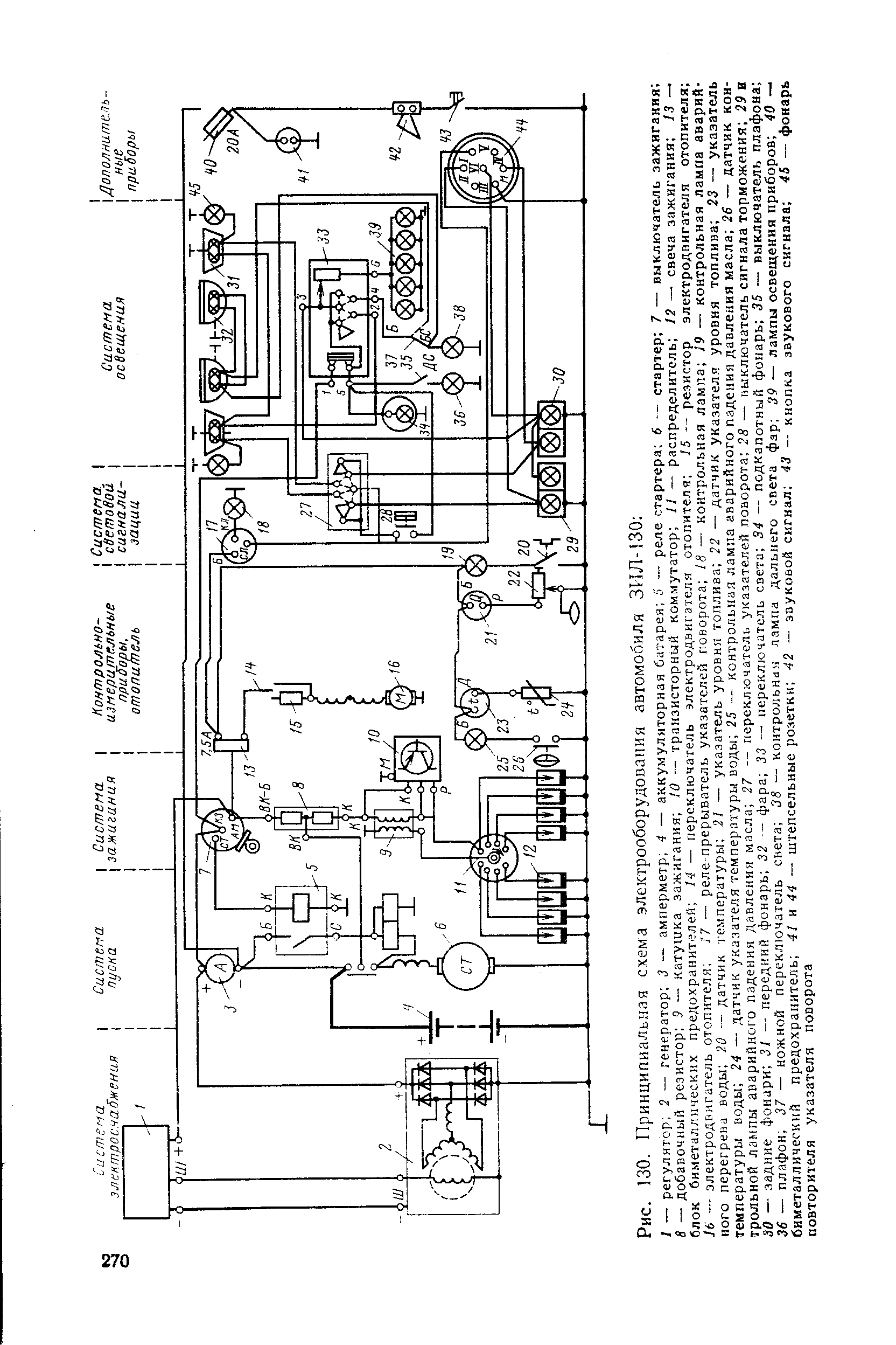
Принципиальная схема электрооборудования автомобиля ЗИЛ 130
Автоэлектроника
|
На рисунке ниже приведена принципиальная схема электрооборудования автомобиля ЗИЛ-130. Защита цепи электродвигателя 16 отопителя, контрольных приборов и сигнальных фонарей осуществляется блоком 13 биметаллических предохранителей с самовозвратом. Цепи освещения защищены биметаллическим предохранителем с самовозвратом, установленным в центральном переключателе света 33. Розетка переносной лампы 41 и звуковые сигналы защищены биметаллическими предохранителями 40 с кнопочным включением в случае их срабатывания. Рис. 2. Принципиальная схема электрооборудования автомобиля ЗИЛ-130: 1 — регулятор; 2 — генератор; 3 — амперметр; 4 — аккумуляторная батарея; 5 — реле стартера; 6 — стартер; 7 — выключатель зажигания; в — добавочный резистор; 9 — катушка зажигания; 10 — транзисторный коммутатор; 11 — распределитель; 12 — свеча зажигания; 13 — блок биметаллических предохранителей; 14 — переключатель электродвигателя отопителя; 15 — резистор электродвигателя отопителя; 16 — электродвигатель отопителя; 17 — реле-прерыватель указателей поворота; 18 — контрольная лампа; 19 — контрольная лампа аварийного перегрева воды; 20 — датчик температуры; 21 — указатель уровня топлива; 22 — датчик указателя уровня топлива; 23 — указатель температуры воды; 24 — датчик указателя температуры воды; 25 — контрольная лампа аварийного падения давления масла; 26 — датчик контрольной лампы аварийного падения давления масла; 27 — переключатель указателей поворота; 28 — выключатель сигнала торможения; 29 е 30 — задние фонари; 31 — передний фонарь; 32 — фара; 33 — переключатель света; 34 — подкапотный фонарь; 35 — выключатель плафона; 36 — плафон; 37 — ножной переключатель света, 38 — контрольная лампа дальнего света фар; 39 — лампы освещения приборов; 40 — биметаллический предохранитель; 41 и 44 — штепсельные розетки; 42 — звуковой сигнал; 43 — кнопка звукового сигнала; 45 — фонарь повторителя указателя поворота. ЗИЛ-130 ЗИЛ-131 ЗИЛ-431410 ЗИЛ-431900 |
Цветная электрическая схема электрооборудования ЗИЛ 131 и 130 с описанием проводов
Многоцелевой грузовик ЗИЛ 131 многие годы использовался в армии, и после модернизации его продолжают эксплуатировать в различных отраслях народного хозяйства. В статье рассматривается электрооборудование грузовика, основные неисправности, дается схема электрооборудования ЗИЛ 131 цветная.
Особенности электрооборудования
С 1966 по 1086 год ЗИЛ 131 выпускался в неизменном виде (автор видео — Иван Зенкевич PRO автомобили).
Затем вышли три его модификации:
- с карбюраторным двигателем;
- с дизельным двигателем;
- с неэкранированной проводкой для гражданских нужд.
Грузовик имеет высокие эксплуатационные качества, но кроме них в его конструкции есть особенности, которые отечественные производители не применяли на других машинах:
- установлен бензиновый двигатель с 8-ю V-образным расположением цилиндров, имеющий 16 клапанов;
- традиционная система зажигания заменена на бесконтактную, оборудованную электронным коммутатором;
- использование экранированной герметичной электропроводки позволило эксплуатировать ЗИЛ 131 в любых погодных условиях.
Как определить неисправность?
Неполадки, связанные с электрооборудованием, можно определить по следующим признакам:
- Генератор: не дает зарядный ток, шум подшипников во время работы, зарядный ток большой силы.
- Стартер: не работает; не вращает коленвал двигателя; ротор вращается, но не вращает коленвал; при включении слышны частые щелчки втягивающего реле; после пуска мотора стартер не отключается.
- Аккумуляторная батарея: быстро разряжается; быстро уменьшается уровень электролита в батарее; из отверстий для вентиляции проливается электролит; во время зарядки незначительное повышение плотности электролита.
Система зажигания: нарушены контакты в соединениях компонент системы зажигания, не запускается силовой агрегат.
Возможные неполадки проводки
Недостатком бесконтактной системы грузовика в былые времена являлось недостаточное количество электронных деталей и их надежность для эксплуатации в суровых погодных условиях.
Неполадки проводки могут возникнуть по причине:
- обрыва цепи;
- повреждения токоведущих элементов: жил, контактов, проводов;
- плохого контакта в местах соединения;
- окисление клемм и контактов;
повреждения изоляции;
отсутствия питания.
Обрыв в электрической цепи можно определить с помощью вольтметра или контрольной лампочки.
Оборванные провода нужно заменить целыми. Если нет возможности сделать замену, можно временно соединить оборванные концы провода, обмотав их изоляционной лентой.
Следует следить за чистотой контактов, иначе ток не сможет пробивать образовавшуюся из масла или окиси пленку.
Электрическая схема
В грузовом автомобиле ЗИЛ 131 установлена однопроводная система электрооборудования с номинальным напряжением 12 В. С корпусом машины соединены минусовые клеммы источников питания.
Фотогалерея «Схемы электрооборудования ЗИЛ»
Видео «О двигателе ЗИЛ 131 »
В этом ролике рассказывается о двигателе ЗИЛ 131 с описанием его работы (автор видео — Азбука Автозапчастей Острогожск).
Схема ЗИЛ-131
С возрастанием нагрузки показания амперметра сначала также увеличиваются, а затем возрастание прекращается.
Недопустимое падение напряжения в цепях потребителей создается вследствие увеличения сопротивления в местах крепления наконечников проводов на клеммах источников и потребителей электрической энергии, приборов, соединительных панелей, а также в штекерном соединении проводников.
Инструкция по эксплуатации автомобиля ЗИЛ Бычок..
Схема электрооборудования ЗИЛ При включении зажигания контрольная лампочка должна загораться. Неполадки проводки могут возникнуть по причине: обрыва цепи;повреждения токоведущих элементов: жил, контактов, проводов;плохого контакта в местах соединения;окисление клемм и контактов;повреждения изоляции;отсутствия питания. Для этого надо цветную схему зил
Часть 2. Общее устройство грузовика Возможные неполадки проводки Недостатком бесконтактной системы грузовика в былые времена являлось недостаточное количество электронных деталей и их надежность для эксплуатации в суровых погодных условиях. Если у кого есть цветная схема эл.
При замене плавкой вставки используют проволоку только соответствующего сечения. В отдельные разделы издания входят инструкция по эксплуатации ЗИЛ Бычок и цветные схемы электрооборудования. Представляем полный заводской каталог запчастей ЗИЛ и его.
Особенности монтажа проводки в электропроводке Зил 130
Монтаж проводки в электропроводке Зил 130 имеет свои особенности, которые необходимо учитывать при выполнении данной работы. Некорректное подключение проводов может привести к неправильной работе электрооборудования и даже к возникновению пожара.
1. Соблюдение правильной полярности
При подключении проводов необходимо обратить внимание на их полярность. Правильное подключение позволяет избежать неправильной работы электрооборудования
В случае, если полярность проводов перепутана, лампы могут гореть слабо или вообще не гореть.
2. Использование качественных проводов. Для электропроводки Зил 130 рекомендуется использовать провода с соответствующими техническими характеристиками и качественной изоляцией. Это поможет избежать короткого замыкания и повысить надежность работы электрооборудования.
3. Правильное подключение заземления. Заземление играет важную роль в электропроводке Зил 130, поскольку оно обеспечивает безопасность и защиту от поражения электрическим током. Правильное подключение заземления позволяет изолировать автомобиль от электрической сети и предотвратить возможность возникновения короткого замыкания.
4. Отсутствие перегрузки проводки. Необходимо учитывать мощность и потребление электрооборудования, чтобы предотвратить перегрузку проводки. При установке дополнительных электроприборов рекомендуется использовать предохранители и соблюдать их номинал.
5. Правильное обозначение проводов. Для удобства дальнейшей эксплуатации электропроводки Зил 130 рекомендуется проводить обозначение проводов. Это поможет быстро определить их назначение и упростить процесс монтажа и обслуживания.
Важно помнить, что проводка в электропроводке Зил 130 должна выполняться согласно схеме подключения, указанной в технической документации автомобиля. И никогда необходимо допускать некачественные работы, поскольку это может привести к серьезным последствиям
Постоянный ток и переменный ток в электропроводке Зил 130
Электропроводка в автомобиле Зил 130 осуществляется с использованием двух видов тока — постоянного и переменного. Каждый из них имеет свои особенности и применение в системе электрооборудования автомобиля.
Постоянный ток (DC)
Постоянный ток характеризуется постоянным направлением движения электрических зарядов. В электропроводке Зил 130 использование постоянного тока широко распространено, особенно в схемах питания и заземления. Постоянный ток позволяет эффективно передавать электрическую энергию и обеспечивать работу основных компонентов системы, таких как аккумуляторная батарея, генератор и пусковой двигатель.
В электрической схеме Зил 130 постоянный ток предоставляется от аккумуляторной батареи. Он используется для питания различных потребителей, включая фары, сигнальные огни, магнитолу и другие электроприборы. Основным достоинством постоянного тока является его стабильность, что позволяет эффективно и надежно работать всему электрооборудованию автомобиля.
Переменный ток (AC)
Переменный ток отличается от постоянного тока тем, что направление его движения постоянно меняется в определенных интервалах времени. В электропроводке Зил 130 переменный ток применяется в основном для питания электромоторов, вентиляторов, электронасосов и некоторых других устройств.
Для преобразования постоянного тока в переменный ток в системе электрооборудования Зил 130 используется инвертор. Он преобразует постоянное напряжение от батареи в переменное, которое необходимо для работы электромоторов и других устройств. Переменный ток позволяет эффективно регулировать скорость работы электромоторов и обеспечивать более гибкое управление устройствами в автомобиле.
Заключение
Использование постоянного и переменного тока в электропроводке Зил 130 позволяет эффективно и надежно обеспечивать питание и работу всех компонентов системы. Постоянный ток предоставляет стабильное электрическое напряжение для основных потребителей, а переменный ток позволяет управлять электромоторами и другими устройствами. Оба этих типа тока взаимодополняющие и необходимы для нормального функционирования электрооборудования автомобиля Зил 130.
Электросхема Зил 131 — ЗИЛ Электросхема —
1 — фара головного света; 2 — передний фонарь; 3 — боковой повторитель указателя поворота; 4 — генератор; 5 — регулятор напряжения; 6 — подкапотная лампа; 7 — аварийный вибратор; 8 — свеча зажигания; 9 — датчик-распределитель; 10 — транзисторный коммутатор; 11 — добавочный резистор; 12 — катушка зажигания; 13 — фильтр радиопомех; 14 — датчик температуры охлаждающей жидкости; 15 — датчик контрольной лампы аварийного перегрева
жидкости; 16 — электрический сигнал; 17 — реле включения переднего моста; 18 — реле стартера; 19 — конденсаторный фильтр; 20 — стартер; 21 — розетка рации; 22 — зуммер; 23 — электродвигатель отопителя; 24 — конденсатор электродвигателя отопителя; 25 — резистор электродвигателя отопителя; 26 — электродвигатель вентилятора; 27 — опознавательные фонари автопоезда; 28 — выключатель сигнала торможения; 29 — прожектор искатель; 30 — фонарь освещения кабины; 31 — выключатель фонаря освещения кабины; 32 — выключатель
принудительного включения привода переднего моста; 33 — выключатель опознавательных фонарей автопоезда; 34 — переключатель датчиков указателя уровня топлива; 35 — переключатель отопителя; 36 — выключатель плафона; 37 — выключатель вентилятора; 38 — переключатель управляемой фарой; 39 — выключатель управляемой фары; 40 — центральный переключатель света; 41 — контрольная лампа включения привода переднего моста; 42 — манометр тормозной системы; 43 — контрольная лампа аварийного падения давления масла; 44 — комбинация
приборов; 45 — плафон; 46 — контрольная лампа указателей поворота; 47 — спидометр; 48 — контрольная лампа аварийного перегрева жидкости; 49 — контрольная лампа дальнего света фар; 50 — манометр системы регулирования давления воздуха в шинах; 51 — предохранитель; 52 — реле указателей поворота; 53 — контактное устройство электрического сигнала; 54 — кнопка сигнала; 55 — переключатель указателей поворота; 56 — розетка переносной лампы; 57 — переключатель света фар; 58 — переключатель зажигания; 59 — предохранитель;
60 — предохранитель; 61 — аккумуляторная батарея; 62 — выключатель аккумуляторной батареи; 63 — электромагнит клапана системы включения переднего моста; 64 и 68 — датчики указателей уровня топлива; 65 — выключатель клапана переднего моста; 66 — выключатель контрольной лампы включения переднего моста; 67 — розетка прицепа; 69 — розетка переносной лампы; 70 — задний фонарь; 71 — фонарь освещения номерного знака; 72 — выключатель сигнала водителю.
Коробка переключения передач (КПП) ЗИЛ-130
Коробка переключения передач (КПП) ЗИЛ-130 — механическая, имеет пять передач для движения вперед и одну для движения назад. Пятая передача прямая. Коробка передач снабжена двумя синхронизаторами инерционного типа для включения второй и третьей, четвертой и пятой передач. Фиксаторы и кольца синхронизатора изменены. Фиксаторы состоят из двух симметричных полуцилиндров, между которыми помещены по две цилиндрических пружины, прижимающие полуцилиндры фиксаторов к внутренней поверхности отверстия.
Синхронизаторы в сборе старой и новой конструкции взаимозаменяемы.
Рис. Коробка передач ЗИЛ-130: 1 — первичный вал; 2, 22, 31, 46 и 54 — подшипники; 3, 29, 32 и 48 — стопорные кольца; 4 — крышка заднего подшипника первичного вала; 5 — синхронизатор четвертой и пятой передачи: 6 — втулка шестерни четвертой передачи; 7, 41 — шестерни четвертой передачи; 8 и 39 — шестерни третьей передачи; 9 — вилка переключения четвертой и пятой передач; 10 — вилка переключения второй и третьей передач; 11 — крышка коробки передач, 12 — установочная втулка; 13 — шарик фиксатора; 14 — пружина фиксатора; 15 — штифт замка стержней переключения передач; 16 — шарик замка, 17 — синхронизатор второй и третьей передач; 18 и 35 — шестерня второй передачи; 19 — вилка переключения первой передачи и заднего хода, 20 — шестерня первой передачи и заднего хода; 21 — сапун; 23 — кронштейн стояночного тормоза; 24 — червяк привода спидометра; 25 — барабан стояночного тормоза; 26 фланец с отражателем; 27 — гайка фланца вторичного вала; 28 — сальник; 30 — гайка промежуточного вала; 33 — картер коробки передач; 34 — вторичный вал; 36, 40 и 42 — опорные шайбы; 37 и 43 — замочные кольца; 38 — шестерня заднего хода промежуточного вала; 44 — промежуточный вал; 45 — шестерня привода промежуточного вала; 47 — заглушка; 49 — резиновое кольцо; 50 — блокирующим палец; 51 — роликоподшипник; 52 — гайка первичного вала; 53 — установочная втулка; 55 — распорная втулка; 56 — ось блока шестерен заднего хода; 57 — блок шестерен заднего хода; 58 — крышка люка коробки отбора мощности; 59 — пробка контрольно-наливного отверстия; 60 — шестерня привода спидометра; 61 — сливная пробка с магнитом; 62 — предохранитель включения первой передачи и заднего хода; 63 — ось промежуточного рычага; 64 — крышка коробки передач; 65 — фиксатор рычага переключения передач; 66 — опора рычага; 67 — пружина; 68 — рычаг переключения передач; 69 — промежуточный рычаг; 70 — упор; 71 — стержень переключения первой передачи и заднего хода; 72 — стержень переключения четвертой и пятой передач, 73 — стержень переключения второй и третьей передач; 74 — штуцер гибкого вала спидометра; 75 — передний подшипник первичного вала. Примечание — с декабря 1972 г. маслосгонная канавка первичного вала 1 заменена сальником.
Коробка передач автомобиля прикреплена к картеру сцепления на четырех шпильках, ввернутых в тело картера сцепления. Центрирование коробки осуществляется по фланцу крышки 4 заднего подшипника первичного вала.
В правой стенке картера имеется резьбовая пробка 59 контрольно-наливного отверстия, через которое коробку передач заправляют маслом при отсутствии коробки отбора мощности. В левой стенке картера, внизу, имеется спускное отверстие, закрываемое резьбовой пробкой 61, которая снабжена магнитом, притягивающим мелкие частицы металла из масла. В картере с обеих сторон сделаны два люка с фланцами для крепления коробки отбора мощности. От коробки передач допускается отбор мощности до 30 л.с.
Привод спидометра состоит из пятизаходного червяка 24 и шестерни 60, имеющей 17 зубьев (передаточное число червячной пары привода спидометра 3, 4).















