Схема электропроводки на зил 5301
Содержание
- 1 Unisteer Wiring — Infinitybox
- 2 Схема электропроводки зил 5301 цветная — Bitbucket
- 3 Настройка и контроль
- 4 Подготовка к установке электропроводки ЗиЛ Бычок
- 5 Установка и подключение электропроводки
- 6 Kubota L345 Сцепление, рулевое управление, гидроусилитель руля, техническое обслуживание, проверки, электрическая схема Руководство по обслуживанию
- 7 Рекомендации по эксплуатации
Unisteer Wiring — Infinitybox
6 апреля 2021 г. //in Wiring /by admin
Unisteer продает простые в установке системы рулевого управления с электроусилителем с 2004 года. , кастом-кары, маслкары и ресто-моды. У них есть инновационная линейка комплектов рулевого управления с электроусилителем, которые отличаются высокой мощностью и простотой установки в любой легковой или грузовой автомобиль. Этот пост в блоге покажет вам, как просто подключить их электроусилитель руля Electra-Steer к нашей системе Infinitybox.
Прежде чем мы зайдем слишком далеко, важно, чтобы вы всегда читали и понимали инструкции, прилагаемые ко всему, что вы собираетесь установить в свой автомобиль. Вы можете перейти к документам и инструкциям Unisteer, нажав на эту ссылку
У них есть подробные инструкции, показывающие, как механически установить их комплекты гидроусилителя руля и как их подключить.
Проводка состоит из двух основных частей.
В их жгуте есть еще несколько проводов, которые используются для устранения неполадок и диагностики. Пожалуйста, следуйте их инструкциям для получения более подробной информации об этих проводах.
На этой схеме показаны соединения между Infinitybox POWERCELL и контроллером Unisteer Electra-Steer.
Изображение схемы подключения Infinitybox, показывающей, как подключить Unisteer Electra-Steer с комплектом из 20 цепей.
Наша система Infinitybox будет подавать питание на контроллер Electra-Steer. Это то, что включает их контроллер, когда вы включаете зажигание. Небольшой красный провод в их жгуте должен подключаться к источнику питания при включении зажигания. В нашей системе Infinitybox это выход зажигания. В большинстве наших систем это светло-зеленый провод на передней панели POWERCELL, но конкретные сведения о проводке см. в листе конфигурации.
Ваш выход зажигания будет использоваться для нескольких разных целей в вашем автомобиле. Вы собираетесь использовать его для питания системы зажигания или EFI, датчиков и других аксессуаров, таких как Unisteer. Вы можете создать шину зажигания за приборной панелью, чтобы сделать эту точку соединения, или вы можете использовать наш комплект Splice Saver, чтобы сделать чистое, герметичное и надежное соединение.
Подключение питания при включении зажигания с помощью комплекта Infinitybox Splice Saver Kit
Последнее подключение требуется для светодиодного индикатора. Это используется как часть диагностики, встроенной в Electra-Steer. Светодиод идет между питанием зажигания, подаваемым на маленький красный провод, и оранжевым проводом в их жгуте. Ориентация этого светодиода важна. Если он задом наперед, он не будет работать правильно. См. ориентацию на схеме подключения выше.
Также обратите внимание, что вам потребуется добавить резистор для ограничения тока, протекающего через светодиод. Например, ток большинства светодиодов должен быть ограничен от 10 до 20 миллиампер
Сила тока, превышающая этот предел, повредит светодиод. Предполагая, что ваш генератор заряжается до 15 вольт, значение этого резистора находится в диапазоне 1500 Ом. (Чтобы получить необходимое сопротивление, разделите максимальное напряжение на максимальный ток.
Помимо этого, подключение к Unisteer Spectra-Steer упрощается благодаря системе Infinitybox. Вы можете скачать PDF-файл этой схемы подключения, нажав на эту ссылку.
Если у вас есть какие-либо вопросы о подключении вашего Unisteer к системе Infinitybox или о чем-то еще, вы можете связаться с нашей командой напрямую, нажав на эту ссылку.
Метки: контроллер, гидроусилитель руля, unisteer
Поделиться этой записью
https://www.infinitybox.com/wp-content/uploads/2021/04/Uni-Steer.png 469626
администратор
https://www.infinitybox.com/wp-content/uploads/2021/02/infinitybox-logo-https-1-1.png
admin2021-04-06 10:40:332021-04-06 10:41:03Unisteer Wiring
0 ответов
Хотите присоединиться к обсуждению? Не стесняйтесь вносить свой вклад!
Схема электропроводки зил 5301 цветная — Bitbucket
Created by crezatinras19762017-08-11
snippet.markdown
———————————————————>>> СКАЧАТЬ ФАЙЛ <<<———————————————————Проверено, вирусов нет!———————————————————
.
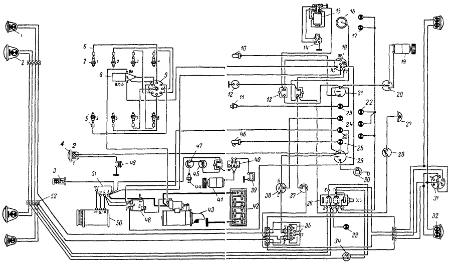
ЗИЛ 5301.(БЫЧОК) электрическая схема. МАЗ-541: гигантский седан из СССР. Прицепы и полуприцепы Маз.MB ACTROS электрическая схема силовой цепи электропитания,цепи зажигания. электрическая схема SHAANXI SX3255DR с кабиной F3000. SCANIA EMS коды ошибок. VOLVO (Вольво) FH 12\FH 16 LHD сервисный мануал по ремонту и электросхемы.полная цветная электросхема и описание ЗИЛ 5301.(БЫЧОК). 1. 2. Схема электрооборудования автомобиля ЗИЛ — 5301. Часть 1. Часть 2. 1 — передние указатели поворота левый 4619.3726 и правый 4609.3726; 5 — электрический звуковой сигнал 20.3721-01 или С3-3В; 9 — датчик сигнализатора перегрева охлаждающей жидкости ТМ111. Схема электропроводки ЗИЛ 5301: особенности проводки кабины и панели приборов.

[]
Настройка и контроль
Настройка и контроль реле зарядки ЗИЛ Бычок осуществляются с помощью специальных элементов и проводов. При правильной настройке можно достичь оптимального функционирования реле и продлить его срок службы.
Для настройки и контроля реле зарядки ЗИЛ Бычок рекомендуется выполнить следующие действия:
- Отключите питание реле зарядки и убедитесь в его отсутствии.
- С помощью специального провода подключите реле зарядки к источнику питания и аккумулятору.
- Включите питание реле зарядки и убедитесь, что оно стабильное.
- Проверьте напряжение на клеммах реле зарядки. Оно должно соответствовать требуемым характеристикам (указаны в технической документации).
- При необходимости выполните настройку напряжения с помощью специальных элементов реле зарядки. Инструкцию по настройке можно найти в технической документации.
- Проверьте работу реле зарядки при подключении аккумулятора. Убедитесь, что заряд происходит корректно и не возникают неполадки.
- Осуществите контроль функционирования реле зарядки в течении определенного времени. Зафиксируйте все наблюдения и результаты контроля.
При настройке и контроле реле зарядки ЗИЛ Бычок необходимо соблюдать правила техники безопасности и быть внимательным. При обнаружении неполадок или несоответствий характеристикам рекомендуется проконсультироваться с производителем или специалистом.
Важно помнить, что некорректная настройка и контроль реле зарядки ЗИЛ может привести к снижению его эффективности и повреждению оборудования
Подготовка к установке электропроводки ЗиЛ Бычок
Установка электропроводки в автомобиле ЗиЛ Бычок — это одна из наиболее ответственных и сложных процедур
при его ремонте или модернизации. Для успешной установки электропроводки необходимо проделать ряд подготовительных
работ. В данном разделе мы рассмотрим основные этапы подготовки к установке схемы электропроводки ЗиЛ Бычок.
Шаг 1: Изучение схемы электропроводки
Перед началом работы необходимо ознакомиться с документацией и схемой электропроводки автомобиля ЗиЛ Бычок.
На данной схеме представлены все электрические соединения и компоненты автомобиля. Изучение схемы позволит
вам понять принцип работы электрической системы Бычка и определить порядок действий при установке новой
электропроводки.
Шаг 2: Проверка состояния проводов и элементов
Перед установкой новой электропроводки рекомендуется проверить состояние всех проводов и элементов
электрической системы ЗиЛ Бычок
Обратите внимание на целостность проводов, наличие окисления и коррозии,. повреждения изоляции
Также проверьте состояние реле, предохранителей, выключателей и других элементов
повреждения изоляции. Также проверьте состояние реле, предохранителей, выключателей и других элементов.
Шаг 3: Подготовка инструментов и материалов
Для установки новой электропроводки вам понадобятся следующие инструменты:
- плоскогубцы;
- отвертки разного размера;
- скобы и провода для соединения;
- изолента;
- флюс;
- паяльная лампа;
- клещи для обжима;
- ножницы;
- сверло;
- набор ключей.
На этом этапе также следует запастись всеми необходимыми материалами, такими как провода, контакты,
изоляция и другие детали. Убедитесь, что все материалы соответствуют требованиям исходной схемы электропроводки.
Шаг 4: Прокладка проводов
Перед прокладкой новых проводов необходимо определить маршрут их укладки в автомобиле ЗиЛ Бычок. Учтите особенности
конструкции Бычка и расположение других систем и компонентов, чтобы провода не мешали работе других устройств
и не подвергались нагреву или повреждению.
Укладывайте провода аккуратно, обеспечивая надежное крепление и изоляцию. При необходимости используйте крепежные
скобы и кабель-каналы. Избегайте острых изгибов и перекручивания проводов, так как это может привести к их повреждению.
Шаг 5: Подключение проводов
После прокладки проводов переходите к их подключению. Соблюдайте полное соответствие схеме электропроводки и
производите подключение в правильной последовательности. При необходимости используйте электрические соединители,
клеммники или пайку для надежной фиксации проводов.
Шаг 6: Проверка работы системы
После установки новой электропроводки проведите тестирование работы системы. Убедитесь, что все электрические
устройства автомобиля функционируют корректно. Проверьте работу фар, сигналов, освещения салона, стеклоочистителей,
стеклоподъемников и других систем.
В случае обнаружения проблем или неисправностей, вернитесь к схеме электропроводки и проведите дополнительные
проверки проводов и соединений. При необходимости внесите корректировки и исправления в установленную электропроводку.
Следуя данной подробной инструкции и изучая схему электропроводки ЗиЛ Бычок, вы сможете успешно подготовиться
к установке новой электропроводки и обеспечить безопасную и надежную работу электрической системы автомобиля.
Установка и подключение электропроводки
Установка и подключение электропроводки в автомобиле ЗиЛ Бычок требует точности и внимательности. В данной секции мы рассмотрим основные этапы монтажа и подключения электропроводки, а также предоставим полезные рекомендации.
1. Подготовка
Перед началом установки необходимо провести подготовительные работы:
- Отключите аккумулятор автомобиля;
- При необходимости снимите детали интерьера для облегчения работы;
- Ознакомьтесь с инструкцией и схемой электропроводки;
- Подготовьте инструменты и необходимые материалы, такие как провода, разъемы, клеммы, изоляционная лента и т.д.
2. Монтаж проводов
Следующим этапом является монтаж проводов:
- Прокладывайте провода вдоль кузова, используя специальные фиксаторы для фиксации;
- Оставляйте достаточное количество провода с запасом для подключения на следующем этапе;
- Устанавливайте провода в соответствии с схемой электропроводки, следуя указаниям производителя.
3. Подключение проводов
На этом этапе необходимо правильно подключить провода к соответствующим контактам и устройствам:
- Установите разъемы или клеммы на концах проводов для обеспечения надежного соединения;
- Подключите провода к соответствующим контактам и устройствам, следуя схеме электропроводки;
- Закрепите соединения с помощью клемм или других средств фиксации;
- Обеспечьте надежную изоляцию проводов с помощью изоляционной ленты или термоусадочных трубок.
4. Проверка и отладка
- Проверьте работу каждого подключенного устройства и функциональность системы;
- Убедитесь в отсутствии перегрева проводов и соединений, а также в их надежности;
- В случае выявления каких-либо проблем, проверьте правильность подключения и проведите необходимые корректировки.
5. Завершение работ
По завершении монтажа и подключения электропроводки, не забудьте выполнить следующие действия:
- Проверьте фиксацию проводов и разъемов, убедитесь в отсутствии свободного люфта;
- Уберите лишние провода и организуйте их красиво и аккуратно внутри автомобиля;
- Включите аккумулятор автомобиля и проверьте работу всех подключенных устройств;
- При необходимости внесите последние корректировки и устраните все обнаруженные проблемы.
Обращаем внимание, что установка и подключение электропроводки требует определенных навыков и знаний, поэтому при отсутствии опыта рекомендуется обратиться к профессионалам или в автосервис
Kubota L345 Сцепление, рулевое управление, гидроусилитель руля, техническое обслуживание, проверки, электрическая схема Руководство по обслуживанию
|
Дом
$82,45 Количество: * Только полный номер ПРЕДУПРЕЖДЕНИЕ: Рак и репродуктивный вред — www.P65Warnings.ca.gov Быстрая доставка Имея склады в США, мы доставляем быстро и эффективно. Экспертная консультация Экспертная техническая консультация до и после покупки. Высококачественные детали Наши детали соответствуют спецификациям OEM и превосходят их.
Подробная информация:
|
Рекомендации по эксплуатации
При использовании реле зарядки на автомобиле ЗИЛ Бычок рекомендуется следовать данным рекомендациям:
Периодическая проверка: Регулярно проверяйте состояние реле зарядки, основываясь на рекомендациях производителя и требованиях технической документации. Проверяйте наличие повреждений, стабильность работы и внешние признаки износа.
Обслуживание: В случае обнаружения неисправностей или неполадок при работе реле зарядки, обратитесь к специалистам для проведения диагностики и ремонта. Следуйте рекомендациям по обслуживанию, указанным в технической документации.
Замена: При необходимости замены реле зарядки, установите оригинальное или совместимое устройство, следуя рекомендациям производителя автомобиля или специалиста по обслуживанию.
Осмотр: Периодически осматривайте провода и соединения, связанные с реле зарядки, на предмет повреждений или ослабления соединений. При обнаружении проблем, свяжитесь со специалистом для устранения неполадок.
Использование реле зарядки: Следуйте инструкциям по монтажу и подключению реле зарядки, указанным в технической документации
При работе с устройством соблюдайте меры предосторожности и стандартные правила безопасности.
Приготовность к экстремальным условиям: При использовании автомобиля в экстремальных условиях, таких как повышенная влажность, пыль, высокие температуры, следуйте рекомендациям по обслуживанию и обеспечьте надежное исполнение соединений и защиту от воздействия внешней среды.
Внимательное следование этим рекомендациям поможет обеспечить надежную и безопасную работу реле зарядки на автомобиле ЗИЛ Бычок и продлит его срок службы.












