Электрическая схема нива шевроле
Содержание
- 1 Профилактика
- 2 Схема электрооборудования Шевроле Нива и ее описание
- 3 Распиновка разъемов Нива Шевроле, отвечающих за переднюю часть проводки
- 4 Немного про электрооборудование ВАЗ-2123
- 5 Составляющие электропроводки
- 6 Соединение АКБ и стартера
- 7 Меры профилактики
- 8 Электросхема NIVA ответственная за питание оборудования, встроенного в задние двери
- 9 Соединение АКБ и стартера
- 10 Составляющие электропроводки
- 11 Распиновка контактов монтажного блока предохранителей Нива Шевроле
- 12 Схема ВАЗ-2123 после 2009 года
- 13 Как проверить модуль
- 14 Распиновка контактов монтажного блока предохранителей Нива Шевроле
- 15 Электросхема соединений монтажного блока ВАЗ 2123 Chevrolet Niva (инжектор)
- 16 Принципиальная электрическая схема электрооборудования с описанием
- 17 Что делать в случае поломки
- 18 Установка электропроводки: основные этапы
- 19 Система электрических жгутов
- 20 Схема системы зажигания Шевроле Нива.
- 21 Распиновка разъемов Нива Шевроле, отвечающих за переднюю часть проводки
- 22 Распиновка щитка приборов
- 23 Электросхема панели приборов ВАЗ 2123 Chevrolet Niva (инжектор)
- 24 Электросхема заднего жгута ВАЗ 2123 Chevrolet Niva (инжектор)
- 25 Профилактика
Профилактика
Для предупреждения поломок, производитель рекомендует придерживаться нескольких советов.
- Один раз в год обрабатывать все клеммы и разъемы специальным маслом – это предупредит образование окислов.
- Периодически проверять плотность креплений контактных разъемов. При расшатывании соединений возможно образование коротких замыканий или снижения проводимости цепи, что будет воспринято ЭБУ как отказ механизма.
- Проверять степень изношенности силовых кабелей и магистралей. При активной эксплуатации автомобиля, оплетки, изготовленные из гибкого полимера, могут износиться и растрескаться. Это обстоятельство может спровоцировать короткие замыкания и механическое осыпание изоляторов. Следовательно, лучше предупредить поломку, чем ее устранять.
Если придерживаться перечисленных правил автомобиль будет служить долго и качественно все время.
Схема электрооборудования Шевроле Нива и ее описание
Чаще всего о том, что существует электросхема владельцы авто вспоминают, когда пытаются починить или заменить конкретное устройство. На схеме показано точное расположение элементов относительно друг друга и их взаимосвязь в агрегате, потому единственным неизвестным остается их предназначение.
Нет, индивидуальная принципиальная схема электрооборудования есть не только у Шевроле Нива. Данный «чертеж» есть у любого другого авто, у которого есть хоть одно устройство в системе, работающее с помощью электричества, а это значит у всех.
Что же собой представляет данная схема
Немного про электрооборудование ВАЗ-2123
Сложная, на первый взгляд, но простая для понимающего человека карта, которая помогает найти неисправность. Для начала нужно определить узел, в котором возникла поломка, а потом уже по спасительной схеме отыскать все связанные с ним элементы и их расположение.
Электрооборудование Шевроле Нивы выполнено по однопроводной схеме: отрицательные выводы из источников и потребляющих механизмов соединены с кузовом и самим агрегатом, выполняющим роль второго провода. Номинальное напряжение постоянного тока в 12 В – бортовая сеть. Во время «сна» движка вся электроника работает за счет аккумуляторной батареи, а после запуска поток переключается на генератор переменного тока, в котором встроены регулятор и выпрямитель напряжения.
Большая часть электроцепей, в целях безопасности, защищена предохранителями. Исключениями являются цепи:
- заряда аккумулятора;
- пуска движка;
- генератора.
Автоматическими биметаллическими предохранителями дополнительно защищены:
- электродвигатели;
- мотор редукторов очистителей ветрового стекла, а также стекла задней двери.
Энергия больше всего потребляется:
- фарами;
- кондиционером;
- электробензонасосом;
- электродвигателями некоторых устройств и т. п.
Большинство «защитников» расположены скомпоновано. Монтажный блок предохранителей находится в салоне, под панелью приборов, с левой стороны от рулевой колонки. В таблице, прилагающейся к схеме, указаны номинальный ток предохранителей и цепи, которые они защищают от перегруза. Блок предохранителей системы управления силовым агрегатом и реле прикреплен к кронштейну контроллера.
Электрическая карта Шевроле Нивы
Каждый элемент на схеме кроссовера ВАЗ-2123 пронумерован, для удобства (рис. 1).
Существуют и более развернутые карты с подробными описаниями каждого устройства, а не только ключевых узлов. Масса электросхем и оборудования, в котором легко запутаться, если вы сталкиваетесь с подобным впервые. В таком случае лучше все же обратиться к знающему человеку за консультацией.
Отдельно раскрыта схема соединительной электрической системы управления силовым агрегатом (рис. 2).
Схема монтажного блока (рис. 3).
Если вам незнакомы некоторые термины и названия, перед тем как начать техническое исследование, изучите строение, функционал и прочие нюансы, касающиеся необходимого вам элемента, иначе непоправимого не избежать.
Распиновка разъемов Нива Шевроле, отвечающих за переднюю часть проводки
- 1/6 – блок передней правой/левой фары;
- 2 – узел сочленения стартера машины;
- 3 – подача напряжения для тягового стартера;
- 4 – клеммы подводки аккумуляторной батареи;
- 5 – генераторный модуль запитки электроцепи;
- 7/15 – узлы совмещения противотуманных фар головной оптики;
- 8 – контактная группа привода электродвигателя омывателя переднего ветрового стекла;
- 9 – ввод температурного сенсора, измеряющего показатели за бортом транспорта;
- 10 – контактный штепсель лампы освещения подкапотного пространства;
- 12 – штатный датчик измерения остатка уровня тормозной жидкости;
- 13 – штепсель штатного электродвигателя привода очистителя ветрового стекла;
- 14 – обозначение стандартного клаксона;
- 16/17 – вводы штепселей к приборной доске.
Немного про электрооборудование ВАЗ-2123
Сложная, на первый взгляд, но простая для понимающего человека карта, которая помогает найти неисправность. Для начала нужно определить узел, в котором возникла поломка, а потом уже по спасительной схеме отыскать все связанные с ним элементы и их расположение.
Электрооборудование Шевроле Нивы выполнено по однопроводной схеме: отрицательные выводы из источников и потребляющих механизмов соединены с кузовом и самим агрегатом, выполняющим роль второго провода. Номинальное напряжение постоянного тока в 12 В – бортовая сеть. Во время «сна» движка вся электроника работает за счет аккумуляторной батареи, а после запуска поток переключается на генератор переменного тока, в котором встроены регулятор и выпрямитель напряжения.
Большая часть электроцепей, в целях безопасности, защищена предохранителями. Исключениями являются цепи:
- заряда аккумулятора;
- пуска движка;
- генератора.
Автоматическими биметаллическими предохранителями дополнительно защищены:
- электродвигатели;
- мотор редукторов очистителей ветрового стекла, а также стекла задней двери.
Энергия больше всего потребляется:
- фарами;
- кондиционером;
- электробензонасосом;
- электродвигателями некоторых устройств и т. п.
Большинство «защитников» расположены скомпоновано. Монтажный блок предохранителей находится в салоне, под панелью приборов, с левой стороны от рулевой колонки. В таблице, прилагающейся к схеме, указаны номинальный ток предохранителей и цепи, которые они защищают от перегруза. Блок предохранителей системы управления силовым агрегатом и реле прикреплен к кронштейну контроллера.
Составляющие электропроводки
Стандартная схема проводки Нива Шевроле разбита на несколько участков для лучшей ремонтопригодности и простоты обслуживания.
- Передняя часть – комплект кабелей соединяет все оборудование, расположенное в подкапотном пространстве авто.
- Салонная часть – узел дополнительно разбит на независимые зоны, что позволяет запитывать разные группы оборудования без риска повредить или перегрузить основные элементы.
- Отсек приборной панели – пучок кабелей объединяет магистрали от всех датчиков, сенсоров и индикаторов.
- Кормовой узел – пучок отвечает за напряжение и контроль оборудованием, расположенным в кормовой стороне автомобиля.
Соединение АКБ и стартера
В каждом автомобиля существует своя схема установки стартера. Может быть несколько вариантов доступа:
- справа;
- слева;
- со стороны радиатора;
- со стороны салона.
Для подключения используется всего один разъем, к которому добавляют специальную клемму. Стартер начинает работать каждый раз, как только владелец поворачивает ключ.
Лучше всего пользоваться мультиметром, чтобы обнаружить поломки в одной из таких частей автомобиля. Но определить неисправности легко и с помощью других несложных манипуляций.
В большинстве случаев ремонт стартера возможен, даже если из строя вышла такая важная часть, как обмотки. Электрооборудование авто в большинстве сулчаев подлежит полному восстановлению.
Меры профилактики
Вариантов профилактики у автовладельцев на самом деле не так много:
- В первую очередь, всегда используйте более качественное оборудование и устройства. Будь то обычные лампочки или аккумулятор с генератором. Чем ниже качество оборудования, тем меньшим будет его ресурс эксплуатации и тем больше проблем оно принесет автовладельцу. Собранные из некачественных элементов генераторные узлы чаще выходят из строя, то же самое касается и других устройств.
- При обнаружении проблем вовремя решайте их. Если, к примеру, вы заметили, что на приборной панели горит световой индикатор, необходимо как можно быстрее определить причину и избавиться от нее, а не эксплуатировать машину дальше. То же самое касается замыканий или скачков напряжения в системе.
- Используйте только качественные предохранители.
- Помните о том, что все компоненты электросхемы должны быть тщательно загерметизированы — на них не должна воздействовать окружающая среда и другие внешние факторы.
- Чтобы АКБ служил дольше, нужно делать ему ТО хотя бы 2 раза в год.
Электросхема NIVA ответственная за питание оборудования, встроенного в задние двери
Здесь все оборудование также находится зеркально. Элементы и проводки полностью дублируют противоположную строну:
- 1/2 – выходы для кормового жгута кабелей;
- 3/6 – клеммная колодка запитки мотора редуктора блокировки дверей;
- 4/5 – концевые выключатели положения дверей.
- 1 – устройство основного освещения;
- 3 – регулятор переключения света фар головной оптики;
- 4 – часть выключения зажигания;
- 5 – выключатели головного освещения;
- 6 – обозначение в комбинации приборов участка ответственного за включение дальнего света;
- К4/5 – защитные реле включения дальнего и ближнего режима головной оптики;
- А – клеммные выводы, идущие к источнику питания цепи.
Соединение АКБ и стартера
В каждом автомобиля существует своя схема установки стартера. Может быть несколько вариантов доступа:
- справа;
- слева;
- со стороны радиатора;
- со стороны салона.
Часто приходится использовать подъемник или смотровую яму, чтобы добраться до этого компонента. Механизм нужен для обеспечения зацепления между шестерней и маховиком. Поэтому в области крепления кожуха сцепления устройство расположено чаще всего. Электронный вариант не исключение.
Для подключения используется всего один разъем, к которому добавляют специальную клемму. Стартер начинает работать каждый раз, как только владелец поворачивает ключ.
Лучше всего пользоваться мультиметром, чтобы обнаружить поломки в одной из таких частей автомобиля. Но определить неисправности легко и с помощью других несложных манипуляций.
В большинстве случаев ремонт стартера возможен, даже если из строя вышла такая важная часть, как обмотки. Электрооборудование авто в большинстве сулчаев подлежит полному восстановлению.
Составляющие электропроводки
Стандартная схема проводки Нива Шевроле разбита на несколько участков для лучшей ремонтопригодности и простоты обслуживания.
- Передняя часть – комплект кабелей соединяет все оборудование, расположенное в подкапотном пространстве авто.
- Салонная часть – узел дополнительно разбит на независимые зоны, что позволяет запитывать разные группы оборудования без риска повредить или перегрузить основные элементы.
- Отсек приборной панели – пучок кабелей объединяет магистрали от всех датчиков, сенсоров и индикаторов.
- Кормовой узел – пучок отвечает за напряжение и контроль оборудованием, расположенным в кормовой стороне автомобиля.
Распиновка контактов монтажного блока предохранителей Нива Шевроле
Авто поставляется на рынок с несколькими разновидностями монтажных блоков. Точная разновидность устройства зависит от комплектации транспорта и его года выпуска. Дальнейшее описание приведено на примере Bosch M,1,5,4:
- 1 – система зажигания цилиндров;
- 2 – пустой;
- 3 – контакт присоединения топливного насоса;
- 4 – шаговый двигатель;
- 5 – свободен;
- 6 – присоединение главного предохранителя охлаждения силовой установки;
- 7 – входящий импульс от МРВ;
- 8 – пуст;
- 9 – штатный спидометр;
- 10 – не занят;
- 11 – датчик детонации;
- 12 – подача напряжения для сенсоров;
- 13 – L-line ;
- 14 – масса на кузов от форсунок;
- 15 – управление приводами форсунок для 1-4 цилиндра;
- 16/17 – не используются;
- 18 – питание устройств от 12 вольт;
- 19 – общий кабель массы электроприборов;
- 20 – подача зажигания на 2 и 3 цилиндры;
- 21 – клемма шагового мотора;
- 22 – лампа проверки двигателя;
- 23 – пуст;
- 24 – масса шагового мотора;
- 25 – выход реле системы кондиционирования воздуха;
- 26/29 – шаговая силовая установка;
- 27 – напряжение на клемму №15 замка зажигания;
- 28 – пуст;
- 30 – масса сенсоров управления мотором;
- 31/32 – не применяются;
- 33 – контроль настроек драйверов форсунок цилиндров №2/3;
- 34-36 – пусты;
- 37 – устройство запитки главного реле;
- 38-40 – не задействованы;
- 41 – подача запроса модуля кондиционирования воздуха внутри салона;
- 42 – пустой;
- 43 – контрольный сигнал тахометра;
- 44 – подача сигнала от потенциометра;
- 45 – ДТОЖ;
- 46 – контроль главного реле;
- 47 – устройство подтверждения допуска к программированию ЭБУ;
- 48 – низкий уровень импульса от ДПКВ;
- 49 – противоположное значение;
- 50-52 – пустые;
- 53 – получение импульса от ДПДЗ;
- 54 – детальрасхода топлива;
- 55 – K-line .
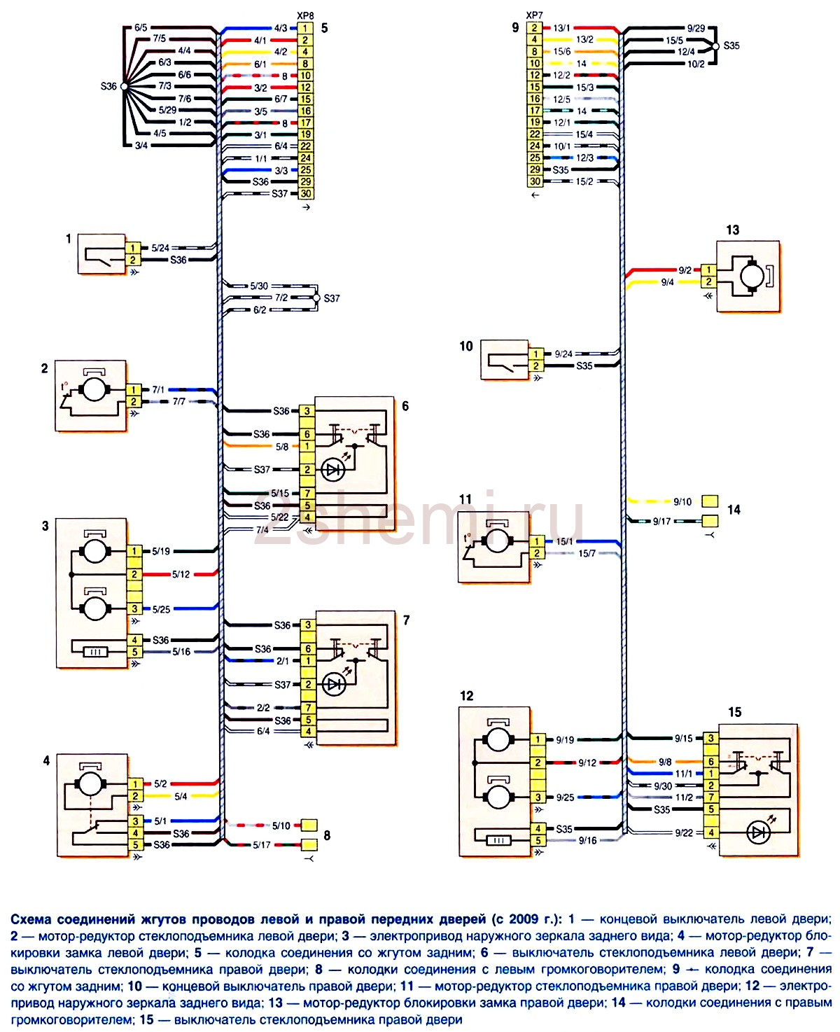
Схема ВАЗ-2123 после 2009 года
Схема соединений переднего жгута проводов на Chevrolet Niva ВАЗ-2123 выпуска с 2009 года

Схема соединений жгутов проводов левой и правой передних дверей на Chevrolet Niva ВАЗ-2123 выпуска с 2009 года

Схемы соединений жгута проводов системы управления двигателем на Chevrolet Niva ВАЗ-2123 выпуска с 2009 года
Схема соединений жгута проводов панели приборов на ВАЗ-2123 с 2009 года выпуска
Схема соединений заднего жгута проводов на Chevrolet Niva ВАЗ-2123 с 2009 года выпуска
Схема соединений жгутов проводов левой и правой задних дверей ВАЗ-2123 с 2009 года выпуска
Схема соединений дополнительного жгута проводов двери багажного отделения Chevrolet Niva с 2009 года
Схема соединений жгута проводов обогрева сидений Chevrolet Niva с 2009 г.
Как проверить модуль
Качественная и полная проверка катушки выполняется мультиметром. Обычно процедура выглядит так.
- Перед снятием устройства следует проверить все контакты на наличие окислений и повреждений. В отдельных случаях подобная манипуляция предотвращает ненужный ремонт.
- Последующая проверка выполняется только на снятом устройстве. От модуля отключаются все провода и коробка снимается.
- Далее потребуется прозвонить силовые выводы мультиметром. Прибор переводится в режим до 20 вольт. Минусовая клемма прозвонки подсоединяется к массе. Плюсовой полюс прислоняется к выводу D. Если элемент работает, показания прибора будут 12 Вольт.
- Далее перевести прибор на сопротивление и подключить к выводу С. Показатель прибора не должен превышать 1 Ом.
- На выводах А и В напряжение не должно превышать 0,3 Вольта.
На моделях Шнивы 2004 года, где используется 8 клапанов и классическое зажигание, схема тестирования будет отличаться.
Распиновка контактов монтажного блока предохранителей Нива Шевроле
Авто поставляется на рынок с несколькими разновидностями монтажных блоков. Точная разновидность устройства зависит от комплектации транспорта и его года выпуска. Дальнейшее описание приведено на примере Bosch M,1,5,4:
- 1 – система зажигания цилиндров;
- 2 – пустой;
- 3 – контакт присоединения топливного насоса;
- 4 – шаговый двигатель;
- 5 – свободен;
- 6 – присоединение главного предохранителя охлаждения силовой установки;
- 7 – входящий импульс от МРВ;
- 8 – пуст;
- 9 – штатный спидометр;
- 10 – не занят;
- 11 – датчик детонации;
- 12 – подача напряжения для сенсоров;
- 13 – L-line;
- 14 – масса на кузов от форсунок;
- 15 – управление приводами форсунок для 1-4 цилиндра;
- 16/17 – не используются;
- 18 – питание устройств от 12 вольт;
- 19 – общий кабель массы электроприборов;
- 20 – подача зажигания на 2 и 3 цилиндры;
- 21 – клемма шагового мотора;
- 22 – лампа проверки двигателя;
- 23 – пуст;
- 24 – масса шагового мотора;
- 25 – выход реле системы кондиционирования воздуха;
- 26/29 – шаговая силовая установка;
- 27 – напряжение на клемму №15 замка зажигания;
- 28 – пуст;
- 30 – масса сенсоров управления мотором;
- 31/32 – не применяются;
- 33 – контроль настроек драйверов форсунок цилиндров №2/3;
- 34-36 – пусты;
- 37 – устройство запитки главного реле;
- 38-40 – не задействованы;
- 41 – подача запроса модуля кондиционирования воздуха внутри салона;
- 42 – пустой;
- 43 – контрольный сигнал тахометра;
- 44 – подача сигнала от потенциометра;
- 45 – ДТОЖ;
- 46 – контроль главного реле;
- 47 – устройство подтверждения допуска к программированию ЭБУ;
- 48 – низкий уровень импульса от ДПКВ;
- 49 – противоположное значение;
- 50-52 – пустые;
- 53 – получение импульса от ДПДЗ;
- 54 – детальрасхода топлива;
- 55 – K-line.
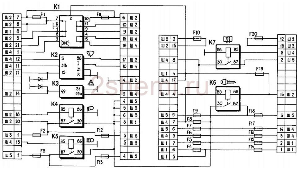
Электросхема соединений монтажного блока ВАЗ 2123 Chevrolet Niva (инжектор)
Электросхема соединений монтажного блока ВАЗ 2123 Chevrolet Niva (инжектор)
Наружная цифра в обозначении наконечника провода – номер колодки, а внутренняя цифра – условный номер штекера. На схеме К1 – реле контроля исправности ламп (внутри показаны контактные перемычки, которые устанавливаются вместо реле); К2 – реле очистителя ветрового стекла; К3 – реле-прерыватель указателей поворота и аварийной сигнализации; К4 – реле включения ближнего света фар; К5 – реле включения дальнего света фар; К6 – дополнительное реле; К7 – реле включения обогрева заднего стекла; F1–F20 – плавкие предохранители ВАЗ-2123.
Принципиальная электрическая схема электрооборудования с описанием
В соответствии с техническим руководством по обслуживанию и эксплуатации, обозначение компонентов и жгутов в электросхеме Niva Chevrolet следующее:
- 1 — передняя правая фара головного освещения;
- 2 — звуковой гудок, установленный на рулевом колесе;
- 3 — источник света для освещения подкапотного пространства автомобиля модели 2123;
- 4 — переключатель для активации и отключения лампочки моторного отсека;
- 5 — стартерный узел автомобиля, необходим для подачи разряда на свечи зажигания при пуске силового агрегата;
- 6 — аккумулятор, использующийся для обеспечения заряда при старте мотора;
- 7 — генераторное устройство, предназначенное для выработки энергии во время движения авто;
- 8 — контроллер температуры воздуха окружающей среды;
- 9 — левая передняя головная фара;
- 10 — переключательное устройство для опускания и поднятия электрического стеклоподъемника, установленного в передней правой двери;
- 11 — моторедукторные устройства электрических стеклоподъемников;
- 12 — переключатели, установленные в стойках дверей;
- 13 — моторедукторные устройства блокировки замочных изделий на дверях;
- 14 — разъем для подключения к переднему правому динамику;
- 15 — электрический моторчик отопительной системы;
- 16 — контроллер скоростного режима;
- 17 — электрический моторчик системы омывания лобового стекла;
- 18 — электродвигатель очистителя лобового стекла;
- 19 — переключательное устройство, расположенное в стойке двери водителя;
- 20 — моторедуктор системы блокировки замка водительской двери;
- 21 — контроллер определения объема тормозной жидкости;
- 22 — разъем подключения электропроводки к переднему левому динамику;
- 23 — переключательное устройство для поднятия и опускания электрического стеклоподъемника, установленного в передней правой двери;
- 24 — аналогичное устройство для регулировки положения стеклоподъемника, установленного в передней левой двери;
- 25 — блок с предохранительными устройствами;
- 26 — реле активации электрических стеклоподъемников;
- 27 — реле активации и отключения рулевого гудка;
- 28 — диагностический разъем, позволяющий произвести проверку всех систем автомобиля;
- 29 — модуль управления системой блокирования дверных замков автомобиля;
- 30 — разъем для соединения со жгутом устройства обогрева передних кресел;
- 31 — разъем, предназначенный для соединения со жгутом системы впрыска;
- 32 — контрольный щиток или приборная панель;
- 33 — поворотный указатель, расположенный сбоку справа;
- 34 — световой источник для освещения бардачка в салоне автомобиля;
- 35 — переключательное устройство индикатора освещения вещевого ящика;
- 36 — замок зажигания;
- 37 — переключательное устройство для активации и отключения стопового сигнала;
- 38 — переключатель светового источника заднего хода, включается при активации задней передачи;
- 39 — модуль контрольных световых индикаторов;
- 40 — регуляторное устройство для изменения уровня свечения оптики;
- 41 — регулятор, назначение которого заключается в изменении яркости подсветки на приборной панели;
- 42 — подрулевое переключательное устройство;
- 43 — указатель поворота, расположенный сбоку слева;
- 44 — переключательное устройство электрического моторчика отопительной системы;
- 45 — дополнительный резисторный элемент;
- 46 — контроллер активации стояночного тормоза;
- 47 — переключательное устройство для активации и отключения противотуманной оптики;
- 48 — переключатель системы прогрева заднего стекла;
- 49 — выключательное устройство внешнего освещения автомобиля;
- 50 — кнопка для активации и отключения световой сигнализации;
- 51 — электрический разъем, предназначенный для подсоединения к заднему правому динамику;
- 52 — электрический топливный насос, оснащенный контроллером уровня горючего в баке;
- 53 — световые индикаторы подсветки ручек управления отопительной системой;
- 54 — контроллер активации дифференциала;
- 55 — прикуривательное устройство;
- 56 — модуль управления сигнализацией, установленной в авто;
- 57 — внутренний плафон для освещения салона автомобиля;
- 58 — индивидуальная лампа освещения салона;
- 59 — электрический разъем для соединения с аудиосистемой;
- 60 — выход для подключения проводки к заднему левому динамику;
- 61 — задняя правая фара;
- 62 — лампа освещения багажного отсека;
- 63 — световой индикатор освещения автомобильного номера;
- 64 — электрический моторчик системы омывания заднего стекла;
- 65 — электромотор очистительного устройства заднего стекла;
- 66 — система обогрева заднего стекла;
- 67 — дополнительный сигнал торможения;
- 68 — задняя левая фара.
Принципиальная электрическая схема Нива Шевроле с обозначениями ч. 1 Принципиальная электрическая схема Нива Шевроле с обозначениями ч. 2
Что делать в случае поломки
При обнаружении серьезных проблем производитель рекомендует немедленно загнать машину на ремонт. Эксплуатация машины с неисправной электрической частью может стать причиной серьезных дефектов или возникновения аварийных ситуаций на дороге. Также при езде со сломанными осветителями или габаритами сотрудники ГАИ могут выписать штраф или предупреждение.
Электросхема Нива Шевроле отличается от проводок аналогичных моделей благодаря своей простоте и легкости ремонта. В устройстве нет высоко сложных агрегатов и деталей, которые проблематично заменить. Благодаря примитивности конструкции, пользователь может самостоятельно починить машину, без привлечения сторонних специалистов.
-
Как проверить датчик температуры шеви нива
-
Как снять стартер на фольксваген амарок
-
После замены подрулевого шлейфа горит подушка безопасности тойота камри 40
-
Не горят задние габариты уаз буханка
- Extra run на сигнализации starline что это
Установка электропроводки: основные этапы
Установка электропроводки является одним из ключевых этапов при ремонте или модернизации автомобиля. Ниже приведены основные этапы этого процесса:
Подготовка к установке:
Перед началом установки электропроводки необходимо подготовить все необходимые инструменты и материалы
Также важно изучить схему электропроводки и понять последовательность и места установки проводов.
Демонтаж старой электропроводки:
Перед установкой новой электропроводки необходимо удалить старую. Для этого отключите аккумулятор, а затем снимите детали интерьера и обшивки автомобиля, чтобы получить доступ к старым проводам
Отсоедините провода от различных устройств и аккуратно удалите их.
Установка новой электропроводки:
После удаления старой электропроводки можно приступить к установке новой. Сначала прокладывается главный провод по всей длине машины, а затем подключаются провода к различным устройствам и аккумулятору. Убедитесь, что провода не перекручены и имеют надежные соединения.
Тестирование и закрепление проводов:
После установки проводов необходимо провести тестирование системы. Подключите аккумулятор и проверьте работу всех осветительных приборов, электроники и других устройств. Если все работает должным образом, закрепите провода и устройства так, чтобы они не перемещались и не повреждались во время движения автомобиля.
При установке электропроводки важно следовать схеме и инструкциям производителя. Если у вас нет навыков работы с проводкой, лучше доверить эту задачу профессионалам
Система электрических жгутов
За счет системы зажигания в цилиндрах появляется искра, соответствующая текущим рабочим тактам. У современных двигателей провода идут к датчикам, которые отвечают за контроль по нескольким показателям:
Температура мотора.
Воспламенение, и так далее
Инжектор тоже становится важной частью.. Жгут системы зажигания в большинстве случаев подсоединяют к нескольким другим деталям:
Жгут системы зажигания в большинстве случаев подсоединяют к нескольким другим деталям:
- контроллеру;
- панели приборов;
- «массе».
Далее провода отдаются к заднему жгуту. Переходя к моторному отсеку, основной жгут разделяется на две жилы. Из них самая крупная направляется к радиатору, по пути соединяясь со следующими компонентами:
- ДМРВ.
- Датчик коленвала.
- Резистор.
- Электровентиляторы.
Через насос гидроусилителя от жилы перекидываются другие провода, идущие к дополнительным датчикам:
- фаз;
- холостого хода;
- дроссельной заслонки;
- детонации;
Вторая жила идет наверх, после чего делится на две части. Провода к «плюсу» и «минусу» идут вправо. Там же располагается АКБ. Влево они соединяются с адсорбером, датчиком давления топлива и кислородному датчику. Так электропроводка устроена в большинстве случаев.
Ветвь от жгута может идти к предохранителю кондиционера, если автомобиль снабжен подобным оборудованием.
Если хотя бы одну часть этой системы замыкает, есть большая вероятность, что двигатель просто не запустится. Контроллер перестает видеть информацию относительно температуры, подачи топлива к форсункам, положения дроссельных заслонок.
Лучше при таких обстоятельствах не обращаться к диагностике, а заменить сразу весь жгут. На поиски одного провода может уйти слишком много времени, а результат будет сомнительным. Проводка лучше работает, когда новая.
Схема системы зажигания Шевроле Нива.
Схема системы зажигания Шевроле Нива.
Система зажигания.
В системе зажигания применяется модуль зажигания, состоящий из двухканального электронного коммутатора и двух двухвыводных катушек зажигания. Система зажигания не имеет подвижных деталей и поэтому не требует обслуживания. Она также не имеет регулировок, т.к. управление зажиганием полностью электронное.
Управление зажиганием осуществляется контроллером, использующим информацию о режиме работы двигателя, получаемую от датчиков системы управления двигателем.
В системе зажигания применяется метод распределения искры, называемый методом “холостой искры”. Цилиндры двигателя объединены в пары 1-4 и 2-3, и искрообразование происходит одновременно в двух цилиндрах: в цилиндре, в котором заканчивается такт сжатия (рабочая искра), и в цилиндре, в котором происходит такт выпуска (холостая искра).
В связи с постоянным направлением тока в первичной и вторичной обмотках, ток искрообразования одной свечи всегда протекает с центрального электрода на боковой, а второй – с бокового на центральный.
Модуль зажигания.
Модуль зажигания содержит две катушки зажигания и два мощных транзисторных вентиля для коммутации первичных обмоток катушек зажигания.
Модуль зажигания имеет следующие четыре цепи:
Цепь питания.
Напряжение бортсети автомобиля поступает с выключателя зажигания на контакт “D” модуля зажигания.
Цепь соединения с массой идет с торца крышки головки цилиндров на контакт “С” модуля зажигания.
Цепь управления зажиганием 1 и 4 цилиндров.
Контроллер формирует сигнал управления зажиганием на контакт “В” модуля зажигания. Этот сигнал используется для коммутации первичной обмотки катушки зажигания, выдающей высокое напряжение на свечи зажигания цилиндров 1,4.
Цепь управления зажиганием 2 и 3 цилиндров.
Контроллер формирует сигнал управления зажиганием на контакт “А” модуля зажигания. Этот сигнал используется для коммутации первичной обмотки катушки зажигания, выдающей высокое напряжение на свечи зажигания цилиндров 2,3.
В случае неисправности любого элемента модуля зажигания необходимо заменять весь узел в сборе.
Схема системы зажигания.
1 – аккумуляторная батарея; 2 – реле главное; 3 — выключатель зажигания; 4 – свечи зажигания; 5 – модуль зажигания; 6 – контроллер; 7 – датчик положения коленчатого вала; 8 – задающий диск; Е – устройства согласования.
Распиновка разъемов Нива Шевроле, отвечающих за переднюю часть проводки
- 1/6 – блок передней правой/левой фары;
- 2 – узел сочленения стартера машины;
- 3 – подача напряжения для тягового стартера;
- 4 – клеммы подводки аккумуляторной батареи;
- 5 – генераторный модуль запитки электроцепи;
- 7/15 – узлы совмещения противотуманных фар головной оптики;
- 8 – контактная группа привода электродвигателя омывателя переднего ветрового стекла;
- 9 – ввод температурного сенсора, измеряющего показатели за бортом транспорта;
- 10 – контактный штепсель лампы освещения подкапотного пространства;
- 12 – штатный датчик измерения остатка уровня тормозной жидкости;
- 13 – штепсель штатного электродвигателя привода очистителя ветрового стекла;
- 14 – обозначение стандартного клаксона;
- 16/17 – вводы штепселей к приборной доске.
Распиновка щитка приборов
Здесь представлено описание колодок и выводов стандартной проводки панели приборов:
- 1 – диагностический вывод, расположен в нижней стороне доски под рулевым колесом;
- 2 – штепсельный разъем присоединения ЭСУД;
- 3/4 – стандартные модули присоединения переднего сочленения жил, ответственного за системы управления двигателем;
- 5/7 – левый и правый подрулевые переключатели;
- 6 – разъем устройства выключателя зажигания;
- 8 – комбинация приборной доски;
- 9 – выход на запитывание разъема контактной группы системы вентиляции и отопления салона;
- 10/11 – штепсели осветительных приборов вышеуказанного оборудования;
- 12 – кнопка выключатель устройства аварийной сигнализации;
- 13 – монтажный короб вставки плавких предохранителей;
- 14/15 – непосредственно лампа и клавиша выключения подсветки вещевого отсека;
- 16 – контактный пин выключения стоп сигналов;
- 17 – выключатель штатного модуля звукового оповещения (клаксона) ;
- 18 – автоматическая защита противотуманных фар головной оптики;
- 19 – автоматика стеклоподъемников;
- 20 – защитное реле звукового сигнала;
- 21 – предохранительный модуль системы подогрева сидений;
- 22 – реле управления стартером;
- 23 – переключатель системы наружного освещения;
- 24 – контактная группа подключения вентилятора печки;
- 25 – встроенный выключатель включения подогрева ветрового стекла;
- 26 – устройство выключения передних противотуманок;
- 27 – включатель кормовых огней, противотуманной группы освещения;
- 28 – кнопка настройки кондиционера;
- 29 – регулятор положения манипуляторов отопления;
- 30 – пин прикуривателя;
- 31 – кнопки регулировки направления светового потока головной оптики;
- 32 – регулировка яркости подсветки приборной доски;
- 33 – вспомогательный резисторный механизм вентилятора отопления;
- 34 – модуль штатного иммобилайзера;
- 35/36 – выводы бортового акустического модуля штатного типа;
- 37/38 – клеммные разъемы подключения заднего жгута бортовой цепи.
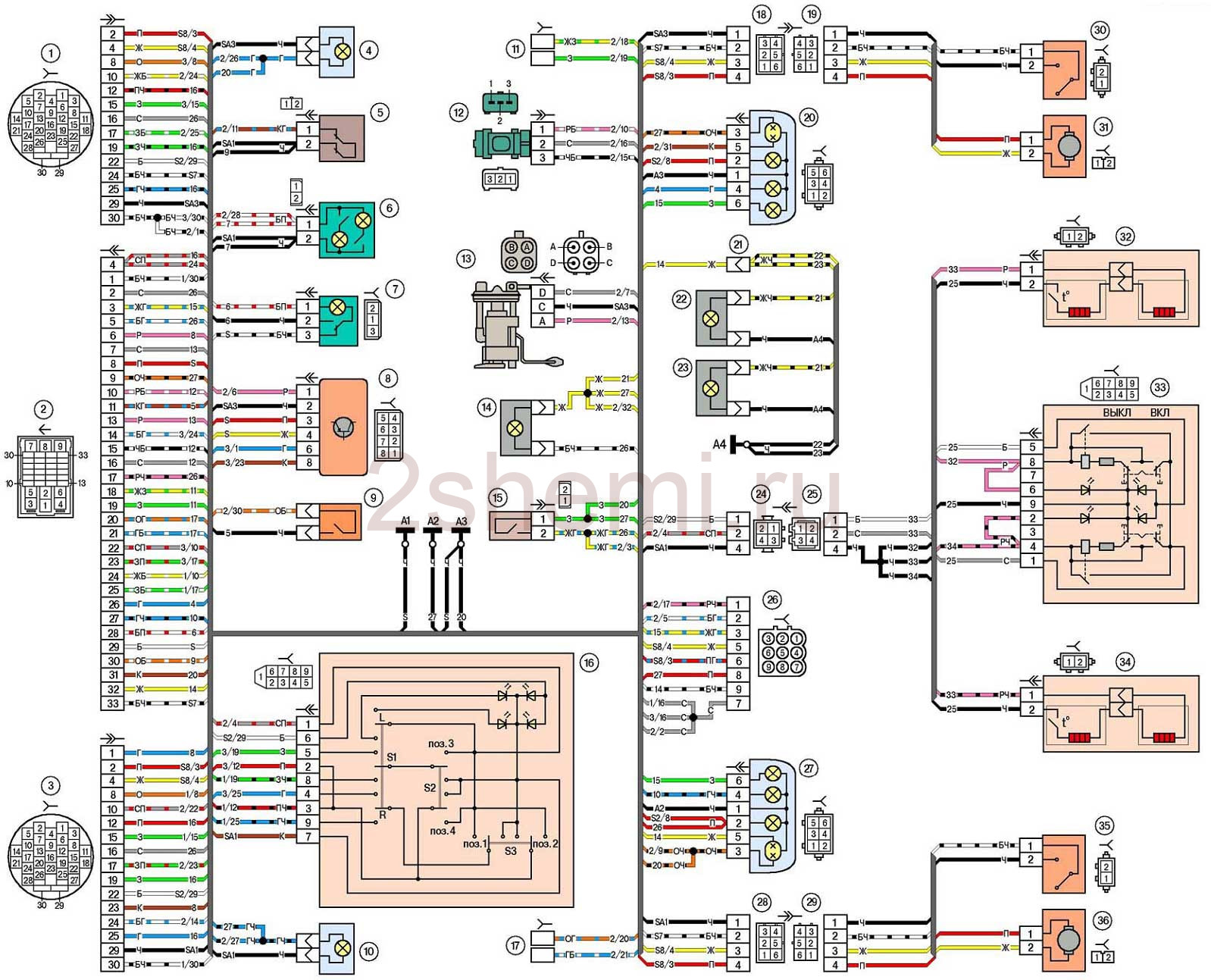
Электросхема панели приборов ВАЗ 2123 Chevrolet Niva (инжектор)
Электросхема панели приборов ВАЗ 2123 Chevrolet Niva (инжектор)
1 – колодка жгута панели приборов к жгуту системы зажигания;
2 – колодка жгута панели приборов к жгуту заднему;
3 – колодка жгута панели приборов к жгуту переднему;
4 – реле противотуманных фар;
5 – реле электростекпоподъемников;
6 – реле звукового сигнала;
7 – реле обогревателя сидений;
8 – колодка жгута панели приборов к жгуту переднему;
9 – выключатель наружного освещения;
10 – монтажный блок;
11 – комбинация приборов;
12 – диод ВАЗ-2123;
13 – регулятор корректора фар;
14 – потенциометр;
15 – выключатель сигнала торможения;
16 – выключатель звукового сигнала;
17 – переключатель света фар и указателей поворота;
18 – переключатель очистителя и омывателя ветрового стекла;
19 – колодка диагностики;
21 – автомобильная противоугонная система;
22 – прикуриватель;
23 – блок контрольных ламп;
24 – выключатель аварийной сигнализации;
25 – выключатель обогрева заднего стекла;
26 – выключатель противотуманных фар;
27 – выключатель заднего противотумаиного огня;
28, 29 – колодки жгута панели приборов к радиоаппарату;
30 – плафон освещения вещевого ящика;
31 – выключатель освещения вещевого ящика;
32 – электродвигатель отопителя;
33 – добавочное сопротивление;
34 – колодки жгута панели приборов и жгута осветителя;
35 – переключатель электродвигателя отопителя;
36, 37 – табло подсветки рычагов отопителя;
А1, А2 – точки заземления жгута панели приборов;
Х1, Х2 – колодки жгута панели приборов к комбинации приборов;
Ш1-Ш5 – колодки жгута панели приборов к соответствующим разъемам Ш1-Ш5 монтажного блока.
Электросхема заднего жгута ВАЗ 2123 Chevrolet Niva (инжектор)
Электросхема заднего жгута ВАЗ 2123 Chevrolet Niva (инжектор)
1 – колодка жгута заднего к жгуту правой передней двери;
2 – колодка жгута заднего к жгуту панели приборов;
3 – колодка жгута заднего к жгуту левой передней двери;
4 – боковой указатель поворотов правый;
5 – датчик ручного тормоза;
6 – плафон индивидуального освещения;
7 – плафон освещения салона;
8 – блок управления блокировками дверей;
9 – датчик включения дифференциала;
10 – боковой указатель поворотов левый;
11 – колодки жгута заднего к громкоговорителю заднему правому;
12 – датчик скорости автомобиля;
13 – электробензонасос ВАЗ-2123;
14 – фонарь освещения багажника;
15 – выключатель ламп света заднего хода;
16 – блок управления электрозеркаламп;
17 – колодки жгута заднего к громкоговорителю заднему левому;
18 – колодка жгута заднего к жгуту правой задней двери;
19 – колодка жгута задней правой двери к жгуту заднему;
20 – фонарь правый;
21 – колодки жгута заднего и жгута фонарей освещения номерного знака;
22, 23 – фонари освещения номерного
24 – колодка жгута заднего к жгуту обогрева сидений;
25 – колодка жгута обогрева сидений к жгуту заднему;
26 – колодка жгута заднего к жгуту заднем удополнительному;
27 – фонарь левый;
28 – колодка жгута заднего к жгуту левой задней двери;
29 – колодка жгута задней левой двери к жгуту заднему;
30 – сигнализатор открытия замка правой задней двери;
31 – электроблокиратор правой задней двери;
32 – электрообогреватель правого сидения;
33 – блок управления электрообогревом;
34 – электрообогреватель левого сидения;
35 – сигнализатор открытия замка левой задней двери;
36 – электроблокиратор левой задней двери;
А1, А2, A3 – точки заземления жгута заднего;
А4 – точка заземления жгута ФОНЗ.
Профилактика
https://youtube.com/watch?v=RUl65pclHjA
Для предупреждения поломок, производитель рекомендует придерживаться нескольких советов.
- Один раз в год обрабатывать все клеммы и разъемы специальным маслом – это предупредит образование окислов.
- Периодически проверять плотность креплений контактных разъемов. При расшатывании соединений возможно образование коротких замыканий или снижения проводимости цепи, что будет воспринято ЭБУ как отказ механизма.
- Проверять степень изношенности силовых кабелей и магистралей. При активной эксплуатации автомобиля, оплетки, изготовленные из гибкого полимера, могут износиться и растрескаться. Это обстоятельство может спровоцировать короткие замыкания и механическое осыпание изоляторов. Следовательно, лучше предупредить поломку, чем ее устранять.













