Электросхемы audi 100 (c4 / a4) / audi 100 avant / audi 100 quattro / audi a6 avant / audi a6 quattro с 1990 по 1997 год
Содержание
- 1 Электрооборудование Ауди 80 Б4 и других моделей: схема и диагностика проводки
- 2 Предохранители и реле Audi 100 (C3), 1982 — 1991
- 3 Схема электропроводки Ауди 100: от прототипа до современных версий
- 4 Как найти короткое замыкание в проводке автомобиля
- 5 Модификации
- 6 Электросхема Ауди 100 с4
- 7 Схема электрооборудования автомобиля Ауди 100/А6 ( Audi 100/A6)
- 8 На сайте вы найдете информацию о том как сделать качественный ремонт автомобиля своими руками, подробные фото отчеты по ремонту ауди с4, а также много полезной информации о диагностике и профилактике неисправностей.
- 9 Принцип работы электросхемы климат контроля
Электрооборудование Ауди 80 Б4 и других моделей: схема и диагностика проводки
Особенности электрооборудования
Итак, какие системы входят в состав электросхемы Аудио 100 С3, С4 и других моделей:
- системы впрыска топлива;
- система зажигания;
- монтажный блок, в котором установлены все реле и предохранительные элементы;
- электрическая система управления и регулировки боковых зеркал;
- система электрических стеклоподъемников;
- приборная панель, где установлены основные датчики и индикаторы, появляющиеся при активации электрооборудования или неисправности тех или иных узлов;
- оптика — поворотники, габаритные огни, стоп-огни, головное и салонное освещение, световая сигнализация, противотуманки и т.д.;
- система охлаждения, в частности, электроцепь включения вентилятора.
Что касается особенностей, характерный для бортовой сети автомобиля:
- Все устройства, девайсы и оборудование подключается путем однопроводного соединения. Разработчики Ауди оборудовали бортовую сеть проводами, которые имеют разные цвета, что позволяет при ремонте максимально точно определить участок, который нужно заменить.
- Минус любого устройства — это масса. То есть данный провод в любом случае подключается к массе, то есть кузову авто.
- Плюс обычно выполнен в красном цвете. Это также во многом облегчает процесс диагностики неисправности и замены вышедшего из строя участка цепи.
- Устройство электросхемы такое, что при включении зажигания, то есть при активации АКБ, на устройства начинает поступать напряжение. Поэтому если вы планируете заняться ремонтом проводки, для этого необходимо будет выключить АКБ.
- Каждый электрический узел, завязанный с бортовой сетью, оснащается отдельной колодкой с проводами.
Схема поворотников и световой сигнализации
Диагностика электросистемы своими руками
Теперь перейдем к вопросу диагностики проводов и основных элементов электросети Ауди 100. Есть несколько способов диагностики неисправного оборудования:
- Диагностика работоспособности предохранителей. Данный компонент считается одним из самых слабых в любом авто. Определить неисправность предохранительного устройства можно как визуально (может быть видно, как перегорела плавкая нить), или же с помощью мультиметра. Второй вариант более точный. Если произошло замыкание, то предохранители, один за другим следует извлечь из места монтажа, после чего с помощью тестера проверить каждое место установки. При проверке стоит помнить, что замыкание может произойти сразу на нескольких участках цепи, так что если вы смогли найти вышедший из строя элемент, это не значит, что нужно прекращать проверку.
- Еще один вариант — диагностика того или иного участка цепи на замыкание. Когда все предохранительные устройства будут извлечены из посадочных мест, нужно отключить массу АКБ. Для проверки подготовьте тестер либо контрольную лампочку. При диагностике лампой вам нужно будет один из концов провода подключить к цоколю, а другой — к центральному контакту. При проверке нужно ключ в замке повернуть в положение 1, после чего по очереди подключить щупы мультиметра или контакты лампы к клеммам держателей. В том случае, если лампа не гори, это говорит о том, что замыкания в электросети нет, и наоборот.
- Также всегда можно проверить целостность проводки. При выявлении замыкания необходимо точно определить причину, поэтому внимательно ознакомьтесь с электросхемой — это позволит определить, какие устройства подключены к определенному участку. Далее, нужно будет отсоединить каждое оборудование от цепи и проверить ее целостность. Если сами устройства находятся в рабочем состоянии, то есть вероятность, что причина кроется либо в обрыве проводки, либо в плохом контакте. При замене проводов старые кабеля полностью извлекаются из электроцепи, а новые необходимо надежно заизолировать, это позволит предотвратить возможные проблемы в работе проводки в будущем (автор видео — канал Kroom&coTV).
Предохранители и реле Audi 100 (C3), 1982 — 1991
Большинство цепей питания электрооборудования немецкого седана и универсала защищено предохранителями. Фары, электродвигатели вентиляторов, топливный насос и другие мощные потребители тока подключены через реле. Защитные элементы установлены в монтажных блоках, которые находятся в салоне автомобиля, моторном отсеке и багажнике.
Рассмотрены схемы Ауди 100 (С3) 3-го поколения (в 44 кузове) 1982, 1983, 1984, 1985, 1986, 1987, 1988, 1989 и 1990, 1991 года выпуска.
В подкапотном пространстве
Блок расположен около стеклоочистилей.
Фото — пример исполнения.
| Схема элементов в подкапотном блоке | ||
|---|---|---|
| № | Описание | Ток, А |
| 1 | Противотуманные фары | 15 |
| 2 | Указатели поворота (в режиме аварийной сигнализации) | 15 |
| 3 | Звуковой сигнал. Прикуриватель. Лампа освещения карты. Плафон освещения салона. Лампа подсветки зеркала пассажира. Лампа освещения нижней части салона | 25 |
| 4 | Лампа стоп-сигнала. Лампа освещения багажного отделения | 15 |
| 5 | Резервный | — |
| 6 | Правая фара (габаритный свет). Правый задний фонарь (габаритный свет) | 5 |
| 7 | Левая фара (габаритный свет). Левый задний фонарь (габаритный свет) | 5 |
| 8 | Правая фара (дальний свет). Контрольная лампа включения дальнего света фар | 10 |
| 9 | Левая фара (дальний свет) | 10 |
| 10 | Правая фара (ближний свет) | 10 |
| 11 | Левая фара (ближний свет) | 10 |
| 12 | Лампы освещения комбинации приборов. Лампы света заднего хода. Блок бортовой системы контроля | 15 |
| 13 | Топливный электронасос | 15 |
| 14 | Лампы освещения приборов. Лампы освещения номерного знака. Лампа освещения вещевого ящика. Подкапотная лампа | 15 |
| 15 | Электродвигатель очистителя ветрового стекла. Указатели поворота (в режиме указания поворота) | 15 |
| 16 | Элемент обогрева заднего стекла | 30 |
| 17 | Электродвигатель вентилятора отопителя. Электродвигатель вентилятора кондиционера | 30 |
| 18 | Электродвигатель привода люка на крыше | 25 |
| 19 | Система централизованной блокировки замков дверей. Электродвигатель привода наружных зеркал заднего вида | 10 |
| 20 | Элементы обогрева передних сидений | 30 |
| 21 | Предохранитель заднего прикуривателя Ауди 100 | 25 |
| 22 | Подогреватель дизельных двигателей | 80 |
| А | Резервный | 10 |
| В* | Запоминающее устройство электропривода регулировки положения передних сидений | 15 |
| Е* | Электродвигатели стеклоподъемников | 30 |
| F | Прицепное устройство | 30 |
| I | Запасные предохранители | — |
| * Автоматические выключатели, размыкающие цепь при перегрузке и замыкающие ее через короткий промежуток времени. | ||
| I | Реле включения противотуманных фар | |
| II | Реле включения вентилятора системы охлаждения | |
| III | Реле принудительного холостого хода на автомобиле: | |
| – с 5-цилиндровыми двигателями с впрыском топлива | ||
| – с 5-цилиндровыми карбюраторными двигателями с механической КП | ||
| – с 5-цилиндровыми карбюраторными двигателями с автоматической КП | ||
| – с 4-цилиндровыми карбюраторными двигателями с указателем включенной передачи и эконометром | ||
| Реле указателя включенной передачи и эконометра на автомобиле: | ||
| – дизельном | ||
| • с турбокомпрессорным дизелем | ||
| • с 4-цилиндровым дизелем или турбокомпрессорным дизелем | ||
| IV | Реле включения очистителя фар | |
| V | Реле разгрузки контакта «Х» переключателя наружного освещения | |
| VI | Реле управления и включения вакуумного клапана кондиционера | |
| VII | Реле включения звукового сигнала | |
| VIII | Реле автоматической трансмиссии (на автомобилях с механической КП между клеммами «36» и «38» установлена перемычка) | |
| IX | Реле-прерыватель очистителя ветрового стекла | |
| X | Реле включения топливного электронасоса: | |
| – реле включения топливного электронасоса на автомобилях с 5-цилиндровыми двигателями с ограничителем частоты вращения | ||
| – реле включения топливного насоса на автомобилях с 4- или 5-цилиндровыми двигателями без ограничителя частоты вращения | ||
| Реле включения подогрева впускного трубопровода** | ||
| Реле включения подогревателя*** | ||
| XI | Реле включения электромагнитной муфты кондиционера**** | |
| * На варианте для США | ||
| ** На автомобилях с двигателем с впрыском топлива | ||
| *** На автомобилях с карбюраторными двигателями | ||
| **** На дизельных автомобилях |
В салоне
Расположение салонных блоков: 1 – коммутатор зажигания (возможное положение); 2 – дополнительный блок реле; 3 – блок управления системой круиз-контроля; 4 – реле указателей поворота; 5 – блок диагностирования; 6 – блок управления кондиционером; 7 – высотный датчик; 8 – блок управления системой впрыска топлива KE-Jetronic; 9 – блок управления передних сидений с электрорегулировкой; 10 – блок управления антиблокировочной системой тормозов; 11 – аккумулятор (для автомобилей с кондиционером); 12 – реле топливного насоса двигателя; 13 – блок управления лампами в задних фонарях
Схема электропроводки Ауди 100: от прототипа до современных версий
Переднеприводный автомобиль представительского класса – именно таким задумывался Ауди 100 в 1968 году. Примечательно, что в отличие от всех остальных моделей, авто не имело технической преемственности с другими платформами. В частности, схема электропроводки Ауди 100 и расположение двигателя с водяным охлаждением впереди машины, кардинально отличались от имевшихся на конвейере технологий.
Модификации
Получив весомый объем продаж, и растущий спрос на новинку, автопроизводитель пустил в серию сразу несколько кузовов Ауди:
- 4-х дверный седан (заводской индекс 43, C2) выпускался с 1976 по 1982 гг.;
- спустя 2 года появился 5 дв. хэтчбек (заводской индекс 43, C2), который продержался на конвейере с 1978 по 1982 г.г;
- модернизированный 4 дв. седан (индекс 44, 44Q, C3) пришел на смену предыдущему С2 и выпускался с 1982 по 1991гг.;
- также прошел омологацию и 5 дв. универсал (индекс 44, 44Q, C3), продержавшийся в заводской программе с 1983 по 1991гг.;
- в 1991 году появился новый 4 дв. седан (индекс 4A, C4), выпускавшийся вплоть до 1994 гг.;
- в это же время появился и новый 5 дв. универсал (индекс 4A, C4), также выпускавшийся с 1991 по 1994гг.
Кроме кузовов и, как следствие» различной электропроводки, автомобили оснащались и разными типами силовых агрегатов и трансмиссий:
- бензиновыми версиями с системой впрыска и бесконтактным электронным зажиганием;
- дизельными версиями;
- автоматическими коробками передач;
- механическими коробками передач;
- вариаторами (поздние версии).
Особенности электрооборудования
Автомобили с электронным зажиганием эксплуатировались и в нашей стране. А вот машины с автоматическими коробками передач (АКПП) были в диковинку:
- комплектации с АКПП существенно увеличивали количество электронных компонентов автомобиля. Добавлялись электронные блоки управления режимами работы АКПП, датчики, новая проводка;
- обслуживать своими руками автомобили в такой комплектации было невозможно – только на специализированных СТО.
Проводка
Для отечественных автовладельцев проводка Ауди 100 не представляла особых тайн и загадок. Основные параметры электрооборудования были аналогичны схемам, применявшимся в отечественном автомобилестроении.
- бортовое напряжение в системе электрооборудования автомобиля 12 В;
- проводка однопроводная, провода подают «+» на приборы и механизмы;
- роль второго провода выполняет металлический кузов («масса»);
- отрицательные выводы потребителей электроэнергии соединены на «массу»;
- основные цепи питания защищены плавкими предохранителями.
Функции комфорта
Новинкой для отечественного рынка легковых автомобилей было наличие функций контроля:
- центрального замка;
- иммобилайзера;
- электростеклоподъемников;
- омывателей фар головного света;
- климат-контроля и т.п.
А электрических схем для осуществления ремонтно-восстановительных работ, также как и учебных видео материалов не было, поскольку:
- большая часть автомобилей Ауди 100 попадали в нашу страну неофициально (пригонялись из Европы), поскольку цена авто в таком случае была доступной;
- сервисные центры, чьи специалисты прошли обучение у автопроизводителя, появились гораздо позже.
Большое количество модификаций автомобилей Ауди заставляет владельцев вооружаться оригинальными схемами электрооборудования, подходящего именно к данной комплектации. Надеемся, что предложенные в статье схемы помогут в обслуживании и ремонте вашего автомобиля.
Как найти короткое замыкание в проводке автомобиля
Короткое замыкание — это недопустимое соединение части цепи с «массой» или другой частью цепи. Часто причиной короткого замыкания бывает сильное окисление контактов в колодке, либо повреждение изоляции проводов. Если после замены неисправного предохранителя он снова перегорает, вероятно, в электропроводке есть короткое замыкание.
Чтобы найти короткое замыкание следует отсоединить проверяемый участок электропроводки от остальной проводки автомобиля. Мультиметр устанавливаем в режим прозвонки. Один щуп прибора подсоединяем к участку цепи, а другой — к кузову («массе»).
- Если короткого замыкания на участке цепи нет — прибор не будет подавать звуковых сигналов.
- Если есть короткое замыкание — мультиметр подаст звуковой сигнал (цепь окажется замкнутой).
Осматриваем весь участок цепи на наличие повреждений.
Модификации
Получив весомый объем продаж, и растущий спрос на новинку, автопроизводитель пустил в серию сразу несколько кузовов Ауди:
- 4-х дверный седан (заводской индекс 43, C2) выпускался с 1976 по 1982 гг.;
- спустя 2 года появился 5 дв. хэтчбек (заводской индекс 43, C2), который продержался на конвейере с 1978 по 1982 г.г;
- модернизированный 4 дв. седан (индекс 44, 44Q, C3) пришел на смену предыдущему С2 и выпускался с 1982 по 1991гг.;
- также прошел омологацию и 5 дв. универсал (индекс 44, 44Q, C3), продержавшийся в заводской программе с 1983 по 1991гг.;
- в 1991 году появился новый 4 дв. седан (индекс 4A, C4), выпускавшийся вплоть до 1994 гг.;
- в это же время появился и новый 5 дв. универсал (индекс 4A, C4), также выпускавшийся с 1991 по 1994гг.
- бензиновыми версиями с системой впрыска и бесконтактным электронным зажиганием;
- дизельными версиями;
- автоматическими коробками передач;
- механическими коробками передач;
- вариаторами (поздние версии).
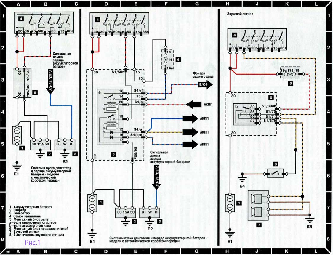
Электросхема Ауди 100 с4
Система запуска двигателя и заряда аккумулятора автомобилей с автоматической коробкой передач
Вентиляторы охлаждения двигателя и отопителя
Система управления дизельным двигателем
Система управления двигателем Mono Motronic
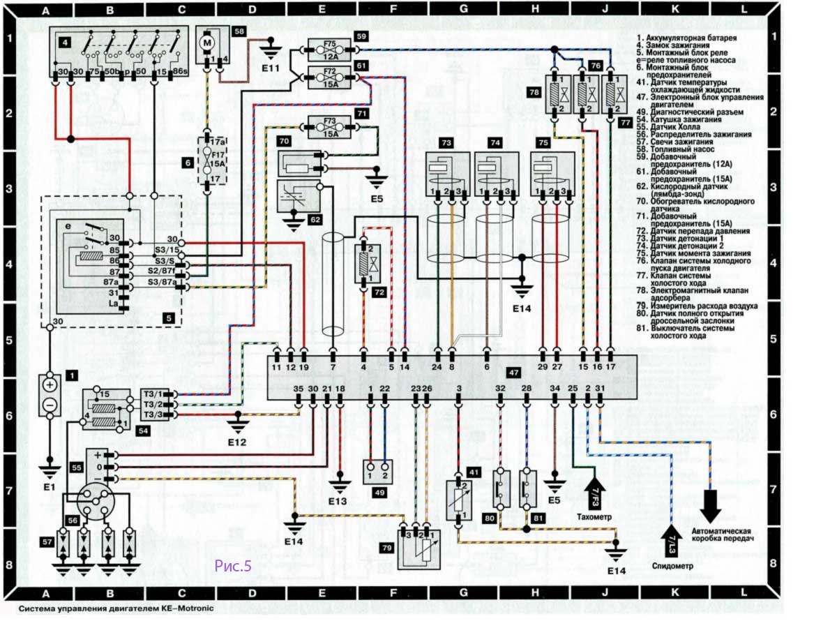
Система управления двигателем KE Motronic
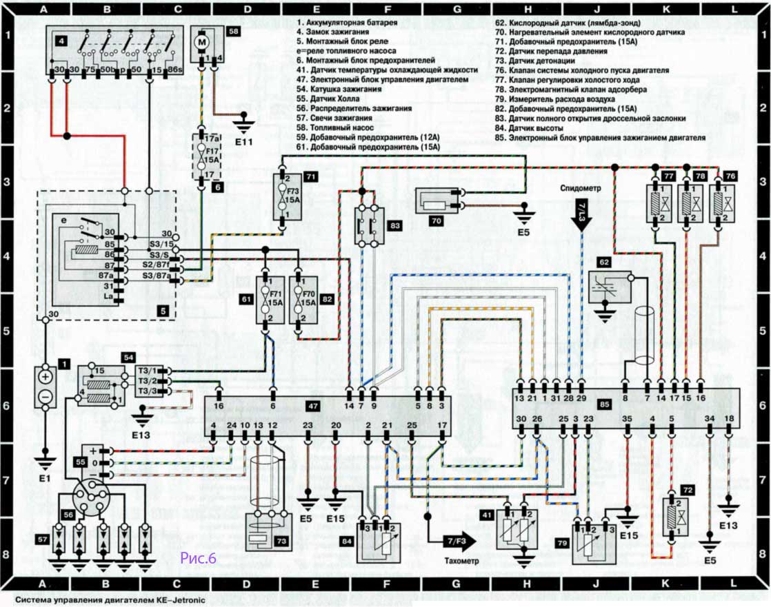
Система управления двигателем KE Jetronic
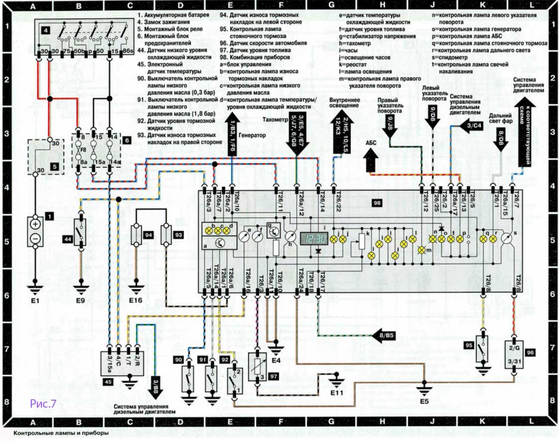
Контрольные лампы и приборы
Система наружного освещения
Система наружного освещения (продолжение)
Система внутреннего освещения, обогреватель заднего стекла
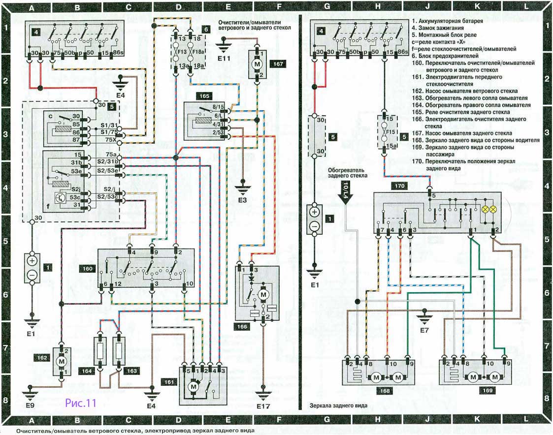
Очиститель/омыватель ветрового стекла, электропривод зеркал заднего вида
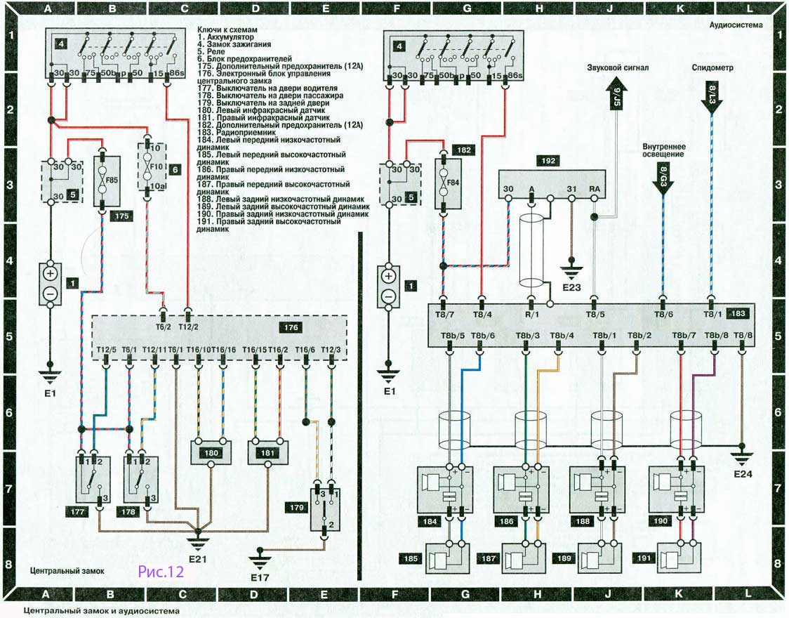
Центральный замок и аудиосистема
Электрические стеклоподъемники
Расположение монтажных блоков на автомобиле Ауди 100/А6
Монтажный блок предохранителей и реле автомобилей Ауди 100 годов выпуска 1990-1994
Схема электрооборудования автомобиля Ауди 100/А6 ( Audi 100/A6)
Условные обозначения на электрических схемах
- На схемах общепринятую нумерацию имеют следующие контакты:
- 15 – контакт (+12В), на который подается напряжение при включении зажигания;
- 30 – контакт (+12В), который всегда находится под напряжением аккумуляторной батареи;
- 31 – соединение с «массой»;
- 50 – контакт (“плюсовый»), на который подается напряжение при повороте замка зажигания в положение «Пуск»;
- 85 – входной контакт реле;
- 86 – контакт соединения реле с “массой»;
- 87 – выходной контакт реле; 87а – выходной контакт реле.
- Места расположения контактов с «массой» автомобиля:
- Е1 – моторный отсек (провод отрицательной клеммы аккумуляторной батареи);
- Е2 – соединение с «массой» двигателя (генератор);
- ЕЗ – под левой стороной комбинации приборов;
- Е4 – жгут проводов комбинации приборов;
- Е5- жгут проводов в моторном отсеке;
- E6 – левая сторона моторного отсека;
- Е7 – под левой стороной комбинации приборов;
- Е8 – жгут проводов правой фары;
- Е9 – жгут проводов левой фары;
- Е10 – жгут проводов в моторном отсеке;
- Е11 – жгут проводов задней части кузова;
- Е12 – блок цилиндров;
- Е13 – впускной коллектор;
- Е14 – жгут проводов в моторном отсеке;
- Е15 – впускной коллектор;
- Е16 – основание левой передней стойки кузова;
- Е17 – жгут проводов крышки багажника;
- Е18 — жгут проводов комбинации приборов;
- Е19 – правая задняя стойка кузова;
- Е20 – жгут проводов центральной консоли;
- Е21 – жгут проводов электрического стеклоподьемника;
- Е22 – жгут проводов двери;
- Е23 – левая сторона багажного отделения;
- F24 – жгут проводов динамика.
На данных схемах переход сигнального провода с одного рисунка схемы на другой, указан черной стрелкой с обозначением номера рисунка и координаты места соединения.
Для удобства поиска в пределах страницы, фрагмента схемы, ниже представлены ссылки. Возврат на начало страницы, клавиши Ctrl+Home.
- Система запуска двигателя и заряда аккумулятора автомобилей с автоматической коробкой передач
- Вентиляторы охлаждения двигателя и отопителя
- Система управления дизельным двигателем
- Система управления двигателем Mono Motronic
- Система управления двигателем KE Motronic
- Система управления двигателем KE Jetronic
- Контрольные лампы и приборы
- Система наружного освещения
- Система наружного освещения (продолжение)
- Система внутреннего освещения, обогреватель заднего стекла
- Очиститель/ омыватель ветрового стекла, электропривод зеркал заднего вида
- Центральный замок и аудисистема
- Электрические стеклоподъемники
- Расположение монтажных блоков на автомобиле Ауди 100/А6
- Монтажный блок предохранителей и реле автомобилей Ауди 100 годов выпуска 1990-1994
- Предохранители и реле расположенные в монтажных блоках автомобилей Ауди 100 ( 1990-1993гг)
- Предохранители расположенные в монтажном блоке автомобилей Ауди 100/А6 (1994-1998гг)
- Расположение реле в монтажных блоках
- Дополнительные монтажные блоки

Система запуска двигателя и заряда аккумулятора автомобилей с автоматической коробкой передач

Вентиляторы охлаждения двигателя и отопителя

Система управления дизельным двигателем

Система управления двигателем Mono Motronic

Система управления двигателем KE Motronic

Система управления двигателем KE Jetronic

Контрольные лампы и приборы

Система наружного освещения

Система наружного освещения (продолжение)

Система внутреннего освещения, обогреватель заднего стекла

Очиститель/ омыватель ветрового стекла, электропривод зеркал заднего вида

Центральный замок и аудисистема


Расположение монтажных блоков на автомобиле Ауди 100/А6
Монтажный блок предохранителей и реле автомобилей Ауди 100 годов выпуска 1990-1994

Предохранители и реле расположенные в монтажных блоках автомобилей Ауди 100 ( 1990-1993гг)

Предохранители расположенные в монтажном блоке автомобилей Ауди 100/А6 (1994-1998гг)

Расположение реле в монтажных блоках
http://fastmb.ru/auto_shem/54-elektronnaya-shema-audi-100.htmlhttp://a-shema.ru/index/audi_100/0-4http://audi-100.5go.ru/html/12_3.htmhttp://audi-100.5go.ru/html/12_3.htmhttp://manual.countryauto.ru/audi/100/12-3-jelektricheskie-shemy.htmlhttp://sigtura.ru/load.php?id=37
голоса
Рейтинг статьи
На сайте вы найдете информацию о том как сделать качественный ремонт автомобиля своими руками, подробные фото отчеты по ремонту ауди с4, а также много полезной информации о диагностике и профилактике неисправностей.
Меню сайта:
- Техническое обслуживание
- Устройство и принцип действия
- Диагностика и устранение неисправностей
- Фото отчеты ауди с4
- Cоветы автомобилистам
Перетяжка потолка ауди 100 с4.(Часть 2)
Продолжим снятие обшивки потолка. В первой части мы сняли обшивку люка и накладки передних стоек. Сегодня мы все-таки снимем потолок.
Перетяжка потолка ауди 100 с4.(Часть 1)
В уже не молодых автомобилях, не редко можно столкнуться с проблемой провисания потолка. Происходит это, как правило, по двум причинам:
Замена датчика включения вентиляторов на Audi 100 c4 V6.
На шести цилиндровых двигателях автомобилей ауди с4, для охлаждения ОЖ в радиаторе применяются 2 электровентилятора, которые приводятся в действие от датчика включения вентиляторов.
Датчик устанавливается слева, по ходу движения на радиаторе, в нижней его точке.
Рис 1 – Расположение датчика включения вентиляторов.
Датчик является 3-х контактным и обеспечивает 2 режима работы электровентиляторов. Первая ступень: если температура в нижней точке радиатора составляет 92-97 градусов Цельсия, то происходит включение вентиляторов на первую скорость. При остывании охлаждающей жидкости до 84-91 градусов, вентиляторы отключаются. Вторая ступень: если температура в нижней точке радиатора составляет 99-105 градусов Цельсия, то происходит включение вентиляторов на третью скорость. При остывании охлаждающей жидкости до 91-98 градусов, вентиляторы переходят на первую скорость.
Ниже приведена электрическая схема работы электровентиляторов (без элементов работы кондиционера, со схемой с управлением климатом можете ознакомиться здесь), которая наглядно отображает их работу.
Рис 2 – Схема работы вентиляторов системы охлаждения.
1 – Замок зажигания. 2 – Реле 3-й скорости вентилятора. 3 – Дополнительный предохранитель (60А). 4 – Реле. 5 – Датчик включения вентиляторов. 6 – Реле вентилятора охлаждения. 7 – Предохранитель (блок предохранителей). 8 – Резисторы. 9 – Аккумулятор. 10 – Вентиляторы.
Если вентиляторы перестали включаться или включаются, но с запозданием, когда двигатель начинает закипать (может произойти перегрев двигателя) или наоборот вращаются постоянно (при включенном зажигании), то виноват в этом, скорее всего, датчик включения радиаторов.
Рассмотрим не исправности датчика включения вентиляторов и его диагностирование.
- Вентиляторы совсем не включаются, даже если машина уже кипит. Снимите разъем с датчика включения вентиляторов. Возьмите кусочек проволоки и замкните контакты 3 и 1, затем 3 и 2. Будьте осторожны! Вентиляторы должны запустится, на 1-ю и 3-ю скорость. Если на обеих скоростях вентиляторы работают, то проблема в неисправном датчике. Если после вышеописанных манипуляций вентиляторы не закрутились, то нужно смотреть реле 2 и 8 по схеме на рис 2.
- Если вентиляторы запускаются поздно или рано. В этом случае проблема скорее в самом датчике. Многое зависит от того, какой прибор вы используете. Если руководствуетесь только прибором на панели, то стоит перепроверить срабатывание датчика каким-либо другим прибором (тепловизор, пирометр или градусник, работающий в данном диапазоне температур). Если включение вентиляторов происходит с запозданием, это не говорит о 100 % неисправности датчика, в таком случае может оказаться забит грязью радиатор. Вся грязь собирается на дне радиатора и теплопередача от ОЖ к датчику уже не та.
- Вентиляторы крутятся постоянно, при включенном зажигании. Сдернуть разъем с датчика включения вентиляторов, если вентиляторы продолжают вращаться, то проверить реле 2 и 8 по схеме на рис 2, возможно, что у них сварились контакты. Эти реле расположены в дополнительном блоке реле. Если при снятии разъема вентиляторы остановились, то датчик под замену.
Для замены датчика нам понадобится трубчатый ключ на 32.
Рис 3 – Трубчатый ключ и датчик.
Сливать охлаждающую жидкость для замены датчика вовсе не обязательно.
Перед заменой датчика дать двигателю остыть, если до этого он работал, чтобы не обжечь руки горячей ОЖ.
Снимаем разъем с датчика. Одеваем на датчик трубчатый ключ и выворачиваем его, но не до конца.
Рис 4 – Отворачиваем датчик.
Берем в другую руку новый датчик и быстро переставляем датчики местами. Чем лучше ваша реакция, тем меньше потеряете ОЖ. Так что потери жидкости совсем не существенные.
Рис 5 – Установили новый датчик.
Одеваем разъем на датчик и проверяем.
Китайские датчики не надежны, лучше приобрести старый, но оригинальный датчик с разбора.
голоса
Рейтинг статьи
Принцип работы электросхемы климат контроля
Электросхема климат контроля в автомобиле Ауди 100 с3 представляет собой комплексную систему, которая отвечает за управление и контроль климатическими параметрами в салоне автомобиля. Она осуществляет автоматическую регулировку температуры, вентиляции и обдува с использованием различных элементов.
Основным элементом электросхемы климат контроля является климат-контрольный блок, который представляет собой центральную консоль, расположенную на передней панели автомобиля. В этот блок встроены различные кнопки и регуляторы, с помощью которых водитель может выбирать желаемую температуру и режим работы системы климат-контроля.
Электросхема также включает в себя датчики температуры воздуха, расположенные в различных зонах салона автомобиля. Эти датчики постоянно мониторят температуру и передают полученные данные в климат-контрольный блок.
Климат-контрольный блок анализирует данные от датчиков и, исходя из заданных настроек и режимов работы, управляет работой кондиционера, обдува, вентилятора и других систем, чтобы достичь желаемого уровня комфорта в салоне.
Кроме того, электросхема климат контроля содержит защитные элементы, такие как предохранители и реле, которые обеспечивают безопасность и надежную работу системы.
Вся электросхема климат контроля в Ауди 100 с3 тщательно разработана и интегрирована в общую электрическую схему автомобиля, обеспечивая надежную работу системы и комфортные условия для водителя и пассажиров.













