Электрическая схема газелей
Содержание
- 1 Блоки под капотом
- 2 Видео «Ремонт электрики Газели»
- 3 Змз 406 инжектор электросхема и распиновка. Схема электрооборудования газель
- 4 Общие сведения
- 5 Важные особенности и рекомендации по цветовой проводке задних фонарей Газель 3302
- 6 монтаж проводки своими руками, видео, фото
- 7 Резюме
- 8 Как определить неисправность?
- 9 Схема электропроводки Газель 406: особенности устройства
- 10 Схемы электрооборудования автомобилей Газель ГАЗ
- 11 Монтаж света на Газель 3302: схемы и рекомендации
- 12 Схема и контакты комбинации приборов Газель
- 13 Схема электропроводки Газель 406: особенности устройства
- 14 Электросхемы — Клуб Газелистов России
- 15 Как определить неисправность?
- 16 Как определить неисправность?
- 17 Возможные неполадки проводки и методы их устранения
Блоки под капотом
Под капотом находятся некоторые дополнительные элементы предохранителей и реле Газ 31105 крайслер.
Блок предохранителей
Крепится на левом брызговике и состоит из плавких вставок, закрыт защитной крышкой.
Схема
Назначение
- 60 А защищает цепь анти блокировочной системы тормозов (АБС);
- 60 А практически все цепи питания потребителей автомобиля, кроме стартерной и защищаемых остальными предохранителями блока;
- 40 А цепи питания освещения и световой сигнализации автомобиля;
- 90 А цепи аккумуляторной батареи, генератора, электро омывателя фар (при его наличии) и цепь питания электро вентилятора радиатора системы охлаждения двигателя.
С июля 2006 года через этот предохранитель подключен к генератору вывод «А29» блока управления двигателем, через который осуществляется функция управления током возбуждения генератора (регулировка напряжения в бортовой сети автомобиля).
Видео «Ремонт электрики Газели»
Привет! Тема довольно таки изъезженная, но как не выложить свой вариант))). Расскажу наверно только о необходимом для этого, так как если задумал ставить, значит с поставить проблем не возникнет, а вот то что приобрести для переделки, по этому поводу вопросы возникают часто. С одной стороны, исходя из бюджетности переделки, можно приобрести волгу, все с нее поснимать и потом по мере возможности всю мелочь заменить, другой путь с примерно таким же бюджетом, что то большое и железное приобрести на разборках, а всякую электро мелочевку сразу взять новую, и потом не мучиться со старческими поломками.
Так вот, мой вариант того, что желательно использовать при переделке:
Коллектор впускной 406, ну это соответственно сами «рога».
почему?, потому, что он больше чем 406 старого образца, и моторке на оборотах дышать полегче.
можно и другой, у которого датчик в другую сторону, сама суть не в этом. Разница между 406 и 405 в механизме управления заслонкой, вот по этой причине 406 дроссель в газельке не будет открываться более 70%(кажется), и нужно переделывать саму педаль.
Топливная рампа с регулятором давления и обраткой, форсунки.
Выпускной вал с резьбой и штифтом под отметчик РВ, желательно вал оставить с 240 фазой, будет большая тяга с низов, такие устанавливают на Е3 моторах (405.24). У меня сейчас впуск 252, выпуск 240, с 1800 начинает чувствоваться что машина поехала.
Жгут двигателя, либо с Волги 406, либо газель 405 Е0 (но его нужно поискать)
РДВ (он же РХХ), 405 и 406 одинаковые.
Датчик Распред вала (для его установки из ГБЦ нужно выбить заглушку).
Датчик температуры воздуха, такой же как и просто температурный, главное рыжий или аналог.
ДМРВ с воздушным фильтром и соединительными патрубами. Какой ДМРВ, зависит от прошивки и самого ЭБУ, главное что бы прошивка была для ЗМЗ 406.2 (Микас 5.4 все под нитяной). Подробнее по прошивкам здесь chiptuner.ru
Соответственно сам ЭБУ, выбор стандартно не велик…
по электрике, это как бы все если делается Е0 мотор, если нет, то могут еще детальки понадобиться, на вроде адсорбера, ДК.
Электро бензонасос с кронштейном, советую поставить более производительный, или если покупаете новый, то такой
качает 6 атмосфер, и производительность высокая.
Топливный фильтр тонкой очистки с кронштейном.
Катушку зажигания советую ставить такую
под нее нужен кронштейн и переходник, искру дает хорошую. Провода ВВ под нее свои.
Вроде как и все, не все если, то добавьте)
И напоследок…Распиновка волжского жгута под пустой микас 5.4

и общий вид переходника для сращивания проводки с 406.3 газели и проводки с волги под микас 5.4
Змз 406 инжектор электросхема и распиновка. Схема электрооборудования газель
Очень часто владельцы Газелей при замене силовых агрегатов с карбюраторных версий на инжекторные, сталкиваются с необходимостью замены электрической проводки в автомобиле, поскольку существуют серьезные различия в электрической схеме.
Однако, не всегда полная замена оправдана, поскольку ремонт не затрагивает другие электрические устройства кроме системы зажигания и впрыска топлива.
Соответственно, что собираясь заменить двигатель на Газели, владельцы отдают предпочтение более современному инжекторному мотору, например ЗМЗ-4061 или ЗМЗ-4063 .
Как правило, капитального ремонта требуют автомобили Газель, выпущенные до 2001 года, и имевшие карбюраторные версии силовых агрегатов.
Тогда часто устанавливался 402 мотор, а схема проводки Газель на мотор 406, который появился в производственной программе автозавода в 1998 году, имела свои конструктивные особенности, не совместимые с разными типами двигателей.
Общие сведения
Схема электропроводки в автомобиле ГАЗ с двигателем карбюратор или инжектор состоит из множества компонентов.
- Система зажигания. Этот узел состоит из разных компонентов, основными являются распределительное устройство, свечи, а также высоковольтные провода, передающие заряд. От работоспособности этой системы зависит функциональность двигателя и его работа в принципе.
- Оптическая система. В нее входят все внешние фары, начиная от габаритов и заканчивая стоп-сигналами и противотуманками.
- Освещение в салоне авто, в том числе на приборной панели.
- Электронная система управления двигателем (в зависимости от модели авто).
- Система стеклоочистки, включающая в себя электродвигатель и щетки стеклоочистителя.
- Топливная система, одним из основных компонентов которой является насос.
- Аккумуляторная батарея и генераторный узел.
- Аудиосистема, если имеется, и т.д.
Важные особенности и рекомендации по цветовой проводке задних фонарей Газель 3302
Цветовая проводка задних фонарей для Газели 3302 является важной составляющей электрооборудования автомобиля и имеет свои особенности и рекомендации по применению. Основные цвета проводки задних фонарей Газель 3302:
Основные цвета проводки задних фонарей Газель 3302:
- Красный — цвет проводки для задних фонарей, осуществляющих функцию стоп-сигнала. Красная проводка соединяется соответствующим образом с каждым из задних фонарей, чтобы обеспечить их работу при активации стоп-сигнала.
- Желтый — цвет проводки для задних фонарей, осуществляющих функцию поворотного сигнала. Желтая проводка соединяется с задними фонарями для активации поворотного сигнала на соответствующей стороне автомобиля.
- Белый — цвет проводки для задних фонарей, осуществляющих функцию заднего хода. Белая проводка соединяется с задними фонарями, чтобы они светились при активации режима заднего хода.
- Зеленый — цвет проводки для задних фонарей, осуществляющих функцию фонаря противотуманного заднего света. Зеленая проводка соединяется с фонарями противотуманного света для их активации.
- Синий — цвет проводки для задних фонарей, осуществляющих функцию заднего габаритного света. Синяя проводка соединяется с фонарями заднего габаритного света для их работы.
Важно соблюдать правильное подключение проводки задних фонарей Газель 3302, чтобы обеспечить их корректную работу. Для этого следует использовать схему цветовой проводки, предоставленную производителем
Если вы не уверены в правильном подключении, рекомендуется обратиться к специалистам или в автосервис для предотвращения возможных неисправностей или аварийной ситуации.
При работе с электрооборудованием автомобиля всегда рекомендуется соблюдать меры предосторожности, такие как отключение аккумуляторной батареи, использование изолирующих перчаток и инструментов, а также внимательность при работе с проводкой и электрическими соединениями. Использование правильной цветовой проводки для задних фонарей Газель 3302 обеспечит безопасность и удобство при движении на автомобиле
В случае неисправностей или сомнений рекомендуется обратиться к производителю или специалистам для получения дополнительной информации и рекомендаций
Схема цветовой проводки задних фонарей Газель 3302:
Цвет проводки
Функция задних фонарей
Красный
Стоп-сигнал
Желтый
Поворотный сигнал
Белый
Задний ход
Зеленый
Противотуманный задний свет
Синий
Задний габаритный свет
Использование правильной цветовой проводки для задних фонарей Газель 3302 обеспечит безопасность и удобство при движении на автомобиле. В случае неисправностей или сомнений рекомендуется обратиться к производителю или специалистам для получения дополнительной информации и рекомендаций.
монтаж проводки своими руками, видео, фото
После рестайлинга в 2003 и 2010 году популярный в России грузовик получил и новое имя — «Газель-Бизнес». Но не только приставку к названию и измененную облицовку получил автомобиль – доработке подверглись более 20 узлов, а всего в конструкцию автопроизводителем было внесено 130 изменений, включая и переработанную электрическую схему.
Если сравнивать первенца, увидевшего свет в далеком 1994 году и новинкой, то переделки оказались существенными. Накопленный за годы эксплуатации опыт обслуживания позволил сформулировать задачи для конструкторов и инженеров, которые и были реализованы в новой модели.
Рестайлинговая Газель Бизнес
Радикальные изменения электрической схемы
В частности, электропроводка Газель 3302 существенно видоизменилась благодаря появлению давно ожидаемых элементов:
- Дизельного двигателя;
- АБС в приводе тормозов;
- Кондиционера;
- Круиз-контроля.
Дизельная Газель
Заводская схема электропроводки Газель 3302
С появлением в линейке силовых агрегатов давно ожидаемых дизельных двигателей, в частности, мотора марки Cummins производства США, видоизменилась и схема электрооборудования.
Хотя дизельный двигатель и избавлен от системы зажигания, традиционной для работающих на бензине моторов, однако в его конструкции есть масса других электрических компонентов, среди которых основные это:
- Блок управления работой топливного насоса;
- Блок управления системы дожигания выхлопных газов.
Предостережение: использовать нестандартные прошивки для блока управления двигателем не рекомендуется, поскольку заводские настройки рассчитаны на уравновешивание разного крутящего момента мотора и коробки передач.
Соответственно, что проводка Газель Бизнес также подверглась изменениям (по сравнению со схемой электропроводки Газели с 402 двигателем), поскольку в дизельной версии устанавливается:
- более мощная аккумуляторная батарея,
- новый стартер с улучшенными характеристиками;
- генератор повышенной производительности;
Установка энергоемкого оборудования привела к возрастанию нагрузки в бортовой сети, что потребовало и переделки электрической схемы проводки Газели. Естественно, что автопроизводитель стал отгружать в сервисные точки и магазины автозапчастей комплекты электропроводки, соответствующие разным силовым агрегатам.
Кондиционеры Sanden
С появлением кондиционеров японской компании Sanden претерпела изменения и электропроводка на Газель 3302. Помимо дополнительных потребителей источника тока в салоне авто (блок управления), в подкапотном пространстве потребовалось электропитание и для электрического вентилятора, и для насоса.
Японский кондиционер Sanden для Газели
Тормозная система
На Газель Бизнес впервые появилась и АБС – система, не допускающая блокировки колес при торможении.
В приводе тормозов автопроизводитель стал устанавливать продукцию немецкой компании Bosch:
- главный тормозной цилиндр;
- вакуумный усилитель тормозов;
Справочно: Предпочтение было отдано 4-х канальной системе, имеющей отдельную регулировку тормозного момента каждого колеса.
С 2011 года АБС стала базовой комплектацией микроавтобусов, предназначенных для перевозки пассажиров.
Дополнительные компоненты
Схема проводки Газель бизнес также подверглась видоизменению и благодаря появлению:
- узлов и деталей фирм ZF и Sachs в приводе сцепления;
- гидроусилителя руля от ZF Lenksysteme;
- электрообогрева наружных зеркал;
- иной передней панели с новым блоком приборов;
- аудиосистемы от Blaupunkt;
- обновленного блока управления отопителем кабины.
Блок управления аудиосистемой Blaupunkt и кондиционером в Газель Бизнес
Кроме того, в виде опции к версии с силовым агрегатом от Cummins появился круиз-контроль семейства Газель-Бизнес, также потребовавший изменения электрической схемы автомобиля.
Выводы: подвергнув автомобили Газель Бизнес модернизации, автопроизводитель серьезно усовершенствовал и электропроводку, например по сравнению с моделью с 406 двигателем. Вот почему при ее замене или замене ее компонентов следует руководствоваться электрической схемой завода-изготовителя.
Резюме
Вот таким оригинальным способом можно заполучить не только рабочие детали, требуемые для переделки авто на газ, но и удешевить работу путем продажи ненужных деталей и узлов.
Теперь что касается подключения косы управления двигателем.
подключал вот по такой схеме:
f-a.d-cd.net/9616228s-960.jpg всего надо подключить три провода — от замка зажигания — два силовых провода( постоянный и предохранитель)
Читать также: Радиатор на рено сандеро
остается 3 провода два провода( + и -) из колодки идут на чек в приборку один на бензонасос ЭБУ повесил с правой стороны торпеды
Место для лампы Check выбрал не использованное окно в приборной панели
Воздушный фильтр закрепил на лонжерон двумя самодельными крепениями
ну и общий вид мотора на законном месте
Как определить неисправность?
При появлении неисправностей в работе оборудования в первую очередь нужно проверить целостность предохранительных устройств. Если в схеме проводки происходит замыкание или скачок напряжения, предохранительные элементы первые выходят из строя, защищая основные устройства и электрооборудование, подключенное к определенной цепи. Так как визуальная проверка далеко не всегда эффективна, поиск неполадки следует осуществлять при помощи тестера — мультиметра.
Процедура диагностики заключается в извлечении предохранителей из посадочных мест и дальнейшей проверке гнезд. Если вы выявили вышедший из строя предохранитель, то это не значит, что проверку можно завершать, поскольку замыкание может произойти одновременной в нескольких цепях (автор видео — Denis Legostaev).
Если в проводке авто с карбюраторным или инжекторным двигателем произошло короткое замыкание, то нужно заняться диагностикой состояния цепей. Разумеется, если все предохранители оказались целыми. Перед диагностикой следует отключить массу, непосредственно для проверки понадобится тестер или контрольная лампочка. При использовании лампы один из ее контактов следует подключить к цоколю, а другой — к центральному контакту.
Сама проверка происходит так:
- сначала ключ в замке зажигания следует выставить в положение I;
- затем к контактам в гнездах предохранителей нужно по очередь подключить щупы тестера или лампы;
- в том случае, если лампа не горит, это свидетельствует о том, что на проверяемом участке цепи нет замыканий, если же она загорается, то замыкание было обнаружено.
Еще один немаловажный момент — это диагностика целостности электроцепей. В данном случае принцип поиска довольно простой — для диагностики вам потребуется тот же тестер (подойдет вольтметр или омметр) либо лампа с проводами. Вам необходимо будет подсоединить один из контактов пробника к кузову транспортного средства, а вторым контактом произвести замер питания в соединительных местах между собой и оборудованием.
Лучше всего начинать с середины электроцепи и сначала проверять легкодоступные места. Кроме того, для диагностики обрыва следует понимать, что чаще всего повреждение цепи происходит в местах сгиба проводки. Причем как показывает практика, в жгутах провода очень редко повреждаются.
Еще одна поломка в электроцепи — это плохой контакт в местах соединений, поиск такой неисправности лучше всего осуществлять с использованием тестера — вольтметра.
Есть два метода диагностики:
- Один щуп тестера следует подключить к кузову автомобиля, а второй к выводу соединения, измерение напряжения осуществляется в двух сторон. Учтите, что при этом падение напряжения должно составить не больше 0.5 вольт.
- Следующий метод — подключите один проводок с контактом на одном конце штекера, а второй — к контакту на другой стороне данного штекера. В том случае, если тестер покажет более 0.5 вольт, это говорит о том, что контакты на штекере следует прочистить (автор видео — канал МЗС TV).
Схема электропроводки Газель 406: особенности устройства
Очень часто владельцы Газелей при замене силовых агрегатов с карбюраторных версий на инжекторные, сталкиваются с необходимостью замены электрической проводки в автомобиле, поскольку существуют серьезные различия в электрической схеме.
Однако, не всегда полная замена оправдана, поскольку ремонт не затрагивает другие электрические устройства кроме системы зажигания и впрыска топлива.

Соответственно, что собираясь заменить двигатель на Газели, владельцы отдают предпочтение более современному инжекторному мотору, например ЗМЗ-4061 или ЗМЗ-4063 .
Как правило, капитального ремонта требуют автомобили Газель, выпущенные до 2001 года, и имевшие карбюраторные версии силовых агрегатов.
Тогда часто устанавливался 402 мотор, а схема проводки Газель на мотор 406, который появился в производственной программе автозавода в 1998 году, имела свои конструктивные особенности, не совместимые с разными типами двигателей.
Схемы электрооборудования автомобилей Газель ГАЗ
Монтаж света на Газель 3302: схемы и рекомендации
При монтаже электрической проводки для света на Газель 3302 необходимо учитывать особенности автомобиля и следовать определенным схемам и рекомендациям. В этой статье мы рассмотрим основные моменты установки света на Газель 3302.
Выбор места установки световых приборов
Перед началом монтажа следует определить оптимальное место для установки световых приборов на Газель 3302. Рекомендуется расположить фары на передней части автомобиля симметрично, чтобы обеспечить равномерное освещение дороги.
Также стоит учесть следующие моменты:
- Фары должны быть установлены на достаточной высоте, чтобы не создавать ослепляющий эффект для других водителей;
- Рекомендуется использовать фары со встроенным регулированием уровня освещения для удобства при настройке.
Схема подключения света на Газель 3302
Для правильного подключения света на Газель 3302 следует использовать специальные схемы проводки. Ниже приведена основная схема подключения:
| Цвет провода | Назначение |
|---|---|
| Черный | Масса автомобиля |
| Желтый | Подача питания на головное освещение |
| Красный | Подача питания на стоп-сигналы |
| Синий | Подача питания на поворотники |
| Зеленый | Подача питания на заднее освещение |
Рекомендации по монтажу света
При монтаже света на Газель 3302 стоит учитывать следующие рекомендации:
Провода следует прокладывать в защитных трубках для предотвращения их повреждения;
При подключении проводов следует использовать клеммные соединители для надежного контакта;
Важно обеспечить герметичность световых приборов, чтобы предотвратить попадание влаги;
Перед началом работы стоит изучить инструкцию по установке световых приборов и следовать ее рекомендациям;
Если у вас нет опыта в проведении электромонтажных работ, рекомендуется обратиться к специалистам.
Следуя данным рекомендациям и схеме подключения света на Газель 3302, вы сможете безопасно и правильно установить световые приборы на вашем автомобиле.
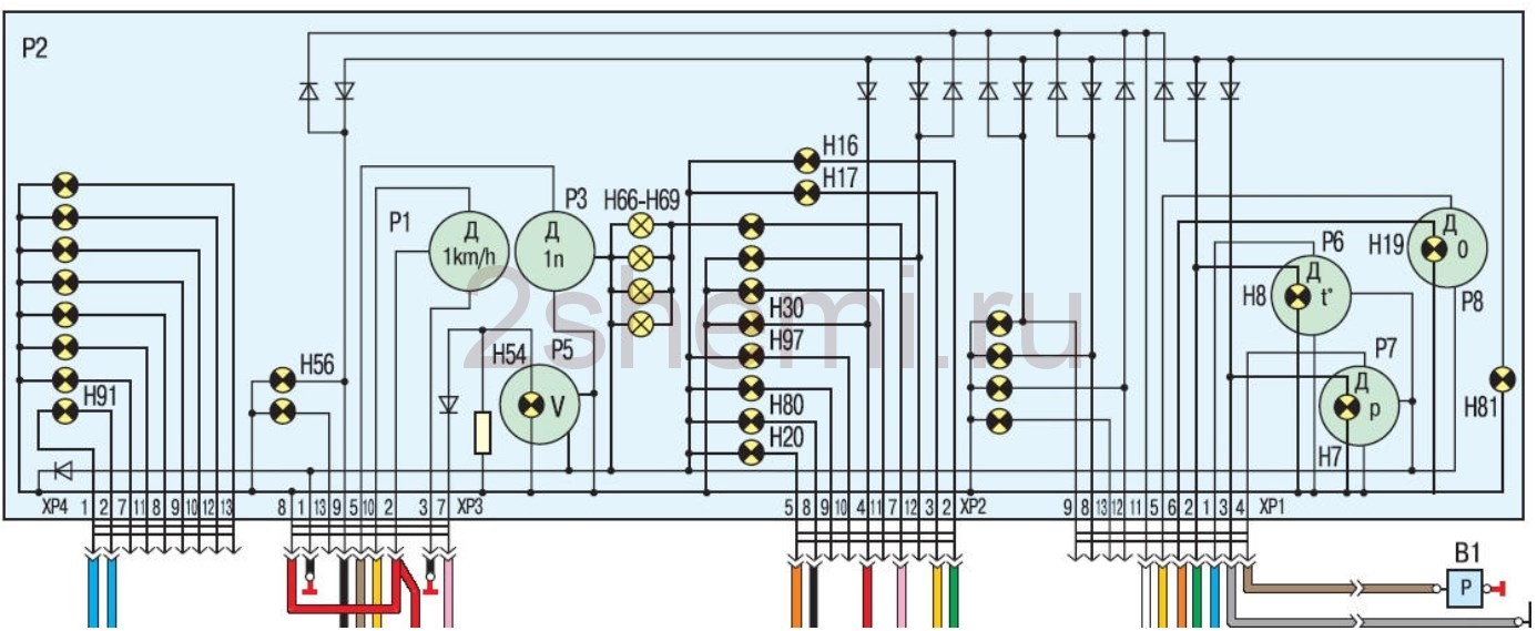
Схема и контакты комбинации приборов Газель

Разъём ХР1
1 Датчик температуры охлождающей жидкости
2 Выбор аварийной температуры охлождающей жидклсти
3 Аварийное низкое давления масла двигателя
4 Датчик давления масла
5 Датчик уровня топлива
6 ———-
7 ———-
8 Открытые двери автобуса
9 ———-
10 Открытые двери салона,капота или багажника
11 ———
12 ———
13 Неисправность электронного регулятора тормозных сил (EBD)
Разъём ХР2
1 Аккумулятор
2 Включения ламп сигнализатора поворота правого борта
3 Включения ламп сигнализатора поворота левого борта
4 Включения стояночного тормоза
5 Влючения дальнего света
6 Включения передних противотуманных фар
7 Подсветка КП
8 Включения габаритных огней
9 Включения задних противотуманных фар
10 ———
11 Включения блокировки межосевого диффиренциала
12 Включения пониженной передачи
13 Тип датчика давления масла
Разъём ХР3
1 Корпус для аналоговых сигналов
2 Зажигание
3 Корпус
4 Высоковольтный вход тахометра
5 Низковольтный вход тахометра
6 Включения ближнего света фар
7 Разряд аккумуляторной батареи
8 Зажигания
9 Низкий уровень тормозной жидкости
10 Датчик скорости
11 Выход спидометра к бортовому компютеру
12 Включения обогрева звднего стекла
13 Неисправность антиблокировочной системы тормозов(ABS)
Разъём ХР4
1 Сигнализатор диагностики(-)
2 Сигнализатор диагностики(+) и включения предпускового подогреваа двигателя(+)
3 Износ тормозных накладок
4 Включения предпускового подогрева двигателя(-)
5 ————-
6 ————-
7 ————-
8 ————-
9 —————
10 ————-
11 Низкий уровень стеклоомывающей жидкости
12 Низкий уровень охлождающей жидкости
13 Низкий уровень масла в двигателе
Разводка контактов комбинаций приборов семейства 38.3801 в различных вариантах исполнений приведена в таблице:
| Назначение вывода | 38.3801 | 382.3801 | 385.3801010 |
| Контрольная лампа воздушной заслонки карбюратора | X1.1 | X1.1 | X1.1 |
| Указатель температуры охлаждающей жидкости | X1.2 | X1.2 | X1.2 |
| Контрольная лампа перегрева охлаждающей жидкости (-) | X1.3 | X1.3 | X1.3 |
| Контрольная лампа низкого давления масла | X1.4 | X1.4 | X1.4 |
| Указатель давления масла | X1.5 | X1.5 | X1.5 |
| Указатель уровня топлива | X1.6 | X1.6 | X1.6 |
| Контрольная лампа резерва топлива (-) | X1.7 | X1.7 | ― |
| Контрольная лампа непристегнутых ремней безопасности | X1.8 |
X1.8* |
― |
| Тест (-) | X1.9 |
X1.9 |
― |
| Контрольная лампа незакрытых дверей (-) | X1.12 |
― |
X1.10* |
| Контрольная лампа перегрева масла | X1.11 | X1.11* |
― |
| Цепь 30 (постоянное питание) |
― |
― | X2.2 |
| Объединенный выход контрольной лампы STOP | X2.2 | ― |
― |
| Контрольная лампа правого указатель поворота | X2.3 | X2.3 | X2.3 |
| Контрольная лампа левого указатель поворота | X2.4 | X2.4 | X2.4 |
| Контрольная лампа стояночного тормоза | X2.5 | X2.5 | X2.5 |
| Контрольная лампа включения дальнего света фар (+) | X2.6 | X2.6 | X2.6 |
| Контрольная лампа включения противотуманных фар (+) |
― |
― |
X2.7* |
| Контрольная лампа указателей поворота прицепа (+) |
X2.12 |
X2.7* |
― |
| Индикация пониженной передачи (-) |
― |
― |
X2.8* |
| Индикация блокировки межосевого дифференциала (-) | X2.9 | X2.9* | X2.9* |
| Контрольная лампа обогрева сидений (+) | X2.10 |
X2.10 |
― |
| Контрольная лампа включения задних противотуманных фонарей (+) |
― |
X2.11* |
X2.11* |
| Контрольная лампа включения габаритного освещения (+) | X2.7 | X2.12 | X2.12 |
| Цепь освещения приборов | X2.13 | X2.13 | X2.13 |
| Контрольная лампа перегрева каталитического нейтрализатора | X2.8 | ― | ― |
| Контрольная лампа подушек безопасности (+) | X2.11 | ― | ― |
| Контрольная лампа STOP | X3.6 | ― | ― |
| Контрольная лампа ABS (-) | X3.1 | X3.1 |
X3.1, инверс |
| Масса (-) | X3.2 | X3.2 | X3.2 |
| Питание (+) спидометра | X3.3 | X3.3 | X3.3 |
| Масса (-) спидометра | X3.4 | X3.4 | X3.4 |
| Тахометр (высоковольтный вход) | ― | X3.5 | X3.5* |
| Тахометр (низковольтный вход) (-) | ― | X3.6 | X3.6 |
| Тахометр (вход от генератора) | X3.7 | ― | ― |
| Контрольная лампа ближнего всета фар (+) |
― |
― |
X3.7* |
| Контрольная лампа обогрева заднего стекла (+) | X3.8 | X2.1* | X3.8 |
| Выход спидометра к борткомпьютеру | X3.9 | X3.9 | X3.9 |
| Вход спидометра | X3.10 | X3.10 | X3.10 |
| Контрольная лампа уровня тормозной жидкости (-) | X3.11 | X3.11 | X3.11 |
| Питание (+) контрольных ламп и приборов | X3.12 | X3.12 | X3.12 |
| Контрольная лампа разряда аккумулятора | X3.13 | X3.13 | X3.13 |
| Контрольная лампа уровня масла | X4.1 | X4.1* | X4.1* |
| Контрольная лампа CHECK ENGINE (+) | X4.2 | X4.2 | X4.2 |
| Общий вывод контрольных ламп CHECK ENGINE и подогрева свечей накаливания (-) | X4.3 | X4.3 | X4.3 |
| Контрольная лампа износа тормозных колодок (-) | ― | ― | X4.4* |
| Контрольная лампа свечей накаливания (+) | ― | ― | X4.5 |
| Контрольная лампа уровня охлаждающей жидкости (-) | X4.8 | X4.8* | X4.8* |
| Контрольная лампа уровня омывающей жидкости (-) | X4.9 | X4.9* | X4.9* |
| Контрольная лампа уровня жидкости гидроусилителя руля (-) | X4.10 | X4.10* | X4.10* |
| Контрольная лампа наличия воды в топливном фильтре (+) | ― | ― | X4.11* |
| Контрольная лампа перегоревших ламп (-) | X4.11 | X4.11* |
― |
Схема электропроводки Газель 406: особенности устройства
Очень часто владельцы Газелей при замене силовых агрегатов с карбюраторных версий на инжекторные, сталкиваются с необходимостью замены электрической проводки в автомобиле, поскольку существуют серьезные различия в электрической схеме.
Однако, не всегда полная замена оправдана, поскольку ремонт не затрагивает другие электрические устройства кроме системы зажигания и впрыска топлива.
Соответственно, что собираясь заменить двигатель на Газели, владельцы отдают предпочтение более современному инжекторному мотору, например ЗМЗ-4061 или ЗМЗ-4063.
Как правило, капитального ремонта требуют автомобили Газель, выпущенные до 2001 года, и имевшие карбюраторные версии силовых агрегатов.
Тогда часто устанавливался 402 мотор, а схема проводки Газель на мотор 406, который появился в производственной программе автозавода в 1998 году, имела свои конструктивные особенности, не совместимые с разными типами двигателей.
Технические отличия
Выработавший свой ресурс силовой агрегат подвергают замене, нередко отдавая предпочтение более современным версиям.
Конструктивно все встает на заводские посадочные места, а отличия, например от Газели бизнес проявляются только в схеме электрической проводки по месту расположения оборудования:
- Другая форма соединительных колодок;
- Иная схема подключения приборов;
- Другой вольтаж.
Система питания
Оставляя в прошлом карбюратор, замена силового агрегата неизбежно влечет за собой и замену системы питания:
- Устанавливается новый бензобак, поскольку инжектор должен сбрасывать излишки топлива обратно, а старая конструкция бака для этого не пригодна;
- Заменяется бензомагистраль (прокладывается обратная + видоизменяется подключение подающей);
- Работа форсунок регулируется с помощью соединительной проводки.
Система охлаждения
Новый инжекторный двигатель ЗМЗ-406 более требователен к системе охлаждения, поэтому во время установки нового силового агрегата:
- Устанавливается электровентилятор на радиатор охлаждения;
- Осуществляется замена жгута проводки моторного отсека.
Система управления впрыском топлива
Не стоит забывать, что система питания инжекторного двигателя управляется электронным блоком, который также нуждается в подключении к штатной электросети автомобиля. Соответственно, на Газель 406 электропроводка иная, чем на старых версиях автомобиля с моторами серии 402, и подлежит обязательной замене.
Замена проводки
Совет: замена работоспособных контрольных приборов на панели из-за новых разъемов неоправданная.
Поэтому, при интеграции новой проводки лишь изменяется схема подключения в соединительных клеммах, а для совмещения следует пользоваться схемой электропроводки нового силового агрегата.
Менять всю электропроводку Газели при замене двигателя с 402 на 406 конечно не нецелесообразно.
Дело в том, что на более новых версиях Газелей изменялась и схема подключения тех или иных устройств:
- проводка Газель 406 интегрируется в штатную электрическую систему в подкапотном пространстве;
- соединяются с помощью клемм электронные компоненты и контрольные приборы;
- проверяется с помощью тестеров вольтаж и правильность подключения.
После сборки проводки в единое целое, осуществляется проверка ее работоспособности. В дальнейшем производится настройка работы силового агрегата.
Выводы: Замена силового агрегата неизбежно затрагивает изменение и штатной электропроводки автомобиля
Вот почему важно при осуществлении подобной операции иметь под рукой наглядное пособие, а заводская схема электропроводки Газели позволит избежать ошибок
Электросхемы — Клуб Газелистов России
Схема управления двигателем ЗМЗ 40524 ЕВРО3
Схемы, звуковые сигналы, прикуриватель розетка, магнитола, обогрев сидения водителя, блокируемый дифференциал для автомобиля ГАЗель Некст
Схемы электростеклоподемники, электропривод и обогрев зеркал, стеклоочиститель ГАЗель Некст
Схема комбинации приборов, центрального замка, плафона освещения водителя ГАЗель Некст
Схема системы отопления и предпускового подогревателя газель некст
Схема наружного освещения для автомобиля семейства Газель Некст A21R23
Схема Выключатель приборов и стартера, блок реле и предохранителей в салоне Газель Некст A21R23
Схема блок реле и предохранителей по капотом для автомобиля Газель Некст A21R23 и его модификаций
Схема электрическая принципиальная управления двигателем автомобиля ГАЗель Next
Схема электрическая принципиальная автомобилей семейств ГАЗель, Соболь с двигателем Cummins isf 2.8
Схема электрическая АБС 8.1 тормозов автомобиля Соболь-Бизнес 4х2 с двигателем Cummins от 07.11
Схема электрическая принципиальная автомобиля ГАЗель с двигателем УМЗ с ГБО Евро-4 сжиженный газ
Схема электрическая принципиальная управления двигателем ГАЗель с УМЗ с ГБО Евро-4 сжиженный газ.
Схема электрическая принципиальная автомобиля Соболь Бизнес 4х4 с двигателем Cummins.
Схема электрическая принципиальная автомобиля ГАЗель-Бизнес 4х4 с двигателем Cummins.
Как определить неисправность?
При появлении неисправностей в работе оборудования в первую очередь нужно проверить целостность предохранительных устройств. Если в схеме проводки происходит замыкание или скачок напряжения, предохранительные элементы первые выходят из строя, защищая основные устройства и электрооборудование, подключенное к определенной цепи. Так как визуальная проверка далеко не всегда эффективна, поиск неполадки следует осуществлять при помощи тестера — мультиметра.
Процедура диагностики заключается в извлечении предохранителей из посадочных мест и дальнейшей проверке гнезд. Если вы выявили вышедший из строя предохранитель, то это не значит, что проверку можно завершать, поскольку замыкание может произойти одновременной в нескольких цепях (автор видео — Denis Legostaev).
Если в проводке авто с карбюраторным или инжекторным двигателем произошло короткое замыкание, то нужно заняться диагностикой состояния цепей. Разумеется, если все предохранители оказались целыми. Перед диагностикой следует отключить массу, непосредственно для проверки понадобится тестер или контрольная лампочка. При использовании лампы один из ее контактов следует подключить к цоколю, а другой — к центральному контакту.
Сама проверка происходит так:
- сначала ключ в замке зажигания следует выставить в положение I;
- затем к контактам в гнездах предохранителей нужно по очередь подключить щупы тестера или лампы;
- в том случае, если лампа не горит, это свидетельствует о том, что на проверяемом участке цепи нет замыканий, если же она загорается, то замыкание было обнаружено.
Еще один немаловажный момент — это диагностика целостности электроцепей. В данном случае принцип поиска довольно простой — для диагностики вам потребуется тот же тестер (подойдет вольтметр или омметр) либо лампа с проводами. Вам необходимо будет подсоединить один из контактов пробника к кузову транспортного средства, а вторым контактом произвести замер питания в соединительных местах между собой и оборудованием.
Лучше всего начинать с середины электроцепи и сначала проверять легкодоступные места. Кроме того, для диагностики обрыва следует понимать, что чаще всего повреждение цепи происходит в местах сгиба проводки. Причем как показывает практика, в жгутах провода очень редко повреждаются.
Еще одна поломка в электроцепи — это плохой контакт в местах соединений, поиск такой неисправности лучше всего осуществлять с использованием тестера — вольтметра.
Есть два метода диагностики:
- Один щуп тестера следует подключить к кузову автомобиля, а второй к выводу соединения, измерение напряжения осуществляется в двух сторон. Учтите, что при этом падение напряжения должно составить не больше 0.5 вольт.
- Следующий метод — подключите один проводок с контактом на одном конце штекера, а второй — к контакту на другой стороне данного штекера. В том случае, если тестер покажет более 0.5 вольт, это говорит о том, что контакты на штекере следует прочистить (автор видео — канал МЗС TV).
Как определить неисправность?
При появлении неисправностей в работе оборудования в первую очередь нужно проверить целостность предохранительных устройств. Если в схеме проводки происходит замыкание или скачок напряжения, предохранительные элементы первые выходят из строя, защищая основные устройства и электрооборудование, подключенное к определенной цепи. Так как визуальная проверка далеко не всегда эффективна, поиск неполадки следует осуществлять при помощи тестера — мультиметра.
Процедура диагностики заключается в извлечении предохранителей из посадочных мест и дальнейшей проверке гнезд. Если вы выявили вышедший из строя предохранитель, то это не значит, что проверку можно завершать, поскольку замыкание может произойти одновременной в нескольких цепях (автор видео — Denis Legostaev).
Если в проводке авто с карбюраторным или инжекторным двигателем произошло короткое замыкание, то нужно заняться диагностикой состояния цепей. Разумеется, если все предохранители оказались целыми. Перед диагностикой следует отключить массу, непосредственно для проверки понадобится тестер или контрольная лампочка. При использовании лампы один из ее контактов следует подключить к цоколю, а другой — к центральному контакту.
Сама проверка происходит так:
- сначала ключ в замке зажигания следует выставить в положение I;
- затем к контактам в гнездах предохранителей нужно по очередь подключить щупы тестера или лампы;
- в том случае, если лампа не горит, это свидетельствует о том, что на проверяемом участке цепи нет замыканий, если же она загорается, то замыкание было обнаружено.
Еще один немаловажный момент — это диагностика целостности электроцепей. В данном случае принцип поиска довольно простой — для диагностики вам потребуется тот же тестер (подойдет вольтметр или омметр) либо лампа с проводами. Вам необходимо будет подсоединить один из контактов пробника к кузову транспортного средства, а вторым контактом произвести замер питания в соединительных местах между собой и оборудованием.
Лучше всего начинать с середины электроцепи и сначала проверять легкодоступные места. Кроме того, для диагностики обрыва следует понимать, что чаще всего повреждение цепи происходит в местах сгиба проводки. Причем как показывает практика, в жгутах провода очень редко повреждаются.
Еще одна поломка в электроцепи — это плохой контакт в местах соединений, поиск такой неисправности лучше всего осуществлять с использованием тестера — вольтметра.
Есть два метода диагностики:
- Один щуп тестера следует подключить к кузову автомобиля, а второй к выводу соединения, измерение напряжения осуществляется в двух сторон. Учтите, что при этом падение напряжения должно составить не больше 0.5 вольт.
- Следующий метод — подключите один проводок с контактом на одном конце штекера, а второй — к контакту на другой стороне данного штекера. В том случае, если тестер покажет более 0.5 вольт, это говорит о том, что контакты на штекере следует прочистить (автор видео — канал МЗС TV).




















