Vaz-2105
Содержание
- 1 Руководство по демонтажу и замене
- 2 Схема инжектора ВАЗ 2105
- 3 Порядок разборки блока предохранителей «пятерки»
- 4 Схема карбюраторного ВАЗ 2105
- 5 Электрооборудование ВАЗ 2105 — схема
- 6 Обследование работы инжекторов
- 7 Схема ВАЗ-21053 с генератором 37.3701
- 8 Описание схемы электрооборудования ВАЗ-2105
- 9 Что представляет собой схема
- 10 Блок предохранителей ВАЗ 2104 2105
- 11 Схема предохранителей и реле 2105
- 12 Замена электропроводки ВАЗ 2104
- 13 Трудности при ремонте электрического оборудования
- 14 Второй вариант схемы
Руководство по демонтажу и замене
Самостоятельно меняем плавкие предохранители
Прежде чем приступить к замене предохранительных устройств, расположенных в основном блоке, необходимо выключить зажигание и клеммы от аккумуляторной батареи под капотом.
Процедура замены осуществляется так:
- Найдите место установки устройства. На пластиковой накладке блока имеются фиксаторы, на них следует нажать. Сняв накладку, вы сможете увидеть схему, нанесенную на обратную сторону, здесь указывается месторасположения и назначение всех применяемых элементов.
- Затем нужно выявить, какое устройство вышло из строя и подлежит замене. Иногда определить поломку можно визуально — сам компонент может быть перегоревший, иногда в нем явно видна оборванная нить.
- Под крышкой девайса вы увидите пинцет, его можно использовать для снятия устройства. При отсутствии пинцета можно взять пассатижи.
- Извлеките выгоревший элемент и замените его на новый, после чего установите на место крышку и подключите клеммы аккумулятора (видео снято и опубликовано каналом AVTOCLUB_22).
Замена плавких предохранителей противотуманных фар
При поломке противотуманной оптики следует в первую очередь произвести диагностику работы устройства. Компонент расположен в салоне машины.
Для проверки и замены выполните следующие действия:
- Сначала вам потребуется крестовая отвертка, используйте ее для снятия двух переключателей, расположенных в средней части консоли, в районе установки аудиосистемы.
- Используя отвертку, вам необходимо будет отжать два крепления.
- Затем снимите пластиковую вставку.
- Теперь вы сможете извлечь корпус предохранителя. Демонтируйте защитную крышку устройства и произведите замену детали на новую.
Схема инжектора ВАЗ 2105
1 – электродвигатель вентилятора системы охлаждения двигателя; 2 – монтажный блок; 3 – регулятор холостого хода; 4 – электронный блок управления; 5 – октан-потенциометр; 6 – свечи зажигания; 7 – модуль зажигания; 8 – датчик положения коленчатого вала; 9 – электробензонасос с датчиком уровня топлива; 10 – тахометр 2105; 11 – контрольная лампа “CHECK ENGINE”; 12 – реле зажигания автомобиля; 13 – датчик скорости; 14 – колодка диагностики; 15 – форсунка; 16 – клапан продувки адсорбера; 17, 18, 19 – предохранители системы впрыска; 20 – реле зажигания системы впрыска; 21 – реле включения электробензонасоса; 22 – реле электроподогревателя впускной трубы; 23 – электроподогреватель впускной трубы; 24 – предохранитель подогревателя впускной трубы; 25 – датчик концентрации кислорода; 26 – датчик температуры охлаждающей жидкости; 27 – датчик положения дроссельной заслонки; 28 – датчик температуры воздуха; 29 – датчик абсолютного давления;
- А – к клемме “плюс” аккумуляторной батареи;
- В – к клемме “15” выключателя зажигания;
- Р4 – реле включения электродвигателя вентилятора.
Порядок разборки блока предохранителей «пятерки»
Неисправности монтажного блока могут возникнуть в любой момент, поэтому автовладельцу следует научиться самостоятельно производить его разборку или замену. Под рукой всегда должна находиться схема предохранительного блока.
При возникновении неполадок в работе какого-либо электрического узла не следует сразу приниматься за ремонт соответствующего электродвигателя. Существует большая вероятность, что причиной поломки является именно предохранительный блок.
Расположение блока предохранителей отличается у автомобилей ВАЗ 2105 старого и нового образца:
- У «пятерки» старого образца внутренний блок предохранителей, находящийся внутри салона — его можно найти непосредственно под панелью приборов рядом с водительской дверью;
- А блок предохранителей ВАЗ 2105 нового образца располагается под капотом рядом с лобовым стеклом.
Для снятия крышки монтажного блока, ее нужно с небольшим усилием потянуть вверх. После этого можно приступать к ревизии предохранительных элементов.
Все предохранители отличаются по основному параметру — току срабатывания. На автомобилях ВАЗ 2105 используются предохранительные элементы, рассчитанные на силу тока от 6 до 20 А. Их следует подбирать в соответствии с мощностью потребления. Ни в коем случае нельзя использовать предохранитель, намного превышающий по параметрам требуемый, так как это может спровоцировать возникновение короткого замыкания электрооборудования.
Установка дополнительного электрооборудования часто вызывает необходимость пересчитать показатель максимального тока предохранителей. Для этого мощность потребителя следует разделить на величину напряжения бортовой сети «пятерки» (12) и подобрать элемент, ток срабатывания которого максимально приближен к полученному числу (в идеале, превышающий его на 20—25%).
Как заменить блок предохранителей ВАЗ 21053/ 21051/ 21055 :
В связи с тем, что основная функция блока предохранителей заключается в защите от электроповреждений более важных деталей автомобиля, он перегорает достаточно часто.
Для его замены следует приобрести новый рабочий блок и специальный накидной ключ на 13 мм.
Замена монтажного блока выполняется в таком порядке:
- Снимаем шурупы, которые закрепляют корпус блока;
- Смещаем колодки, которые подключаются снизу блока;
- Раскручиваем фиксаторы гаечным ключом на 10 мм;
- Снимаем старый блок и устанавливаем на его место новый.
Для установки предохранителей следует сверяться со схемой, так как при неправильном их размещении возникает высокая вероятность поломки нового блока.
Колодки блока предохранителей одинаковые, и для того чтобы разобраться, какого цвета пучок проводов следует подключить к тому или иному разъему блока, применяют специальную маркировку. Под колодками находится круглая цветовая метка: зеленого, голубого, белого, черного, красного или желтого цветов.
Для обозначения цветов проводов используют буквенные обозначения. Если провод двойного цвета, используют две буквы: первая — это цветовое обозначение провода, вторая — нанесенной на него полосы. Например, ПЧ — красный провод с черной полосой.
Применяются следующие буквенные обозначения цветов: Г — голубой; Ж — желтый; Ч — черный; П — красный; О — оранжевый; Р — розовый; З — зеленый; К — коричневый; С — серый; Б — белый; Ф — фиолетовый.
Схема карбюраторного ВАЗ 2105
Это цветная схема электрооборудования VAZ 2105. В верхней части изображения справа указаны цвета проводов, снизу — обозначения элементов.
1 – блок-фары,
2 – боковые указатели поворота,
3 – аккумуляторная батарея,
4 – реле включения стартера,
5 – электропневмоклапан экономайзера принудительного холостого хода карбюратора,
6 – стартер,
7 – микропереключатель карбюратора,
8 – генератор 37.3701,
9 – очистители фар,
10 – звуковые сигналы,
11 – свечи зажигания,
12 – подкапотная лампа,
13 – датчик контрольной лампы давления масла,
14 – датчик указателя температуры охлаждающей жидкости,
15 – распределитель зажигания,
16 – датчик уровня тормозной жидкости,
17 – катушка зажигания,
18 – очиститель ветрового стекла,
19 – электродвигатель омывателя фар,
20 – электродвигатель омывателя ветрового стекла,
21 — блок управления электропневмоклапаном экономайзера принудительного холостого хода карбюратора,
22 – выключатель зажигания,
23 – реле зажигания,
24 – реле-прерыватель указателей поворота и аварийной сигнализации,
25 – выключатель света заднего хода,
26 – выключатель стоп-сигнала,
27 – реле очистителя ветрового стекла,
28 – монтажный блок,
29 – штепсельная розетка для переносной лампы,
30 – лампа освещения вещевого ящика,
31 – прикуриватель VAZ-2105,
32 – электродвигатель вентилятора отопителя,
33 – выключатель контрольной лампы стояночного тормоза,
34 – выключатель контрольной лампы воздушной заслонки карбюратора,
35 – трехрычажный переключатель,
36 – выключатель аварийной сигнализации,
37 – выключатель освещения приборов,
38 — выключатель наружного освещения,
39 — выключатели плафонов, расположенные в стойках дверей,
40 – предохранитель цепи противотуманного света,
41 – контрольная лампа давления масла,
42 – выключатель заднего противотуманного света,
43 – контрольная лампа резерва топлива,
44 – комбинация приборов,
45 – контрольная лампа зарядки аккумуляторной батареи,
46 – реле-прерыватель контрольной лампы стояночного тормоза,
47 – плафоны освещения салона,
48 – контрольная лампа стояночного тормоза,
49 – контрольная лампа воздушной заслонки карбюратора,
50 – блок контрольных ламп,
51 – контрольная лампа заднего противотуманного света,
52 – контрольная лампа обогрева заднего стекла,
53 – контрольная лампа уровня тормозной жидкости,
54 – вольтметр,
55 – контрольная лампа габаритного света,
56 – контрольная лампа указателей поворота,
57 – спидометр 2105,
58 – контрольная лампа дальнего света фар,
59 – переключатель вентилятора отопителя,
60 – выключатель обогрева заднего стекла,
61 – дополнительный резистор электродвигателя отопителя,
62 – штепсельный разъем для подключения бара,
63 – задние фонари,
64 – фонари освещения номерного знака,
65 – датчик указателя уровня топлива,
66 – элемент обогрева заднего стекла.
Электросхема 2105 — полный вид:

Электрооборудование ВАЗ 2105 — схема
1 — боковые указатели поворота; 2 — блок-фары; 3 -очистители фар; 4 — звуковые сигналы; 5 — электродвигатель омывателя фар; 6 — блок управления пневмоклапаном карбюратора; 7 -моторедуктор очистителя ветрового стекла; 8 — электродвигатель омывателя ветрового стекла; 9 — датчик уровня тормозной жидкости; 10 — катушка зажигания; 11 — подкапотная лампа ВАЗ-2105; 12 — распределитель зажигания; 13 — датчик контрольной лампы давления масла; 14 — свечи зажигания; 15 — датчик указателя температуры охлаждающей жидкости; 16 — генератор; 17 — микровыключатель карбюратора; 18 — аккумуляторная батарея; 19 — пневмоклапан; 20 — реле включения стартера; 21 — стартер; 22 — реле очистителя ветрового стекла; 23 — реле зажигания; 24 — реле прерыватель аварийной сигнализации и указателей поворота; 25 — выключатель стоп-сигнала; 26 — штепсельная розетка для переносной лампы; 27 — выключатель света заднего хода; 28 — выключатель контрольной лампы стояночного тормоза; 29 — монтажный блок; 30 — выключатель освещения приборов 2105; 31 — выключатель зажигания; 32 — выключатель наружного освещения; 33 — переключатель очистителя ветрового стекла; 34 — выключатель омывателя ветрового стекла и фар, очистителей фар; 35 — выключатель звуковых сигналов; 36 — переключатель света фар; 37 — переключатель указателей поворота; 38 — выключатель аварийной сигнализации; 39 — выключатель обогрева заднего стекла; 40 — электродвигатель отопителя; 41 — прикуриватель; 42 — лампа освещения вещевого ящика; 43 выключатели плафона, расположенные в стойках дверей; 44 — выключатель противотуманного света в задних фонарях; 45 — контрольная лампа давления масла; 46 — контрольная лампа резерва топлива; 47 — комбинация приборов; 48 — реле-прерыватель контрольной лампы стояночного тормоза; 49 — контрольная лампа уровня тормозной жидкости; 50 — блок контрольных ламп; 51 — контрольная лампа заднего противотуманного света; 52 — контрольная лампа стояночного тормоза; 53 — вольтметр; 54 — контрольная лампа габаритного света; 55 — спидометр; 56 — контрольная лампа указателей поворота; 57 — контрольная лампа дальнего света фар; 58 — переключатель электродвигателя отопителя; 59 — плафон; 60 — дополнительный резистор электродвигателя отопителя; 61 — задние фонари; 62 — фонари освещения номерного знака; 63 — датчик указателя уровня и резерва топлива; 64 — элемент обогрева заднего стекла; А — порядок условной нумерации штекеров в колодках трехрычажного переключателя авто.
Обследование работы инжекторов

Кроме этого, по схеме диагностики 21053 рекомендуется проверить сопротивление катушек и осмотреть проводку и контакты. Главной и наиболее распространенной проблемой в некорректной работе зажигания может быть какая-то банальная причина
Нужно обратить внимание на датчик подачи воздуха, а главное, его контакты. Чтобы провести более тщательную его диагностику, потребуется осциллограф
В принципе, для самостоятельной диагностики ВАЗ-2105 достаточно иметь необходимый набор инструментов и желание разобраться в причине неисправности
Для этих целей существует множество пособий, рекомендаций, статей, а принимая во внимание нежелание многих СТО браться за советский автопром и стоимость данных работ, ремонт своими руками будет даже предпочтительнее. Несмотря на то что ВАЗ-2105 инжектор является довольно непростым в электронике, разобраться с ним все же возможно
Отечественный автопром остается наиболее распространенным и доступным в обслуживании, поэтому многие автовладельцы предпочитают начинать свой путь водителя именно с него.
Как вам статья?
Мне нравится1Не нравится1
Схема ВАЗ-21053 с генератором 37.3701

1 — блок-фары; 2 — боковые указатели поворота; 3 — аккумуляторная батарея; 4 — реле включения стартера; 5 — электропневмоклапан карбюратора; 6 — микровыключатель карбюратора; 7 — генератор 37.3701; 8 — моторедукторы очистителей фар*; 9 — электродвигатель вентилятора системы охлаждения двигателя*; 10 — датчик включения электродвигателя вентилятора*; 11 — звуковые сигналы; 12 — распределитель зажигания; 13 — свечи зажигания; 14 — стартер VAZ-2105; 15 — датчик указателя температуры охлаждающей жидкости; 16 — подкапотная лампа; 17 — датчик контрольной лампы давления масла; 18 — катушка зажигания; 19 — датчик уровня тормозной жидкости; 20 — моторедуктор очистителя ветрового стекла; 21 — блок управления электропневмоклапаном карбюратора; 22 — электродвигатель насоса омывателя фар*; 23 — электродвигатель насоса омывателя ветрового стекла; 24 — выключатель стоп-сигнала; 25 — реле-прерыватель очистителя ветрового стекла; 26 — регулятор освещения приборов; 27 — реле-прерыватель аварийной сигнализации и указателей поворота; 28 — выключатель света заднего хода; 29 — штепсельная розетка для переносной лампы**; 30 — прикуриватель; 31 — лампа освещения вещевого ящика; 32 — монтажный блок (вместо реле КЗ установлена перемычка); 33 — выключатели плафонов на стойках передних дверей; 34 — выключатели плафонов на стойках задних дверей; 35 — плафоны; 36 — выключатель контрольной лампы стояночного тормоза; 37 — выключатель контрольной лампы воздушной заслонки карбюратора; 38 — выключатель аварийной сигнализации; 39 — трехрычажный переключатель; 40 — выключатель зажигания; 41 — реле зажигания; 42 — переключатель наружного освещения; 43 — выключатель заднего противотуманного света; 44 — предохранитель цепи противотуманного света; 45 — контрольная лампа давления масла; 46 — комбинация приборов; 47 — контрольная лампа резерва топлива; 48 — указатель уровня топлива; 49 — контрольная лампа заряда аккумуляторной батареи; 50 — указатель температуры охлаждающей жидкости; 51 — контрольная лампа воздушной заслонки карбюратора; 52 — контрольная лампа стояночного тормоза; 53 — блок контрольных ламп; 54 — контрольная лампа заднего противотуманного света; 55 — контрольная лампа обогрева заднего стекла; 56 — контрольная лампа уровня тормозной жидкости; 57 — вольтметр; 58 — спидометр; 59 — контрольная лампа наружного освещения; 60 — контрольная лампа указателей поворота; 61 — контрольная лампа дальнего света фар; 62 — переключатель вентилятора отопителя; 63 — выключатель обогрева заднего стекла с лампой подсветки*; 64 — колодка для подключения бара; 65 — электродвигатель вентилятора отопителя; 66 — дополнительный резистор электродвигателя отопителя; 67 — задние фонари; 68 — колодки для подключения к элементу обогрева заднего стекла; 69 — датчик указателя уровня и резерва топлива; 70 — фонари освещения номерного знака.
Описание схемы электрооборудования ВАЗ-2105
Нельзя сказать, что схема электрооборудования, используемая на ВАЗ-2105, является чрезвычайно сложной. Однако ее знание обязательно для ремонта или установки каких-либо новых элементов. Например, если вы решите установить инжектор вместо карбюратора или поставить систему электронного зажигания вместо привычного контактного, схема будет подвергаться переделке. Поэтому перед началом подобных работ ее необходимо тщательно изучить. Сегодня поговорим о том, как выглядит электросхема на ВАЗ-2105 и какие сложности испытывают автовладельцы при ремонте.
Что представляет собой схема
Электросхема «пятерки» является однопроводной, роль «минуса» в системе выполняет «масса» машины. Практически все цепи включает непосредственно система зажигания. На самой схеме показывается расположение основных электрических приборов и потребителей автомобиля, к числу которых можно отнести:
- Генератор.
- АКБ.
- Блок фары.
- Приборную панель.
- Контрольные лампочки.
- Реле и т. д.
Электрооборудование соединено между собой с помощью проводников разного цвета, что также отражается на конечной схеме (хотя цветовое изображение может не соответствовать указанному на схеме). Если вы умеете читать электросхемы, никаких особых сложностей в ремонте электрики у вас, скорее всего, не возникнет. Также на рисунке обозначены абсолютно все приборы и потребители тока, а также реле, предохранители и прочие элементы цепи, установленные на ВАЗ-2105.
Найти схему можно в руководстве по эксплуатации автомобиля, однако, как правило, при покупке б/у машины эту книгу уже не найти. Базовая схема позволяет разобраться в устройстве электрических цепей авто в общих чертах. Для более подробной информации существуют специальные приложения, где расписаны конкретные элементы системы.
- контактное или электронное зажигание;
- карбюратор или инжектор;
- система освещения и сигнализации;
- система отопления и т. д.
Вместе с тем даже у опытных автолюбителей возникают проблемы, связанные с ремонтом электрики на авто, и далее мы их разберем.
Основные сложности ремонта
Самой большой трудностью, особенно для начинающих автолюбителей, является тот факт, что провода в электросхеме и в реальности могут быть отмечены разными цветами. Данная проблема весьма актуальна для машин «в годах», неоднократно подвергавшихся ремонту. Прежние владельцы редко озадачиваются проблемой сохранения правильности расцветки кабелей, устанавливая первые попавшиеся под руку. Новому владельцу в таком случае придется потратить время, чтобы выяснить, что изменил бывший хозяин.
Еще более трудными являются ситуации, когда смена проводки была начата, но не доведена до конца.
Такое решение имеет сразу двойную выгоду. Во-первых, вам удастся понять, какой кабель ведет к тем или иным потребителям, а во-вторых, старая электропроводка, которая может оказаться нерабочей, будет устранена. Новые провода будут надежно служить вам на протяжении определенного времени, а значит, вам не придется заниматься «прозвоном» цепи через месяц после покупки авто.
Как вам статья?
Что представляет собой схема
Электросхема «пятерки» является однопроводной, роль «минуса» в системе выполняет «масса» машины. Практически все цепи включает непосредственно система зажигания. На самой схеме показывается расположение основных электрических приборов и потребителей автомобиля, к числу которых можно отнести:
- Генератор.
- АКБ.
- Блок фары.
- Приборную панель.
- Контрольные лампочки.
- Реле и т. д.
Электрооборудование соединено между собой с помощью проводников разного цвета, что также отражается на конечной схеме (хотя цветовое изображение может не соответствовать указанному на схеме). Если вы умеете читать электросхемы, никаких особых сложностей в ремонте электрики у вас, скорее всего, не возникнет. Также на рисунке обозначены абсолютно все приборы и потребители тока, а также реле, предохранители и прочие элементы цепи, установленные на ВАЗ-2105.

- контактное или электронное зажигание;
- карбюратор или инжектор;
- система освещения и сигнализации;
- система отопления и т. д.
Вместе с тем даже у опытных автолюбителей возникают проблемы, связанные с ремонтом электрики на авто, и далее мы их разберем.
Блок предохранителей ВАЗ 2104 2105
Где расположен монтажный блок предохранителей ВАЗ: 2104, 2105 (карбюратор, инжектор)
Монтажный блок расположен в моторном отсеке с правой стороны и закреплен на щите передка. Монтажный блок сверху закрыт крышкой, на которой нанесены символы назначения реле, номера предохранителей и защищаемые ими цепи. Большинство цепей электрооборудования автомобиля защищено плавкими предохранителями, установленными в монтажном блоке.
| Номер предохранителя | Сила тока,А | Защищаемые цепи |
| F1 | 10 | Задние фонари (сеет заднего хода). Электродвигатель отопителя Контрольная лампа и реле обогрева заднего стекла (обмотка) |
| F2 | 10 | Электродвигатели стеклоочистителя и насоса омывателя ветрового стекла. Реле очистителя ветрового стекла |
| F3 | 10 | Резервный |
| F4 | 10 | Резервный |
| F5 | 20 | Элемент обогрева заднего стекла и реле включения обогрева (контакты) |
| F6 | 10 | Прикуриватель. Штепсельная розетка переносной лампы |
| F7 | 20 | Звуковые сигналы и реле включения звуковых сигналов. Электродвигатель вентиля тора системы охлаждения двигателя и реле включения электродвигателя (контакты) |
| F8 | 10 | Указатели поворота в режиме аварийной сигнализации. Выключатель и реле-прерыватель указателей поворота и аварийной сигнализации в режиме аварийной сигнализации |
| F9 | 7.5 | Регулятор напряжения генератора (на автомобилях с генератором Г-222) |
| F10 | 10 | Указатели поворота в режиме указания поворота и соответствующая контрольная лампа. Реле-прерыватель указателей поворота. Сигнализатор указателей поворота Тахометр Указатель уровня топлива. Указатель температуры охлаждающей жидкости. Вольтметр. Реле включения электродвигателя вентилятора (обмотка). Контрольная лампа заряда аккумуляторной батареи. Контрольные лампы резерва топлива и включения стояночного тормоза. Сигнальные лампы аварийного падения давления масла и недостаточного уровня тормозной жидкости. Контрольная лампа включения стояночного тормоза. Контрольная лампа прикрытия воздушной заслонки карбюратора (для карбюраторного двигателя). Термовыключатель электровенти-лятора. Система управления пневмоклапаном карбюратора Обмотка возбуждения генератора (генератор 37.3701) |
| F11 | 10 | Задние фонари (лампы стоп-сигнала). Плафон внутреннего освещения кузова |
| F12 | 10 | Правая фара (дальний свет). Обмотка реле включения очистителей фар (при включенном дальнем сеете) |
| F13 | 10 | Левая фара (дальний свет). Контрольная лампа включения дальнего света фар |
| F14 | 10 | Левая фара (габаритный свет). Правый задний фонарь (габаритный свет). Фонари освещения номерного знака. Подкапотная лампа Контрольная лампа включения габаритного света |
| F15 | 10 | Правая фара (габаритный свет). Левый задний фонарь (габаритный свет). Лампа освещения прикуривателя. Лампа освещения приборов. Лампа освещения вещевого ящика |
| F16 | 10 | Правая фара (ближний свет). Обмотка реле включения очистителей фар (при включенном ближнем сеете) |
| F17 | 10 | Левая фара (ближний свет) |
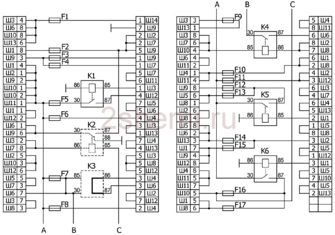
Схема соединений монтажного блока:
P1 — реле включения обогрева заднего стекла; P2 — реле включения очистителей и омывателей фар; PЗ — реле включения звуковых сигналов; P4 — реле включения электродвигателя вентилятора системы охлаждения двигателя; P5 — реле включения дальнего света фар; P6 — реле включения ближнего света фар; А — порядок условной нумерации штекеров в колодках монтажного блока. Наружная цифра с буквой «Ш» в обозначении штекера — номер колодки, а внутренняя цифра — условный номер штекера. Штекеры колодок без цветной маркировки условно показаны коричневым цветом
Расположение реле и предохранителей в монтажном блоке: 1 — реле включения обогрева заднего стекла; 2 — место для установки реле включения очистителей и омывателей фар (реле устанавливают на часть выпускаемых автомобилей); 3 — монтажная перемычка на месте реле включения звуковых сигналов (в вариантном исполнении устанавливают реле); 4 — монтажная перемычка на месте реле включения электродвигателя вентилятора си стемы охлаждения (в вариантном исполнении устанавливают реле); 5 — реле включения дальнего света фар; 6 — реле включения ближнего света фар; F1-F17 — плавкие предохранители (цепи, защищаемые плавкими предохранителями штыревого типа, указаны в табл. выше).
Приборы электрооборудования, потребляющие при работе большой ток, подключены через реле, защищающие от перегрузки контакты выключателей. Для замены штыревых предохранителей и реле в монтажном блоке предусмотрены специальные пластмассовые пинцеты. Предохранители разного номинала окрашены разным цветом; кроме того, на предохранителе нанесено числовое значение силы тока, на который он рассчитан (номинал). Цвет корпуса предохранителя и его соответствие номиналу 20А — Желтый 15А — Голубой 10А — Красный 7,5А — Коричневый
Схема предохранителей и реле 2105
Схема монтажного блока 2105-3722010-08

К1 Реле включения обогрева заднего стекла К2 Реле включения очистителей омывателей фар К3 Реле включения звукового сигнала (перемычка) К4 Реле включения электродвигателя вентилятора К5 Реле включения дальнего света фар К6 Реле включения ближнего света фар
Цепи, защищаемые предохранителями
F1 (10A) Лампы света заднего хода. Электродвигатель отопителя. Сигнализатор включения обогрева заднего стекла. Реле обогрева заднего стекла(обмотка). F2 (10A) Электродвигатели стеклоочистителя. Электродвигатели насоса омывателя ветрового стекла. Реле стеклоочистителя. Реле очистителей и омывателя фар(контакты). F3 (10A) Резервный. F4 (10A) Резервный. F5 (20A) Элемент обогрева заднего стекла. Реле включения обогрева заднего стекла(контакты). F6 (10A) Прикуриватель. Часы VAZ-2105. F7 (20A) Звуковой сигнал. Реле включения звукового сигнала. Электродвигатель вентилятора системы охлаждения радиатора. Реле включения электродвигателя вентилятора охлаждения радиатора (контакты) F8 (10A) Указатели поворота (в режиме аварийной сигнализации). Сигнализатор указателей поворотов (в режиме аварийной сигнализации). Реле-прерыватель указателей поворота и аварийной сигнализации. Выключатель аварийной сигнализации с контрольной лампой. F9 (7.5A) Лампы задних противотуманных фонарей. Сигнализатор включения ламп задних противотуманных фонарей. F10 (10A) Указатели поворота (в режиме указания поворота). Реле прерыватель указателей поворота. Сигнализатор указателей поворота. Тахометр. Указатель топлива. Сигнализатор резерва топлива. Сигнализатор включения стояночного тормоза. Сигнализатор недостаточного давления масла в системе смазки двигателя. Указатель температуры охлаждающей жидкости. Вольтметр. Сигнализатор аварийного состояния рабочей тормозной системы. Сигнализатор заряда аккумуляторной батареи. Реле электровентилятора. Обмотка возбуждения генератора(генератор 37.3701). F11 (10A) Плафоны освещения салона. Лампы стоп-сигнала. Лампы освещения багажного отделения. F12 (10A) Дальний свет фар (правая блок-фара). F13 (10A) Дальний свет фар (левая блок-фара). Сигнализатор включения дальнего света. F14 (10A) Передний габаритный огонь (левая блок-фара). Задний габаритный огонь (правый фонарь). Фонари освещения номерного знака. Сигнализатор включения габаритных огней. F15 (10A) Передний габаритный огонь (правая блок-фара). Задний габаритный огонь (левый фонарь). Лампа освещения прикуривателя. Лампа освещения приборов. Лампа освещения вещевого ящика. Часы(лампа освещения). F16 (10A) Ближний свет фар(правая блок-фара). Реле очистителей фар (обмотка реле). F17 (10A) Ближний свет фар(левая блок-фара).
Замена электропроводки ВАЗ 2104
При сбоях в подаче питания на электрооборудование прежде всего следует проверить целостность электрической цепи. Для этого необходимо:
- Обесточить проверяемый участок, отсоединив минусовую клемму аккумулятора или соответствующий предохранитель.
- Подключить контакты мультиметра к концам проблемного участка цепи, а один из щупов — к «массе».
- Если на табло мультиметра отсутствуют какие-либо показания, в цепи есть разрыв.
- Проводка меняется на новую.
Подбор проводов и замена проводки производится согласно схеме электропитания ВАЗ 2104. При этом используются штатные компоненты или компоненты от другой модели с подходящими характеристиками.Для замены проводки разбирается передняя часть салона. Провода недостаточной длины наращиваются, а соединения спаиваются и изолируются.Полностью заменить электропроводку ВАЗ 2104 своими руками практически невозможно. При возникновении такой ситуации лучше обратиться в автосервис.
Видео: замена проводки, предохранителей и реле классических моделей ВАЗ
Для замены проводки разбирается передняя часть салона. Провода недостаточной длины наращиваются, а соединения спаиваются и изолируются.
Видео: замена электропроводки в салоне и под капотом
https://youtube.com/watch?v=g6eXYa5Y_D8
Полностью заменить электропроводку ВАЗ 2104 своими руками практически невозможно. При возникновении такой ситуации лучше обратиться в автосервис.
Трудности при ремонте электрического оборудования

Еще одна трудность при ремонте ВАЗ-2105, с которой можно столкнуться автовладельцу, это частичная замена проводки. Предыдущий владелец мог заменить лишь часть проводов, этим доставив нынешнему хозяину массу хлопот. Такая ситуация вызывает еще большую путаницу, и в данном случае будет резоннее просто заменить всю проводку.
Наиболее распространенная причина поломки ВАЗ-2105 – это поврежденная изоляция провода или отсутствие контакта. В этой ситуации необходимо при помощи специального прибора протестировать все участки проводки. Нерабочую электропроводку меняют на новую или можно заменить часть нерабочего провода. Если повреждена изоляция, то с помощью изоленты устраняют данную проблему.
Второй вариант схемы

- блок-фары
- боковой повторитель указателя поворота
- аккумулятор
- реле лампы для контроля зарядки аккумулятора
- электропневмоклапан
- микропереключатель карбюратора
- генератор
- очиститель стекол фар
- звуковой сигнал
- стартер
- лампа-сигнализатор ВМТ двигателя
- подкапотная лампа
- датчик контрольной лампы давления масла
- датчик указателя температуры охлаждающей жидкости
- датчик уровня жидкости в бачке гидропривода тормозов
- свечи
- двигатель насоса, приводящего омыватель лобового стекла
- крышка распределителя
- распределитель
- катушка зажигания
- электродвигатель насоса, обслуживающего омыватели фар
- электронный блок управления
- диагностическая колодка (устанавливается на часть автомобилей)
- реле стеклоочистителя лобового стекла
- реле-прерыватель указателей поворота и аварийной сигнализации
- электродвигатель стеклоочистителя
- выключатель стоп-сигнала
- электромотор отопителя (печки)
- добавочное сопротивление
- патрон переносной лампы
- выключатель света заднего хода
- выключатель контрольной лампы ручного тормоза
- блок реле и предохранителей
- реле ближнего света фар
- реле дальнего света фар
- реле звукового сигнала
- реле стеклоочистителей и омывателей фар
- реле обогрева заднего стекла
- лампа освещения вещевого ящика
- прикуриватель
- выключатели плафона освещения
- плафон освещения салона
- выключатель обогрева заднего стекла
- выключатель аварийной сигнализации с контрольной лампой
- блок контрольных ламп
- контрольная лампа заднего противотуманного света
- контрольная лампа ручного тормоза
- контрольная лампа, сигнализирующая о падении уровня тормозной жидкости
- рычаг включения стеклоочистителя и омывателя лобового стекла
- реле-прерыватель контрольной лампы ручного тормоза
- выключатель звуковых сигналов
- выключатель наружного освещения
- рычаг-переключатель указателей поворота
- рычаг-переключатель света фар
- замок зажигания
- выключатель освещения приборов
- выключатель задних противотуманных фонарей
- комбинация приборов
- контрольная лампа, сигнализирующая о недостаточном давлении масла
- контрольная лампа резерва топлива
- указатель уровня топлива
- контрольная лампа зарядки аккумулятора
- указатель температуры воды
- лампы освещения приборов
- вольтметр
- спидометр
- контрольная лампа включения внешнего освещения
- контрольная лампа указателей поворота
- контрольная лампа дальнего света фар
- трехпозиционный выключатель вентилятора отопителя (печки)
- обогреватель заднего стекла
- датчик указателей уровня и резерва топлива
- блок задних фонарей
- фонари освещения номерного знака ВАЗ 2105










