Приложение b. схемы основной электрической системы уаз
Содержание
- 1 Где находится предохранитель бензонасоса уаз хантер
- 2 Схемы электрооборудования Уаз хантер
- 3 Взаимосвязь мотора и схемы
- 4 Центральный и ножной переключатель света УАЗ-452, включатель света стоп-сигнала и звуковой сигнал
- 5 — truckfreemanuals
- 6 Схема электропроводки УАЗ 469: особенности подкапотного пространства
- 7 Проблемы, связанные с реле бензонасоса в УАЗ Хантер 409
- 8 Особенности
- 9 Ремонт и замена реле в схеме поворотов Хантера
- 10 Схема электропроводки УАЗ: особенности модификаций с мультифункциональным управлением
- 11 Схема электросистемы УАЗ Хантер 409
Где находится предохранитель бензонасоса уаз хантер
Блок находится под капотом рядом с ваккумным усилителем тормоза. Несколько раз был причиной того, что машина не заводилась (не работал бензонасос)
Оригинальный блок не нашел. Были закуплены стандартные колодки реле и колодки под предохранители (взял от старой сигналки)
Автомобиль УАЗ «Hunter» представляет собой модернизированную модель из линейки военного автотранспорта, адаптированного к гражданскому применению.
Машина отличается от своих предшественников более усовершенствованными узлами и агрегатами.
Электрооборудование автомобиля соответствует требованиям и стандартам, предъявляемым к современным автомобилям. Обновления коснулись также предохранителей.
Электронная система автономной диагностики в значительной степени упрощает процедуру определения возможных поломок с механизмами, которые связаны с электропитанием.
Электрооборудование
Каждый узел надежно защищен от непредвиденного повышения тока специальными плавкими вставками (предохранителями). Они собраны в едином монтажном блоке, состоящем из двух линеек, в каждой из которых находится 13 разъемов с плавкими вставками.
Компактный блок устанавливается внутри салона автомобиля с левой стороны от рулевой колонки. Чтобы было удобно осматривать элементы блока, чуть выше от него закреплена специальная лампа подсветки с встроенным выключателем.
В подкапотном пространстве УАЗ Хантер крепится еще один блок, с предохранителями ленточного типа.
Каждая вставка отвечает за определенное направление:
- пусковой выключатель;
- осветительные приборы снаружи авто;
- подогрев топливного фильтра;
- работа свечей зажигания.
Задачей плавких вставок одного и второго блоков состоит в защите электрических цепей оборудования от перегрузки и короткого замыкания. Корпуса предохранителей имеют разную расцветку и на них указывается номинальное значение силы тока.
Плавкие вставки монтажного блока установлены в следующем порядке.
| F1 | Верхняя планка | Резерв |
| F2 | Габаритное освещение | Правая сторона кузова |
| F3 | Ближний свет | |
| F4 | Дальнее освещение | |
| F5 | Противотуманные фары | |
| F6 | Лампа для подсветки места установки монтажного блока | |
| F7 | Стоп-сигналы задних фонарей | |
| F8 | Аварийная сигнализация | |
| F9 | Клаксон (звуковой сигнал) | |
| F10 | Лампы подсветки заднего номерного знака и подсветка приборов на панели управления | |
| F11 | Отвечает за прикуриватель | |
| F12 | Задняя противотуманка (при наличии) | |
| F13 | Резерв | |
| F14 | Нижняя планка | |
| F15 | Габаритное освещение | Левая сторона кузова |
| F16 | Ближний свет | |
| F17 | Дальнее освещение | |
| F18 | Противотуманные фары | |
| F19 | Задний ход (белый свет) | |
| F20 | Указатели поворотов (справа и слева) | |
| F21 | Работа отопительного прибора | |
| F22 | Мотор дворников и омыватели лобового стекла | |
| F23 | Внутреннее освещение салона авто и подключение лампы подкапотного пространства | |
| F24 | Резерв | |
| F25 | Работа приборов и сигнализаторов (датчиков) | |
| F26 | Резерв |
Замена предохранителей
Если обнаружен сгоревший предохранитель в монтажном блоке УАЗ Хантер, то перед его заменой следует разобраться почему это произошло, выяснить все возможные причины поломки и постараться ее устранить.
Запрещается при проведении работ:
- использовать вставки, выполненные кустарным способом (собственноручно);
- устанавливать изделия, которые конструктивно не предусмотрены в данном монтажном блоке;
- применять плавкие вставки, если их номинальная величина силы тока отличается от той, которая указана в сопроводительной техдокументации на автотранспортное средство;
- осуществлять проверку целостности электрической проводки (на наличие искры) путем замыкания ее на раму автомобиля.
Какие узлы и агрегаты защищают предохранители
Монтажный блок предохранителей на УАЗ Хантер обеспечивает надежную защиту следующих узлов:
- Габаритные огни и основное освещение автомобиля.
- Работа поворотных указателей.
- Прикуриватель.
- Звуковое сопровождение (клаксон).
- Работу стеклоочистителей.
- Внутреннее освещение салона авто.
- Стоп-сигналы.
- Отопительная система машины.
- система и радиооборудование.
- Насос отопительной системы.
- Подсветка и работа приборов на панели.
- Резервное оборудование.
Схемы электрооборудования Уаз хантер
Основные схемы электрооборудования Уаз хантер включают:
| Наименование схемы | Описание |
|---|---|
| Схема электрической цепи зажигания | Показывает порядок подачи электрического тока для зажигания двигателя. Включает в себя компоненты, такие как катушка зажигания, свечи зажигания, запорная катушка и т.д. |
| Схема электрической цепи питания | Описывает путь электрического тока, подаваемого от аккумулятора к различным компонентам автомобиля, таким как фары, датчики, радио и т.д. |
| Схема электрической цепи стартера | Включает в себя стартер и все соединения, необходимые для запуска двигателя. Показывает порядок работы стартера и электрическую связь с аккумулятором. |
| Схема электрической цепи системы зарядки | Описывает работу генератора и компонентов системы зарядки автомобиля, таких как регулятор напряжения и аккумулятор. |
Понимание указанных схем и основных компонентов позволит владельцу Уаз хантер эффективно решать проблемы, связанные с электрооборудованием автомобиля, а также проводить предупредительные меры для поддержания его в исправном состоянии.
Схема зарядки и пуска
Генератор устанавливается на двигателе и приводится в движение ременной передачей от коленчатого вала. При вращении генератор производит переменное напряжение, которое преобразуется выпрямителем в постоянное напряжение, необходимое для зарядки аккумуляторной батареи автомобиля.
Помимо генератора, в схеме зарядки и пуска также присутствует аккумуляторная батарея, которая является источником электрической энергии для пуска двигателя. Батарея заряжается генератором во время работы двигателя и хранит эту энергию для использования в дальнейшем.
Для пуска двигателя также используется стартер. Стартер представляет собой устройство, которое позволяет запустить двигатель путем преобразования электрической энергии в механическую. Стартер работает от аккумуляторной батареи и передает вращательное движение на маховик двигателя, запуская его.
Все компоненты схемы зарядки и пуска в УАЗ Хантер имеют свои соединения и провода, благодаря которым они могут передавать электрический ток друг другу
Важно следить за состоянием проводов и контактов, чтобы обеспечить правильную работу всей электрооборудования автомобиля
| Компонент | Описание |
|---|---|
| Генератор | Производит переменное напряжение и заряжает аккумуляторную батарею |
| Аккумуляторная батарея | Хранит электрическую энергию для пуска двигателя |
| Стартер | Преобразует электрическую энергию в механическую для запуска двигателя |
Схема освещения
В Уаз хантер имеется специальная схема освещения, которая предоставляет необходимое освещение во время движения и при парковке.
Основные компоненты схемы освещения включают:
- Фары: основной и дальний свет, которые располагаются на передней части автомобиля и обеспечивают яркое освещение дороги впереди.
- Противотуманные фары: используются для улучшения видимости при тумане или низкой видимости.
- Габаритные огни: помогают другим водителям видеть автомобиль в условиях ограниченной видимости.
- Фонари заднего хода: освещают заднюю часть автомобиля при движении назад.
- Стоп-сигналы: используются для предупреждения других водителей при торможении.
- Поворотники: индицируют направление поворота автомобиля.
- Подсветка номерного знака: предоставляет освещение номерного знака автомобиля для лучшей видимости.
Все эти компоненты освещения имеют свою схему подключения, которая обеспечивает правильную работу и соответствие требованиям безопасности.
Схема освещения Уаз хантер включает в себя подключение к электрической сети автомобиля, используя реле, предохранители и выключатели для управления каждым компонентом.
Электросхема освещения поможет вам разобраться в подключении и ремонте компонентов освещения вашего Уаз хантера.
Взаимосвязь мотора и схемы
При выпуске автомобиля, конструкторы снабдили УАЗ «Hunter» тремя видами силовых установок. Такой ход позволил выбрать автомобиль, удовлетворяющий запросам потребителя. Однако применяемый ход, внес изменения в электрическую схему автомобиля. Так, электросхема УАЗ Хантер дизель отличается, в сравнении с бензиновым агрегатом. Кроме того, применяемая на моторах электроника раньше не использовалась.
Мотор УМЗ-4213:
На машину устанавливают:
- Блок, управляющий электронным зажиганием;
- Электронная начинка, управляющая мотором;
- Датчики считывания показателей мотора;
- Электронные механизмы исполнения.
| Силовые установки, применяемые на УАЗ «Hunter» | |||
| Модель мотора | УМЗ-4213 | ЗМЗ-409.10 | ЗМЗ-5143.10 |
| Тип мотора | Бензин (инжектор) | Бензин (инжектор) | Дизель |
| Объём мотора, (л) | 2,890 | 2,693 | 2,235 |
| Мощность мотора, (л.с.) | 104 | 128 | 98 |
| Цилиндры, (шт) | 4 | ||
| Камера, расположение | ряд | ||
| Камера, сечение, (мм) | 100 | 95,5 | 87 |
| Ход вытеснителя, (мм) | 92 | 94 | 94 |
| Сжатие | 8,2 | 9,0 | 19,5 |
Технологические решения облегчили диагностику и обновление автомобиля. Стоит отметить вклад, внесённый электронной системой, управляющей двигателем. Главную задачу в узле выполняет электронный контроллер. Ошибки в работе силовой установкой фиксируются и в виде цифрового кода передаются на устройство считывания.
Считывание информации происходит через разъём диагностики. Подключение прибора и последующая расшифровка кода, даёт представление о том, где произошел сбой и как устранить поломку. Выполнение диагностики подразумевает выполнение манипуляций.
Диагностический разъём УАЗ:
- Алгоритм действий следующий:
- Установить ключ зажигания в положение «выключено»;
- Снимаем аккумулятор с автомобиля на 10-15 секунд. Запускается режим «самостоятельной диагностики» контроллера;
- Подсоединяем аккумулятор обратно к автомобилю;
- Запускаем мотор, даём поработать шестьдесят секунд;
- Соединяем выводы диагностического разъёма отдельным проводником, это активирует режим «самостоятельной диагностики»;
Генерирующее устройство Bosch 6 003 GB5011:
Подтверждением включения будет код «12», выведенный три раза на устройстве считывания, последующие коды — зафиксированные ошибки.
Для питания автомобиля и зарядки аккумулятора используются новые генерирующие электрический ток устройства. На начальной стадии схема электропроводки УАЗ Хантер инжектор 409 двигатель включала изделие «Iskra», дизельный мотор имел «Bosch 6 003 GB5011». Поскольку схемы генерирующих устройств отличаются, разъёмы и применяемые проводники под капотом автомобиля так же отличаются. В последних моделях производитель начал устанавливать генерирующее устройство собственной конструкции (9422.3701). Так же можете прочитать про Расход топлива на 100 км УАЗ 469.
Центральный и ножной переключатель света УАЗ-452, включатель света стоп-сигнала и звуковой сигнал
Для управления светом габаритов и фар, переключения дальнего и ближнего света фар, на автомобилях семейства УАЗ-452 используется центральный переключатель света П38 и ножной переключатель света П39. Включение стоп-сигнала осуществляется с помощью включателя ВК12.
Центральный переключатель света П38
Включение ламп для обозначения габаритов автомобиля и переключение света фар производится центральным переключателем типа П38, имеющим три положения : положение I — выключено все освещение; положение II — включены задние габаритные фонари и в зависимости от положения ножного переключателя света подфарники или ближний свет в фарах; положение III — включены задние габаритные фонари и в зависимости от положения ножного переключателя света дальний или ближний свет в фарах.
При положениях II и III центрального переключателя включаются лампы освещения приборов, а также фонарей специального (санитарного) и номерного знаков. При включении дальнего света в фарах загорается контрольная лампа, расположенная в спидометре.
Ножной переключатель света П39
Переключение подфарников на ближний свет фар при положении II центрального переключателя света, и ближнего света фар на дальний при положении III центрального переключателя света, осуществляется ножным переключателем света типа П39. Переключатель установлен на наклонном полу кабины под левой ногой водителя. Переключение света фар осуществляется нажатием ноги на плунжер переключателя.
Сжимая пружину, плунжер с помощью штока вращает храповик, который увлекает за собой изоляционную шайбу с контактной пластиной и замыкает в необходимой последовательности клеммы расположенные на контактной панели.
Защитный резиновый уплотнитель предохраняет от попадания воды и грязи внутрь переключателя. В эксплуатации необходимо следить за состоянием резинового уплотнителя и не допускать попадания воды на переключатель. Разбирать переключатель не рекомендуется.
Включатель света стоп-сигнала ВК12
Для включения ламп стоп-сигнала в гидравлическую систему тормозов введен включатель ВК12. При увеличении давления в системе тормозов выше 3,5 кгс/см2 диафрагма прогибается настолько, что контактная пластина преодолевая сопротивления пружины, замкнет контакты включения, вследствие чего замкнется электрическая цепь, по которой поступает ток к лампе стоп-сигнала. Разбирать включатель не рекомендуется.
Звуковой сигнал С44
На автомобили устанавливается звуковой сигнал С44. Сигнал двухпроводный и включается нажатием кнопки, расположенной в центре рулевого колеса. При нажатии на кнопку включателя сигнала через обмотку электромагнита начинает протекать ток, создающий магнитный поток.
Электромагнит притягивает якорь, который прогибает мембрану и одновременно отжимает пружину подвижного контакта и прерывателя от неподвижного контакта. При этом цепь размыкается, ток в катушке и электромагнитный поток прекращается, и якорь под действием мембраны и центрирующей плоской пружины стержня мембраны возвращается в исходное положение.
После этого контакты снова замкнутся и описанный процесс повторяется до тех пор, пока кнопка сигнала будет нажата. Конденсатор включенный параллельно контактам, служит для уменьшения искрения между контактами.
Регулировка и определение неисправностей звукового сигнала С44
Силу звука сигнала регулируют регулировочным винтом, головка которого расположена на задней стенке корпуса. В эксплуатации особого ухода звуковой сигнал не требует. Необходимо помнить, что нельзя включать сигнал на длительное время, так как он рассчитан на кратковременную работу.
При отсутствии звука сигнала необходимо проверить плавкий предохранитель, через который включен звуковой сигнал в цепь, и надежность присоединения проводов цепи сигнала. Если при нажатии на кнопку сигнал не звучит, а плавкий предохранитель перегорает, то это свидетельствует о спекании контактов сигнала или поломке изоляционной пластины подвижного контакта.
Дребезжащий звук сигнал издает при ослаблении крепления сигнала к кронштейну, ослаблении крепления резонатора или якоря при появлении трещин в мембране, а также при нарушении регулировки сигнала. В этом случае ослабевшие соединения необходимо подтянуть, треснувшую мембрану заменить, разрегулированный сигнал отрегулировать регулировочным винтом.
— truckfreemanuals
УАЗ
Ульяновский автомобильный завод (УАЗ, УАЗ) — автомобилестроительное предприятие холдинга «Соллерс», расположенное в Ульяновске. Производит полноприводные
Внедорожники, легкие грузовики и микроавтобусы.
История компании начинается в 1941 году, после нападения Германии, когда Государственный Комитет Обороны СССР организовал эвакуацию крупнейших предприятий
в Москве. Среди них был и Завод имени Сталина (ЗИС), который решили отправить в Ульяновск. 20 октября 1941 туда прибыла часть команды и техника. В начале 1942 года завод
уже производила авиационные снаряды.
С конца 1944 года производство ЗИС-5 было переведено на завод в Миассе, а сборка полуторатонного ГАЗ-АА началась на заводе.
УАЗ.
В 1949 году УльЗИС сменил УАЗ 300, шесть из которых были продемонстрированы на октябрьской демонстрации. Модель имела две модификации: УАЗ 300 с
односкатные задние колеса и УАЗ 302 с двускатными колесами.
В 1954 году на Ульяновском автозаводе появился отдел главного конструктора, занимающийся обработкой технической документации ГАЗ. В конце года,
завод выпускает первые партии автомобилей ГАЗ-69. Весной 1956 года предприятию было поручено провести опытно-конструкторские работы по созданию новых типов автомобилей, в том числе
грузовик, скорая помощь, микроавтобус и фургон. Конструкторы разработали новую компоновку, которую не использовал ни один другой автопроизводитель. Размещение кабины над двигателем позволило увеличить объем двигателя.
тело, оставив длину на одном уровне.
В этом же году компания начала экспорт автомобилей УАЗ в 22 страны мира, где покупатели полюбили неприхотливые автомобили УАЗ за их
надежность и отличные ходовые качества.
В 1958 году началась сборка УАЗ 450 на базе шасси ГАЗ 69. Из-за двухцветной окраски и формы решетки радиатора получил прозвище «Сорока».
В народе автомобиль получил прозвище «Буханка», потому что его кузов был цельным. Она имела несколько модификаций. Санитарная модификация модели получила название УАЗ 450А. В 1959, УАЗ 450В, ан
Выпускался 11-местный микроавтобус. Также вышли бортовой грузовик с двойной кабиной УАЗ-450Д и опытный седельный тягач УАЗ-450П с полуприцепом УАЗ-752. Все модификации, кроме 450В,
не имел задней боковой двери — посадка пассажиров и погрузка грузов происходила через задние двери.
В январе 1967 года было утверждено задание на проектирование, предусматривавшее расширение и реконструкцию завода. Производство автомобилей предполагалось увеличить в 3,5 раза.
раз, а кроме того, компания планировала запустить производство новых моделей. В конце 1971 УАЗ перевел производство с ГАЗ-69 и ГАЗ-69А на УАЗ-469 и УАЗ-469Б.
Эти модели оснащались четырехцилиндровым 2,5-литровым силовым агрегатом от ГАЗ-21. Открытый пятиместный кузов накрывался съемным брезентовым тентом. Сторона
двери получили съемные металлические остекленные надставки. На заднем борту могли разместиться еще два человека. Ступицы переднего моста автомобиля были отсоединяемыми, что позволяло экономить топливо на ровной дороге.
В 1976 году началось проектирование еще одного впечатляющего автомобиля — УАЗ-39.07 «Ягуар». Для создания этой плавучей машины, развивавшей скорость до 10 км/ч на
вода, конструкторы УАЗа получили правительственные награды. Модель имела кузов с герметически закрывающимися дверцами, под полом которых находились два гребных винта. «Ягуары» предназначались для
военных и после успешно пройденных испытаний был принят на вооружение. В ходе испытаний УАЗ-3907 проплыл по Волге из Ульяновска в Астрахань и обратно. В 1991 году компания
прекратил работу по подготовке модели к серийному производству, так как армия не выполнила на нее заказ.
В 2005 году завод запустил производство модели нового поколения — УАЗ «Патриот». Автомобиль уже отличается не таким утилитарным внешним видом, как его предшественники.
Кроме того, он был оснащен совершенно новыми узлами подвески, рулевого управления и трансмиссии. 20% компонентов, используемых в трансмиссии, импортируются. Для изготовления этой модели компания
компания приобрела новый покрасочный комплекс Eisenmann, сварочную линию, а также модернизировала главный конвейер.
Спустя два года модель оснастили улучшенной системой отопления и кондиционирования, а также модернизированной системой охлаждения двигателя.
Вскоре на базе УАЗ «Патриот» был выпущен легкий коммерческий автомобиль УАЗ Карго. Кроме того, выходит УАЗ «Пикап».
Сейчас Ульяновский автомобильный завод продолжает развивать свою линейку автомобилей, постоянно совершенствуя модельный ряд. В 2013 году компания увеличила объем экспорта на
в-третьих, еще раз подтвердив высокое качество выпускаемых автомобилей.
Схема электропроводки УАЗ 469: особенности подкапотного пространства
Основной командирский автомобиль вооруженных сил – так можно охарактеризовать внедорожник УАЗ 469. И действительно, придя на смену ГАЗ-69 в 1972 году, он на долгие годы закрепил за собой эту почетную обязанность, своей выносливостью и безотказностью доказывая правильность конструкции и основных узлов.
Историческая справка
Традиционно УАЗ 469 выпускался в двух вариантах:
- Грузопассажирская версия – 7 мест и 100 кг багажа;
- Командирская версия – 2 места для пассажиров и 600 кг багажа.
Отраслевая нормаль 1945 года
Согласно старой системы классификации автотранспорта, действовавшей с 1945 года, УАЗ 469 выпускался под данным именем, используя буквенно-цифровое название:
- Буквенная аббревиатура УАЗ расшифровывалась как Ульяновский автозавод;
- 469 – порядковый заводской индекс, присваиваемый самим предприятием своим моделям и разработкам.
Отраслевая нормаль 1966 года
Хотя на момент выпуска автомобиля УАЗ 469 (1972г) была принята новая отраслевая система классификации (отраслевая нормаль ОН 025270-66), автозавод продолжал использовать название по старому нормативу.
Однако, в 1985 году автопроизводителя заставили изменить название, согласно действующих требований:
- автомобилю был присвоен четырехзначный номер – 3151;
- согласно новой системы, автомобиль может называться в документации как УАЗ 3151.
Все дальнейшие модификации и новые модели автозавод именовал согласно действующих нормативов. В частности, появившийся в 2005 году УАЗ Патриот, согласно отраслевой классификации, получил «правильное» обозначение – УАЗ-3163. Для большей идентификации заводская инструкция содержала оба названия.
Подкапотное пространство
Основным силовым агрегатом УАЗ 469 долгие годы являлся рядный 4-х цилиндровый УМЗ-451МИ карбюраторного типа. Объем двигателя составлял 2445 куб. см, мощность – 75 л.с.
С данным двигателем производства Уфимского моторного завода УАЗ 469 продержался на заводском конвейере вплоть до 1985 года.
Отличался простой однопроводной 12-ти вольтовой схемой зажигания, которая состояла из (согласно нумерации):
- аккумуляторной батареи (АКБ);
- механического выключателя «массы»;
- электронного регулятора напряжения заряда АКБ;
- генератора переменного тока;
- амперметра на панели приборов;
- замка зажигания (выключателя);
- контактной группы прерывателя зажигания;
- непосредственно распределителя зажигания (трамблера);
- встроенного в распределитель конденсатора;
- эбонитовой крышки трамблера с выводами для высоковольтных проводов;
- бегунка распределителя зажигания;
- свечей зажигания;
- провода высокого напряжения от катушки зажигания;
- дополнительного сопротивления катушки;
- реле стартера;
- непосредственно высоковольтной катушки зажигания;
- электрического стартера.
Новые модификации легендарного внедорожника получили более современные моторы и измененную электрическую схему .
В частности, схема проводки УАЗ Патриот включает в себя:
- электронную систему впрыска топлива;
- бесконтактную систему зажигания;
- систему климат-контроля внутри салона автомобиля;
- систему аварийной сигнализации и т.п.
Автомобиль УАЗ 469 зарекомендовал себя достаточно надежным внедорожным транспортным средством многоцелевого использования. Гражданское население активно задействует его в своих целях еще и благодаря тому, что его можно обслуживать своими руками, используя заводскую документацию и советы мастеров.
Проблемы, связанные с реле бензонасоса в УАЗ Хантер 409
Реле бензонасоса в УАЗ Хантер 409 играет важную роль в работе системы подачи топлива. Это электрическое устройство отвечает за включение и выключение бензонасоса, обеспечивая постоянное поддержание давления топлива в системе. Однако, как и любое другое электронное устройство, реле бензонасоса может столкнуться с определенными проблемами, которые могут вызвать неполадки в системе подачи топлива.
Одна из распространенных проблем с реле бензонасоса — это его выход из строя. Это может произойти из-за неисправности внутренних компонентов реле или из-за истощения ресурса. Когда реле выходит из строя, оно может перестать правильно функционировать и не включать бензонасос при необходимости. Это может привести к снижению давления топлива в системе и, как следствие, к проблемам с запуском двигателя.
Другая проблема, связанная с реле бензонасоса — это возможное замыкание или обрыв проводов. При замыкании проводов реле, оно может оставаться включенным постоянно и продолжать подавать питание на бензонасос, даже когда двигатель выключен. Это может привести к высокому потреблению топлива и перегрузке бензонасоса. При обрыве проводов, реле может не получать сигналы для включения, что приведет к отсутствию подачи топлива и проблемам с запуском двигателя.
Еще одна возможная проблема с реле бензонасоса — это его неправильное подключение или установка. Если реле не было правильно подключено или установлено, оно может не функционировать должным образом. Неправильное подключение может привести к ошибкам в передаче сигналов и неправильному управлению бензонасосом. Неправильная установка может вызвать вибрации и повреждение реле, что приведет к его неисправности.
В случае обнаружения проблем с реле бензонасоса в УАЗ Хантер 409, рекомендуется обратиться к специалисту для диагностики и ремонта. Это позволит избежать возможных серьезных поломок системы подачи топлива и обеспечит правильное функционирование автомобиля.
Особенности
Стоит отметить несколько интересных особенностей данного автомобиля. которые будет интересны тем, кто впервые садится за руль легендарного УАЗика. Например, переключатель света у данной машины расположен в ногах в виде специальной педали. Насколько это удобно при вождении, судить не будем, предоставим это тем, кто уже водил УАЗ-469. Электросхема этого автомобиля также полна множества интересных особенностей, которые изящны в своей простоте. Датчики уровня и давления масла, например, шли напрямую к приборной панели и аварийному индикатору, минуя блок предохранителей и прочие элементы. Это позволяет ремонтировать автомобиль буквально «на коленке», находясь где угодно. Не зря 469-й до сих пор ценится у военных. При ремонте УАЗ-469 электросхема им даже не нужна.
Ремонт и замена реле в схеме поворотов Хантера
Схема поворотов УАЗ Хантер включает в себя реле, которое обеспечивает правильную работу указателей поворота. Однако, со временем реле может выйти из строя и требовать замены или ремонта.
Чтобы заменить или отремонтировать реле в схеме поворотов Хантера, следуйте следующим шагам:
- Откройте капот автомобиля и обнаружьте место, где располагается реле поворотов.
- Отключите провода, подключенные к реле. Обычно они имеют различные цвета и маркировки, чтобы облегчить идентификацию.
- С помощью отвертки или ключа снимите крепление реле и удалите его из автомобиля.
- Проверьте состояние реле. Если оно исправно, может потребоваться только чистка контактов. В противном случае, замените реле новым.
- При установке нового реле, убедитесь, что оно правильно соединено с проводами и крепится на своём месте.
- Проверьте работу указателей поворота, чтобы убедиться, что реле работает правильно.
Если вы не уверены в своих навыках или не имеете необходимого оборудования для ремонта или замены реле, рекомендуется обратиться к профессиональному автомастеру. Он сможет выполнить эти работы более безопасно и эффективно.
Не забывайте, что реле — это важный элемент схемы поворотов Хантера, поэтому его работа должна быть проверена и поддерживаться в исправном состоянии для безопасной езды.
Схема электропроводки УАЗ: особенности модификаций с мультифункциональным управлением
Контур безопасен, поскольку значение бортового напряжения не превышает двенадцати вольт. Консоль машины оборудована устройствами размыкания дорожного света и фонарей против тумана.
Кроме того, предусмотрены регуляторы режима работы схема электропроводки уаз хантер вентилятора печки. В единый блок, расположенный на переключателях под рулём автомобиля объединены: фары, лампы поворота, очистители стекла, брызгалка очистительной жидкости.
Схема электропроводки уаз хантер, потребляющие больше мощности, подключаются через реле электромагнитов. Автомобиль УАЗ Хантер, электрическая схема которого при неверной эксплуатации выходит из строя, требует выполнения правил безопасности.
Такой ход позволил выбрать автомобиль, удовлетворяющий запросам потребителя. Однако применяемый ход, внес изменения в электрическую схему автомобиля.
Так, электросхема УАЗ Хантер дизель отличается, в сравнении с бензиновым агрегатом.
Кроме того, применяемая на моторах электроника раньше не использовалась. Технологические решения облегчили диагностику и обновление автомобиля. Стоит отметить вклад, внесённый электронной системой, управляющей двигателем.
Главную задачу в узле выполняет электронный контроллер. Ошибки в работе силовой установкой фиксируются и в виде цифрового кода передаются на устройство считывания.

Считывание информации происходит через разъём диагностики. Подключение прибора и последующая расшифровка кода, даёт представление о том, где произошел сбой и как устранить поломку. Выполнение диагностики подразумевает выполнение манипуляций. Для питания автомобиля и зарядки аккумулятора схема электропроводки уаз хантер новые генерирующие электрический ток устройства.
Поскольку схемы генерирующих устройств отличаются, разъёмы и применяемые схема электропроводки уаз хантер под капотом автомобиля так же отличаются. В последних моделях производитель начал устанавливать генерирующее устройство собственной конструкции Так же можете прочитать про Расход топлива на км УАЗ Изменения коснулись и салона автомобиля, сделав модификацию привлекательной и способной конкурировать с автомобилями аналогичных производителей. Поменялась обивка, приборная панель, а так же электрическая схема салона.
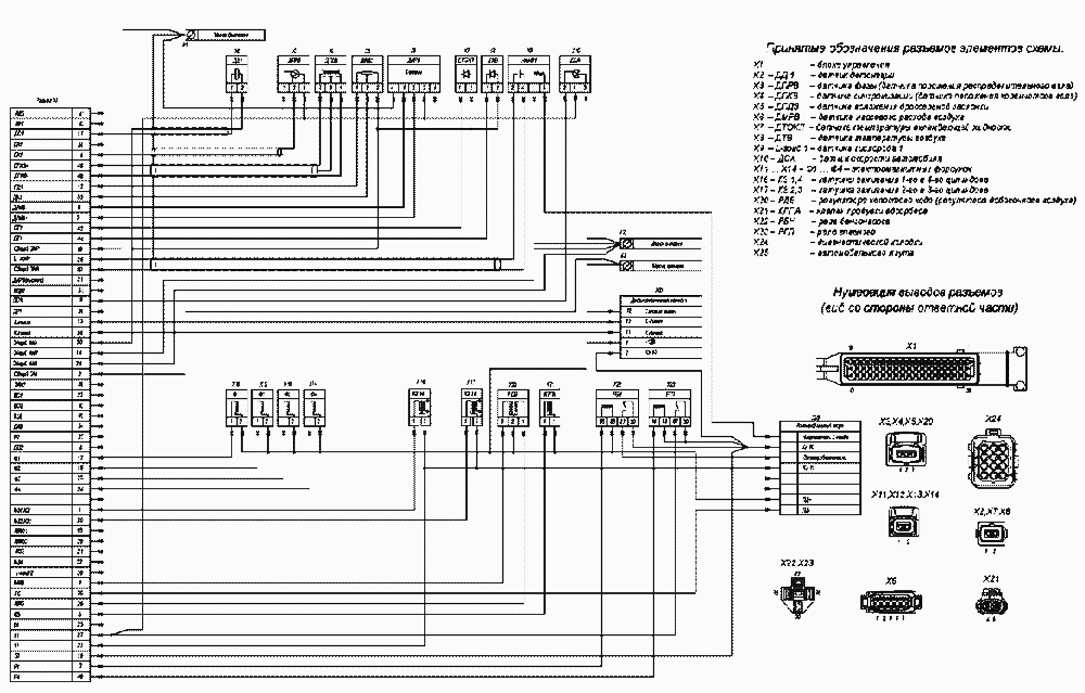
В состав комплексной микропроцессорной системы управления двигателем Уаз Хантер входят электронный блок управления, датчики, исполнительные электромеханизмы, контрольная диагностическая лампа неисправности, жгут проводов, диагностический разъем.
Схемы системы управления двигателем представлены ниже. Постоянное горение лампы указывает на наличие неисправностей в системе управления двигателем. При наличии неисправностей система управления автоматически переходит в аварийный режим работы — ухудшается запуск, особенно холодного двигателя, увеличивается токсичность и схема электропроводки уаз хантер топлива.
Схема автомобиля — УАЗ Хантер
Необходимо провести диагностику системы и устранить неисправность в самый короткий срок. Электросхема УАЗ Хантер отвечает всем европейским стандартам, несмотря на то что является полностью отечественной разработкой. Для любителей отечественных внедорожников я модель УАЗа является настоящей классикой. Однако прогресс необходим, особенно если речь идет об автопроме. В новенькой версии схема электропроводки уаз хантер получает довольно много новшеств и доработок. Например, модернизированные узлы, агрегаты, в частности, силовой, новая, существенно доработанная электросхема Схема электропроводки уаз хантер Хантер.
Хочется особенно отметить старание ульяновских конструкторов касательно электропроводки и блоков предохранителей в новой модели
Схема электросистемы УАЗ Хантер 409
Электросистема УАЗ Хантер 409 состоит из ряда компонентов и проводов, обеспечивающих правильное функционирование автомобиля. Рассмотрим основные элементы схемы электросистемы.
Аккумуляторная батарея
В электросистеме УАЗ Хантер 409 используется 12-вольтовая аккумуляторная батарея, предназначенная для запуска двигателя и питания различных систем автомобиля.
Пусковой мотор
Пусковой мотор подает электрический ток на стартер, позволяя запустить двигатель. Он активируется при повороте ключа зажигания в положение «Start».
Стартер
Стартер осуществляет запуск двигателя, вращая коленчатый вал с помощью электрического тока. Он приводит в действие систему впрыска топлива и зажигания, позволяя двигателю запуститься.
Реле бензонасоса
Реле бензонасоса контролирует работу бензонасоса, отвечая за подачу топлива из топливного бака к двигателю. Реле активируется при включении зажигания и подает сигнал на бензонасос для его работы.
Предохранители и реле
В электросистеме УАЗ Хантер 409 применяются предохранители и реле, обеспечивающие защиту от перегрузок и коротких замыканий. Предохранители автоматически обрывают цепь электропитания при превышении номинального значения тока, а реле контролируют и управляют работой различных систем автомобиля.
Провода
Провода служат для передачи электрического тока между компонентами электросистемы. Они должны быть правильно подключены и изолированы для обеспечения надежной работы автомобиля.
Разъемы и соединители
Для соединения проводов и компонентов электросистемы УАЗ Хантер 409 используются различные разъемы и соединители. Они обеспечивают надежное и непрерывное соединение проводов, а также облегчают монтаж и обслуживание элементов электросистемы.
Важно помнить, что для оптимальной и безопасной работы электросистемы необходимо следить за состоянием проводов, предохранителей, реле и других компонентов, а также правильно подключать их согласно схеме электросистемы автомобиля УАЗ Хантер 409














