Электропроводка лада веста: схема электрооборудования
Содержание
- 1 Электросхема Лада Веста
- 1.1 Схема проводки Лада Веста
- 1.2 Передний жгут проводов
- 1.3 Задний жгут проводов
- 1.4 Передние двери
- 1.5 Система зажигания
- 1.6 Соединение АКБ и стартера
- 1.7 Панель приборов
- 1.8 Дополнительный задний жгут проводов
- 1.9 Дополнительный правый задний жгут проводов
- 1.10 Роботизированная коробка передач
- 1.11 Заключение
- 2 Блок предохранителей Схема и расположение Лада Веста (Lada Vesta)
- 3 Описание функций
- 4 Подключение электродвигателя и органов управления
- 5 Электрические схемы, жгуты электропроводки, распиновки, контакты
- 6 Центральная и автоматическая блокировка/разблокировка замков дверей из салона и снаружи автомобиля
- 7 Алгоритм управления бортовым компьютером
- 8 Обзор схемы проводки Лада Веста
- 9 Подключение аккумуляторной батареи
- 10 Схемы отдельных блоков ВАЗ-2180
Электросхема Лада Веста
Лада Веста, как и любой другой современный автомобиль, вмещает себя уйму электроники. Отдельные её элементы соединены проводкой, имеющей длину в несколько сотен метров.
Необходимость изучения схемы электрооборудования Лада Веста может возникнуть в различных случаях, начиная от тюнинга и заканчивая проведением ремонтных работ.
Предлагаем Вам ознакомиться с этими схемами и пояснениями к ним.
Схема проводки Лада Веста
Общая схема проводки слишком громоздкая и сложна для восприятия, поэтому используются схемы, изображающие отдельные соединения.
Обратите внимание, что в каждой схеме имеются таблицы исполнения, где указано обозначение рассматриваемого жгута в зависимости от комплектации авто.
Приведённая электросхема Лада Веста чёрно-белая, и цвета проводов обозначены буквами. Расшифровка есть в этой таблице:
Цвета проводов

Передний жгут проводов
Жгут передний
Показывает расположение следующих элементов:
- фары;
- звуковые сигналы;
- вентилятор системы охлаждения;
- датчики (частота вращения колёс, температура воздуха, положение капота и пр.);
- блоки управления двигателем и ABS;
- клапан продувки адсорбера;
- выключатель сигнализации;
- привод стеклоочистителя;
- элемент обогрева ветрового стекла;
Задний жгут проводов
Жгут задний
Отображает расположение таких устройств, как:
- дополнительные блоки электроники кузова;
- датчики (дождя, воздух в салоне, скорость колёс);
- блок управления освещением в салоне;
- топливный бак.

Простая схема вывода минусовой клеммы на «массу» автомобиля Лада Веста.

Тоже всё просто и понятно.
Передние двери
Дверь передняя правая Дверь передняя левая
Описано соединение следующих элементов Лада Веста:
- замки;
- плафоны;
- стеклоподъемники и их переключатели;
- динамики;
- приводы зеркал.
В левой двери Весты присутствуют ещё и блоки переключателей.

Здесь всё проще: замок, динамики и переключатель стеклоподъёмника.
Система зажигания

Этот жгут соединяет все устройства, связанные с работой зажигания на Лада Веста:
- датчики;
- контроллер управления двигателем;
- АКБ;
- генератор;
- предохранители;
- клапан управления механизмом газораспределения;
- выключатель света заднего хода.
Соединение АКБ и стартера

Изображена система пуска двигателя и электропитания. Схема включает АКБ, стартер, генератор и предохранители.
Панель приборов
Панель приборов
Приборная панель Весты, как самое «начинённое» место, имеет соответствующую электросхему. Сюда входят:
- датчики (угол поворота руля, положение педали сцепления);
- разнообразные реле (розетка, бензонасос, вентилятор отопителя, наружное освещение, стеклоподъёмники);
- различные выключатели и переключатели;
- диагностический разъём;
- клавиши на руле;
- прикуриватель;
- подушки безопасности;
- блоки управления.
И ещё ряд других электронных мелочей, которые можно перечислять бесконечно.
Дополнительный задний жгут проводов
Дополнительный задний жгут проводов
Эта схема электропроводки Lada Vesta содержит следующее:
- блок управления парктроником;
- привод замка крышки багажника;
- освещение номеров;
- освещение багажника;
- фонари на кузове и крышке багажника;
- обогрев заднего стекла.
Задний бампер
А эта схема поможет разобраться в подключении ПТФ и датчиков парктроника.
АКБ с массой
В данном случае провод идёт на массу с обогрева стекла.
Дополнительный правый задний жгут проводов
Дополнительный правый задний жгут проводов
Этот жгут соединяет следующее устройства:
- датчики (боковые удары, ремни безопасности, присутствие пассажира);
- управление подушками безопасности;
- выключатель ATM и МКП;
- селектор роботизированной коробки передач.
Роботизированная коробка передач
Дополнительный жгут
Изображено соединение управляющих элементов «робота»:
- актуаторы механизма включения сцепления, выбора и переключения передач;
- датчик частоты вращения первичного вала.
Заключение
Некоторые схемы электрооборудования Лада Веста могут показаться чрезвычайно запутанными для новичка. Но постепенно, сопоставляя их с соединениями электроники в машине, можно будет неплохо освоиться и не бояться вносить какие-либо апгрейды, как настоящий электрик.
Блок предохранителей Схема и расположение Лада Веста (Lada Vesta)
В любом автомобиле рано или поздно автолюбитель сталкивается с неработоспособностью тех или иных узлов и агрегатов, особенно это касается электрики. Может перестать работать прикуриватель, могут погаснуть габариты или отключиться кондиционер, или просто освещение в салоне отказать. Не стала исключением и Лада Веста. Прежде чем менять неработающий узел, нужно обязательно проверить предохранители, которые защищают эти цепи. Или реле. Все это традиционно расположено в блоке предохранителей, коих у Lada Vesta целых два — один в салоне и второй в подкапотном пространстве. Давайте вместе рассмотрим какие предохранители и реле за что отвечают и куда именно лезть в случае выхода тех или иных электроприборов в Весте. Начнем с салонного блока предохранителей.
Расположение салонного блока предохранителей Лада Веста:
Для того, что бы получить доступ к Блоку предохранителей в Лада Веста, нам необходимо снять две защелки, делается это следующим образом:
Поздравляем, если вы это сделали аккруатно, то заклепки останутся целыми, они многоразовые
Вот как выглядит блок предохранителей в Lada Vesta
Давайте рассмотрим схематическое обозначение реле и предохранителей в салонном блоке на Весте:
А теперь узнаем какие электрические цепи защищают предохранители в блоке:
Окончание таблицы 1 Предохра
Наличие предохранителей зависит от степени электрооснащенности автомобиля.
Реле монтажного блока салона
Таблица 2 Реле
Наличие реле зависит от степени электрооснащенности автомобиля.
Описание функций
Обзор бортового компьютера Lada Vesta показывает, какие параметры выводятся на табло или дисплей передней панели. Чем существенно облегчают жизнь автолюбителю Лады. На Весте штатный бортовой компьютер показывает следующую информацию, кроме кодов ошибок:
- Величину напряжения сети автомобиля;
- Запас хода на топливе, находящемся в бензобаке;
- Текущий и средний расход топлива;
- Остаток топлива в баке;
- Время в пути по определенному маршруту;
- Среднюю скорость;
- Часы;
- Общий пробег;
- Контролирует температуру наружного воздуха;
- Дает подсказки переключения передач (со звуком или без);
- На Ладе с круиз контролем выводится информация об установленных параметрах;
- При наличии АМТ отображается включенная передача или режим авто — ручной.
Бортовой компьютер Лада Веста Настройка бортового компьютера на Лада Веста производится двумя клавишами правого подрулевого переключателя. С помощью клавиш, войдя в меню можно управлять показаниями БК Весты, выводя необходимые данные на панель управления. Таким образом, водитель постоянно имеет возможность контролировать требуемые параметры Весты.
Настройка
После ознакомления с инструкцией по эксплуатации управление бортовым компьютером не представятся сложным. Для того, чтобы устанавливать или осуществлять управление параметрами, нажимаем клавишу вверх и удерживаем некоторое время. Попадаем в меню настроек, где можно:
- Установить время;
- Обнулить предыдущий пробег;
- Сбросить средний расход и среднюю скорость.
Настройка часов
У некоторых автовладельцев возникает вопрос, как настроить часы. Для этого:
- Верхней клавишей (удерживая ее примерно 3 сек) попадаем в режим редактирования.
- На экране высвечивается ранее установленное время.
- Опять удерживая верхнюю кнопку примерно 2 секунды.
- Начинает моргать первое значение, часы. Стрелками устанавливаем требуемое значение.
- Опять удерживаем вверх и переходим в установке минут.
- После того как время выставлено необходимо закрепить показания. Для этого опять требуется длительно удерживать клавишу вверх.
Настройка времени завершена.
Подключение электродвигателя и органов управления
В электропроводке Лада Веста для подключения электродвигателя и органов управления используется специальная схема подключения. Она обеспечивает правильное функционирование электрооборудования и безопасность в эксплуатации автомобиля.
Для подключения электродвигателя используются следующие компоненты:
- Электродвигатель: основной элемент, который преобразует электрическую энергию в механическую
- Провода и кабели: используются для передачи электрического тока от источника питания к электродвигателю
- Реле и предохранители: обеспечивают защиту и контроль работы электродвигателя, а также предотвращают возможные повреждения проводки от перегрузок и коротких замыканий
- Органы управления: кнопки, выключатели и другие устройства, позволяющие включать и выключать электродвигатель, а также регулировать его работу
Правильное подключение электродвигателя и органов управления важно для обеспечения безопасности и надежности работы автомобиля. Рекомендуется выполнять подключение в соответствии с руководством по эксплуатации Лада Веста, а также с применяемыми нормами и стандартами
В случае сомнений или непонимания схемы подключения рекомендуется обратиться к специалистам или авторизованным сервисным центрам.
Схема подключения электродвигателя и органов управления
Схема подключения электродвигателя и органов управления может различаться в зависимости от конкретной модели Лада Веста и требований производителя. В основе схемы лежит принцип передачи электрического тока от источника питания к электродвигателю через провода и реле, контролируемый органами управления.
Часто используемая схема подключения электродвигателя и органов управления включает в себя следующие элементы:
- Источник питания, обычно аккумулятор автомобиля.
- Провода, соединяющие источник питания с реле.
- Реле, которое регулирует подачу электричества на электродвигатель в зависимости от сигналов, поступающих с органов управления.
- Органы управления, такие как выключатели и кнопки, позволяющие включать и выключать электродвигатель, а также регулировать его работу.
- Провода, соединяющие реле с электродвигателем.
- Электродвигатель, который получает электрический ток от реле и преобразует его в механическую энергию.
Правильное подключение всех элементов схемы позволяет обеспечить надежную работу электродвигателя и его органов управления, а также защитить автомобиль от возможных повреждений проводки и коротких замыканий.
| Орган управления | Функция |
|---|---|
| Выключатель | Позволяет включать и выключать электродвигатель |
| Регулятор скорости | Позволяет регулировать скорость вращения электродвигателя |
| Таймер | Позволяет устанавливать задержку включения и выключения электродвигателя |
| Индикаторы | Предоставляют информацию о состоянии работы электродвигателя и его параметрах (например, температуре) |
Правильное подключение электродвигателя и органов управления важно для обеспечения безопасной и эффективной работы автомобиля Лада Веста. Рекомендуется придерживаться руководства по эксплуатации автомобиля и применимых стандартов при подключении электрооборудования
Электрические схемы, жгуты электропроводки, распиновки, контакты
Места соединений на «массу» кузова
Полная мастер-схема электрическая соединений Vesta Норма/Стандарт (цветная)
Полная мастер-схема электрическая соединений Vesta Люкс (цветная, с 2018)
Полная мастер-схема электрическая соединений Vesta 2180 Норма с двигателем 21179
Полная мастер-схема электрическая соединений Vesta 2180 Люкс с двигателем 21179
Полная мастер-схема электрическая соединений Vesta 2180 Норма с двигателем 21129
Полная мастер-схема электрическая соединений Vesta 2180 Люкс с двигателем 21129
Мастер-схемы по комплектациям (все — H4M 1.6 л., 16-кл, 113 л.с., АТ): СЕДАНЫ
GFL44 (-C27-51; -X11-51) Седан, Комфорт, + Cross
GFL44 (-V01-53; -X09-52) Седан, Эксклюзив, Люкс, + Cross
GFL44 (-С04-52; -X04-52) Седан, Люкс, + Cross
GFL44 (-С57-52; -C07-52; -X07-52) Седан, Люкс, + Cross
GFL44 (-С65-52; -С09-52) Седан, Люкс, EnjoY Pro,
GFL44-C04-50 Седан, Классик,
GFL44-C04-51 Седан, Комфорт,
GFL44-C28-51 Седан, Комфорт,
GFK44 (-C25-51; -X12-51) SW, Комфорт, + Cross
GFK44 (-V01-53; -С65-52; -С19-52; -X19-52) SW, Эксклюзив, Люкс, + Cross
GFK44 (-С04-52; -X04-52) SW, Люкс, + Cross
GFK44 (-С18-52; -С57-52; -X18-52) SW, Люкс, Люкс-Мультиметиа, + Cross
GFK44-C04-50 SW, Классик Старт Плюс,
СХЕМЫ ЖГУТОВ ЭЛЕКТРОПРОВОДКИ, РАЗЪЁМЫ, РАСПИНОВКИ, КОНТАКТЫ, РАСЦВЕТКА ПРОВОДОВ
Провода на представленных схемах имеют буквенное обозначение цвета и обозначение номера элемента схемы, к которому присоединяется данный провод.
| ОБОЗНАЧЕНИЕ ЦВЕТА ПРОВОДА | |
| 3 — зеленый | ПЗ — красный с зеленой полосой |
| Ж — желтый | БП — белый с красной полосой |
| Б — белый | БЧ — белый с черной полосой |
| Г — голубой | БГ — белый с голубой полосой |
| О — оранжевый | ЖП — желтый с красной полосой |
| Ч — черный | ПГ — красный с голубой полосой |
| П — пурпурный (красный) | ЗЖ — зеленый с желтой полосой |
| С — серый | ЗБ — зеленый с белой полосой |
| К — коричневый | ЖБ — желтый с белой полосой |
| Р — розовый | ПБ — красный с белой полосой |
| ЧГ — черный с голубой полосой | ЖГ — желтый с голубой полосой |
| ГП — голубой с красной полосой | ГО — голубой с оранжевой полосой |
| ЗП — зеленый с красной полосой | ЧБ — черный с белой полосой |
| ОЧ — оранжевый с черной полосой | ГЧ — голубой с черной полосой |
| РБ — розовый с белой полосой | ПЧ — красный с черной полосой |
| ЖЧ — желтый с черной полосой | ОБ — оранжевый с белой полосой |
| БЖ — белый с желтой полосой | ЗЧ — зеленый с черной полосой |
| ПЖ — красный с желтой полосой | ЖГ — желтый с голубой полосой |
| ГБ — голубой с белой полосой | ЖЗ — желтый с зеленой полосой |
| КБ — коричневый с белой полосой | СГ — серый с голубой полосой |
| РП — розовый с красной полосой | СП — серый с красной полосой |
| СР — серый с розовой полосой | РЧ — розовый с черной полосой |
Привод соединительный аккумуляторной батареи с корпусом с сборе (расположение)
Провод соединительный аккумуляторной батареи с массой в сборе (расположение)
Жгут проводов соединительный аккумулятора и стартера (расположение)
Провод массы двигателя в сборе (расположение)
Жгут проводов передней правой двери в сборе (расположение)
Жгут проводов передней левой двери в сборе (расположение)
Жгут проводов задней двери в сборе (расположение)
Жгут проводов системы зажигания в сборе (расположение)
Жгут проводов панели приборов в сборе (расположение)
Жгут проводов передний в сборе (расположение)
Жгут проводов задний в сборе (расположение)
Жгут проводов бампера заднего в сборе (расположение)
Жгут проводов задний дополнительный правый в сборе (расположение)
Жгут проводов задний дополнительный в сборе (расположение)
Жгут проводов дополнительный в сборе (расположение)
СХЕМЫ ОТДЕЛЬНЫХ УЗЛОВ
Схема электровентилятора системы охлаждения двигателя:
Схема заряда аккумуляторной батареи
Схема системы запуска двигателя
Схема системы управления двигателем (ЭСУД)
Схема соединений заднего дополнительного жгута проводов:
Схема соединений жгута проводов передней левой двери
Схема соединений жгута проводов передней правой двери:
Схема соединений жгута проводов задней двери
Схема соединений переднего жгута проводов
Центральная и автоматическая блокировка/разблокировка замков дверей из салона и снаружи автомобиля
Центральная блокировка/разблокировка замков дверей. Для блокировки замков всех дверей из салона нажмите кнопку на панели приборов, индикатор на кнопке 1 (рис. 3) загорится на некоторое время, затем погаснет. Если при нажатии кнопки капот, багажник или одна из дверей были открыты, то двери обратно разблокируются. Закройте двери, капот, багажник, нажмите кнопку блокировки , все двери заблокируются. Разблокировка замков боковых дверей происходит при открывании со стороны салона любой передней двери. Для принудительной блокировки дверей, и постановке на охрану в случае открытой любой двери, требуется нажать и удерживать некоторое время кнопку .
Примечание. Перед принудительной блокировкой убедиться, что все пассажиры вышли из автомобиля и ключи зажигания не останутся в автомобиле.
ОТВЕТСТВЕННОСТЬ ВОДИТЕЛЯ
Если Вы решили ехать с заблокированными дверями, помните, что это может затруднить доступ спасателей в салон в экстренной ситуации. Включение функции автоматической блокировки замков боковых дверей при движении. При заведенном двигателе нажмите кнопку центрального замка на панели приборов и удерживайте ее в течение пяти секунд. Сразу после нажатия кнопки загорится светодиод, двери заблокируются. Заглушите двигатель. Функция активирована.
Запустите двигатель, после начала движения при скорости около 10 км/ч произойдет автоматическая блокировка дверей, если они не были заблокированы.
Разблокировка дверей произойдет при нажатии кнопки центрального замка или при открывании любой двери из салона на стоящем автомобиле.
Отключение функции автоматической блокировки замков боковых дверей при движении. При заведенном двигателе нажмите кнопку центрального замка на панели приборов и удерживайте ее в течение пяти секунд. Функция отключена.
Автоматическая разблокировка замков боковых дверей при аварии. При аварии, в случае срабатывания подушек безопасности, происходит автоматическая разблокировка замков всех боковых дверей.
Примечание. Центральная блокировка имеет защиту замков дверей от перегрева. Если блокировка и разблокировка замков дверей происходит многократно в течение короткого промежутка времени, то система перестает реагировать на нажатие кнопки на панели приборов, а также на нажатие кнопок и на ПДУ. Если это произошло, не нажимайте кнопку на панели приборов и кнопки и на ПДУ некоторое время, после чего работоспособность системы полностью восстановится.
Алгоритм управления бортовым компьютером
1. Выбор функций бортового компьютера (осуществляется при помощи клавиш на правом подрулевом переключателе).
2. Выбор счетчиков пробега и переключение часы – температура.
3. Вход в режим установки параметра, выбор параметра.
3.1. Установка времени.
При выходе из режима установки времени счетчик секунд обнуляется (сбрасывается без округления). Если нет нажатий кнопок в течение 60 секунд, выход из режима установки времени автоматически.
4. Режим индикации параметров функций «Круиз-контроль» или «Ограничитель скорости».
В режиме индикации параметров функций «Круиз-контроль» или «Ограничитель скорости» возможно переключение индицируемой функции бортового компьютера (пункт 1) и счетчиков общего и суточного пробега (пункт 2), индикация температуры наружного воздуха и времени недоступна, режимы установки параметров (пункт 3) недоступны.
- «коротко» – нажатие менее 1,5 секунд, срабатывание по отпусканию.
- «длительно» – нажатие более 1,5 секунд, срабатывание по времени.
- желтый цвет – сегмент мигает (меандр, 1 Гц).
- при сбросе параметров маршрута (п. 3(г)) происходит обнуление следующих параметров: средний расход топлива, израсходованное топливо, время в пути, средняя скорость.
Настройки БК также показаны на видео:
Чтобы поменять звук работы поворотников нужно зайти в секретное меню (на комбинации приборов н/о не работает). Для этого зажимаем две кнопки БК одновременно. Более детальная инструкция на видео:
Устраивают ли вас функции бортового компьютера Lada Vesta? Напомним, другие инструкции по эксплуатации этого автомобиля можно найти в этом разделе.
Трудно себе представить современное авто без бортового компьютера (альтернативные названия: «БК», «карпьютер», «онбордер»), позволяющего увеличить КПД двигателя, снизить расход бензина, оптимизировать работу системы газораспределения и синхронизировать взаимодействие всех агрегатов. Кроме перечисленного, БК снижает концентрацию вредных выбросов. Онбордер выполняет функции круиз-контроля, климат-контроля, выводит на дисплей необходимую для водителя информацию, позволяющую принимать правильные решения по управлению транспортом и оптимальному движению по выбранному маршруту. Именно поэтому на всех современных моделях Лада Веста установлены БК, успешно выполняющие возложенные на них функции.
Обзор схемы проводки Лада Веста
Схема проводки Лада Веста представляет собой графическое изображение расположения проводов и их соединений внутри автомобиля. Эта схема является важным инструментом для электриков и автомехаников, так как она позволяет быстро и точно определить проблему в электрической системе автомобиля и обеспечить ее решение.
Основные компоненты схемы проводки Лада Веста включают в себя центральную панель управления, блоки предохранителей и реле, провода, разъемы и различные электрические устройства, такие как фары, стоп-сигналы, указатели поворота и т. д.
Схема проводки Лада Веста обычно представлена в виде таблицы или диаграммы, где каждый провод и компонент обозначены определенными символами или цифрами. Например, провода могут быть обозначены буквами от A до Z или цифрами от 1 до 100, а компоненты — специальными символами, такими как круги, квадраты или треугольники.
Для удобства использования схемы проводки Лада Веста, она может быть разделена на несколько разделов в зависимости от функции или места расположения проводов. Например, может быть отдельный раздел для электрической системы двигателя, системы освещения или системы зарядки и пуска.
Преимущества использования схемы проводки Лада Веста:
- Быстрое обнаружение и устранение проблем в электрической системе автомобиля.
- Точное определение расположения проводов и их соединений.
- Улучшение рабочего процесса при проведении электрических работ на автомобиле.
- Упрощение взаимодействия с различными проводками и компонентами автомобиля.
В заключение, схема проводки Лада Веста является важным инструментом для электриков и автомехаников, который помогает обнаружить и устранить проблемы в электрической системе автомобиля. Ее использование значительно упрощает процесс проведения электрических работ на автомобиле и обеспечивает более точное и быстрое их выполнение.
Подключение аккумуляторной батареи
Аккумуляторная батарея – это основной источник питания в автомобиле, который обеспечивает электрооборудование автомобиля электрической энергией. Правильное подключение аккумулятора к электросистеме Лада Веста играет важную роль в обеспечении безопасной и надежной работы всех систем автомобиля.
При подключении аккумуляторной батареи необходимо соблюдать следующие шаги:
- Отключите зажигание и все потребители электроэнергии в автомобиле.
- Возьмите красный провод и прикрепите его к положительному полюсу аккумулятора.
- Возьмите черный провод и прикрепите его к отрицательному полюсу аккумулятора.
- Убедитесь, что провода надежно прикреплены к полюсам и не вызывают короткого замыкания.
- Постепенно, сначала включите потребители электроэнергии и только после этого включите зажигание автомобиля.
Важно помнить, что при подключении аккумулятора необходимо соблюдать полярность соединений. Плюсовой полюс аккумулятора обозначается знаком «+», а минусовой – знаком «-»
Также следует помнить о том, что аккумуляторная батарея содержит в себе опасную химическую смесь и может выделять взрывоопасные газы
Поэтому следует соблюдать предосторожность и не курить во время подключения аккумулятора, а также не допускать возможности образования искр. Всегда вентилируйте помещение, где производится подключение аккумулятора
Если вам не удается выполнить все эти действия самостоятельно, обратитесь к специалистам или обратитесь в автосервис для проведения подключения аккумуляторной батареи Лада Веста.
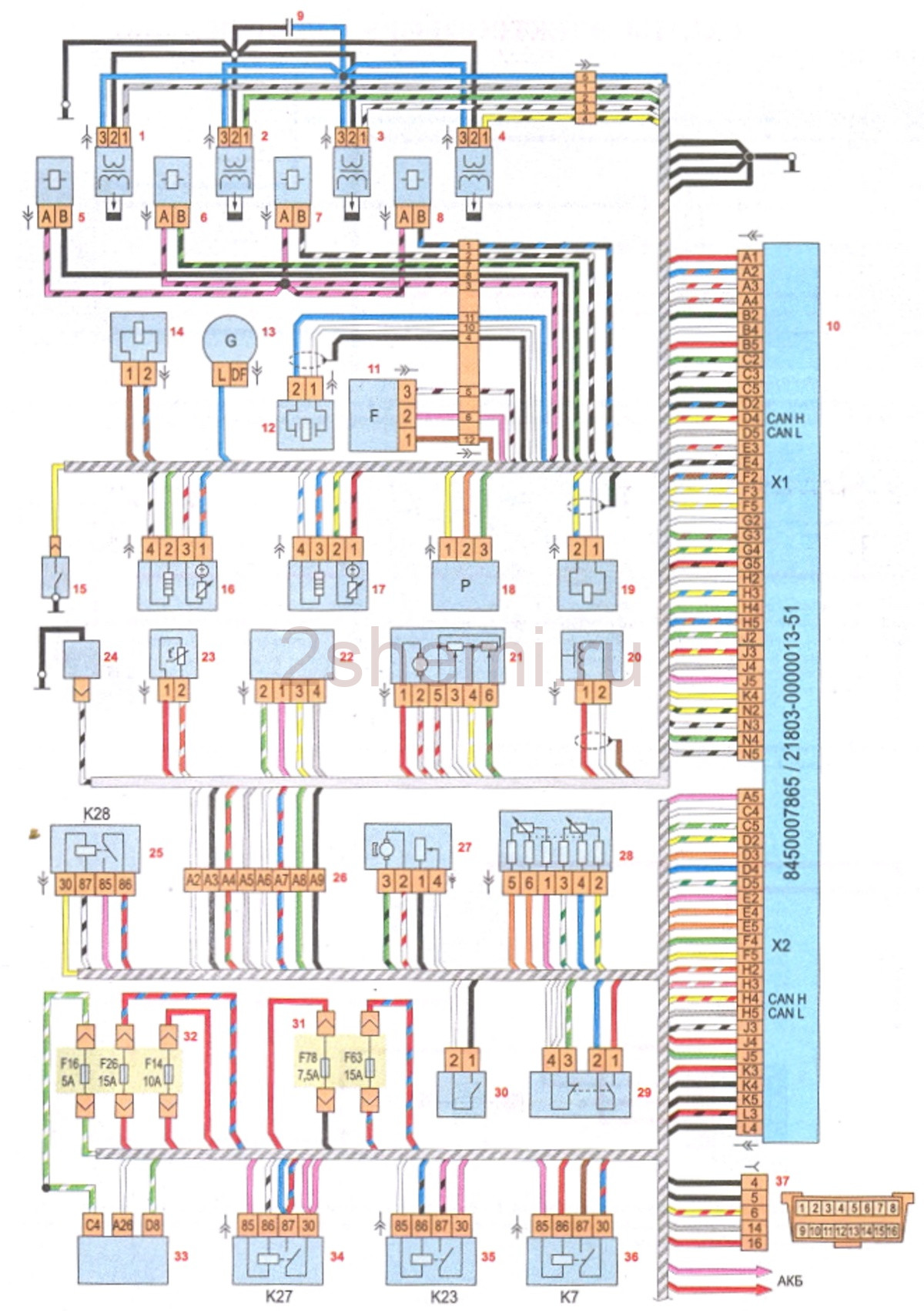
Схемы отдельных блоков ВАЗ-2180
Схема соединений переднего жгута проводов

1 – блок-фара правая; 2 – противотуманная фара (ПТФ) правая; 3 – звуковой сигнал; 4 – электровентилятор системы охлаждения двигателя; 5 – звуковой сигнал тревожной сигнализации; 6 – датчик давления системы кондиционирования; 7 – блок управления электровентилятором системы охлаждения; 8 – противотуманная фара (ПТФ) левая; 9 – блок-фара левая; 10 – соединение проводов; 11 – датчик температуры наружного воздуха; 12 – соединительная колодка; 13 – датчик скорости правого переднего колеса; 14 – электронный блок управления двигателем; 15 – блок управления АБС; 16 – клапан продувки адсорбера; 17 – выключатель охранной сигнализации; 18 – датчик скорости левого переднего колеса; 19 – мотор-редуктор переднего стеклоочистителя; 20 – насос стеклоомывателя; 21, 25 и 27 – соединительная колодка для подключения к жгуту проводов панели приборов; 22 – датчик уровня тормозной жидкости; 23 – соединительная колодка для подключения к жгуту ЭСУД; 24 – блок предохранителей и реле в моторном отсеке; 26 – элемент обогрева ветрового стекла.
Схема соединения заднего дополнительного жгута проводов

1 – наружная секция заднего левого фонаря; 2 – внутренняя секция заднего левого фонаря; 3 – внутренняя секция заднего правого фонаря; 4 – наружная секция заднего правого фонаря; 5 – соединения проводов; 6 – замок багажника; 7 – плафон освещения номерного знака; 8 – обогрев заднего стекла; 9 – плафон освещения багажника; 10 – дополнительный стоп-сигнал; 11 – камера заднего вида; 12 – блок управления парктроником; 13 – колодка для подключения к жгуту заднего бампера; 14 и 15 – колодка для подключения к заднему жгуту.
Схема системы управления двигателем

1 – катушка зажигания первого цилиндра; 2 – катушка зажигания второго цилиндра; 3 – катушка зажигания третьего цилиндра; 4 – катушка зажигания четвертого цилиндра; 5 – форсунка первого цилиндра; 6 – форсунка второго цилиндра; 7 – форсунка третьего цилиндра; 8 – форсунка четвертого цилиндра; 9 – конденсатор; 10 – электронный блок управления двигателем; 11 – датчик положения распределительного вала; 12 – датчик детонации (ДД); 13 – генератор; 14 – электромагнитный клапан системы впуска воздуха; 15 – датчик аварийного давления масла; 16 – датчик концентрации кислорода (ДК диагностический); 17 – датчик концентрации кислорода (ДК управляющий); 18 – датчик давления компрессора кондиционера; 19 – клапан продувки адсорбера; 20 – датчик положения коленчатого вала (ДПКВ); 21 – дроссельный узел (ДУ); 22 – датчик массового расхода воздуха (ДМРВ); 23 – датчик температуры охлаждающей жидкости (ДТОЖ); 24 – муфта компрессора кондиционера; 25 – реле муфты компрессора кондиционера (К28); 26 – соединительная колодка; 27 – топливный модуль (бензонасос); 28 – электронная педаль газа; 29 – датчик положения педали тормоза; 30 – датчик положения педали сцепления; 31 – блок предохранителей и реле в моторном отсеке; 32 – монтажный блок в салоне; 33 – блок управления электрооборудованием; 34 – главное реле системы управления двигателем (К27); 35 – реле стартера (К23); 36 – реле топливного насоса (К7); 37 – колодка диагностического разъема.
Схема соединений жгута проводов передней левой двери

1 – замок двери; 2 – плафон подсветки порога; 3 – мотор-редуктор стеклоподъемника; 4 – блок управления стеклоподъемниками, приводом зеркал и центральным замком; 5 – соединения проводов; 6 – динамик Lada Vesta; 7 – высокочастотный динамик (твитер); 8 – боковое зеркало; 9 – колодка для подключения к колодке заднего жгута проводов.
Схема соединений жгута проводов передней правой двери

1 – замок двери; 2 – плафон подсветки порога; 3 – мотор-редуктор стеклоподъемника; 4 – колодка для подключения к колодке заднего жгута проводов; 5 – высокочастотный динамик (твитер); 6 – динамик; 7 – боковое зеркало; 8 – кнопка стеклоподъемника.
Схема соединений жгута проводов задней двери

1 – колодка для подключения к колодке заднего жгута проводов; 2 – мотор-редуктор стеклоподъемника; 3 – соединение проводов; 4 – кнопка стеклоподъемника; 5 – замок двери; 6 – динамик.
Схема электровентилятора системы охлаждения двигателя

1 – электровентилятор; 2 – блок предохранителей и реле в моторном отсеке; 3 – электронный блок управления двигателем; 4 – блок управления электровентилятором.
Схема заряда аккумуляторной батареи

1 – аккумулятор; 2 – монтажный блок в монтажном отсеке; 3 – генератор; 4 – электронный блок управления двигателем.
Схема системы запуска двигателя

1 – аккумулятор; 2 – монтажный блок в моторном отсеке; 3 – замок зажигания; 4 – блок предохранителей в салоне; 5 – стартер; 6 – реле стартера (К23); 7 – блок управления электрооборудованием.

























































