Цветная схема электрооборудования камаз-65115, 6520, 5510 и 5511 с описанием. электросхема камаз 65115 евро 3
Содержание
- 1 Подготовка к установке
- 2 Установка новых дворников
- 3 Подключение к механизму стеклоочистителя
- 4 Функционал
- 5 Электрическая схема запуска двигателя
- 6 Схема подключения реле дворников Камаз 65117
- 7 Как правильно подключить 4 контактное реле
- 8 Электронное реле: схема и принцип работы
- 9 Схема подключения мотора редуктора стеклоочистителя КамАЗ
- 10 Характеристики мотора редуктора
- 11 Проверка цепи питания
- 12 Регулировка механизма стеклоочистителя
- 13 Электросхема блока освещения
- 14 Мотор редуктор стеклоочистителя Камаз: что это?
- 15 Краткий экскурс в историю
- 16 Грузовики Камского автозавода
- 17 Система наружного и внутреннего освещения КамАЗ-43118
- 18 Блок реле предохранителей КАМАЗ 5490, 65206 65207
- 19 Обзор мотора редуктора стеклоочистителя КамАЗ
- 20 Работа механизма стеклоочистителя
- 21 Система омывателей ветрового и заднего стекол
- 22 Рекомендации по уходу
- 23 Общие данные
Подготовка к установке
Шаг 1: Перед началом установки дворников на Камаз необходимо убедиться, что находитесь в безопасном месте
При работе с автомобилем всегда следует соблюдать меры предосторожности
Шаг 2: Откройте капот автомобиля и снимите защитный кожух дворников, если он установлен.
Шаг 3: Внимательно осмотрите механизм дворников и убедитесь, что нет видимых повреждений или износа. При необходимости замените старые дворники на новые.
Шаг 4: Проверьте состояние резиновой ленты дворников. Если она потеряла эластичность или появились трещины, рекомендуется заменить ее на новую.
Шаг 5: Очистите стекло от грязи и пыли. Используйте специальное стеклоочистительное средство и мягкую тряпку для этого.
Шаг 6: Убедитесь, что дворники заходят на стекло на всю длину и плотно прилегают к нему. Они должны быть расположены параллельно и наклонены под оптимальным углом для очистки стекла.
Шаг 7: Если у вас установлены дворники с подогревом, проверьте состояние проводов и соединений. Удостоверьтесь, что все подключения надежно зафиксированы.
Установка новых дворников
1. Подготовьте необходимые инструменты
Перед установкой новых дворников на Камаз необходимо подготовить следующие инструменты:
- Отвертка или ключ, подходящий для откручивания крепления старых дворников
- Новые дворники, соответствующие модели Камаза
2. Снимите старые дворники
Для снятия старых дворников необходимо:
- Поднять дворники в вертикальное положение
- Открутить крепления дворников при помощи отвертки или ключа
- Снять старые дворники со стекла автомобиля
3. Установите новые дворники
Для установки новых дворников следуйте инструкции, прилагаемой к приобретенным дворникам. Обычно установка новых дворников сводится к следующим шагам:
- Прикрепите новый дворник к креплению на стекле автомобиля
- Закрепите дворник, затянув крепления до конца
4. Проверьте работу дворников
После установки новых дворников необходимо проверить их работу. Для этого включите систему омывателя стекла и включите дворники на различных скоростях. Убедитесь, что дворники равномерно очищают стекло и не оставляют полоски на видимости.
Подключение к механизму стеклоочистителя
Мотор редуктор стеклоочистителя КамАЗ предназначен для обеспечения работы стеклоочистителей грузовых автомобилей данной марки. Схема его подключения включает несколько основных компонентов: мотор, редуктор и механизм стеклоочистителя.
Мотор редуктор стеклоочистителя КамАЗ обеспечивает механическое движение плоской щетки или щеток по поверхности стекла автомобиля. Он устанавливается на специальное место на автомобиле и подключается к электрической системе машины.
Для правильного подключения мотора редуктора стеклоочистителя КамАЗ к механизму стеклоочистителя необходимо следовать определенной схеме подключения.
| Номер контакта | Функция | Цвет провода | Подключение |
|---|---|---|---|
| 1 | Постоянный плюс | Красный | Подключение к аккумуляторной батарее автомобиля или другому источнику питания с постоянным плюсом |
| 2 | Заземление | Черный | Подключение к металлическому каркасу автомобиля для обеспечения заземления |
| 3 | Работа стеклоочистителя вперед | Зеленый | Подключение к переключателю стеклоочистителя (кнопка «Вперед») |
| 4 | Работа стеклоочистителя назад | Синий | Подключение к переключателю стеклоочистителя (кнопка «Назад») |
Подключение мотора редуктора стеклоочистителя КамАЗ к механизму стеклоочистителя осуществляется с помощью соответствующих проводов. Перед подключением необходимо убедиться в правильности подключения проводов в соответствии с указанной схемой. Неправильное подключение может привести к некорректной работе стеклоочистителя или повреждению мотора редуктора.
Функционал
Электрическая схема запуска двигателя
Пусковая установка предназначена для запуска двигателя и обеспечения его стабильной работы в рабочем режиме.
Схема пуска двигателя Камаз
Система запуска состоит из следующих элементов:
- стартер типа СТ-142Б;
- реле стартера;
- выключатель стартера и приборов;
- реле блокировки;
- дублирующий выключатель стартера;
- розетка внешнего пуска.
Стартер СТ-142Б автомобиля КамАЗ
Стартер СТ-142Б — устройство
Стартером является электрический двигатель постоянного тока. Устройство служит для преобразования электрической энергии от источника тока в механическую энергию вращения коленчатого вала.
Устройство выполнено в герметичном корпусе и обладает последовательным возбуждением. Агрегат оснащен электромагнитным реле. С помощью электромагнитного реле шестерня стартера входит в зацепление с венцом маховика. Запуск и работа стартера сопровождается миганием контрольной лампы.
Первым приводом электродвигателя является храповый механизм. Храповик обладает свободным ходом. Вторым приводом служит масса двигателя.
Номинальное напряжение стартера типа СТ-1425 составляет 24 В. Номинальная мощность не превышает 7,7 кВт. Передаточное число установки «двигатель-стартер» имеет показатель 11,3.
Генератор автомобиля КамАЗ
Генератор представляет собой агрегат для преобразования механической энергии вращения коленчатого вала в электричество.
Генератор состоит из неподвижной части – статора и вращающегося элемента – ротора. Статор состоит из набора металлических пластин с обмотками из меди. Медные обмотки сдвинуты на 120° относительно друг друга.
Генератор Г-288 автомобиля КАМАЗ
Ротор имеет вид стального вала с рифлёной поверхностью. На вал запрессованы два магнитопровода. Между ними установлена медная обмотка возбуждения.
При подаче электроэнергии от источника питания в обмотках генератора возникают магнитные потоки. Каждый поток имеет противоположное направление. Пересечение разнонаправленных потоков приводит к образованию электроэнергии. Через щеточные выводы образуемая электроэнергия поступает к потребителям.
Электрическая схема грузового автомобиля КамАЗ имеет сложную конструкцию. Она состоит из многочисленных реле, датчиков, выключателей и контрольных ламп. Знание базовых принципов работы каждого элемента является обязанностью каждого водителя транспортного средства.
Видео по теме: Проводка на КАМАЗе
Публикации по теме
Способы усовершенствования компрессора из старого холодильника своими руками
Сборка компрессора для аэрографа своими руками
Что делать, если пила Штиль 180 не заводится – поиск причины
Схема подключения реле дворников Камаз 65117
Реле дворников на автомобиле Камаз 65117 используется для управления работой дворников
Это важное устройство, которое позволяет водителю включать и выключать дворники, регулировать их скорость и устанавливать интервалы их работы
Схема подключения реле дворников Камаз 65117 проста и понятна даже для новичков:
- Найдите реле дворников на автомобиле. Обычно оно располагается под капотом, в районе панели предохранителей.
- Отсоедините отрицательный провод аккумулятора, чтобы исключить возможность короткого замыкания во время работы.
- Проверьте наличие разъема для подключения реле дворников — он обычно имеет 4 или 5 контактов.
- Подключите провода к соответствующим контактам реле. Наиболее распространенная схема подключения имеет следующие цвета проводов:
- Синий — питание (провод прямо от аккумулятора).
- Красный — плюс дворников (провод от кнопки или переключателя).
- Белый — плюс заднего стеклоочистителя (если таковой имеется).
- Черный — заземление (провод от кузова автомобиля).
- Зеленый — контакт для управления режимами работы дворников (провод к кнопке или переключателю).
- Убедитесь, что все провода надежно подключены и затянуты.
- Подсоедините отрицательный провод аккумулятора.
- Проверьте работу дворников, убедитесь, что реле функционирует исправно.
В случае возникновения проблем с работой дворников рекомендуется обратиться к специалисту для проведения диагностики и ремонта системы дворников. Это позволит избежать возможных поломок и гарантирует, что дворники будут работать эффективно во время дождя или снегопада.
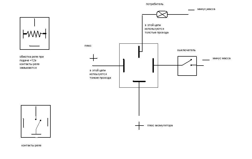
Как правильно подключить 4 контактное реле


В данных схемах реле включается последовательно с сигнальными лампами через переключатель поворотов. При управлении штатным органом для разблокировки, кнопка или геркон не нужны, диод D2 необходим.
Провода на противотуманные фары идут от блока предохранителей, но по пути они проходят через реле. Если нам надо из слаботочного отрицательного выхода сигнализации в сигнализации такие выходы могут называться по-разному и их назначение тоже различное: выход на 3-е зажигание, выход на открытие багажника, выход на закрытие стёкол и т.д
Электронное реле: схема и принцип работы
Периодичность мигания напрямую связана с емкостью конденсатора. Исключение составляет схема соединения реле поворотов типа РС и его аналогов, применяемых на грузовых автомобилях. Пока оценок нет.
Диапазон электропитания: 8…16В.
Клемма которая расположена в другом направлении относительно остальных — это 30 или 87?
Реле как бы разделяет провод, идущий от блока предохранителей к насосу на две части, которые могут замыкаться внутри реле при подаче напряжения на управляющие контакты магнита. Подключение электронного реле от электромагнитнотеплового отличается лишь наличием вывода соединённого с массой автомобиля.

Схема блокировки двигателя с самоподхватом самоблокировкой.

А может и 3-канальным, что позволит подключать 4 полюса к нагрузке например, три фазы В 4.
Это обусловлено способом подключения контрольных ламп.
Для крепления корпуса имеются отверстия и проушины под болтовые соединения. Поэтому, любые изменения конструкции транспортного средства вы производите на свой страх и риск.
Как подключается автомобильный сигнал
Схема подключения мотора редуктора стеклоочистителя КамАЗ
Для правильной работы стеклоочистителя на грузовых автомобилях КамАЗ необходимо знать схему подключения мотора редуктора. Данная схема представляет собой связь между источником питания, мотором и переключателями.
Основные компоненты схемы:
| Элемент | Описание |
|---|---|
| Источник питания | Постоянный или переменный ток, которым питается мотор редуктора стеклоочистителя. Обычно источником питания служит АКБ автомобиля. |
| Мотор редуктора | Отвечает за привод ручки стеклоочистителя и перемещение щеток по стеклу автомобиля. Преобразует энергию электричества в механическую. |
| Переключатели | Позволяют включать и отключать стеклоочиститель, а также выбирать его скорость. Обычно на КамАЗ используется один переключатель с несколькими положениями. |
Таким образом, схема подключения мотора редуктора стеклоочистителя КамАЗ состоит из трех основных компонентов: источника питания, мотора и переключателей. Используя переключатели, водитель может выбирать скорость движения щеток по стеклу автомобиля.
Характеристики мотора редуктора
Основные характеристики мотора редуктора:
- Мощность: Мотор редукторы стеклоочистителей КамАЗ обладают определенной мощностью, выраженной в ваттах. Она определяет способность мотора привести в движение стеклоочистительное устройство и осуществлять его работу при любых погодных условиях.
- Напряжение: Работа мотора редуктора осуществляется от электропитания автомобиля. Напряжение, которое требуется для его функционирования, может варьироваться в зависимости от конкретной модели мотора. Обычно для КамАЗов используется напряжение 12 Вольт.
- Сила тока: Это показатель тока, которым электродвигатель стеклоочистителя потребляет при работе. Он влияет на энергопотребление мотора и онлайнового проводного подключения.
- Скорость: Мотор редуктор стеклоочистителя может обладать различной скоростью вращения, что зависит от его конструкции и конкретной модели. Оптимальная скорость регулируется, чтобы обеспечить эффективную очистку стекла при различных климатических условиях.
Проверка цепи питания
Для проверки цепи питания мотора редуктора стеклоочистителя Камаз, следует выполнить следующие действия:
- Проверить наличие питания на выходе реле стеклоочистителя.
- Проверить наличие питания на входе реле стеклоочистителя.
- Проверить наличие питания на контактах выключателя стеклоочистителя.
- Проверить наличие питания на контактах мотора редуктора.
- Проверить наличие питания на выводах блока предохранителей.
Для выполнения проверки необходимо использовать мультиметр. Подключите мультиметр к нужным контактам и проверьте, есть ли напряжение на них.
Если при проверке вы обнаружите отсутствие питания на каком-либо из перечисленных выше этапов, то нужно искать причину и устранять ее. Могут быть различные причины отсутствия питания: обрыв в проводах, повреждение реле или других элементов цепи.
Важно: Все работы по проверке и ремонту электрической цепи должны выполняться только при выключенном зажигании автомобиля и отсоединенном аккумуляторе
Регулировка механизма стеклоочистителя
Механизм стеклоочистителя, включающий в себя мотор и редуктор, может требовать регулировки для оптимального функционирования. В этом разделе мы рассмотрим основные шаги регулировки механизма стеклоочистителя на Камазе.
Шаг 1: Проверьте положение стеклоочистителя. Правильное положение стеклоочистителя должно быть достаточно близким к стеклу для эффективной очистки, но не слишком близким, чтобы избежать повреждения стекла или механизма.
Шаг 2: Проверьте направление движения стеклоочистителя. Он должен двигаться снизу вверх, чтобы эффективно очищать стекло. Если направление движения неправильное, необходимо отрегулировать механизм.
Шаг 3: Проверьте скорость движения стеклоочистителя. Слишком медленное или слишком быстрое движение может оказаться неэффективным. Если скорость движения неправильная, отрегулируйте механизм.
Шаг 4: Проверьте надежность крепления механизма стеклоочистителя. Убедитесь, что все крепления надежно закреплены и не шатаются. Если обнаружены неполадки, замените или подтяните необходимые крепления.
Шаг 5: Проверьте состояние резиновых лопаток стеклоочистителя. Они должны быть чистыми и гибкими для эффективной очистки стекла. Если резиновые лопатки повреждены или изношены, замените их.
Шаг 6: Проверьте работу мотора и редуктора. Убедитесь, что мотор функционирует без перебоев и редуктор перемещает лопатки стеклоочистителя плавно и равномерно. При неисправностях замените мотор или редуктор.
Следуя этим шагам, вы сможете отрегулировать механизм стеклоочистителя на Камазе для оптимальной работы.
Электросхема блока освещения
Внутреннее и наружное освещение предназначено для эксплуатации автомобиля в условиях ограниченной видимости и в темноте.
Схема освещения автомобиля КАМАЗ включает в себя следующее:
- освещение багажного отделения;
- Лампа накаливания для освещения койки;
- Светящаяся лампа под капотом;
- управление освещением кабины.
- фары в кабине управления;
- Передние и задние указатели поворота;
- галогенные противотуманные фары;
- узел освещения приборной панели;
Внутреннее и наружное освещение подключается по однопроводной схеме. Непрерывность электрической цепи обеспечивается предохранителями с плавкой вставкой типа PSR-10.
Управление освещением осуществляется с помощью комбинированного выключателя, подключенного непосредственно через амперметр к источнику питания.
https://youtube.com/watch?v=IQBVhNAATyA
Мотор редуктор стеклоочистителя Камаз: что это?
Этот мотор редуктор обеспечивает движение щеток стеклоочистителя, осуществляя эффективную очистку ветрового стекла во время дождя, снегопада или грязной погоды.
Он состоит из электрического двигателя и редуктора, которые вместе создают необходимую силу и скорость для работы щеток.
Мотор редуктор имеет несколько основных характеристик, которые определяют его производительность: мощность, напряжение, скорость вращения и крутящий момент.
Мощность обычно измеряется в ваттах и определяет энергию, которую мотор редуктор может произвести.
Напряжение, измеряемое в вольтах, указывает на то, какое напряжение требуется для питания мотор редуктора.
Скорость вращения измеряется в оборотах в минуту и показывает, с какой скоростью будут двигаться щетки стеклоочистителя.
Крутящий момент, измеряемый в ньютонах на метр, указывает на силу, с которой мотор редуктор может вращать щетки стеклоочистителя.
Мотор редуктор стеклоочистителя Камаз является важным компонентом автомобиля, который обеспечивает безопасную езду в условиях плохой видимости. Знание его основных характеристик и правильный подбор приобретаемой модели помогут обеспечить эффективность работы стеклоочистителя и улучшить безопасность на дороге.
Краткий экскурс в историю
Впервые омыватели стекол появились в автомобилях примерно во второй половине 20 века. На советском пространстве такими устройством первыми были оснащены автомобили, выпускаемые Горьковским автомобильным . Хоть отечественный транспорт и во многом отличался от тогдашнего зарубежного, омыватели стекол в старых автомобилях были практически одинаковы. Главное здесь то, что поначалу они были механическими. Водитель нагнетал воду для омывания лобового стекла посредством специальной ручки на передней панели в салоне. Привод долгое время оставался ручным, вот только рычажок на панели был заменен небольшой педалью, на которую нужно было нажимать левой ногой.
Запчасти на renault 20
Сальник рулевой рейки/механизма (см. типоразмеры) 1.6 (1271) 843 720 Спустя некоторое время механический насос был вытеснен электрическим. Он был удобнее и практичнее. Во-первых, пропадала нужда в ручном приводе. Во-вторых, электрический омыватель можно было включать в работу вместе с щетками стеклоочистителя. Изменились и форсунка омывателя, иначе называемая жиклером. Теперь она устанавливалась на планке под лобовым стеклом или прямо на капоте. Более мощная форсунка подавала воду или специальную жидкость на большую часть лобового стекла (ранее омывалась только водительская сторона). Эксперименты с установкой форсунок прямо на поводки щеток проводились, но в наше время их результаты можно видеть только на автобусах или грузовиках.
Грузовики Камского автозавода
В разные годы завод выпускал: коммерческие грузовые, шасси, военные, пассажирские варианты. Эксплуатационные характеристики машин позволяют использовать их в различных природных условиях, для выполнения всевозможных задач. Модельный ряд:
- Бортовые – 43118, 43253, 5350, 65207, 6560.
- Седельные тягачи – 53504, 6460, 65206, 65226.
- Магистральные седельные тягачи – 5490.
- Самосвалы – 43255, 45143, 65115, 6520, 6522.
- Шасси – 4308, 43253, 43502, 53605, 65115, 65107.
В качестве силовой установки устанавливали двигатели различных модификаций. Наиболее часто встречаются дизельные варианты:
- Восьмицилиндровый, развиваемая мощность 240 л. с. (740.11-1000-400), объем цилиндров 10,85 л. Неприхотливый агрегат, очень надёжный, предназначен для эксплуатации в суровых климатических условиях.
- Восьмицилиндровый мощностью 210 л. с. (740.10), объем 10,85 л, позволяет перевозить грузы, почти равные весу автомобиля. Но агрегат не соответствует принятым стандартам экологической безопасности.
- Восьмицилиндровый с турбонаддувом (740.30), мощность 260 л. с., объём 10,85 л. Агрегат комплектуется генератором и компрессором, но стартер отсутствует. Эта силовая установка соответствует современным стандартам Euro-2, применялись на других транспортных средствах: автобусах ПАЗ, НЕФАЗ, некоторых тракторах, а также в энергетических установках, судах, тяжёлых кранах.
В зависимости от конструкции ходовой части использовались различные колёсные формулы:
- 4×2 – два моста с приводом на заднюю ось, передние колёса ведущие;
- 4×4 – полный привод на два моста;
- 6×4 – задние две оси ведущие, передние управляемые;
- 6×6 – тяжеловозы с приводом на все три моста;
- 8×8 – военная техника специального назначения.
Система наружного и внутреннего освещения КамАЗ-43118
Блок реле предохранителей КАМАЗ 5490, 65206 65207
Можно применять некачественное топливо, причем использовать любую его разновидность.
Электрическая схема системы контрольно-измерительных приборов: 1 — указатель уровня топлива; 2 — датчик указателя уровня топлива; 3 — предохранитель Обе батареи монтируются в специальный ящик, расположенный на раме машины, позади кабины. Еще одна проблема, которая может произойти — это выход из строя генератора или его неполноценная работа.
При замене проводки помните о том, что кабель лучше несколько раз заизолировать перед укладкой. Выключатель 8 аварийной световой сигнализации обеспечивает одновременное включение всех указателей поворота в прерывистом режиме. Натяжение ремней привода генератора и водяного насоса : — отклонив генератор вверх, обеспечьте номинальное натяжение ремней, затяните болт регулировочный , болт крепления планки генератора и гайки болтов крепления передней и задней лап генератора. Световые индикаторы и звуковая сигнализация Мигающая индикация указателей обеспечивается аварийным реле-прерывателем. Не подсоединяйте и не отсоединяйте штепсельные разъемы и плюсовой вывод генератора при работающем двигателе и включенных аккумуляторных батареях, а также не пускайте двигатель при отсоединенном плюсовом проводе генератора.
Выключатель 8 аварийной световой сигнализации обеспечивает одновременное включение всех указателей поворота в прерывистом режиме. На вкладыше к Руководству приведены принципиальная схема электрооборудования автомобиля, перечень элементов схем с указанием маркировки типа этих элементов от основных поставщиков. Функциональная схема световой и звуковой сигализации тормозной системы.
К нему относятся: Фары ближнего и дальнего света; Освещение номерного знака; Противотуманные фонари; Фара, которая освещает пространство под кузовом. Выключатель 8 аварийной световой сигнализации обеспечивает одновременное включение всех указателей поворота в прерывистом режиме. При этом замыкаются контакты датчика 20, установленного в контуре III пневмопривода тормозных механизмов, и загорается контрольная лампа. Поскольку этот узел отвечает за работоспособность всего оборудования во время движения, о его поломке вы узнаете сразу. Электроэнергию вырабатывает генераторная установка.
На схемах рядом с условным изображением элементов электрооборудования приведены номера присоединяемых электропроводов, буквами обозначен их цвет: Б — белый; Г — голубой; Ж — желтый; 3 — зеленый; К — красный; КЧ — коричневый; О — оранжевый; Р — розовый; С — серый; Ф — фиолетовый; Ч — черный. Цена распечатки 10 листов в разы меньше, чем стоимость инструкции, предлагаемой различными ресурсами и издательствами. Возможные неисправности проводки Поломки в работе электропроводки — это проблема, с которой сталкиваются многие наши соотечественники. В системе применяется реверсивный электродвигатель МЭ
Электростартер управляется через реле, при помощи выключателя приборов. Электросхема блока освещения Внутреннее и наружное освещение предназначены для эксплуатации автомобиля в условиях плохой видимости и темное время суток. Функциональная схема световой и звуковой сигализации тормозной системы. Звуковая сигнализация предназначена для оповещения о нормальной работе агрегатов. Несмотря на прекращение производства, устройство активно применяется в строительстве, так как до сих пор актуально по своим параметрам. Электрооборудование КАМАЗ. Схемы эектрооборудования.ТОэлектрооборудования автомобиля КАМАЗ
Обзор мотора редуктора стеклоочистителя КамАЗ
Мотор редуктора стеклоочистителя КамАЗ состоит из нескольких основных составляющих:
1. Редуктор: осуществляет передачу вращательного движения от двигателя на механизм стеклоочистителя. Редуктор имеет зубчатые колеса, которые изменяют частоту вращения и увеличивают момент вращения.
2. Электродвигатель: преобразует электрическую энергию в механическую, передавая ее на редуктор. Он позволяет мотору редуктора функционировать автономно, без участия внешнего источника энергии.
3. Проводка и реле: обеспечивают электрическую связь между бортовой системой автомобиля и мотором редуктора. Проводка передает сигнал с кнопки стеклоочистителя на реле, которое затем активирует электродвигатель.
Принцип работы мотора редуктора стеклоочистителя КамАЗ заключается в следующем:
1. При нажатии на кнопку стеклоочистителя электрический сигнал передается на реле.
2. Реле активирует электродвигатель, который начинает преобразовывать электрическую энергию в механическую.
3. Механическая энергия передается на редуктор, который изменяет частоту вращения и увеличивает момент вращения.
4. Редуктор передает передачу на механизм стеклоочистителя и стекло начинает очищаться.
Мотор редуктора стеклоочистителя КамАЗ имеет надежную конструкцию и обеспечивает эффективную работу стеклоочистителей
Он является важной частью системы безопасности автомобиля, обеспечивая хорошую видимость для водителя
Работа механизма стеклоочистителя
Механизм стеклоочистителя КамАЗ состоит из мотора-редуктора, лопастей и механизма перемещения. Основной принцип работы заключается в преобразовании электрического сигнала в механическое движение, что позволяет очищать стекло от воды и грязи.
Когда водитель включает стеклоочиститель, сигнал направляется к мотору-редуктору, который включает электрический мотор. Мотор в свою очередь приводит в движение редуктор, который усиливает силу вращения. Редуктор передает движение лопастям стеклоочистителя.
Лопасти при движении осуществляют перемещение по стойкам, которые крепятся к стеклу автомобиля. Они очищают поверхность стекла от воды и грязи, обеспечивая хорошую видимость во время движения. Механизм перемещения позволяет лопастям возвращаться в исходное положение после очистки стекла.
Мотор редуктор стеклоочистителя КамАЗ представляет собой компактное устройство, которое обеспечивает эффективное очищение стекла в любую погоду и при любых скоростях движения. Благодаря своей надежности и простоте в установке, он является незаменимым компонентом системы стеклоочистителя КамАЗ.
Система омывателей ветрового и заднего стекол
В целях обеспечения достаточной видимости через очищаемую зону необходимо обязательное наличие омывателя. Центробежные насосы с электроприводом подают воду с моющим средством из бачка через 2-4 форсунки точечными струями или через разбрызгивающие форсунки в распыленном виде на ветровое стекло (рис. «Система омывания ветрового и заднего стекла и система фароомывателей высокого давления» ). Емкость бачка с омывающей жидкостью обычно составляет 1,5-2 л. Если из этого же бачка омываются и фары, то может потребоваться увеличение емкости до 7 л. Для системы очистки заднего стекла требуется отдельный бачок.
Электронная система управления омывателем
Система омывателей часто соединяется с системой очистки посредством электронной системы управления, чтобы вода разбрызгивалась на заднее или ветровое стекло, пока нажата кнопка. Затем система очистителей продолжает работать несколько дополнительных циклов после отпускания кнопки.
Рекомендации по уходу
1. Регулярная очистка дворников
Для обеспечения эффективной работы дворников на Камазе важно регулярно их чистить. Накопившаяся пыль, грязь или наледь может препятствовать правильному прилеганию дворников к стеклу и повредить его поверхность
Чтобы удалить загрязнения, используйте мыльный раствор или специальное стеклоочистительное средство. Очищайте их также от ледяной корки в зимнее время.
2. Проверка резиновых полосок
Резиновые полоски на дворниках – это основной элемент, который контактирует со стеклом автомобиля. Регулярно проверяйте их на наличие трещин, облупленных или изношенных участков. Если полоски повреждены, замените их на новые, так как изношенные полоски могут оставлять разводы на стекле и снижать качество очистки.
3. Проверка механизма дворниковых рычагов
Периодически осматривайте и проверяйте механизм дворниковых рычагов на наличие признаков износа. Убедитесь, что все соединения прочные, а рычаги надежно крепятся к стеклу и установлены под правильным углом. Если вы замечаете любые дефекты, вовремя замените поврежденные детали, чтобы обеспечить гладкое и эффективное перемещение дворников по стеклу.
4. Правильное хранение
Помимо регулярной очистки и проверки, также следует правильно хранить дворники, когда они не используются. Не стоит хранить их на прямом солнечном свете или вблизи иных источников тепла, чтобы избежать деформации резиновых полосок. Храните дворники в сухом месте при комнатной температуре.
5. Замена дворников вовремя
Даже при правильном уходе и регулярной очистке, резиновые полоски на дворниках со временем изнашиваются и теряют свою эффективность
Поэтому важно вовремя менять дворники на Камазе, следуя рекомендациям производителя или при первых признаках низкой очистки или шума при работе механизма
Общие данные
Народное хозяйство тех лет требовало мощный и надежный самосвал, что и определило общие характеристики транспортного средства.
В те годы наблюдался общесоюзный строительный бум, поэтому требовался:
- надежный и неприхотливый в обслуживании автомобиль;
- с большой грузоподъемностью;

- с высокой проходимостью;
- способностью работы на дешевом топливе;

- допускающий круглосуточную эксплуатацию (в условиях Крайнего Севера);
- с высокой унификацией узлов и агрегатов выпускаемых и разрабатываемых моделей.

И такой автомобиль появился благодаря целенаправленному и самоотверженному труду сотен специалистов автомобильного дела.












