Схема проводки ваз
Содержание
- 1 Электрическая Схема Ваз 2101 — tokzamer.ru
- 2 Что необходимо знать об автомобильной электрической схеме
- 3 Схема впрыска для 2105
- 4 Схема электрооборудования ВАЗ-2106 (новая)
- 5 Реле включения ближнего и дальнего света фар
- 6 Тип 2
- 7 2103
- 8 Центральная часть схемы электрооборудования ВАЗ-2106
- 9 Блок предохранителей и реле ВАЗ 2101
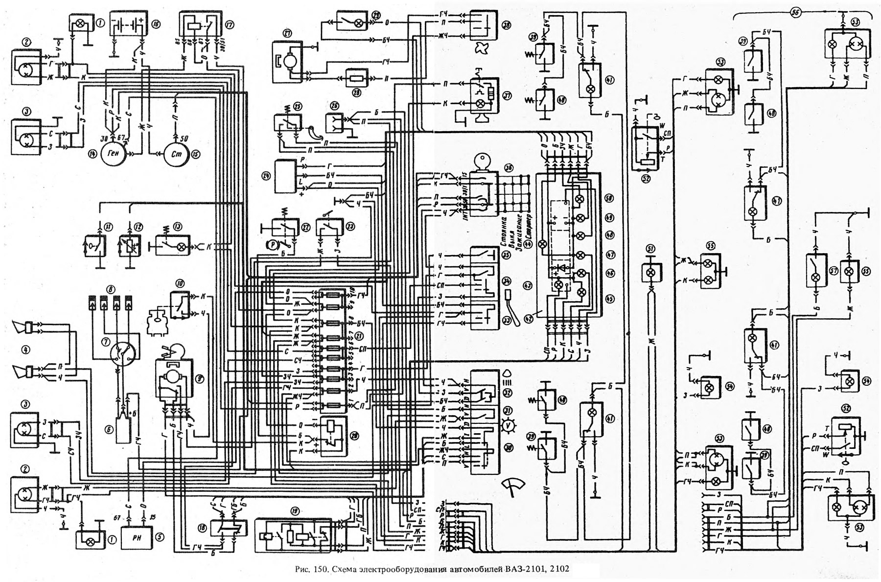
Электрическая Схема Ваз 2101 — tokzamer.ru
За годы эксплуатации автомобиля в схему, скорее всего, вносилось масса изменений, поэтому восстановить первозданное состояние электрооборудования бывает довольно сложно.Добавочный резистор электродвигателя отопителя.


https://youtube.com/watch?v=_EMkTuBKlFg
электрическая схема ВАЗ-2101
Блок предохранителей. Выключатели плафонов, расположенные в стойках задних дверей. Реле контрольной лампы заряда аккумуляторной батареи.Для этого проще использовать схему работы подфарников, вспомогательных осветительных приборов и задних фонарей.Выключатель сигнала торможения.

https://youtube.com/watch?v=XXTiHe3drbU
Автомобили ВАЗ: ремонт, обслуживание, тюнинг
Фонарь освещения номерного знака автомобиля ВАЗ Задний пучок проводов автомобиля ВАЗ
Реле «копейки», основные потребители и датчики
Модернизированный в году автомобиль с двигателем объемом 1. Свечи зажигания ваз
Спидометр автомобиля ВАЗ Каждая такая графическая электросхема имеет четкую структуру: определенный порядок значков элементов то есть каждый из них пронумерован ; обязательное разъяснение всех пиктограмм и нумерации.
Если поврежденную цепь не отключить от сети, она может очень быстро посадить аккумулятор, провода могут перегреваться, что вызовет большую вероятность возникновения пожара, оплавления проводов и обивки автомобиля. Звуковые сигналы. Панель приборов вазПричина отсутствия заряда АКБ на ВАЗ 2101 . Как найти
Что необходимо знать об автомобильной электрической схеме
Информацию по электрооборудованию дополнительно можно скачать в одном архиве со электросхемой Ваз Базовый советский седан ВАЗ с двигателем объемом 1.
Штепсельная розетка для переносной лампы. Электродвигатель омывателя ветрового стекла. Генератор ваз
Контрольная лампа указателей поворота ваз Особенности схемы электрооборудования автомобилей ВАЗ Схема электрооборудования передней части автомобилей и монтаж передних пучков проводов на автомобилях ВАЗ и ВАЗ одинаковы.
Для того чтобы правильно эксплуатировать любое транспортное средство, необходимо предварительно изучить все его технические характеристики и, конечно же, электросхему к нему. Так, каждая графическая схема автомобильной электрической схемы должна включать в себя изображения элементов трех категорий: Источники питания, например, гальванические элементы их функция — вырабатывать электрический ток. В случае большого количества различных элементов трассы изображаются по отрезкам, с обязательным указанием мест разрывов и соединений на схеме.
См. также: Со 34 45 51 300 97 статус
Плавкие предохранители ВАЗ 2101, 2102
Основной пучок проводов — передний. Задний пучок проводов автомобиля ВАЗ Передний пучок 12 имеет три основные ветви. Поскольку по разным проводам протекает электрический ток различной силы, то и поперечное сечение жил проводов тоже различно.
Поэтому минусовые выводы всех приборов и исполнительных механизмов должны были иметь качественный контакт с металлическим кузовом. Распределитель зажигания. Блок предохранителей. Подкапотное пространство По требованию советских инженеров, специалисты компании Fiat переработали некоторые узлы в подкапотном пространстве. Реле стеклоочистителя.
Поэтому перед нами одна из первых массовых схем, которая практически без изменения перешла из автомобиля Fiat на ВАЗ Жигули. Поэтому у автомобилей ВАЗ и ВАЗ одного года выпуска нет отличий в схеме электрооборудования передней части автомобилей. Реле-прерыватель контрольной лампы стояночного тормоза.
Пучок проводов аккумуляторной батареи. Модификации автомобиля ВАЗ Свечи зажигания ваз За годы эксплуатации автомобиля в схему, скорее всего, вносилось масса изменений, поэтому восстановить первозданное состояние электрооборудования бывает довольно сложно.Всё о замене проводки ВАЗ 2101 и прочая полезная информация.
Что необходимо знать об автомобильной электрической схеме
Автомобильная электросхема – это схема расположения электрических проводов, задействованных в транспортном средстве. Собственно, это документ для определенной марки автомобиля, в котором графически зафиксированы все пиктограммы тех деталей и элементов, что связаны с работой электрической сети транспортного средства. Каждая такая графическая электросхема имеет четкую структуру:
- определенный порядок значков элементов (то есть каждый из них пронумерован);
- обязательное разъяснение всех пиктограмм и нумерации.
Это необходимо для того, чтобы автолюбитель или автомеханик смог быстро разобраться в принципе работы электрической системы автомобиля. Так, каждая графическая схема автомобильной электрической схемы должна включать в себя изображения элементов трех категорий:
- Источники питания, например, гальванические элементы (их функция – вырабатывать электрический ток).
- Специальные устройства для преобразования электроэнергии (электродвигатели).
- Узлы для передачи электричества (проще говоря, проводники).
Все названные детали имеют свое конкретное обозначение или пиктограмму, а трассы прохождения токопроводящих проводов обозначаются различными цветами (тем же цветом, каким он окрашен в реальности). В случае большого количества различных элементов трассы изображаются по отрезкам, с обязательным указанием мест разрывов и соединений на схеме. Для того чтобы не запутаться в графических схемах, специалисты разработали ряд информационных таблиц, прилагающихся к электросхемам.
Если автолюбитель все эти обозначения знает и различает, то разобраться в любой автомобильной электросхеме ему будет легко (даже если это схема незнакомого транспортного средства). Такие знания помогают при проведении самостоятельно капитального ремонта или устранении текущих неисправностей, имеющихся в машине.
Также знание всех обозначений автомобильной схемы электропроводки пригодится в ситуации, когда понадобится в автомобиле подключить дополнительный элемент, который требует потребления электроэнергии. К таким дополнительным приборам относятся сигнализация, автомагнитола или автокондиционер. Для подключения прицепа в некоторых случаях также может понадобиться знание всех графических обозначений автомобильной электросхемы.
Схема впрыска для 2105
1 – электродвигатель вентилятора системы охлаждения двигателя:2 – монтажный блок;3 – регулятор холостого хода; 4 – электронный блок управления; 5 – октан-потенциометр;6 – свечи зажигания; 7 – модуль зажигания; 8 – датчик положения коленчатого вала; 9 – электробензонасос с датчиком уровня топлива; 10 – тахометр; 11 – контрольная лампа “CHECK ENGINE”; 12 – реле зажигания автомобиля; 13 – датчик скорости;14 – колодка диагностики; 15 – форсунка; 16 – клапан продувки адсорбера; 17, 18, 19 – предохранители системы впрыска; 20 – реле зажигания системы впрыска; 21 – реле включения электробензонасоса; 22 – реле электроподогревателя впускной трубы; 23 – электроподогреватель впускной трубы; 24 – предохранитель подогревателя впускной трубы; 25 – датчик концентрации кислорода; 26 – датчик температуры охлаждающей жидкости; 27 – датчик положения дроссельной заслонки; 28 – датчик температуры воздуха; 29 – датчик абсолютного давления; А – к клемме “плюс” аккумуляторной батареи; В – к клемме “15” выключателя зажигания;Р4 – реле включения электродвигателя вентилятора
Схема электрооборудования ВАЗ-2106 (новая)
Общая схема электрооборудования ВАЗ 2106 / 21061 / 21063 / 21065 выпуска 1988 – 2001г.
1 — передние фонари;
2 — боковые указатели поворота;
3 — аккумуляторная батарея;
4 — реле лампы сигнализатора заряда аккумуляторной батареи;
5 – реле включения ближнего света фар;
6 — реле включения дальнего света фар;
7 – стартер;
8 – генератор;
9 – наружные фары;
10 – внутренние фары;
11 – датчик включения электродвигателя вентилятора;
12 — электродвигатель вентилятора системы охлаждения двигателя;
13 – звуковой сигнал;
14 – катушка зажигания;
15 – распределитель зажигания;
16 – свечи зажигания;
17 — электромагнитный клапан карбюратора;
18 – датчик указателя температуры охлаждающей жидкости;
19 – подкапотная лампа;
20 – выключатель света заднего хода;
21 – датчик указателя давления масла;
22 – датчик сигнализатора недостаточного давления масла;
23 – датчик сигнализатора недостаточного уровня тормозной жидкости;
24 — моторедуктор очистителя ветрового стекла;
25 – коммутатор*;
26 — электродвигатель омывателя ветрового стекла;
27 – реле включения электродвигателя вентилятора**;
28 – регулятор напряжения;
29 – реле-прерыватель очистителя ветрового стекла;
30 – дополнительный блок предохранителей;
31 – основной блок предохранителей;
32 – реле-прерыватель аварийной сигнализации и указателей поворота;
33 – реле включения обогрева заднего стекла***;
34 – выключатель стоп-сигнала;
35 – штепсельная розетка для переносной лампы****;
36 – добавочный резистор электродвигателя отопителя;
37 – электродвигатель отопителя;
38 – переключатель электродвигателя отопителя;
39 – часы;
40 – лампа освещения вещевого ящика;
41 – прикуриватель;
42 – выключатель аварийной сигнализации;
43 – регулятор освещения приборов;
44 – лампа сигнализатора уровня тормозной жидкости;
45 – трехрычажный переключатель;
46 – выключатель зажигания;
47 – выключатель обогрева заднего стекла***;
48 – выключатель заднего противотуманного фонаря;
49 – выключатель наружного освещения;
50 – выключатели плафонов, расположенные в стойках передних дверей;
51 – моторедукторы электростеклоподъемников передних дверей***;
52 – выключатели плафонов, расположенные в стойках задних дверей;
53 – выключатель контрольной лампы стояночного тормоза;
54 – плафоны освещения салона;
55 – указатель уровня топлива с сигнализатором резерва;
56 – указатель температуры охлаждающей жидкости;
57 – указатель давления масла с сигнализатором недостаточного давления;
58 – тахометр;
59 – лампа сигнализатора стояночного тормоза;
60 – лампа сигнализатора заряда аккумуляторной батареи;
61 – лампа сигнализатора воздушной заслонки карбюратора;
62 – контрольная лампа габаритного света;
63 – лампа сигнализатора указателей поворота;
64 – лампа сигнализатора дальнего света фар;
65 – спидометр VAZ-2106;
66 – выключатель сигнализатора воздушной заслонки карбюратора;
67 – переключатель электростеклоподъемника левой передней двери***;
68 – реле включения электростеклоподъемников передних дверей***;
69 – переключатель электростеклоподъемника правой передней двери***;
70 – задние фонари;
71 – фонари освещения номерного знака;
72 – датчик указателя уровня и резерва топлива;
73 – колодки, подключаемые к элементу обогрева заднего стекла***;
74 – лампа освещения багажника;
75 – задний противотуманный фонарь.
Порядок условной нумерации штекеров в колодках:
а – коммутатора;
б – датчика-распределителя зажигания;
в – очистителя ветрового стекла и реле прерывателя очистителя ветрового стекла;
г – реле прерывателя аварийной сигнализации и указателей поворота;
д – трехрычажного переключателя.
* Устанавливается в случае применения на автомобиле бесконтактной системы зажигания. При этом должен устанавливаться датчик-распределитель зажигания типа 38.3706 и катушка зажигания типа 27.3705 или 027.3705.
** С 2000 г. не устанавливается и электродвигатель 12 включается непосредственно датчиком-выключателем 11. При этом вместо применявшегося ранее датчика температуры 11 типа ТМ-108 применяется датчик-выключатель 661.3710.
*** Устанавливается на части автомобилей.
**** С 2000 г. не устанавливается.
Электросхема ВАЗ-2106 карбюратор — полный вид:
Реле включения ближнего и дальнего света фар
Практически все автомобили оборудованы электронными или электромагнитными реле. Дело в том, что приборы, которым свойственно потребление слишком большого тока, могут запросто подпалить контакты, из-за чего нарушается работа самого прибора. Чтобы этого не произошло, в автомобилях стали применять реле. В этой статье мы раскроем, что такое реле ближнего и дальнего света, как узнать о его неисправности и как выполнить замену?
Что такое реле включения света фар и где оно располагается?
Реле – это электрическое устройство, предназначенное для коммутации или защиты электрических цепей. В электрооборудовании автомобиля – это важные элементы, без которых эксплуатация многих электрических приборов становится невозможной. Дело в том, что аккумуляторная батарея и генератор являются источниками большого тока. При повышении силы тока в цепи повышается и температура проводников. Неблаготворно это сказывается на контактах переключателей, которые попросту обгорают. Площадь поверхности соприкосновения контактов нарушается, а значит, увеличивается электрическое сопротивление. Как результат – электрический прибор не работает.
Уменьшение силы тока возможно лишь при применении аккумуляторов с низким напряжением. Однако, низкое напряжение, в настоящее время, не позволяет осуществить запуск двигателя и работу многих потребителей, поэтому данный способ является неприемлемым.
Решением проблемы становится применение специальных реле. При замыкании контактов переключателя электрического приемника, первым под ток встает реле, которое уменьшает силу тока и замыкает электрическую цепь своими контактами. На старых автомобилях применялись электромагнитные реле, основным элементом которых являлась катушка с сердечником. Постепенно, их вытеснили электронные реле, построенные на полупроводниковых элементах.
https://youtube.com/watch?v=6VxE8x8KVaQ
Основные неисправности реле
О неисправностях реле можно судить, если фары внезапно перестали работать. Первым делом, необходимо проверить предохранитель, отвечающий за данную электрическую цепь. Если он не перегорел, производится проверка ламп с помощью прямого подключения к аккумулятору. Обычно, если отказываются работать все лампы – то можно с уверенностью считать, что проблема касается только реле света.
Во всех автомобилях применяются два реле. Первое отвечает за работу ближнего света фар, второе – обеспечивает работу дальнего света. Включение габаритных огней может контролироваться либо отдельным реле, либо подключается к одному из двух других. В процессе переключения света работа устройства сопровождается характерным щелчком, которое говорит о работе устройства и о том, что свет действительно переключился.
Как поменять реле фар своими руками?
Если не работает ближний свет, найдите реле соответствующей номенклатуры и вытащите его. Установка реле зависит от марки автомобиля. В одних, для этого предусмотрен специальный монтажный блок, а в автомобилях раннего выпуска реле крепится к кузову посредством «массы». Если в случае с первым все понятно, то второе необходимо вначале освободить от контактных проводов, затем выкрутить массу. Перед проведением работ, обязательно отключите «минусовую» клемму аккумулятора.
На место реле ближнего света установите другое реле, например, дальнего света и проверьте работоспособность оптического прибора. Если ближний свет заработал, значит, реле необходимо заменить. Делается это достаточно просто: на место старого устанавливается новое и подключается, аналогично старому элементу.
Та же проверка может осуществляться и в отношении других режимов работы оптики автомобиля
При проведении диагностики, самое главное – обратить внимание на обозначения и маркировки устройств. Если значения тока заметно различаются, то проверять работоспособность ближнего света с помощью реле дальнего света не допускается
В этом случае, лучше всего, приобрести новое и попробовать включить ближний свет уже с помощью него
В этом случае, лучше всего, приобрести новое и попробовать включить ближний свет уже с помощью него.
Если после смены реле, ближний свет по-прежнему не работает, значит, реле исправно и проблему стоит искать в проводке, устройствах защиты цепи или в самих лампах соответствующего режима работы света.
Это все, что нужно знать о реле ближнего и дальнего света. Как видите, диагностику и замену устройств выполнять не сложно, а потому можно обойтись без автоэлектрика и сэкономить определенную сумму. Желаем вам удачи на дорогах!
Тип 2
1 — боковой указатель поворота с трубчатой лампой (4 Вт) и рассеивателем оранжевого цвета
2 — передний габаритный фонарь (подфарник) с двухнитевой лампой (5 + 21 Вт) для обозначения габарита и указания поворота
3 — датчик контрольной лампы о падении давления масла в двигателе
4 — датчик электрического указателя температуры охлаждающей жидкости в двигателе
5 — фара с двухнитевой лампой (45+40 Вт) дальнего и ближнего света
6 — катушка зажигания
7 — прерыватель-распределитель зажигания с центробежным регулятором опережения зажигания и октан-корректором
8 — электрические звуковые сигналы высокого и низкого тона
9 — свеча зажигания
10 — подкапотная лампа с кнопочным включением
11 — электрический стартер со смешанным возбуждением
12 — электромагнитное тяговое реле включения стартера
13 — генератор переменного тока со встроенным кремниевым выпрямителем
14 — аккумуляторная батарея
15 — автоматический, двухступенчатый, электромагнитный регулятор напряжения
16 — реле контрольной лампы сигнализации о прекращении зарядки аккумуляторной батареи
17 — резистор (добавочное сопротивление — 1 Ом) электродвигателя вентилятора отопителя
18 — электродвигатель вентилятора отопителя
19 — реле-прерыватель контрольной лампы сигнализации о включении ручного тормоза
20 — электромагнитное реле стеклоочистителя
21 — электродвигатель стеклоочистителя
22 — реле-прерыватель указателей поворота
23 — включатель сигнала торможения
24 — блок плавких предохранителей (девять вставок по 8 А и одна — 16 А)
25 — лампа освещения вещевого ящика
26 — лампа (4 Вт) освещения гнезда прикуривателя
27 — прикуриватель
28 — трехпозиционный переключатель электродвигателя отопителя
29 — включатель (замок) зажигания и стартера
30 — трехпозиционный переключатель стеклоочистителя
31 — включатель освещения щитка приборов
32 — включатель наружного освещения
33 — включатель (кнопка) звукового сигнала
34 — переключатель света фар и световой сигнализации миганием света
35 — переключатель указателей поворота
36 — щиток (комбинация) контрольных приборов
37 — патрон переносной лампы
38 — включатель контрольной лампы ручного тормоза
39 — датчик уровня и запаса топлива в баке
40 — кнопочный выключатель плафона передней двери
41 — кнопочный выключатель плафона задней двери
42 — плафон с трубчатой лампой (5 Вт) освещения салона автомобиля
43 — лампа (4 Вт) освещения багажника
44 — фонарь освещения номерного знака с двумя лампами (по 5 Вт)
45 — стоп-сигнал торможения и габаритный фонарь с двухнитевой лампой стоп-сигнала (21 Вт) и обозначения габарита (5 Вт) с рассеивателем красного цвета
46 — задний фонарь
47 — задний указатель поворота с лампой 21 Вт с рассеивателем оранжевого цвета.
2103
1,2. Подфарники.3,4. Наружные фары.5. Внутренние фары.6. Звуковые сигналы.7. Распределитель зажигания ВАЗ 2103.8. Свечи зажигания ВАЗ 2103.9. Генератор ВАЗ 2103.10. Аккумуляторная батарея ВАЗ 2103.11. Реле включения звуковых сигналлов.12. Катушка зажигания ВАЗ 2103.13. Боковые указатели поворота.14. Датчик указателя температуры охлаждающей жидкости ВАЗ 2103.15. Датчик контрольной лампы давления масла ВАЗ 2103.16. Датчик контрольной лампы уровня тормозной жидкости ВАЗ 2103.17. Реле зарядки аккумуляторной батареи ВАЗ 2103.18. Реле включения фар.19. Клапан карбюратора ВАЗ 2103.20. Датчик указателя давления масла ВАЗ 2103.21. Подкапотная лампа.22. Стартер ВАЗ 2103.23. Регулятор напряжения.24. Патрон подключения переносной лампы.25. Блок плавких предохранителей ВАЗ 2103.26. Реле — прерыватель указателей поворота.27. Выключатель стоп-сигнала.28. выключатель контрольной лампы воздушной заслонки карбюратора.29. Выключатель насоса омывателя.30. Реле — прерыватель контрольной лампы включении ручного тормоза.31. Включатель крнтрольной лампы включении ручного тормоза.32. Включатель фонаря заднего хода.33. Электродвигатель стеклоочистителя ВАЗ 2103.34. Реле стеклоочистителя ВАЗ 2103.35. Лампа освещения вещевого ящика.36. Выключатель плафона расположенный на стойках передних дверей.37. Выключатель фонаря сигнализации открытия передней двери.38. Указатель уровня топлива ВАЗ 2103.39. Контрольная лампа указателя резерва топлива ВАЗ 2103.40. Лампа освещения указателя уровня топлива.41. Указатель температуры жидкости в системе охлаждения двигателя ВАЗ 2103.42. Лампа освещения указателя температуры жидкости.43. Указатель давления масла ВАЗ 2103.44. Контрольная лампа недостаточного давления масла ВАЗ 2103.45. Лампа освещения указателя давления масла.46. Лампа освещения тахометра ВАЗ 2103.47. Контрольная лампа включения ручного тормоза и недостаточного уровня жидкости в бачках системы гидропривода тормозов.48. Контрольная лампа управления воздушной заслонкой карбюратора.49. Контрольная лампа зарядки аккумуляторной батареи.50. Тахометр ВАЗ 2103.51. Контрольная лампа включения габаритного света.52. Контрольная лампа включения указателей поворота.53. Контрольная лампа включения дальнего света фар.54. Лампа освещения спидометра ВАЗ 2103.55. Выключатель наружного освещения.56. Выключатель освещения приборов.57. Трехпозиционный переключатель стеклоочистителя.58. Замок зажигания.59. Электрические часы ВАЗ 2103.60. Лампа освещения часов.61. Трехпозиционный переключатель электродвигателя отопителя.62. Фонарь сигнализации открытой передней двери.63. Переключатель света фар.64. Переключатель указателей поворота.65. Выключатель звукового сигнала.66. Прикуриватель.67. Выключатель плафона, расположенный в стойках задней двери.68. Плафон внутреннего освещения кузова.69. Электродвигатель отопителя.70. Лампа освещения багажника.71. Датчик указателя уровня топлива и указателя резерва томлива ВАЗ 2103.72. Лампа указателя поворота.73. Двухнитевая лампа указателя габарита и стоп-сигнала.74. Фнарь заднего хода.75. Фонари освещения номерного знака.76. Точка соединения с «массой».77. Электрический разъем.
Центральная часть схемы электрооборудования ВАЗ-2106

Центральный кусок схемы в основном состоит из включателей/выключателей освещения и переключателей подачи тока в систему.
Главные элементы проводки указаны следующими цифрами:
- Комплект с основным блоком предохранителей (30);
- Выключатели освещения в фарах заднего хода машины (31), работы контрольных ламп при выставлении ручного тормоза (32);
- Разновидности штепсельных розеток у переносных ламп (33);
- Оборудование для работы указателя поворотника и аварийного сигнала (34);
- Конструкция электродвигателя печки (35) и клеммы для выключения работы стоп-сигнала (36);
- Реле подачи тока для прогрева заднего стекла (37);
- Комплект резисторов электродвигателя печки ВАЗ 2106 (38);
- Проводка к лампе света в вещевом ящике (39);
- Список выключателей наружного света (40), прогрева задней поверхности стекла (41), а также системы зажигания (42);
- Комплект переключателей с ближнего на дальний свет (43), стеклоочистителя (46) и стрелки-указателя поворота машины (44);
- Специальные типы выключателей сигнала машины (45), универсального смывателя для лобового стекла (47) и регуляторы света на приборной доске и сигнала при аварийной ситуации.
Блок предохранителей и реле ВАЗ 2101
Если в цепи при эксплуатации автомобиля возникают короткие замыкания, то сила тока на поврежденном участке возрастает. Если поврежденную цепь не отключить от сети, она может очень быстро посадить аккумулятор, провода могут перегреваться, что вызовет большую вероятность возникновения пожара, оплавления проводов и обивки автомобиля. Для того, чтобы этого избежать, вся схема электропроводки разделена на десять зон, состояние которых контролируется определенным предохранителем.
- Предохранитель №1 (16А) защищал клаксон, розетку для аварийной переноски, плафоны освещения в салоне, прикуриватель и стоп-сигналы;
- Предохранитель №2 (8А) обслуживал электрическую цепь реле и двигателя стеклоочистителя, электрический двигатель отопителя салона;
- Предохранитель №3 (8А) – контрольная лампа включения дальнего света и левая фара (дальний свет);
- Предохранитель №4 (8А) – правая фара (дальний свет);
- Предохранитель №5 (8А) – ближний свет левой фары 2101;
- Предохранитель №6 (8А) – ближний свет правой фары 2101;
- Предохранитель №7 (8А) – контрольная лампа габаритного света, левая лампа подфарника, габаритный свет правого заднего фонаря, освещение багажника, заднего номерного знака, лампа подсветки комбинации приборов;
- Предохранитель №8 (8А) – габаритный свет правого подфарника, подсветка прикуривателя, габаритный свет левого заднего фонаря, лампа освещения подкапотного пространства;
- Предохранитель №9 (8А) защищал контрольные лампы на приборной панели: лампу давления масла, лампу температуры охлаждающей жидкости, контрольную лампу уровня топлива и уровня тормозной жидкости, указатели поворота и лампу низкого заряда АКБ;
- Предохранитель №10 (8А) защищал цепь обмотки возбуждения генератора и регулятор напряжения.












