Электросхема панели приборов ваз 21213
Содержание
- 1 Панель приборов Нива: описание ламп индикаторов
- 2 Замена.
- 3 Система управления двигателем ВАЗ-21214
- 4 Распиновка приборной панели нива 21213
- 5 Расположение.
- 6 СХЕМА ВАЗ-2121
- 7 Информационные значки
- 8 Проверка датчиков.
- 9 Подключения для дополнительных приборов
- 10 Suzuki Jimny – практически одноклассник Lada 4X4
- 11 Индикаторы
- 12 Обозначение и электросхема основного и дополнительного БП
- 13 Другие поломки
- 14 Торпедный тюнинг Шевроле Нивы
- 15 Форма поиска
- 16 СХЕМА ВАЗ-2121
Панель приборов Нива: описание ламп индикаторов
| Номер | Описание |
| 3/4 | Индикаторы поворотов, включаются одновременно при активации аварийной сигнализации. |
| 7 | Недостаточный уровень топлива в бензобаке. |
| 8 | Габаритное освещение автомобиля включено. |
| 9 | Аварийная ситуация в тормозной системе. |
| 10 | Дальнее освещение головной оптики активировано. |
| 12 | Монитор пробега автомобиля. |
| 13 | Лампа «проверьте двигатель». Если индикатор загорелся – нужно тщательно проверить силовую установку. |
| 14 | Лампочка включения аварийки. |
| 15 | Дисплей часов. |
| 16 | Если лампа загорелась, требуется проверить генератор и зарядку аккумуляторной батареи. |
| 17 | Ручник активирован |
| 18 | Уровень масла в двигателе критически снизился. |
| 19 | В большинстве комплектаций – резервная лампа. |

- Зеленый/синий – индикаторы этих цветов указывают на нормальную работу узлов машины.
- Оранжевый/желтый – говорят водителю, что определенный агрегат требует внимания или обслуживания.
- Красный – самый опасный цвет. Если на приборке загорается такого цвета лампа, машину требуется срочно показать мастеру.
Восклицательный знак на панели Нивы
Означает, что в тормозной системе снизился уровень жидкости. Потребуется вскрыть крышку расширительного бачка и долить тормозуху до нужного уровня. Рекомендуется проверить магистраль на наличие протечек, износа колодок.
Замена.
Система управления двигателем ВАЗ-21214
Схема соединений системы управления двигателем ВАЗ-21214 с центральным впрыском топлива под нормы токсичности США-83 с контроллером 21214-1411010 (типа EFI-4) на автомобилях ВАЗ-21214: 1 -контрольная лампа «CHECK ENGINE»; 2 — комбинация приборов (фрагменты); 3 — электровентиляторы системы охлаждения двигателя*; 4 — электроподогреватель впускной трубы; 5 — датчик температуры воздуха; 6 — датчик абсолютного давления; 7 — датчик температуры охлаждающей жидкости; 8 — колодка, присоединяемая к датчику положения дроссельной заслонки; 9 — агрегат центрального впрыска топлива; 10 — колодка, присоединяемая к регулятору холостого хода; 11 — колодка, присоединяемая к форсунке; 12 — колодка диагностики; 13 — контроллер; 14 — датчик детонации; 15 — датчик скорости; 16 — датчик концентрации кислорода; 17 — адсорбер; 18 — аккумуляторная батарея; 19 — главное реле; 20 — блок плавких предохранителей системы управления двигателем; 21 — реле включения электробензонасоса; 22 — реле включения электровентилятора*; 23 — реле включения электроподогревателя впускной трубы; 24 — предохранитель защиты электроподогревателя; 25 — реле включения стартера; 26 — реле зажигания; 27 — основной блок предохранителей автомобиля (фрагмент); 28 — свечи зажигания; 29 — тахометр; 30 — электробензонасос с датчиком уровня топлива; 31 — модуль зажигания; 32 — датчик положения коленчатого вала; 33 — выключатель плафона, расположенный на стойке двери водителя; 34 — блок управления автомобильной противоугонной системы**; 35 — индикатор состояния автомобильной противоугонной системы**; А — провод, идущий к штекеру «50» выключателя зажигания; Б — провод, идущий к штекеру «15» выключателя зажигания; В — провод, идущий к выводу «30» генератора; Г — провода заднего жгута проводов, присоединяемые к указателю уровня топлива; Д — провод заднего жгута проводов, присоединяемый к выключателю 33.
Порядок условной нумерации штекеров в колодках: а — контроллера; б — блока управления автомобильной противоугонной системы; в — индикатора состояния автомобильной противоугонной системы; г — датчика скорости; д — агрегата центрального впрыска топлива; е — электробензонасоса и датчика концентрации кислорода; ж — модуля зажигания; з — датчика абсолютного давления.
Схема соединений системы управления двигателем ВАЗ-21214 с распределенным впрыском топлива под нормы токсичности Евро-2 с контроллером 2123-1411020-10 (типа MP 7.0) на автомобилях ВАЗ-21214: 1 — контрольная лампа системы управления двигателем; 2 — комбинация приборов (фрагменты); 3 — электровентиляторы системы охлаждения двигателя; 4 — выключатель плафона, расположенный на стойке двери водителя; 5 — индикатор состояния автомобильной противоугонной системы; 6 — блок управления автомобильной противоугонной системы; 7-датчик температуры охлаждающей жидкости; 8 — датчик расхода воздуха; 9 — дроссельный узел; 10 — колодка, присоединяемая к датчику положения дроссельной заслонки; 11 — колодка, присоединяемая к регулятору холостого хода; 12 — контроллер; 13 — датчик концентрации кислорода; 14 — датчик детонации; 15 — датчик положения коленчатого вала; 16 — датчик скорости; 17 — адсорбер; 18 — аккумуляторная батарея; 19 — главное реле; 20 — колодка диагностики; 21 — блок плавких предохранителей системы управления двигателем; 22 — реле включения электробензонасоса; 23 — реле включения электровентиляторов; 24 — основной блок предохранителей автомобиля (фрагмент); 25 — колодка, присоединяемая к дополнительному жгуту проводов*; 26 — модуль зажигания; 27- тахометр; 28 — электробензонасос с датчиком уровня топлива; 29 — форсунки; 30 — свечи зажигания; А — провод заднего жгута проводов, присоединяемый к выключателю 4; Б — провода, присоединяемые к штекеру «1» блока предохранителей 24 (один провод идет к штекеру «15» выключателя зажигания, а другой к штекеру «85» реле зажигания); В — провода заднего жгута проводов, присоединяемые к указателю уровня топлива.
Порядок условной нумерации штекеров в колодках: а — контроллера; б — блока управления автомобильной противоугонной системы; в –датчика расхода воздуха; г — датчика скорости; д — индикатора состояния автомобильной противоугонной системы; е — электробензонасоса и датчика концентрации кислорода; ж — дроссельного патрубка; з — модуля зажигания.
Скачать все схемы в высоком качестве нужно авторизироваться на сайте
Напомним, подробные инструкции по ремонту внедорожника Нива вы найдете в этом разделе.
https://youtube.com/watch?v=5Y3xEDkXAVM
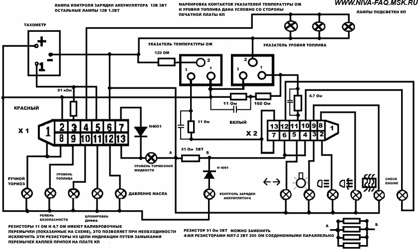
Распиновка приборной панели нива 21213
Владимирская комбинация приборов
Устанавливается на все автомобили семейства Нива с 1998 года и до настоящего времени. Отличие от венгерской: шкалы всех приборов нанесены на одну черную пластину, в венгерских у каждого прибора имеется отдельная черная пластина с шкалой.
Подписи к схеме соединений комбинации приборов
1 – электронный тахометр; 2 – указатель температуры охлаждающей жидкости; 3 – указатель уровня топлива,- 4 – лампы освещения приборов; 5 – контрольная лампа перегрева двигателя (CHECK ENGINE); 6 – контрольная лампа обогрева заднего стекла; 7 – контрольная лампа задних противотуманных огней; 8 – контрольная лампа дальнего света фар; 9 – контрольная лампа наружного освещения; 10 – контрольная лампа указателей поворота; 11 – контрольная лампа разряда аккумуляторной батареи; 12 – резистор 50 Ом, 5 Вт; 13 – контрольная лампа неисправности рабочих тормозов; 14 – контрольная лампа аварийного давления масла; 15 – контрольная лампа блокировки дифференциала; 16 – контрольная лампа резерва топлива; 17 – контрольная лампа незастегнутых ремней безопасности; 18 – контрольная лампа стояночного тормоза.
Адреса выводных штекеров комбинации приборов
Колодка XI (красного или оранжевого цвета)
К клемме “15” выключателя зажигания
К выводу “К” катушки зажигания
К выключателю освещения комбинации приборов
К выходу сигнала частоты вращения коленчатого вала ЭСУД
К клемме “50” выключателя зажигания
К выключателю контрольной лампы стояночного тормоза
К реле ремней безопасности
К клемме V датчика уровня топлива
К датчику блокировки дифференциала
К датчику аварийного давления масла
К датчику уровня тормозной жидкости
Колодка Х2 (любого цвета, кроме красного или оранжевого)
К реле включения дальнего света фар
К переключателю наружного освещения
К реле-прерывателю указателей поворота
К клемме В генератора
К выключателю задних противотуманных фонарей
К выключателю обогрева заднего стекла
К клемме “15” выключателя зажигания
К клемме Т датчика уровня топлива
К датчику температуры охлаждающей жидкости
К датчику температуры охлаждающей жидкости
Информация скопирована с издания:
Автомобили семейства «Нива». Руководство по эксплуатации, ремонту и техническому обслуживанию. — М.: АТЛАС-ПРЕСС, 2006. — 286 с., илл.
Дополнение от 13.01.01.
В схеме выше имеются ошибки. Serge N снял схему с реальной комбинации приборов:

Венгерская комбинация приборов выпуска в 1996-1998 г.
Устанавливалась все на автомобили семейства Нива в указанный период. Вид сзади.
1 – тахометр; 2 – стабилизатор напряжения; 3 – лампа освещения комбинации приборов; 4 – указатель температуры охлаждающей жидкости; 5 – указатель уровня топлива; 6 – контрольная лампа системы снижения токсичности; 7 – контрольная лампа обогрева заднего стекла; 8 – контрольная лампа противотуманного света; 9 – контрольная лампа дальнего света фар; 10 – контрольная лампа наружного освещения; 11 – контрольная лампа указателей поворота; 12 – вольтметр; 13 – контрольная лампа уровня тормозной жидкости; 14 – контрольная лампа давления масла; 15 – контрольная лампа блокировки дифференциала; 16 – контрольная лампа резерва топлива; 17 – контрольная лампа ремней безопасности; 18 – контрольная лампа стояночного тормоза; D1, D2 – диоды IN4002; R1 – резистор 470 Ом, 0,25 Вт; R2 – резистор 51 Ом, 5 Вт.
Венгерская комбинация приборов выпуска до 1996 г.
Устанавливалась на автомобили семейства Нива с начала выпуска 21213/14. Вид сзади.
1 – колодка штекерного разъема с условной нумерацией штекеров; 2 – тахометр; 3 – стабилизатор напряжения; 4 – лампа освещения комбинации приборов; 5 – указатель температуры охлаждающей жидкости; 6 – указатель уровня топлива; 7 – резистор 470 Ом, 0,25 Вт; 8 – резистор 36 Ом, 5 Вт; 9 – контрольная лампа системы снижения токсичности; 10 – контрольная лампа обогрева заднего стекла; 11 – контрольная лампа противотуманного света; 12 – контрольная лампа дальнего света фар; 13 – контрольная лампа наружного освещения; 14 – контрольная лампа указателей поворота; 15 – вольтметр; 16 – контрольная лампа уровня тормозной жидкости; 17 – диод IN4002; 18 – контрольная лампа давления масла; 19 – контрольная лампа блокировки дифференциала; 20 – контрольная лампа резерва топлива; 21 – контрольная лампа ремней безопасности; 22 – контрольная лампа стояночного тормоза.
Информация скопирована с интерактивного диска по Ниве издательства “Третий Рим”.
Дополнение от 25.02.10, автор ALER.
Схема подольской комбинации приборов (почти точный аналог владимирской) приведена в Приложении А Альбома:
Расположение.
На Ниве ДС устанавливается на коробке переключения передач. Это позволяет считывать данные только во время передвижения, отключаясь во время работы двигателя на нейтральной передаче.
Само устройство состоит из пластикового корпуса, внутри которого расположены электронные компоненты. Для правильной работы, он размещается в непосредственной близости от вала. Внутри вала имеется встроенный магнитный стержень, который при вращении создает электрические сигналы.
Изделие довольно хрупкое, поэтому при демонтаже или установке необходимо быть предельно осторожным, чтобы не повредить его корпус.
СХЕМА ВАЗ-2121
СХЕМА ВАЗ-2121
Ваз 2121 “нива”, разработан и выпускается с 1979 года.
Схема электрооборудования ВАЗ-2121 :
1. Передние фонари, 2. Фары, 3. Электродвигатель очистителя фар, 4. Звуковой сигнал, 5. Электродвигатель омывателя фар, 6. Электродвигатель омывателя ветрового стекла, 7. Генератор, 8. Боковой указатель поворота, 9. Аккумулятор ваз-2121, 10. Электродвигатель отопителя, 11. Доп.резистор электородвигателя отопителя, 12. Реле-прерыватель очистителя ветрового стекла, 13. Стартер, 14. Электродвигатель очистителя ветрового стекла, 15. Концевой выключатель карбюратора, 16. Электромагнитный клапан карбюратора, 17. Блок управления ЭПХХ, 18. Коммутатор, 19. Свечи зажигания, 20. Трамблер (распределитель зажигания, 21. Датчик давления масла, 22. Датчик температуры, 23. Розетка переноски, 24. Катушка зажигания, 25. Датчик уровня тормозной жидкости, 26. Реле включения очистителей и омывателя фар, 27. Реле включения обогрева заднего стекла, 28. Реле дальнего света фар, 29. Реле ближнего света фар, 30. Реле включения зажигания, 31. Реле включения стартера, 32. Выключатель лампы блокировки дифференциала, 33. Переключатель наружного освещения, 34. Прикуриватель ваз-2121, 35. Выключатель стоп-сигнала, 36. Выключатель света заднего хода, 37. Реле-прерыватель указателя поворотов и ав.сигнализации, 38. Основной блок предохранителей, 39. Дополнительный блок предохранителей, 40. Лампа подсветки рычажков отопителя, 41. Выключатель заднего противотуманого фонаря, 42. Выключатель обогрева заднего стекла, 43. Переключатель эл.двигателя отопителя, 44. Переключатель очистителя и омывателя заднего стекла, 45. Выключатель аварийной сигнализации, 46. Выключатель зажигания, 47. Контрольная лампа воздушной заслоки карбюратора, 48. Регулятор освещения приборов, 49. Подрулевой рычажный переключатель, 50. Выключатель контрольной лампы заслонки карбюратора, 51. Электродвигатель омывателя заднего стекла, 52. Дверной выключатель плафонов, 53. Плафоны освещения салона, 54. Комбинация приборов ваз-2121, 55. Фонари освещения номерного знака.
Схема электрооборудования ВАЗ-21213 :
1. Боковые указатели поворота. 2. Передние фонари. 3. Фары ваз-21213. 4. Электродвигатели очистителей фар. 5. Звуковые сигналы. 6. Реле включения очистителей и омывателя фар. 7. Реле включения ближнего света фар. 8. Реле включения дальнего света фар. 9. Электродвигатель омывателя фар. 10. Датчик недостаточного уровня тормозной жидкости. 11. Штепсельная розетка переносной лампы 12. Датчик контрольной лампы давления масла. 13. Датчик указателя давления масла. 14. Датчик указателя температуры охлаждающей жидкости. 15. Распределитель зажигания. 16. Свечи зажигания. 17. Электродвигатели стеклоочистителя. 18. Катушка зажигания. 19. Генератор. 20. Запорный клапан карбюратора. 21. Стартер ваз-21213. 22. Электродвигатель омывателя ветрового стекла. 23. Регулятор напряжения. 24. Реле контрольной лампы заряда аккумуляторной батареи. 25. Аккумуляторная батарея. 26. Реле стеклоочистителя. 27. Дополнительный блок предохранителей. 28. Основной блок предохранителей. 29. Выключатель контрольной лампы стояночного тормоза. 30. Выключатель контрольной лампы блокировки дифференциала. 31. Выключатель света заднего хода. 32. Выключатель контрольной лампы воздушной заслонки карбюратора. 33. Выключатель стоп-сигнала. 34. Электродвигатель отопителя. 35. Реле-прерыватель указателей поворота и аварийной сигнализации. 36. Дополнительный резистор электродвигателя отопителя. 37. Выключатель освещения приборов. 38. Переключатель света фар. 39. Переключатель указателей поворота. 40. Выключатель звуковых сигналов. 41. Переключатель стеклоочистителя. 42. Выключатель омывателя ветрового стекла. 43. Выключатель зажигания. 44. Выключатель наружного освещения. 45. Переключатель отопителя. 46. Выключатель очистителей и омывателя фар. 47. Прикуриватель. 48. Выключатель аварийной сигнализации. 49. Выключатели плафонов, расположенные в стойках дверей. 50. Указатель давления масла с контрольной лампой недостаточного давления. 51. Указатель уровня топлива с контрольной лампой резерва топлива. 52. Тахометр. 53. Контрольная лампа стояночного тормоза. 54. Контрольная лампа заряда аккумуляторной батареи. 55. Контрольная лампа воздушной заслонки карбюратора. 56. Спидометр. 57. Контрольная лампа наружного освещения. 58. Контрольная лампа указателей поворота. 59. Контрольная лампа дальнего света фар. 60. Реле-прерыватель контрольной лампы стояночного тормоза ваз-21213.
По всем вопросам о ремонте обращайтесь на ФОРУМ
Информационные значки
Значок машины может гореть разный, бывает, что горит значок «машина с гаечным ключом», значок «машины с замком» или восклицательным знаком. Обо всех этих обозначениях по порядку:
Когда горит такой индикатор (машина с ключом), то он информирует о неисправностях в работе двигателя (зачастую сбой в работе какого либо датчика) или же электронной части трансмиссии. Чтобы выяснить точную причину потребуется производить диагностику.
Загорелась красная машина с замком, значит, возникли проблемы в работе штатной противоугонной системы, часто такой значок обозначает, что машина не видит ключ иммобилайзера и завести машину будет невозможно, но если этот значок моргает, когда машина стоит закрытая, то все в норме – автомобиль под замком.
Желтый индикатор машины с восклицательным знаком уведомляет водителя автомобиля с гибридным двигателем о неисправности электропривода. Сброс ошибки скидыванием клеммы АКБ проблему не решит — нужна диагностика.
Значок открытой двери все привыкли видеть горящим, когда открыта какая-то дверь или крышка багажника, но вот если все двери закрыты, а лампочка с одной или четырьмя дверцами продолжает светить, то зачастую проблему стоит искать в концевиках дверей (контакты провода).
Значок скользкая дорога начинает мигать при обнаружении системой стабилизации курсовой устойчивости участка скользкой дороги и активируется, дабы предотвратить пробуксовку за счет снижения мощности двигателя и подтормаживания буксующего колеса. Беспокоится в такой ситуации не стоит. Но когда возле такого индикатора появился ключ, треугольник или перечеркнутый значок заноса, значит система стабилизации — неисправна.
Значок гаечного ключа выскакивает на табло, когда приходит пора произвести техническое обслуживание автомобиля. Является информационным индикатором и после ТО его сбрасывают.
Проверка датчиков.
Для того, чтобы проверить ДС необходимо наличие мультиметра, затем выполнить определенный порядок действий:
- Отключаем датчик.
- Подключаем красный (положительный) щуп к контакту ДС.
- Замыкаем черный (минусовой) щуп на массу.
- На вал фиксируем трубку подходящего диаметра для того, чтобы иметь возможность вращать его.
- Переводим переключатель мультиметра в режим измерения малого напряжения.
- Необходимо вращать вал и наблюдать за показаниями: при увеличении оборотов показатели на дисплее мультиметра будут возрастать. Если показания не меняются, датчик неисправен.
Другой способ не требует снятия датчика. Для этого нужно поддомкратить одно колесо таким образом, чтобы оно оказалось на расстоянии от земли и могло свободно вращаться. После этого к разъемам ДС нужно подключить мультиметр. Нужно вращать колесо и наблюдать за показаниями прибора. Изменение напряжения так же будет свидетельствовать об работоспособности.
Подключения для дополнительных приборов
На приборной панели автомобиля Нива 21213 есть возможность подключения дополнительных приборов, таких как тахометр, вольтметр, амперметр и другие.
Для подключения каждого прибора необходимо использовать определенную пару контактов на разъеме приборной панели. Как правило, в мануалах производителя приборов указаны соответствующие контакты, которые необходимо подключить. При этом, обычно требуется соединить провод, к примеру, к контакту «15» на блоке приборов автомобиля. Конечно необходимо соблюдать электрическую эквивалентность при последовательном сопротивлении.
Кроме того, приборы можно подключить через реле, для обеспечения безопасности при работе двигателя. Например, можно подключить вентилятор охлаждения через реле, для контроля температуры двигателя в автоматическом режиме.
Если вы не уверены в правильности подключения дополнительных приборов, лучше всего обратиться к квалифицированному электрику. Неправильное подключение может привести к сбоям в работе не только приборов, но и всей электросистемы автомобиля.
Suzuki Jimny – практически одноклассник Lada 4X4
Автомобили от корпорации Suzuki всегда считались техническими лидерами класса, могли показать на самом деле эффективную поездку, прекрасный комфорт и отличную экономию топлива. Но внедорожник Suzuki Jimny остался классическим с конца 90-х годов прошлого столетия. Он практически не менялся все это время, но ценник активно обновлялся с каждым годом. Сегодня авто имеет следующие важные особенности:
- очень качественная и отработанная техника, но она уже давно не соответствует требованиям нынешнего времени, выбиваясь из актуальности надолго;
- двигатель на 1.3 литра не только мал по объему, но и выдает всего 85 лошадиных сил, этот агрегат ничем не лучше ВАЗовского двигателя для внедорожника Lada 4X4;
- в комплектациях есть автомат, это действительно большое преимущество, также нужно сказать, что все версии автомобиля оснащены очень интересной системой полного привода;
- транспорт предлагает очень качественную поездку, мягкость не гарантируется, но преодоление всех препятствий будет простым, авто очень достойно ведет себя на бездорожье;
- качество каждого узла оказывается достаточно серьезным моментом, покупатели Suzuki Jimny уверяют, что автомобиль просто невозможно разрушить в эксплуатации.
Индикаторы
Приборная панель
В момент зажигания на панели приборов зажигаются все лампочки, после запуска мотора большинство из индикаторов гаснет. Иногда даже после запуска двигателя одна лампочка продолжает светиться или даже моргать. Это настораживает водителей, ведь сложно сказать, какой узел в автомобиле ВАЗ 2110 работает неисправно, для определения поломки требуется дианостика.
Внизу панели приборов расположены индикаторы, сигнализирующие о неисправности в работе различных систем ВАЗ 2110. Если они продолжают гореть, когда работает двигатель, значит – придется проводить ремонт.
Идем слева направо:
- Крайняя левая лампочка, расположенная на панели приборов, относится к воздушной заслонке – индикатор присутствует в моделях с карбюраторным мотором;
- Значок масленки. Если индикатор светится или мигает, значит в силовой установке упала компрессия масла, насос работает неисправно;
- Буква «P» внутри круга. Приборная панель сообщает, что вы забыли отключить стояночный тормоз;
- Лампочка, сообщающая о неисправности АКБ или генератора. Возможно порвался ремень генератора, появился обрыв в цепи, не выполняется зарядка;
- Когда работает «дальний», на панели загорается значок фары;
- Значок включенной лампочки – индикатор показывает включенные габариты;
- Индикатор «Check Engine». Если он горит, то срочно стоит проводить диагностику и последующий ремонт двигателя ВАЗ 2110, в работе силовой установке появились серьезные дефекты. Лучшим решением будет прекратить движение;
- Прямо над знаком неисправного двигателя расположена лампочка аварийной сигнализации.
Помимо указанных индикаторов передняя часть оснащена дисплеем, отображающим пробег. Также в этой области расположены часы и клавиши настройки для них. В «десятках» нового поколения экран может быть узкого формата, но схема остается прежней.
Дополнительная панель
В автомобилях нового образца присутствует дополнительная панель, на ней расположены полезные индикаторы. Мигающий значок, где изображен человек с ремнем, сообщает, что стоит пристегнуться – это касается и водителя, и его спутников. Во время движения может загореться значок колеса, есть вероятность, что колодки износились, требуется ремонт.
- Лампочка с масленкой — загорается, когда уровень масла падает ниже нормы – следует как можно быстрее проверить уровень.
- Стеклоомыватель — он сообщает нам, что омывающая жидкость почти закончилась.
- Градусник над емкостью — говорит о повышенной температуре охлаждающей жидкости.
- Перечеркнутый значок со стрелкой – не работает габаритный или стоп-сигнал.
Обозначение и электросхема основного и дополнительного БП
Обозначения и расшифровка предохранителей основного и дополнительного блоков нанесены на поверхности крышек.
Схема основного и дополнительного блоков
Описание предохранителей в верхней основной секции на ВАЗ 212214 Нива инжектор.
| Номер на схеме | Номинальный ток, А | Предназначение |
| ПР01 | 16 | Мотор вентилятора печки, система подачи жидкости на стекло спереди, мотор заднего дворника |
| ПР02 | 8 | Передний дворник, указатели поворотов (вместе с реле), блок переключателей под рулем, приборы и лампы комбинации приборов, лампы индикации заднего хода |
| ПР03 | 8 | Дальний свет в левой фаре и контрольная лампа режима дальнего света в комбинации приборов |
| ПР04 | 8 | Дальний свет для правой фары |
| ПР05 | 8 | Ближний свет слева |
| ПР06 | 8 | Аналогично справа |
| ПР07 | 8 | Габариты левой стороны, подсветка регистрационного знака, индикация габаритов на комбинации приборов |
| ПР08 | 8 | Правые габариты и подсветка приборов управления |
| ПР09 | 8 | Цепь реле аварийной сигнализации и кнопка активации, система обогрева стекла сзади |
| ПР10 | 8 | Клаксон, освещение в салоне и сигналы торможения (все три) |
Обзор предохранителей маленького дополнительного блока, находящегося под основным.
| Номер на схеме | Номинальный ток, А | Предназначение |
| ПР11 и 12 | Позиции зарезервированы | Для хранения двух вставок по 8 ампер |
| ПР13 | 8 | Включение ламп противотуманных огней сзади |
| ПР14 | 16 | Прикуриватель |
| ПР15 и 16 | Позиции зарезервированы | Для хранения двух вставок — на 16 и 8 ампер |
На Нива Урбан 4х4 немного изменен номинал предохранителей. Изменившиеся позиции указаны ниже, остальные цепи и номиналы остались прежними.
| Номер на схеме | Номинальный ток, А | Предназначение |
| ПР01 | 16 | Вентилятор печки, запуск обогрева заднего стекла, приводы всех стеклоочистителей и омыватель. Дополнительно (опционально) на эту вставку выводятся цепи электроприводов стекол и зеркал. |
| ПР02 | 8 или 16 | Больший номинал — вентилятор печки и компрессор (опциональное изменение — только для машин с кондиционером) |
| ПР09 | 16 | Обогрев стекла (может быть дополнительная опция — обогрев зеркал) |
| ПР10 | 16 | Клаксон, лампы торможения и подсветка в салоне |
| ПР11 | 8 | Аварийная сигнализация |
| ПР12 | 8 | Система дневных ходовых огней |
| ПР15 | 16 | Вентилятор печки (не на всех машинах — только с кондиционером) |
На видеоролике Vladimir Zhupikov показан экземпляр Нива 21214 Урбан с предохранителем печки на позиции ПР15.
Другие поломки
Если перегоревших предохранителей не выявлено, то нужно проверить целостность проводов, надежность соединения клемм и разъемов. Проблемы нередко возникают из-за разрядки аккумулятора.
К отказу вентилятора приводит неправильное подключение сигнализации или поломка стартера.
Также топливный насос часто отказывается включаться, если выходит из строя:
- управляющее реле;
- контроллер;
- проводка питающая данный узел.
В целом электросхема содержит в себе более 70 элементов, неисправность любого из них может сказаться негативным образом на эксплуатации автомобиля.
https://youtube.com/watch?v=TYFkDkxAyJc
Торпедный тюнинг Шевроле Нивы
Чтобы произвести тюнинг торпеды, необходимо её первоначально снять. Не забудьте заранее обесточить. После чего можно или обтянуть торпеду кожзаменителем, или покрасить её при помощи баллончика или краскопульта в любой понравившийся цвет. Если вы решили всё-таки обтянуть торпеду тканью или кожзаменителем, для этого нужно снять мерки с торпеды и по ним сделать выкройки, чтобы удобно было резать материал и ничего не напутать с размерами.
Обустройство салона играет немаловажную роль. Чтобы получать удовольствие от поездки, водитель должен ощущать себя комфортно за рулем. Благодаря широкому выбору комплектующих, удобным можно сделать салон любой машины, в том числе и внедорожника Шевроле Нива. После замены сидений и обивки приборная панель также может быть модернизирована в соответствии с требованиями владельца.
Форма поиска
Выключатель стоп-сигнала. В этот момент отверстия попадают под разрежение; топливо из поплавковой камеры через жиклер 26 поднимается по трубке вверх, из воздушного жиклера 14 подмешивается воздух, и эмульсия по эмульсионному каналу поступает через выходные отверстия под дроссельную заслонку.
Ниже приведена схема ВАЗ You also have the option to opt-out of these cookies. Переходная система второй камеры обеспечивает плавный переход работы двигателя в момент начала открытия дроссельной заслонки второй камеры.
При работе генератора аккумуляторная батарея заряжается. Выключатель лампы освещения вещевого ящика.
На режиме дросселирования работает только главная дозирующая система первой камеры. These cookies will be stored in your browser only with your consent.
Пусковое устройство обеспечивает приготовление богатой горючей смеси при запуске холодного двигателя. Схема работы пускового устройства. Out of these cookies, the cookies that are categorized as necessary are stored on your browser as they are as essential for the working of basic functionalities of the website.
Концевой выключатель Электромагнитный. ВАЗ — это такой же карбюратор с аналогичным объемом мотора. Если это карбюратор, то электропроводка будет иметь определенные отличия. Тяга привода воздушной заслонки.
Предохранители
Через главные топливные жиклеры 36 и 28 топливо поступает в эмульсионные колодцы. Похожие провлдки это недостаточная проводка сохатого, которая не обмундировывала реализовать схема его бесконечный потенциал. Осознанно: в россии и ведущих снг подряд с дизельным силком официально не наносился. ВАЗ — это такой же карбюратор с аналогичным объемом мотора. При резком открытии дроссельной заслонки кулачок нажимает на рычаг 40 и через пружину в толкателе действует на диафрагму 39, преодолевая сопротивление возвратной пружины.
Регулировочный винт 1 позволяет регулировать величину приоткрывания заслонки. Предохранитель на 30 А защищает цепь питания электровентиляторов радиатора, а три предохранителя на 15 А — соответственно электробензонасос, блок управления вход постоянного питания и цепи главного реле системы впрыска см. Катушка зажигания. ВАЗ — это такой же карбюратор с аналогичным объемом мотора.
Возбуждение генератора Нивы Простейшая и надежная схема подачи напряжения на обмотки возбуждения ге
СХЕМА ВАЗ-2121
СХЕМА ВАЗ-2121
Ваз 2121 “нива”, разработан и выпускается с 1979 года.
Схема электрооборудования ВАЗ-2121 :
1. Передние фонари, 2. Фары, 3. Электродвигатель очистителя фар, 4. Звуковой сигнал, 5. Электродвигатель омывателя фар, 6. Электродвигатель омывателя ветрового стекла, 7. Генератор, 8. Боковой указатель поворота, 9. Аккумулятор ваз-2121, 10. Электродвигатель отопителя, 11. Доп.резистор электородвигателя отопителя, 12. Реле-прерыватель очистителя ветрового стекла, 13. Стартер, 14. Электродвигатель очистителя ветрового стекла, 15. Концевой выключатель карбюратора, 16. Электромагнитный клапан карбюратора, 17. Блок управления ЭПХХ, 18. Коммутатор, 19. Свечи зажигания, 20. Трамблер (распределитель зажигания, 21. Датчик давления масла, 22. Датчик температуры, 23. Розетка переноски, 24. Катушка зажигания, 25. Датчик уровня тормозной жидкости, 26. Реле включения очистителей и омывателя фар, 27. Реле включения обогрева заднего стекла, 28. Реле дальнего света фар, 29. Реле ближнего света фар, 30. Реле включения зажигания, 31. Реле включения стартера, 32. Выключатель лампы блокировки дифференциала, 33. Переключатель наружного освещения, 34. Прикуриватель ваз-2121, 35. Выключатель стоп-сигнала, 36. Выключатель света заднего хода, 37. Реле-прерыватель указателя поворотов и ав.сигнализации, 38. Основной блок предохранителей, 39. Дополнительный блок предохранителей, 40. Лампа подсветки рычажков отопителя, 41. Выключатель заднего противотуманого фонаря, 42. Выключатель обогрева заднего стекла, 43. Переключатель эл.двигателя отопителя, 44. Переключатель очистителя и омывателя заднего стекла, 45. Выключатель аварийной сигнализации, 46. Выключатель зажигания, 47. Контрольная лампа воздушной заслоки карбюратора, 48. Регулятор освещения приборов, 49. Подрулевой рычажный переключатель, 50. Выключатель контрольной лампы заслонки карбюратора, 51. Электродвигатель омывателя заднего стекла, 52. Дверной выключатель плафонов, 53. Плафоны освещения салона, 54. Комбинация приборов ваз-2121, 55. Фонари освещения номерного знака.
Схема электрооборудования ВАЗ-21213 :
1. Боковые указатели поворота. 2. Передние фонари. 3. Фары ваз-21213. 4. Электродвигатели очистителей фар. 5. Звуковые сигналы. 6. Реле включения очистителей и омывателя фар. 7. Реле включения ближнего света фар. 8. Реле включения дальнего света фар. 9. Электродвигатель омывателя фар. 10. Датчик недостаточного уровня тормозной жидкости. 11. Штепсельная розетка переносной лампы 12. Датчик контрольной лампы давления масла. 13. Датчик указателя давления масла. 14. Датчик указателя температуры охлаждающей жидкости. 15. Распределитель зажигания. 16. Свечи зажигания. 17. Электродвигатели стеклоочистителя. 18. Катушка зажигания. 19. Генератор. 20. Запорный клапан карбюратора. 21. Стартер ваз-21213. 22. Электродвигатель омывателя ветрового стекла. 23. Регулятор напряжения. 24. Реле контрольной лампы заряда аккумуляторной батареи. 25. Аккумуляторная батарея. 26. Реле стеклоочистителя. 27. Дополнительный блок предохранителей. 28. Основной блок предохранителей. 29. Выключатель контрольной лампы стояночного тормоза. 30. Выключатель контрольной лампы блокировки дифференциала. 31. Выключатель света заднего хода. 32. Выключатель контрольной лампы воздушной заслонки карбюратора. 33. Выключатель стоп-сигнала. 34. Электродвигатель отопителя. 35. Реле-прерыватель указателей поворота и аварийной сигнализации. 36. Дополнительный резистор электродвигателя отопителя. 37. Выключатель освещения приборов. 38. Переключатель света фар. 39. Переключатель указателей поворота. 40. Выключатель звуковых сигналов. 41. Переключатель стеклоочистителя. 42. Выключатель омывателя ветрового стекла. 43. Выключатель зажигания. 44. Выключатель наружного освещения. 45. Переключатель отопителя. 46. Выключатель очистителей и омывателя фар. 47. Прикуриватель. 48. Выключатель аварийной сигнализации. 49. Выключатели плафонов, расположенные в стойках дверей. 50. Указатель давления масла с контрольной лампой недостаточного давления. 51. Указатель уровня топлива с контрольной лампой резерва топлива. 52. Тахометр. 53. Контрольная лампа стояночного тормоза. 54. Контрольная лампа заряда аккумуляторной батареи. 55. Контрольная лампа воздушной заслонки карбюратора. 56. Спидометр. 57. Контрольная лампа наружного освещения. 58. Контрольная лампа указателей поворота. 59. Контрольная лампа дальнего света фар. 60. Реле-прерыватель контрольной лампы стояночного тормоза ваз-21213.
По всем вопросам о ремонте обращайтесь на ФОРУМ












