Электросхемы гранты
Содержание
- 1 Подробные схемы узлов и блоков
- 2 Блочная система в электрической сети
- 3 Расположение предохранителей в Гранте
- 4 Система и основные характеристики электрооборудования Лада Гранта
- 5 Подключение радио и динамиков в автомобиле
- 6 Особенности
- 7 Принципиальная электросхема Лада Гранта
- 8 Устройство световой сигнализации и внешних фар
- 9 Реле с 2017 года
- 10 Реле и предохранители Lada Granta
- 11 Принципиальная электрическая схема автомобиля ВАЗ ГРАНТА
- 12 Электрооборудование Лада Гранта: правила безопасности
- 13 Лада Гранта / ВАЗ-2190 схемы электрических соединений
Подробные схемы узлов и блоков

1 — фара правая; 2 — электродвигатель омывателей; 3 — фара левая; 4 — стартер ВАЗ-2190; 5 — батарея аккумуляторная; 6 — блок предохранителей основной; 7 — генератор; 8 — сигнал звуковой; 9, 10, 11 — колодки жгута проводов переднего к колодкам жгута проводов панели приборов; 12 — выключатель лампы света заднего хода; 13 — электровентилятор системы охлаждения двигателя.

1 – датчик контрольной лампы давления масла; 2 – генератор; 3 – дроссельный патрубок с электроприводом; 4 – датчик температуры охлаждающей жидкости; 5 – колодка жгута проводов системы зажигания к колодке жгута проводов панели приборов; 6 – электромагнитный клапан продувки адсорбера; 7 – датчик скорости ВАЗ-2190; 8 – датчик массового расхода воздуха; 9 – датчик положения коленчатого вала; 10 – датчик концентрации кислорода; 11 – контроллер; 12 – датчик концентрации кислорода диагностический; 13 – катушки зажигания; 14 – свечи зажигания; 15 – форсунки Lada Granta; 16 – колодки жгута проводов системы зажигания и жгута проводов форсунок; 17 – датчик детонации.
Схема электрическая модуля управления светотехникой Лада Гранта


1, 2 – колодки жгута проводов заднего к колодкам жгута проводов панели приборов; 3 – боковой указатель поворотов правый; 4 – боковой указатель поворотов левый; 5 – датчик ручного тормоза; 6 – элемент обогрева заднего стекла; 7 – плафон освещения салона; 8 – выключатель в ремне безопасности водителя; 9 – фонарь освещения багажника; 10 – модуль электробензонасоса; 11 – фонарь правый; 12 – электродвигатель блокировки багажника; 13 – выключатель плафона освещения салона; 14 – дополнительный сигнал торможения; 15 — фонарь левый; 16 – колодка жгута проводов заднего к колодке жгута проводов задней левой двери; 17 – колодка жгута проводов заднего к колодке жгута проводов задней правой двери; 18 – колодка жгута проводов заднего к колодке жгута проводов передней правой двери; 19 – колодка жгута проводов заднего к колодке жгута проводов передней левой двери; 20 – блок управления надувных подушек безопасности; 21 – колодка жгута проводов заднего к колодке жгута проводов фонарей освещения номерного знака.
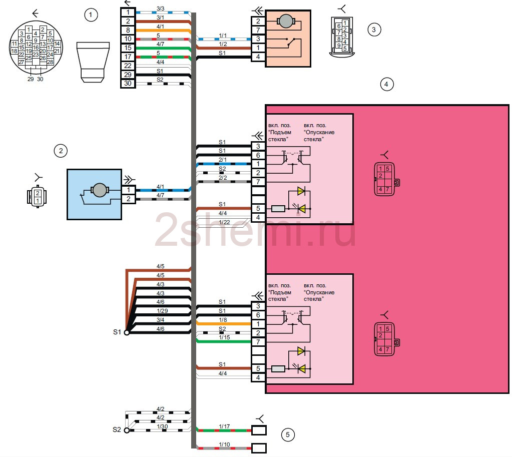
Схема соединений жгута проводов передней правой двери

1 – колодка жгута проводов передней правой двери к колодке жгута проводов заднего; 2 – электродвигатель стеклоподъемника; 3 – замок правый передний Lada Granta; 4 – переключатель стеклоподъемника; 5 – колодки жгута проводов передней правой двери к громкоговорителю переднему правому.
Схема соединений жгута проводов передней левой двери

1 – колодка жгута проводов передней левой двери к колодке жгута проводов заднего; 2 – электродвигатель стеклоподъемника; 3 – замок левый передний; 4 – блок переключателей; 5 – колодки жгута проводов передней левой двери к громкоговорителю переднему левому.
Схема электросоединений жгута проводов фонарей освещения номерного знака
1 – колодка жгута проводов фонарей освещения номерного знака к колодке жгута проводов заднего; 2 – фонарь освещения номерного знака ВАЗ-2190; 3 – фонарь освещения номерного знака.
Блочная система в электрической сети
Для питания сети служит аккумулятор, генерирующий напряжение в 12 В. Подзарядка устройства производится во время работы мотора и непосредственно от генераторного узла. Коммутация их выполнена посредством реле-регулятора, в функционал которого заложена возможность обеспечивать поддержание напряжения постоянной величины вне зависимости от числа оборотов мотора в данный момент.
Разводка в автомобильной электросети предполагает коммутацию всех присутствующих токоприемников. Кабели наделены медными жилами, которых в одном проводе может быт несколько. Жилы облачены в полихлорвиниловую изоляцию. Провод, отвечающий за «массу» автомобиля LADA Granta, подсоединяется непосредственно к кузову.
Структура бортовой сети является блочной. Для обеспечения удобства и наглядности производитель схема электрооборудования разбита на такие блоки:
- передняя часть Лада Гранта;
- система зажигания;
- панель приборов;
- проводка в задней части авто.
Все узлы имеют электрическую связь.
Далее конкретизируем схему, отвечающую за переднюю часть. Здесь можно встретить присутствие обозначений для таких потребителей (версия «Норма»):
- аккумулятора;
- стартера;
- генераторного узла;
- передней оптики;
- указателей поворотов;
- клаксона;
- вентилятора, вмонтированного в систему охлаждения;
- мотора насосного модуля, омывающего лобовое стекло;
- предохранителей.
Как показывает схема электрооборудования, наибольшее число приборов расположилось в подкапотном пространстве. Здесь также присутствует монтажная плата с силовыми предохранительными элементами, количество которых приравнивается к пяти.
Монтажный блок, отвечающий за функционал приборной панели, производитель ожидаемо расположил в салоне LADA Granta. Он находится внизу и располагает предохранительными элементами, отвечающими за функционал таких приемников:
- наружных световых устройств;
- рулевого усилителя;
- электрических компонентов контура отопления салонного пространства;
- подсветки приборов, присутствующих на панели.
Блок снабжен 32-мя предохранителями и 12-ю реле.
Производитель также не забыл о токоприемниках задней части авто, для чего собрал в аналогичный блок плавкие вставки, отвечающие за подачу питания к устройствам, а именно:
- задним дверям;
- лампам освещения регистрационного номера;
- топливному насосу;
- системе обогрева заднего стекла.
Расположение предохранителей в Гранте

Все предохранители и реле Лада Гранта, Лада Гранта Лифтбек, Гранта Люкс, Гранта стандарт, Гранта Норма, ВАЗ 2190, ВАЗ 2191 — 2011, 2012, 2013, 2014, 2015, 2016, 2017, 2018, 2019, 2020 годов выпуска.
Большинство предохранителей расположены в салоне автомобиля под панелью приборов со стороны водителя, за защитной крышкой, на которой с обратной стороны нанесены обозначение реле и предохранителей основного блока.
Чтобы открыть крышку блока предохранителей необходимо потянуть за нижний левый угол крышки
Система и основные характеристики электрооборудования Лада Гранта
Транспортные средства от АвтоВАЗ Lada Granta согласно руководству по обслуживанию и эксплуатации имеют следующие характеристики электросети и оборудования:
Для питания всего электрооборудования используется аккумуляторная батарея, рассчитанная на 12 вольт. Применение устройств на 9 и 24 В в электросетях Лады Гранты не допускается.
Защита электрических цепей осуществляется посредством использования реле и предохранительных элементов. Каждая деталь имеет определенный номинал для тока, с которым она работает. Неработоспособность электрооборудования может быть связана с выходом из строя предохранителя. К примеру, если автомобиль не заводится, это может свидетельствовать о поломке реле или предохранительного элемента топливного насоса.
Основным компонентом электронной системы автомобиля независимо от комплектации является блок управления двигателем
Если этот узел выходит из строя, завести силовой агрегат не получится.
Каждое важное электронное устройство подключается через колодку и жгут с проводами к панели приборов. На комбинации значков на «приборке» отображаются индикаторы о работе ручного тормоза, фар, системы ABS и других узлов
Все значки должны затухнуть после включения зажигания и запуска двигателя, но если они остались гореть, это говорит о неисправности системы.
Видео: прокладка силовой проводки на Lada Granta
Канал «8 Studio» в своем видео рассказал об особенностях укладки силовых электроцепей на автомобиле Лада Гранта.
Подключение радио и динамиков в автомобиле
Радио
Для подключения радио в автомобиле Лада Гранта лифтбек необходимо выполнить следующие шаги:
- Выберите радиоприемник с желаемым функционалом и подходящим размером для установки в автомобиль.
- Отключите аккумулятор автомобиля, чтобы избежать короткого замыкания и повреждения электроники.
- Снимите старую или заводскую автомагнитолу с помощью необходимых инструментов.
- Подключите провода нового радиоприемника к проводам в автомобиле с помощью штатных разъемов или проводов, подключенных к фарнитуре нового приемника.
- Установите новое радио в автомобиль, осуществляя обратную последовательность шагов демонтажа старого приемника.
- Подключите питание и заземление радиоприемника.
- Проверьте работоспособность радио, включив и настроив его на радиостанцию.
Динамики
Для подключения динамиков в автомобиле Лада Гранта лифтбек необходимо выполнить следующие шаги:
- Выберите динамики, подходящие по размеру и характеристикам под ваш автомобиль.
- Отключите аккумулятор автомобиля.
- Демонтируйте дверные обшивки, чтобы получить доступ к месту установки динамиков.
- Определите места установки динамиков в двери. Обычно они устанавливаются в специальные отверстия или места, предусмотренные заводом-изготовителем автомобиля.
- Подключите провода динамиков к проводам, идущим из радиоприемника или усилителя звука автомобиля.
- Установите динамики в отверстия, обеспечивая надежное крепление.
- Соберите дверную обшивку, осуществляя обратную последовательность шагов демонтажа.
- Подключите аккумулятор автомобиля и проверьте работоспособность динамиков, включив и проверив звук.
При подключении радио и динамиков в автомобиле всегда рекомендуется следовать инструкциям, предоставленным производителем радиоприемника и динамиков, а также обращаться за помощью к специалистам в автомастерских или автосервисах.
Особенности
- зажигания авто и впрыска;
- управления силовым агрегатом;
- панели приборов, где расположены основные датчики, а также индикаторы, говорящие о включении оборудования или неисправностях в его работе;
- электростеклоподъемников, если они установлены в автомобиле;
- освещения, включающая в себя оптику (ближний и дальнее освещение, туманки, габариты, стоп-огни, дневные ходовые сигналы), свет в салоне, а также ;
- акустическая система, соединяющая автомагнитолу с динамиками;
- обогрев заднего стекла;
- отопительный узел, печка или кондиционер;
- предохранительный блок, где расположены основные предохранительные элементы и реле.
Принципиальная электросхема Лада Гранта
В общую карту входят не только передняя и задняя часть авто, но и электросхема приборной комбинации, а также системы зажигания.
Условные обозначения
Общая карта подключения включает в себя условные обозначения, а также порядковые номера, присвоенные определенным токоприемникам. Все потребители энергии коммутируются на схеме электропроводки в одну большую сеть с помощью условных линий. Последние — проводники, каждому из которых присваивается определенный цвет для лучшей наглядности. Все электроцепи собираются в жгуты и подключаются к различным модулям с помощью специальных колодок.
Маркировка кабеля включает в себя две цифры:
- первая — разъем, клеммный зажим или колодка, к которой подключен определенный проводник;
- вторая — номер контакта токоприемника.
Схема передней части авто
- Правое оптическое устройство (фара).
- Мотор электрического типа для системы омыва лобового стекла.
- Левый внешний осветительный прибор.
- Стартерный механизм.
- Аккумулятор, расположенный в моторном отсеке.
- Основной монтажный модуль с предохранительными элементами.
- Генераторный узел.
- Рулевой гудок (клаксон).
- Разъем для подключения к приборной комбинации.
- Еще одна аналогичная колодка.
- Разъем для соединения с приборной панелью.
- Мотор электрического типа для вентилятора климатической системы.
- Электрический вентилятор охладительной системы силового агрегата.
- Гидравлический модуль системы ABS.
- Контроллер скорости, установленный на переднем правом колесе.
- Датчик скорости для переднего левого колеса.
- Контроллер автоматической коробки передач, если она предусмотрена производителем.
- Трансмиссионный агрегат.
- Разъем для подключения к автоматической трансмиссии.
- Штекер для соединения с селектором коробки передач.
- Выход с разъемом, идущий на контроллер скорости трансмиссии.
- Компрессор системы кондиционирования.
Фотогалерея: электросхемы передней части авто
Цветные карты соединения Лады Гранты:
- Разъем для подключения заднего жгута к кабелям приборной комбинации.
- Аналогичная колодка, предназначенная для соединения с панелью приборов.
- Правый внешний поворотный указатель, расположенный сбоку.
- Левая боковая поворотная фара.
- Контроллер определения состояния стояночного тормоза.
- Компонент системы прогрева заднего стекла.
- Осветительное устройство в салоне авто.
- Переключатель, установленный в ремне безопасности владельца.
- Плафон для освещения багажного отделения.
- Модуль электрического топливного насоса.
- Правая задняя фара.
- Электрический двигатель системы блокировки двери багажного отсека.
- Выключатель системы освещения в салоне автомобиля.
- Дополнительный стоп-сигнал.
- Левая задняя фара.
- Разъем для соединения заднего жгута с кабелями, расположенными в левой двери сзади.
- Колодка для подключения заднего жгута с проводами, установленными в правой двери сзади.
- Выход для подсоединения заднего жгута с электроцепями, расположенными в правой двери спереди.
- Разъем для подключения заднего жгута с колодкой кабелей, уложенных в левой двери спереди.
- Управляющий модуль системы надувных подушек безопасности.
- Выход для подключения заднего жгута с разъемом кабелей фонарей освещения заднего номера.
- Еще один разъем для подключения задней колодки к выходу приборной комбинации.
- Контроллер скорости, установленный на правом заднем колесе.
- Скоростной датчик, расположенный сзади слева.
- Преднатяжительный элемент водительского ремешка безопасности.
- Преднатяжитель на ремне, установленного со стороны пассажира.
- Разъем жгута с кабелями для подключения к приборной комбинации.
Устройство световой сигнализации и внешних фар
Автомобиль Лада Гранта лифтбек оснащен различными световыми устройствами, которые обеспечивают безопасность движения и удобство водителя и других участников дорожного движения. Внешняя световая сигнализация состоит из фар, противотуманных фар, задних фонарей и сигнальных огней.
Фары являются основным источником света автомобиля и служат для освещения дороги во время ночного или плохой видимости. Обычно они разделяются на два типа: ближний свет и дальний свет. Ближний свет позволяет освещать дорогу впереди автомобиля на небольшое расстояние, а дальний свет позволяет видеть вдали на большую дистанцию. Фары могут быть обычными галогенными или более современными ксеноновыми или светодиодными.
Противотуманные фары предназначены для использования в условиях сильного тумана, дождя или снега. Они освещают дорогу перед автомобилем и дают возможность видеть объекты на дороге на более коротком расстоянии, что помогает снизить риск аварийных ситуаций.
Задние фонари служат как источник света при торможении или включении заднего хода. Они поддерживают видимость задней части автомобиля для всех участников дорожного движения.
Сигнальные огни предназначены для указания направления поворота или смены полосы движения. Они включаются водителем при перестроении или повороте, чтобы предупредить других участников дорожного движения о своих намерениях.
Сводная таблица осветительных устройств Лада Гранта лифтбек:
Тип светового устройства
Назначение
Фары
Освещение дороги впереди автомобиля
Противотуманные фары
Освещение дороги в плохих погодных условиях
Задние фонари
Освещение задней части автомобиля
Сигнальные огни
Указание направления поворота или смены полосы движения
Световая сигнализация и внешние фары являются важными элементами автомобиля Лада Гранта лифтбек, обеспечивающими безопасность и удобство водителя и других участников дорожного движения в различных ситуациях на дороге.
Реле с 2017 года
| К1 | 50А | Разгрузочное реле замка зажигания |
| К2 | 30А | Дополнительное реле стартера |
| КЗ | 30А | Реле очистителя ветрового стекла/Реле автозапуска (в вариантном исполнении) |
| К4 | 30А | Реле вентилятора радиатора максимальной скорости (в вариантном исполнении) |
| К5 | 30А | Реле поворотов и аварийной сигнализации/ Реле К15А (в вариантном исполнении) |
| Кб | 30А | Реле обогрева заднего стекла |
| К7 | 20А | Реле дальнего света фар |
| К8 | 20А | Реле звукового сигнала |
| К9 | 20А | Реле ближнего света фар |
| К10 | 20А | Реле муфты компрессора кондиционера (в исполнении с кондиционером или климатической установкой) |
| К11 | 20А | Главное реле ЭСУД |
| К12 | 20А | Реле топливного насоса |
| К13 | 20А | Реле обогрева сидений (в вариантном исполнении) |
| К14 | 70А | Реле обогрева ветрового стекла (в вариантном исполнении) |
| К15 | 20А | Реле включения аварийной сигнализации |
| К16 | 30А | Реле питания аварийной сигнализации/ реле включения лампы заднего хода (в вариантном исполнении) |
| К17 | 30А | Реле питания электростеклоподъемников/реле вентилятора радиатора в режиме автозапуска (в вариантном исполнении) |
| К18 | 30А | Реле электровентилятора радиатора минимальной скорости (в вариантном исполнении) |
Реле и предохранители Lada Granta
Блок предохранителей и реле в салоне




| № | А | Защищаемые цепи |
| F1 | 15 | Катушки зажигания Форсунки Контроллер системы управления двигателем |
| F2 | 25 | Норма, Люкс: Центральный блок кузовной электроники Модуль двери водителя |
| F2 | 5 | Стандарт: Дневные ходовые огни |
| F2 | 30 | Стеклоподъемники |
| F3 | 15 | Норма, Люкс: Контроллер управления автоматической коробкой переключения передач Привод управления автоматической коробкой переключения передач |
| F3 | 10 | Стандарт: Аварийная сигнализация |
| F4 | 15 | Контроллер системы надувных подушек безопасности |
| F5 | 7.5 | Клемма 15 приборов |
| F6 | 7.5 | Свет заднего хода ВАЗ-2190 Указатели поворота (Стандарт) Контроллер управления автоматической коробкой переключения передач (Норма, Люкс) Блок управления системой безопасной парковки (Норма, Люкс) |
| F7 | 7.5 | Клапан продувки адсорбера Датчик массового расхода воздуха/ датчик давления Датчик фаз Датчики концентрации кислорода |
| F8 | 25 | Обогреватель заднего стекла Обогреватели наружных зеркал (Норма, Люкс) |
| F9 | 5 | Габаритные огни правого борта |
| F10 | 5 | Габаритные огни левого борта Подсветка приборов и клавиш Фонари освещения номерного знака Плафон освещения багажника Плафон освещения вещевого ящика |
| F11 | 5 | Задние противотуманные огни |
| F12 | 7.5 10 | Ближний свет, правая фара Электрокорректор правой фары |
| F13 | 7.5 10 | Ближний свет, левая фара Электрокорректор левой фары |
| F14 | 10 | Дальний свет, правая фара |
| F15 | 10 | Дальний свет, левая фара |
| F16 | 10 | Правая противотуманная фара |
| F17 | 10 | Левая противотуманная фара |
| F18 | 20 | Обогреватели передних сидений Прикуриватель |
| F18 | 10 15 | Прикуриватель |
| F18 | 15 | Обогреватели передних сидений |
| F19 | 5 | Норма, Люкс: Блок управления антиблокировочной системой тормозов |
| F19 | 20 | Стандарт: Моторедукторы блокировки замков дверей |
| F19 | 15 | ABS Lada Granta |
| F20 | 15 | Звуковой сигнал |
| F20 | 15 | Звуковой сигнал Замок багажника Коробка передач Прикуриватель Диагностический разъем |
| F21 | 15 | Топливный насос |
| F22 | 25 | Омыватель ветрового стекла Центральный блок кузовной электроники Омыватель заднего стекла Очиститель заднего стекла |
| F22 | 15 | Центральный замок |
| F23 | 5 | Комбинация приборов Диагностический разъем |
| F23 | 10 | Дневные ходовые огни |
| F24 | 7.5 | Норма, Люкс: Муфта компрессора кондиционера Контроллер системы автоматического управления климатической установкой |
| F25 | 7.5 | Сигналы торможения Плафон освещения салона (Стандарт) |
| F26 | 10 | Норма, Люкс: Центральный блок кузовной электроники |
| F26 | 25 | АБС/ESC |
| F27 F31 | 25 | Блок управления антиблокировочной системой тормозов |
| F28 F32 | 30 | Электровентилятор отопителя Контроллер системы автоматического управления климатической установкой Электроусилитель рулевого управления 3) |
| Реле | ||
| К1 | Реле электровентилятора охлаждения радиатора | |
| К2 | Стеклоподъемник (в исполнении «норма») Реле минимального обдува модуля охлаждения (в исполнении «люкс») | |
| К3 | Реле стартера | |
| К4 | Разгрузочное реле выключателя зажигания | |
| К5 | Реле указателей поворота и аварийной сигнализации | |
| К6 | Реле стеклоочистителя (в исполнении «норма») Реле обогрева сидений (в исполнении «люкс») | |
| К7 | Реле дальнего света фар | |
| К8 | Реле звукового сигнала | |
| К9 | Реле ближнего света фар | |
| К10 | Реле обогрева заднего стекла | |
| К11 | Реле ЭСУД ВАЗ-2190 | |
| К12 | Реле топливного насоса | |
| К13 | Реле аварийной сигнализации дополнительное | |
| К14 | Реле аварийной сигнализации дополнительное | |
| К15 | – | |
| К16 | – | |
| К17 | – |
Монтажный блок нового образца

Блок предохранителей в моторном отсеке под капотом
| № | А | Защищаемые цепи |
| 1 | 50 | Обогреватель ветрового стекла |
| 1 | 30 | Ближний свет |
| 2 | 60 | Генератор |
| 3 | 60 | Генератор |
| 4 | 30* 40 | Электровентилятор охлаждения радиатора |
| 5 | 50 | Электромеханический усилитель рулевого управления |
| 6 | 40 | Блок управления антиблокировочной системой тормозов |
Обратите внимание, что бывают разные варианты этого блока. Вариант подключения 1
Вариант подключения 1
- 30А Ближний свет фар или главное реле, цепи защищаемые предохранителями F1 и F21 монтажного блока в салоне 50А Обогреватель ветрового стекла
- 60А Генератор ВАЗ-2190
- 60А Генератор
- 30/40А Вентилятор отопителя (предохранитель печки гранты)
- 50А Электромеханический усилитель рулевого управления
- 60А Блок АБС
Вариант подключения 2
- 60А Генератор
- 60А Генератор
- 30/40А Электровентилятор охлаждения радиатора
- 40А АБС / ESP
- 25A ABS / ESP
- 50A Контроллер электро усилителя рулевого управления
Вариант подключения 3
- 30А Ближний свет фар или главное реле, цепи защищаемые предохранителями F1 и F21 монтажного блока в салоне
- 60А Генератор
- 60А Генератор Lada Granta
- 30А Вентилятор отопителя (предохранитель печки гранты)
- 50А Электроусилитель рулевого управления
Принципиальная электрическая схема автомобиля ВАЗ ГРАНТА
Жгут проводов панели приборов — 21900-3724030-00
Продолжение схемы
1 — колодка жгута проводов панели проводок к колодке жгута проводов переднего; 2 — колодка жгута проводов панели проводок к колодке жгута проводов переднего; 3 — колодка жгута проводов панели проводок к колодке жгута проводов заднего; 4 — колодка жгута проводов панели проводок к колодке жгута проводов заднего; 5 — модуль управления светотехникой; 6 — замок зажигания; 7 — переключатель режимов бортового компьютера; 8 — переключатель стеклоочистителей; 9 — комбинация приборов; 10 — переключатель световой сигнализации; 11 — выключатель привода замка багажника; 12 — колодка диагностики; 13 — колодка жгута проводов панели приборов к колодке жгута проводов коробки воздухопритока; 14 — выключатель обогрева заднего стекла; 15 — выключатель аварийной сигнализации; 16 — выключатель сигнала торможения; 17 — колодка жгута проводов панели приборов к радиоаппарату; 18 — колодка жгута проводов панели приборов к радиоаппарату; 19 — устройство вращающееся; 20 — модуль надувной подушки безопасности водителя; 21 — — — 22 — монтажный блок; 23 — электроусилитель рулевого управления; 24 — прикуриватель; 25 — лампа подсветки табло управления отопителем; 26 — осветитель; 27 — колодка жгута проводов панели приборов к колодке жгута проводов системы зажигания; 28 — контроллер; 29 — выключатель сигнала положения педали сцепления; 30 — педаль акселератора электронная; 31 — резистор добавочный; 32 — электродвигатель отопителя; 33 — переключатель электродвигателя отопителя; 34 — блок управления системой блокировки дверей.
Назначение РЕЛЕ автомобиля «ГРАНТА»
К1 — реле электровентилятора системы охлаждения двигателя; К2 — реле включения блокировки дверей; К3 — дополнительное реле стартера; К4 — дополнительное реле; К5 — реле-прерыватель указателей поворота и аварийной сигнализации; К6 — реле стеклоочистителя; К7 — реле включения дальнего света фар; К8 — реле звукового сигнала; К9 — реле включения ближнего света фар; К10 — реле включения обогрева заднего стекла; К11 — главное реле; К12 — реле топливного насоса.
Жгут проводов системы зажигания — 21900-3724026-40
(Жгут проводов форсунок — 2111-3724036-00)
1 — датчик контрольной лампы давления масла; 2 — генератор; 3 — дроссельный патрубок с электроприводом; 4 — датчик температуры охлаждающей жидкости; 5 — колодка жгута проводов системы зажигания к колодке жгута панели приборов; 6 — электромагнитный клапан продувки адсорбера; 7 — датчик скорости; 8 — датчик массового расхода воздуха; 9 — датчик положения коленчатого вала; 10 — датчик концентрации кислорода; 11 — контроллер; 12 — датчик концентрации кислорода диагностический; 13 — катушка зажигания; 14 — свечи зажигания; 15 — форсунки; 16 — колодки жгута проводов системы зажигания и жгута проводов форсунок; 17 — датчик детонации.
Жгут проводов задний — 21900-3724210-00
1 — колодка жгута проводов заднего к колодке жгута проводов панели приборов; 2 — колодка жгута проводов заднего к колодке жгута проводов панели приборов; 3 — боковой указатель поворотов правый; 4 — боковой указатель поворотов левый; 5 — датчик ручного тормоза; 6 — элемент обогрева заднего стекла; 7 — плафон освещения салона; 8 — выключатель в ремне безопасности водителя; 9 — фонарь освещения багажника; 10 — модуль электробензонасоса; 11 — фонарь правый; 12 — электродвигатель блокировки багажника; 13 — выключатель плафона освещения салона; 14 — дополнительный сигнал торможения; 15 — фонарь левый; 16 — колодка жгута проводов заднего к колодке жгута проводов задней левой двери; 17 — колодка жгута проводов заднего к колодке жгута проводов задней правой двери; 18 — колодка жгута проводов заднего к колодке жгута проводов передней правой двери; 19 — колодка жгута проводов заднего к колодке жгута проводов передней левой двери; 20 — блок управления надувных подушек безопасности; 21 — колодка жгута проводов заднего к колодке жгута проводов фонарей освещения номерного знака.
Электрооборудование Лада Гранта: правила безопасности
На автомобиле Лада Гранта схема электрооборудования принципиально схожа со схемами электрооборудования других моделей волжского автозавода. Но правила техники безопасности при эксплуатации электрооборудования на автомобиле остаются одинаковыми для всех моделей.
Любые работы с электрическим оборудованием в автомобиле следует проводить исключительно при отсоединенной аккумуляторной батарее. Отключать или подключать аккумуляторную батарею по правилам техники безопасности можно только при выключенном зажигании.
Во время проверки цепей электрооборудования категорически запрещено замыкать на «массу» какие-либо токонесущие провода (или просто проверять работоспособность цепей «на искру»), поскольку это обычно может привести поломке элементов электрооборудования.
Не желательно применение предохранителей, не предусмотренных для эксплуатации на данном автомобиле или тех, которые рассчитаны на большую нагрузку, а также применять вместо предохраняющих элементов проволоку.
Заводом – изготовителем запрещено отсоединять АКБ при работающем двигателе, это позволит избежать поломки регулятора напряжения и других элементов электрооборудования автомобиля Лада Гранта.
При выполнении электросварочных работ на вашем автомобиле следует отсоединить проводку от аккумуляторных клемм, генератора и блока управления двигателем. Регулярное очищение клемм аккумуляторной батареи, а также наконечников проводов позволит защитить электрооборудование от окисления и грязи.
Источник статьи: http://o-ladagranta.ru/lada-granta-ljuks-shema-jelektrooborudovanija/
Лада Гранта / ВАЗ-2190 схемы электрических соединений
Пожалуйста включите / Please enable JavaScript!
загрузка…
Схемы электрических соединений автомобилей LADA GRANTA. Альбом электросхем.
В альбоме представлены схемы электрических соединений автомобилей LADA GRANTA в комплектации ЕВРО-4 с электроусилителем рулевого управления, электростеклоподъемниками передних и задних дверей, с аудиосистемой, с центральным блоком кузовной электроники, с системой надувных подушек безопасности, с электроприводом и электрообогревом наружных зеркал, с антиблокировочной системой тормозов, с системой кондиционирования воздуха, с системой управления стеклоочистителем с «датчиком дождя», с системой автоматического включения света фар, с системой безопасной парковки водителя, с обогреваемым стеклом ветрового окна, с противотуманными фарами, с навигационной системой.
Электрические схемы разработаны в соответствии с конструкторской документацией на автомобили LADA GRANTA по состоянию на 01.11.2012 год.
Альбом предназначен для специалистов по электрооборудованию и инженерно-технических работников предприятий, занятых техническим обслуживанием и ремонтом автомобилей, позволяет обеспечить качественное выполнение работ, может использоваться при обучении персонала.
№
Спецификация / Specs
Данные
Габариты (мм/mm) и масса (кг/kg) / Dimensions and Weight
1
Длина / Length
4260
2
Ширина (без/с зеркалами) / Width
1700/1975
3
Высота (загружен/пустой) / Height
1500
4
Колёсная база / Wheelbase
2476
5
Дорожный просвет (клиренс) / Ground clearance
160
6
Снаряжённая масса / Total (curb) weight
1160
Полная масса / Gross (max.) weight
1560
Двигатель / Engine
7
Тип / Engine Type, Code
Бензиновый, жидкостного охлаждения, четырехтактный, 11183
8
Количество цилиндров / Cylinder arrangement: Total number of cylinders, of valves
4-цилиндровый, рядный, 8V, SOHC с верхним расположением одного распредвала
9
Диаметр цилиндра / Bore
82.0 мм
10
Ход поршня / Stroke
75.6 мм
11
Объём / Engine displacement
1596 см³
12
Система питания / Fuel supply, Aspiration
Распределенный впрыск топлива
Атмосферный
13
Степень сжатия / Compression ratio
9.8:1
14
Максимальная мощность / Max. output power kW (HP) at rpm
60 кВт (82 л.с.) при 5100 об/мин
15
Максимальный крутящий момент / Max. torque N·m at rpm
132 Нм при 3800 об/мин
Трансмиссия / Transmission
16
Сцепление / Clutch type
Однодисковое, сухое, с диафрагменной нажимной пружиной и гасителем крутильных колебаний, постоянно замкнутого типа
17
КПП / Transmission type
МКПП 5 пятиступенчатая механическая, двухвальная, с синхронизаторами на всех передачах переднего хода
- Название: Схемы электрических соединений автомобилей LADA GRANTA
- Бензиновые двигатели: ВАЗ 11183 8V 1.6 л (1596 см³) 60 кВт/82 л.с., ВАЗ 11186/ВАЗ 21116 8V 1.6 л (1596 см³) 64 кВт/87 л.с., ВАЗ 21126 16V 1.6 л (1596 см³) 72 кВт/98 л.с.
- Выпуск с 2011 года
- Серия: «ОАО АВТОВАЗ»
- Год издания: 2012















