Не работает свет и печка на газели
Содержание
- 1 Какие лампы ближнего света установлены на ГАЗелях «Next» и «Бизнес»
- 2 Начало проверки переключателя света
- 3 Где купить запчасти для реле дальнего света Газель Бизнес?
- 4 Распространенные причины, по которым ваши фары перестают работать — Ремонт автомобилей State Street
- 5 Почему не горит фара ближнего света?
- 6 Проверка и замена реле
- 7 Деформация кузова после аварии или прогибы
- 8 Почему не горит свет в салоне Газели Бизнес?
- 9 Схема габаритов Газель
- 10 Не горят габариты и подсветка приборов на газели 3302
- 11 Замена ламп автомобиля ГАЗель Некст
- 11.1 Замена лампы дальнего/ближнего света
- 11.2 Замена лампы габаритного света
- 11.3 Замена лампы дневного ходового огня
- 11.4 Замена лампы переднего указателя поворота
- 11.5 Замена лампы противотуманной фары
- 11.6 Замена лампы в повторителе поворотов
- 11.7 Замена ламп в заднем фонаре
- 11.8 Замена ламп освещения номерного знака
- 11.9 Замена лампы плафона освещения кабины
- 11.10 Замена лампы выключателя аварийной сигнализации
Какие лампы ближнего света установлены на ГАЗелях «Next» и «Бизнес»
Семейство ГАЗель «Бизнес» (ГАЗ 3302) начало свою жизнь в 2010 году, а ГАЗель «Next» – в 2013 году. И если первая модификация, в общем, походила на свой прототип, то вторая была доработана довольно серьезно – от классической ГАЗели остались лишь рама и задний мост.
Коснулись изменения и световых приборов. Причем фары не только поменяли свой внешний вид, но и изменились конструктивно.
На фото хорошо видно, что у «Бизнеса» два световых модуля головного света. Здесь за дальний и ближний свет отвечают два раздельных прибора – H1 и H7 соответственно.
Лампы ближнего (слева) и дальнего света ГАЗели «Бизнес»
У «Next» же световой модуль только один, и в нем установлена двуспиральная лампочка H4, отвечающая и за дальний, и за ближний свет.
Лампа для ГАЗ «Next»
Рейтинг качественных лампочек головного света
Существует довольно большое количество производителей автомобильных источников света, которые, в свою очередь, выпускают приборы самых различных характеристик, качества и стоимости. Кому отдать предпочтение? К сожалению, четкого рецепта тут нет – все будет зависеть от предпочтений водителя и, конечно, от состояния финансов. В таблицы ниже я свел продукцию тех брендов, которая, на мой взгляд, заслуживает особого внимания.
Лучшие лампочки для ГАЗ «Next»
- назначение – головное освещение (дальний и ближний);
- цоколь – Н4;
- тип – галогенные.
| Модель | Страна-производитель | Создаваемый светопоток, лм | Особенности | Гарантийный срок службы, ч |
| Philips X-treme Vision; | Польша | 1600+15% и 1000+15% | белый спектр, повышенная светоотдача, высокая стоимость, невысокий срок службы | 450 |
| Philips LongLife EcoVision | Германия, Польша | 1600 и 1000 | повышенное время наработки на отказ, устойчивость к вибрациям | 3000 |
| Bosch Pure light | Германия, Польша | 1600 и 1000 | характеристики, максимально приближенные к штатным, умеренная цена | 700 |
| Osram Original Line | Германия | 1600 и 1000 | хорошее соотношение цена/качество | 500 |
Лучшие лампочки для ГАЗ «Бизнес»
- назначение – ближнее освещение;
- цоколь – Н7;
- тип – галогенные.
| Модель | Страна-производитель | Создаваемый светопоток, лм | Особенности | Гарантийный срок службы, ч |
| Philips X-treme Vision | Польша | 1500+15% | повышенная яркость, высокая стоимость, невысокий срок службы | 450 |
| Philips LongLife EcoVision | Польша | 1500 | повышенный срок службы, относительно невысокая цена | 1500 |
| Bosch Pure light | Германия, Польша | 1500 | характеристики приближены к штатным лампам | 600 |
| Osram Original Line | Германия | 1500+10% | повышенная яркость, невысокая стоимость | 550 |
К отдельной категории можно отнести светодиодные лампы. Производителей таких приборов не так уж много, поскольку технология изготовления LED-ламп для автомобилей еще не полностью отлажена, довольно дорогостоящая и трудоемкая. Поэтому на рынке много “неправильной” продукции, которая не подходит для создания качественного света и правильной светотеневой границы.
Светодиодная лампа компании Dled
Начало проверки переключателя света
Переключатель света в автомобиле ГАЗель отвечает за включение и выключение основного и дополнительного света. Если ваш переключатель перестал работать или вы заметили какие-либо неполадки, то перед началом проверки необходимо убедиться, что проблема действительно связана с самим переключателем.
Первым шагом в проверке переключателя света ГАЗели необходимо убедиться, что автомобиль находится в безопасном состоянии и выключен. Подключите мультиметр к аккумулятору, убедившись в правильной полярности подключения.
Затем, с помощью мультиметра, проверьте напряжение на переключателе света. Для этого поочередно измерьте напряжение на каждом контакте переключателя в разных положениях: включен и выключен свет
Обратите внимание на любые изменения напряжения или его отсутствие
Если мультиметр показывает постоянное напряжение на всех контактах включенного переключателя, это может говорить о его неисправности. Если у вас есть другой рабочий переключатель, вы можете его подключить и повторить измерения. Если другой переключатель работает нормально, то проблема скорее всего связана именно с вашим переключателем света ГАЗели.
Запомните результаты измерений и продолжайте выполнение проверки переключателя света ГАЗели, следуя шагам инструкции.
Где купить запчасти для реле дальнего света Газель Бизнес?
Такие магазины предлагают широкий выбор запчастей различных брендов и моделей, включая запчасти для реле дальнего света Газель Бизнес.
Если вы предпочитаете оффлайн-покупки, то вы можете посетить автомагазины в вашем городе. Там вы сможете найти необходимую запчасть и получить консультацию у специалистов. Автомагазины обычно имеют широкий ассортимент запчастей для различных автомобилей, включая Газель Бизнес.
Перед покупкой запчасти для реле дальнего света Газель Бизнес, рекомендуется сравнить цены в разных магазинах, обратить внимание на гарантию и условия возврата товара, а также уточнить наличие нужной детали на складе
Распространенные причины, по которым ваши фары перестают работать — Ремонт автомобилей State Street
Большинство систем фар просты и включают в себя несколько основных компонентов, таких как лампы, реле, предохранитель и выключатель.
Если какой-либо из этих компонентов перестанет работать должным образом, ваши фары перестанут работать. И, посмотрев на то, как они потерпели неудачу, вы обычно можете вернуться, чтобы выяснить, с чего лучше всего начать устранение неполадок.
Когда фары перестают работать, это либо проблема с электричеством, либо физическая проблема с самими лампочками
Чтобы как можно быстрее разобраться в ситуации, важно отметить, какой именно тип отказа вы испытали. В зависимости от того, какие лампочки перестали работать и при каких обстоятельствах, вы можете использовать следующую информацию, чтобы найти решение:
Обычно это происходит из-за перегоревшей лампочки.

Ни одна из фар не работает
Можно с уверенностью сказать, что это вызвано либо перегоревшими лампочками, либо проблемой с питанием или заземлением. Проверьте наличие питания и заземления и при необходимости исправьте. В противном случае замените лампы
Лампочки обычно не перегорают вместе, но все же важно исключить это, проверив мощность. Большинство полных отказов фар вызваны неисправным компонентом, таким как предохранитель, реле или модуль
Проблемы с проводкой также могут привести к тому, что обе фары перестанут работать.
Не работает дальний свет или не работает ближний свет
Виновником этого может быть перегоревшая лампа или проблема с переключателем или реле дальнего света. Вам нужно заменить лампочку, переключатель или реле. Если только одна лампа не работает ни в режиме дальнего, ни в режиме ближнего света, это может быть лампа.
Почему не горит фара ближнего света?
Ездить с неисправностью одной или обеих фар ближнего света нельзя. Они выполняют роль ходовых огней даже в светлое время суток. К тому же никто не отменял проезд через тоннели и прочие внезапно наступающие условия недостаточной видимости. Поэтому если не горит лампочка ближнего света, желательно, чтобы каждый водитель мог устранить эту в большинстве случаев простейшую неисправность.

Почему чаще неисправность в ближнем свете?
Дальний свет, хотя и мощнее в принципе, используется на дороге значительно реже. Отсюда и более высокая вероятность отказа в цепях менее мощного источника света.
Кроме длительности работы, на нить галогенной лампы ближнего света может оказывать влияние “ударная” нагрузка повышенным напряжением, когда заводится двигатель.
Порядок поиска неисправности
Для знакомых с электротехникой методика выявление источника отказа совершенно типовая. При помощи любого контрольного устройства мастер движется вдоль цепи от потребителя к источнику, отыскивая места обрывов или коротких замыканий. Но лучше в первую очередь заняться проверкой наиболее вероятных мест, не тратя времени на общий подход.
Отказ (перегорание) лампочки
Самое слабое место системы лобового освещения – это нити накаливания ламп в фарах. Они используются в уже давно устаревших, но все еще самых дешевых лампочек галогенного типа. Это колбы под низким давлением одного из инертных газов.

Найдено много способов по продлению срока службы галогеновых ламп за время эволюции подобных светильников. Но впечатляющих результатов нет. Производители больше стремятся к максимуму световой отдачи при минимальном нагреве фары, чем к показателям долговечности. Используются даже лампы, заведомо работающие с большим перекалом при очень ограниченном времени жизни. Это типичные расходники, которые надо постоянно иметь в перевозимом запасе.
Перегоревшую нить несложно заметить визуально через прозрачную колбу лампы. Помутнение колбы будет говорить о том же самом, это последствия быстрого сгорания и распыления нити. Лампа извлекается из корпуса фары, отсоединяется от разъема и меняется на новую. Работать лучше в перчатках, следы жира на стекле лампы недопустимы.
Перегрузки и замыкания в цепях, защищенных предохранителями
Предохранители спасают проводку машины от пожара. При этом сами они могут стать источниками отказа, постоянно перегреваясь и деформируясь во время работы.
В первую очередь проверяется отсутствие короткого замыкания в защищаемой цепи, для чего параллельно сгоревшему предохранителю подключается контрольная лампочка. Она не должна светиться при снятой нагрузке. Если все нормально, то ограничиваются заменой предохранителя. Нельзя увеличивать его номинал «для надежности», это опасно.
Неисправности проводки
Помимо замыканий существует и второй вид неисправности – обрыв. Поиск его часто затруднен, поэтому стоит учесть характерные причины и места:
- самое ненадежное в проводке – это разъемы и заделка в них проводов, тут проявляется коррозия, особенно при попадании влаги;
если машина побывала в ДТП, то стоит проверить в первую очередь места возможного скрытого повреждения кузова, там могут проходить жгуты проводки;
точно так же кабели повреждаются при неаккуратном ремонте, особенно сварочных работах;
часто проблема появляется в местах контакта минусовых шин с корпусом автомобиля;
самые неожиданные дефекты проявляются после неграмотного ремонтного вмешательства в электросхемы, причем не обязательно сразу.
В целом изолированный монтажный провод, уложенный в жгут и защищенный резиновой гофрой, надежен, но его могут перегреть большие токи, в том числе и от соседних проводов.
Инструменты и расходники, которые желательно иметь в машине постоянно
Набор невелик и много места не занимает. Это запасные лампы фар, предохранители, контрольная лампочка с проводами и зажимами, изолента, провода. Неплохо иметь мультиметр или автотестер. Вне прямой связи с электрикой обязательно наличие универсального набора инструментов и прочей мелочи в виде ножа, скотча, фонарика, перчаток и салфеток.
Особенности газоразрядных (ксенон) и LED (светодиодных) ламп в фарах головного света
Подобные лампы снабжаются дополнительными электронными блоками питания или розжига, работа с которыми требует отдельной квалификации. Своими силами можно провести пробную замену блоков в сборе с лампами. Например, с рабочей стороны на нерабочую.
Поиск неисправности и устранение её своими силами, в случае отказа источников ближнего света не отличаются от работы профессионалов СТО.
Проверка и замена реле
Если пропал ближний свет у Газели и реле не работает, может потребоваться проверка и замена реле. Для этого нужно выполнить следующие шаги:
- Отключите зажигание и выньте ключ из замка зажигания. Прежде чем приступать к проверке и замене реле, необходимо обезопасить себя и автомобиль, отключив зажигание.
- Откройте капот автомобиля. Для доступа к реле света Газели необходимо открыть капот. Обычно кнопка расположена внутри автомобиля внизу рулевой колонки.
- Найдите реле ближнего света в электрошкафу. Реле может быть расположено в электрошкафу, который находится рядом с аккумуляторной батареей или в другом месте под капотом автомобиля.
- Проверьте состояние реле. Осмотрите реле на предмет видимых повреждений или перегоревших контактов. Если есть видимые повреждения, реле необходимо заменить.
- Проверьте работу реле. Для проверки работоспособности реле можно воспользоваться мультиметром. Подключите мультиметр к контактам реле и проверьте, есть ли электрический ток при включении ближнего света. Если тока нет, реле необходимо заменить.
- Замените реле. Если реле неисправно или не проходит проверку, следует заменить его на новое. Для этого отсоедините старое реле от разъема и подключите новое реле.
- Проверьте работу света. После замены реле необходимо проверить работу ближнего света. Включите зажигание и проверьте, включается ли ближний свет.
Если после выполнения этих шагов ближний свет все еще не работает, рекомендуется обратиться к квалифицированному автослесарю для диагностики и ремонта электрической системы Газели.
Деформация кузова после аварии или прогибы
Частой причиной неработающих левых габаритов на Газели бизнес может быть деформация кузова после аварии или прогибов. Кузов Газели изготавливается из металла, который при сильных ударах или неправильном использовании может подвергаться деформации.
Деформация кузова может привести к повреждению проводки и механизма работы габаритных огней. Если после аварии или прогиба кузова габариты перестали работать, необходимо проверить целостность проводки и состояние механизма. Если провода оборваны или повреждены, их необходимо заменить. В случае повреждения механизма, требуется его ремонт или замена.
Также, деформация кузова может вызывать неправильное крепление левых габаритных огней. Если габариты не совпадают с кузовом, они могут не работать или работать неправильно. В этом случае, необходимо корректно закрепить габариты на кузове или заменить их.
Для устранения проблемы с неработающими левыми габаритами на Газели бизнес, связанными с деформацией кузова, необходимо провести осмотр кузова, проверить проводку и механизм работы габаритных огней. В случае необходимости, требуется замена или ремонт проводки и механизма, а также корректное крепление габаритов на кузове.
Почему не горит свет в салоне Газели Бизнес?
Иногда водителю или пассажирам Газели Бизнес может понадобиться свет в салоне, особенно при ночных поездках или в условиях недостатка естественного освещения. Но что делать, если свет в салоне не работает? Рассмотрим несколько возможных причин и способов решения этой проблемы.
1. Сгоревший предохранитель
Одной из самых распространенных причин неработающего света в салоне Газели Бизнес является сгоревший предохранитель. Найти предохранитель и проверить его состояние можно, обычно, под приборной панелью или в моторном отсеке. В случае необходимости замените сгоревший предохранитель на новый с такой же номинальной мощностью.
2. Проблемы с проводкой
Если предохранитель в порядке, то причиной проблемы может быть неисправность в проводке. Часто это связано с обрывом провода или коротким замыканием. Для решения этой проблемы рекомендуется обратиться к специалисту или в автосервис, где проведут проверку и ремонт проводки.
3. Неисправность выключателя или лампы
Возможно, причина неработающего света в салоне Газели Бизнес кроется в неисправности выключателя или лампы. Проверьте работу выключателя, возможно, он просто сломан и требует замены. Также стоит проверить лампу, она может быть сгоревшей и нуждаться в замене. Заменит лампу самостоятельно, если у вас есть соответствующая инструментация, или обратитесь к специалисту.
4. Проблемы с генератором
Если неработающий свет в салоне сопровождается другими проблемами, такими как неправильная работа аккумулятора или проблемы с напряжением, причиной может быть неисправность генератора. В этом случае рекомендуется обратиться к специалисту для диагностики и ремонта генератора.
5. Проблемы с салонным освещением
Если неработающий свет в салоне Газели Бизнес ограничен одним переключателем или одной лампой, причиной может быть неисправность в салонном освещении. Проверьте светильники и лампы, возможно, они сломаны или нуждаются в замене.
Учитывая вышеуказанные возможные причины неработающего света в салоне Газели Бизнес, рекомендуется начать с проверки предохранителя и проводки. Если проблема не решена, лучше обратиться к профессионалам, так как они могут эффективно диагностировать и устранить поломку.
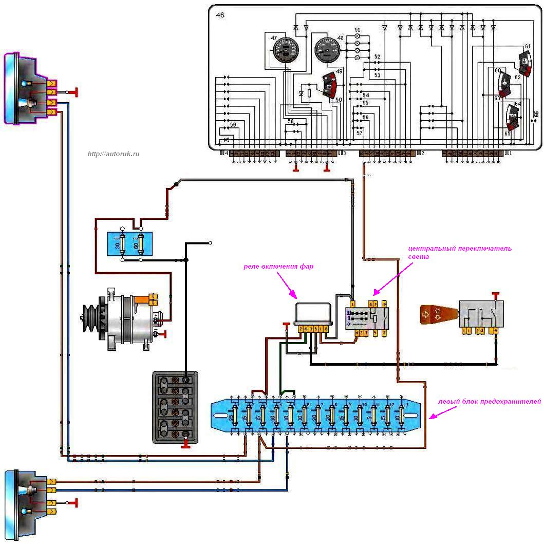
Схема габаритов Газель
Схемы
Схема габаритов Газель практически одинаковая для всех моделей. Все отличия сводятся в основном к переключателям. На первых моделях Газелей типа 3302, включение осуществляется центральным переключателем света. На последующих моделях устанавливались блоки управления освещением. Принцип работы этих модулей сводится к замыканию определённых контактов при повороте рукоятки управления. Несколько отличается схема подключения Газелей 3321. В них для разгрузки контактов переключателя используется промежуточное реле. Эта бы не помешало сделать и на Газелях бизнес, но конструкторы посчитали это излишним.
Схема габаритов Газель проверка.
Не горят задние габариты
Что делать если не горят габариты Газели полностью, или какие то отдельные лампы? Чаще всего на газелях не горят задние габариты. Если это случилось, то для начала надо проверить самое простое, наличие питания в патронах и исправность ламп. При отсутствии плюса надо проверить состояние контактов в разъёме, для бортовых газелей это самое проблемное место.
Дело в том что на проводе габаритов постоянное питание при езде, так как согласно правил ПДД все авто ездят с включенными фарами. Несмотря на защитные резинки, вода попадает в разъём и под её воздействием электролиза металл контактов разрушается очень быстро. Определить это можно по зелёному налёту в разъёме. На микроавтобусах соединение выполнено в салоне и они практически не подвержены разрушению.
Но есть ещё одно проблемное место характерное абсолютно для всех Газелей. Дело в том, что задняя часть проводки имеет соединение проводов в районе разветвления на правую и левую стороны. Это место так же сильно подвержено электролизному разрушению, так как вода, попадая под изоляцию, остаётся там, и постоянно воздействуют на провода. Но прежде чем лезть туда проверьте наличие питания в разъёме переднего жгута и заднего жгута. Эти разъёмы находятся в подкапотном пространстве в районе вакуумного усилителя тормозов и так же подвержены воздействию жидкостей.
Не горят габариты с одной стороны.

Когда на Газели не работают задние габариты, разобрались. Если не горят габариты по одной стороне, то надо проверить предохранители, перегоревшие заменить. Если при установке предохранитель вновь перегорит, то в цепи короткое замыкание. Для его поиска надо разъединить разъём заднего и переднего жгута. Это позволит определить, в каком именно жгуте КЗ. Таким же образом стоит поступить для исключения КЗ в блокфарах и задних фонарях. Конкретное место определить можно осмотром соответствующего жгута.
Не горят передние габариты.
Потеря контакта передних габаритов чаще всего происходит в разъёмах блок фар. В основном это происходит на Газелях первых выпусков. Потеря контактов возможно не только с наружной, но с внутренней стороны разъёма. Для устранения неисправности достаточно открутить один или два самореза, в зависимости от конструкции, аккуратно снять гнездо и зачистить контакты с внутренней стороны. На Газелях рестайлинг и бизнес в блок фарах проблемы бывают крайне редко.

Последний вариант, когда габариты Газели не включаются полностью. Проверку схемы Газели стоит начать с предохранителей около аккумуляторной батареи. На первых моделях этого практически не случается, если только ослабнет контакт на центральном переключателе или подключённых проводах. Чаще всего такая неисправность появляется в Газелях рестайлинг. Это связанно с применением реле в цепи габаритов, через контакты которого проходит так же и ток на лампы фар. Из строя при этом выходит не только реле, но и гнездо, куда оно вставляется, особенно при ослаблении контактов. Реле находится на кронштейне под панелью, на рулевой колонке.
Не горят габариты и подсветка приборов на газели 3302
Схема габаритов Газель практически одинаковая для всех моделей. Все отличия сводятся в основном к переключателям. На первых моделях Газелей типа 3302, включение осуществляется центральным переключателем света. На последующих моделях устанавливались блоки управления освещением. Принцип работы этих модулей сводится к замыканию определённых контактов при повороте рукоятки управления. Несколько отличается схема подключения Газелей 3321. В них для разгрузки контактов переключателя используется промежуточное реле. Эта бы не помешало сделать и на Газелях бизнес, но конструкторы посчитали это излишним.
Замена ламп автомобиля ГАЗель Некст
При замене лампы дальнего/ближнего света не касайтесь пальцами колбы лампы, так как из-за высокой температуры колбы любые загрязнения поверхности (например, отпечатки пальцев) сгорают в процессе работы, оставляя почернения.
Это ведет к локальным повышениям температуры колбы, которые могут стать причиной ее разрушения.
При установке следует держать лампу за цоколь, а при случайном соприкосновении с колбой тщательно протереть колбу тканью (например, из микроволокна), не оставляющей волокон.
Замена лампы дальнего/ближнего света
Открываем капот и отсоединяем минусовую клемму аккумулятора.
Снимаем резиновую заглушку лампы дальнего/ближнего света.
Отсоединяем колодку проводов от выводов лампы
Выводим из зацепления к крючками пружинный держатель лампы
Извлекаем лампу
Устанавливаем новую лампу в обратном порядке
Замена лампы габаритного света
Открываем капот и отсоединяем минусовую клемму от аккумулятора.
Снимаем резиновую крышку лампы
Извлекаем патрон вместе с лампой из корпуса и вынимаем лампу
Устанавливаем новую лампу в обратном порядке.
Замена лампы дневного ходового огня
Отсоединяем минусовую клемму аккумулятора. Нажимаем на фиксатор колодки проводов и отсоединяем колодку от патрона лампы.
Поворачиваем патрон лампы дневного ходового огня против часовой стрелки и вынимаем ее из патрона.
Вставляем в патрон новую лампу и устанавливаем патрон на место.
Замена лампы переднего указателя поворота
Поворачиваем против часовой стрелки патрон лампы
Извлекаем патрон из блок-фары
Немного утопите лампу в патрон, поверните против часовой стрелки и выньте ее из патрона
Устанавливаем лампу в обратном порядке.
Замена лампы противотуманной фары
Снимаем соответствующий подкрылок (статья – Снятие и установка подкрылков и бампера ГАЗель Некст)
Отжимаем фиксатор крепления колодки проводов и отсоединяем колодку от лампы противотуманной фары.
Поворачиваем лампу против часовой стрелки
Вынимаем ее из отражателя
Нельзя касаться пальцами колбы лампы
Устанавливаем новую лампу в обратном порядке
Замена лампы в повторителе поворотов
Выкручиваем винт крепления рассеивателя
Снимаем рассеиватель
Немного утапливаем лампу, поворачиваем против часовой стрелки и вынимаем лампу
Вставляем новую лампу в патрон
Устанавливаем рассеиватель.
Замена ламп в заднем фонаре
Выкручиваем четыре винта крепления рассеивателя заднего фонаря
Снимаем рассеиватель
Немного утапливаем лампу в патрон, поворачиваем против часовой стрелки и вынимаем лампу из патрона.
Устанавливаем лампы и рассеиватель.
Замена ламп освещения номерного знака
Если фонари установлены в противоподкатном брусе рамы:
Выкручиваем винт крепления рассеивателя
Снимаем рассеиватель
Нажав на лампу, поворачиваем ее против часовой стрелки и извлекаем лампу
Устанавливаем лампу в обратном порядке
Если фонари установлены на задней поперечине платформы кузова:
Поддеваем отверткой
Извлекаем фонарь освещения номерного знака
Сдвигаем с фланца фонаря резиновый колпак
Отсоединяем колодки с проводами от клемм фонаря
Отжимаем пружинный контакт и извлекаем лампу
Устанавливаем лампу в обратном порядке.
Замена лампы плафона освещения кабины
Поддеваем край рассеивателя плафона
Откидываем рассеиватель на шарнире
Отжимаем пружинный контакт и вынимаем лампу
Устанавливаем лампу в обратном порядке
Замена лампы выключателя аварийной сигнализации
Выкручиваем два винта в углублениях нижней части кожуха
Тянем вверх
Снимаем верхнюю часть кожуха
Отжимаем фиксатор
Снимаем кнопку выключателя
Вытягиваем из патрона бесцокольную лампу
Устанавливаем лампу в обратном порядке
Лампы, применяемые на автомобиле:
|
Наименование |
Тип |
Мощность, Вт |
|
Фары |
||
|
Ближний/дальний свет |
H4 |
55/60 |
|
Габаритные огни |
W5W |
5 |
|
Указатели поворота |
PY21W |
21 |
|
Дневной ходовой огонь |
PY21W |
21 |
|
Противотуманная фара |
H11 |
55 |
|
Боковой указатель поворота |
PY21W |
21 |
|
Плафон освещения кабины |
C10W |
10 |
|
Задние фонари |
||
|
Указатель поворота |
PY21W |
21 |
|
Габаритные огни |
R5W |
5 |
|
Стоп-сигнал |
PY21W |
21 |
|
Противотуманный свет |
PY21W |
21 |
|
Свет заднего хода |
PY21W |
21 |
|
Контрольная лампа выключателя аварийной сигнализации |
А12-1,2 |
1,2 |
|
Фонари освещения номерного знака |
W5W |
5 |
|
Освещение прикуривателя и розетки |
А12-1,2 |
1,2 |














