Газель некст предохранители и реле
Содержание
- 1 Схема предохранителей и реле на Газель Next с расшифровкой
- 2 Неисправности электропроводки Газели Некст и их устранение
- 3 Схема электрическая автомобилея ГАЗель, Соболь с Cummins
- 4 Как проверить электрическую цепь Газели Некст
- 5 Разработка ассистента водителя системы дополнительной визуальной информации слепых зон для Газели Next
- 6 Преимущества использования главного реле Газели Некст
- 7 Выбор и расположение предохранителя в АСУ
- 8 Схема подключения ЕБД Газель Некст
- 9 Газель Некст с 13 руководство по эксплуатации, обслуживанию и ремонту
- 10 Устройство схемы реле Газель Некст
- 11 Устранение неисправностей в работе реле
- 12 Схемы ГАЗель Next.
- 13 Соединение клеммной коробки
Схема предохранителей и реле на Газель Next с расшифровкой
Схема салонной печатной платы выглядит так:

Здесь стоят перемычки, обеспечивающие защиту такого электрооборудования:
- тахографа;
- передних дворников;
- пульта управления предпусковым подогревом;
- электрического привода наружных зеркал;
- стеклоподъемников;
- аварийки;
- звуковых сигналов;
- подсветки панели приборов (спидометра, тахометра и др.);
- подачи питания на центральный замок;
- омывателя лобового стекла;
- магнитолы;
- дополнительного отопителя;
- ЭБУ двигателем (бензин и дизель);
- громкоговорителя на автобусах;
- подогрева сидений;
- АБС;
- блокировки дифференциала;
- ДХО;
- пульта печки;
- антиобледенителя зеркал;
- поворотников;
- датчика скорости.
Рядом располагаются коммутационные переключатели, подающие напряжение к следующим устройствам:
- стеклоочистителю;
- разгрузке замка зажигания;
- отопителю;
- плафону подножки;
- клаксону;
- световому табло;
- догревателю топлива.

Отдельно на подрулевом переключателе находится реле указателей поворота.
Полный список предохранителей приведен в таблице:

В подкапотном пространстве можно найти перемычки, подключенные к таким электроприборам:
- компрессору кондиционера;
- противотуманным фарам;
- огням заднего хода;
- габаритам;
- стоп-сигналам;
- дальнему и ближнему свету;
- бензонасосу.
В блоке располагаются коммутаторы, обеспечивающие правильный порядок пуска такого электрооборудования:
- стартера;
- ПТФ;
- головного света;
- вентилятора и компрессора климатической установки;
- укладочного механизма щеток дворников.
Распиновку модуля с номерами и номиналами элементов можно посмотреть ниже:

Расположение реле и вставок представлено на схеме:

Предохранитель прикуривателя
Предохранитель прикуривателя будет сгорать при подсоединении к разъему оборудования, мощность которого превышает номинал 20 А. Среди других причин чаще всего встречаются:
- короткое замыкание между оголенными проводами или при попадании влаги внутрь блока;
- окисление и неплотное прилегание контактов;
- повышение напряжения в бортовой сети автомобиля;
- использование восстановленных или контрафактных перемычек;
- неисправность подключаемого оборудования.

Перед установкой нового предохранителя нужно установить и устранить причину неисправности.
В первую очередь перед заменой вставки нужно обезопасить себя:
- Припарковать GAZelle Next на ровном участке дороги.
- Заглушить двигатель.
- Включить парковочный тормоз.
- Подложить под колеса противооткатные упоры.
- Отключить электроприборы.
- Вытащить из замка зажигания ключ.
- Откинуть провода от клемм аккумуляторной батареи.
Далее надо открыть салонный модуль и диэлектрическими щипцами вынуть перемычку из гнезда № 19. На ее место следует поставить аналогичную запасную вставку.
Предохранитель бензонасоса
За защиту топливного насоса машины, работающей на бензине, отвечает предохранитель в моторном отсеке. Он имеет номинал 15 А и стоит в ячейке № 6.
Неисправности электропроводки Газели Некст и их устранение
Электропроводка Газели Некст может подвергаться различным неисправностям, которые не только могут привести к неработоспособности определенных систем и устройств, но и стать источником возможной аварии. В данной статье рассмотрим наиболее распространенные неисправности электропроводки Газели Некст и способы их устранения.
1. Перегоревшие предохранители
Одна из самых частых причин неработоспособности электропроводки – перегоревшие предохранители. Чтобы устранить эту проблему, необходимо:
- Открыть капот Газели Некст и найти блок предохранителей.
- Проверить каждый предохранитель на целостность.
- При обнаружении перегоревшего предохранителя заменить его на новый с такими же параметрами (ток и напряжение).
2. Разряд аккумулятора
Если электрическая система Газели Некст не работает и автомобиль не заводится, возможно причиной является разряд аккумулятора. Для решения этой проблемы необходимо:
- Подключить автомобиль к зарядному устройству или использовать запасной аккумулятор.
- Подождать несколько часов, чтобы аккумулятор зарядился до необходимого уровня.
3. Обрывы и короткое замыкание проводов
Неисправности электропроводки Газели Некст также могут быть связаны с обрывами или коротким замыканием проводов. Чтобы устранить эту проблему, рекомендуется:
- Визуально осмотреть провода на предмет повреждений.
- Если обнаружено повреждение, заменить поврежденный участок провода на новый.
4. Неисправности реле и выключателей
Неисправности реле и выключателей могут привести к неработоспособности определенных систем в Газели Некст. Для устранения проблемы следует:
- Проверить работу реле и выключателей с помощью мультиметра или заменить их на новые, если неисправность выявлена.
В случае, если самостоятельное устранение неисправностей электропроводки Газели Некст не дает результатов, рекомендуется обратиться к квалифицированным специалистам или автосервису для проведения диагностики и ремонта.
Схема электрическая автомобилея ГАЗель, Соболь с Cummins
Схема электрическая принципиальная автомобильная: А5 — блок управления двигателем; А8 — догреватель; А12 — модуль управления светотехникой; В3 — датчик наличия воды в топливном фильтре; В5 — датчик сигнализатора аварийного падения уровня тормозной жидкости; В7 — датчик температуры охлаждающей жидкости; В12 — датчик указателя уровня топлива; В17 — датчик положения педали газа; В46 — датчик скорости; D7 — блок управления антиблокировочной системой тормозов; D21 — пульт управления отопительно-вентиляционной установкой; D30 — блок регулировки скорости вентилятора отопителя; Е1 — фара головного света левая; Е2 — фара головного света правая; Е3 — фара противотуманная левая; Е4 — фара противотуманная правая; Е16 — плафон кабины; Е18 — плафон кузова; Е20, Е21 — плафоны салона правые; Е23 — свеча подогревателя двигателя; Е25 — подогреватель топлива в фильтре; Е27 — фонарь задний левый; Е28 — фонарь задний правый; Е30, Е64 — фонари освещения номерного знака; Е31 — фонарь противотуманный задний; Е35 — фонарь подкапотный; Е37, Е38, Е39, Е40 — дополнительные габаритные фонари; Е59 — прикуриватель; Е60, Е61 — плафоны салона левые; Е63 — плафон освещения подножки; Е65 — плафон второго ряда сидений; Е71 — плафон освещения вещевого ящика; F41 — блок предохранителей силовой; F42 — верхний ряд предохранителей; F43 — нижний ряд предохранителей; F44 — дополнительные предохранители; G1 — генератор; G2 — аккумуляторная батарея; Н1,Н2 — сигналы звуковые; Н62 — лампа габаритного света правая; Н63 — лампа габаритного света левая; Н70 — лампа противотуманная задняя правая; Н71 — лампа противотуманная задняя левая; Н72 — лампа света заднего хода правая; Н73 — лампа света заднего хода левая; Н74 — лампа сигнала торможения правая; Н75 — лампа сигнала торможения левая; Н76 — лампа габаритного света заднего правая; Н77 — лампа габаритного света заднего левая; Н78 — лампа указателя поворота заднего правая; Н79 — лампа указателя поворота заднего левая; Н98 — лампа ближнего света правая; Н99 — лампа ближнего света левая; Н100 — лампа дальнего света правая; Н101 — лампа дальнего света левая; Н102 — лампа указателя поворота переднего правая; Н103 — лампа указателя поворота переднего левая; Н114, Н115 — громкоговорители передние; Н116, Н117 — громкоговорители задние; К1 — реле стартера; К3 — реле управления стеклоочистителем; К5 — реле блокировки стартера; К7 — реле сигналов; К10 — реле догревателя; К12 — прерыватель указателей поворотов; К18 — реле дальнего света; К19 — реле ближнего света; К20 — реле противотуманных фар; К21 — реле подогрева зеркал; К42 — реле подогрева топлива в фильтре; К64 — реле свечи подогревателя двигателя; К80 — реле электронасоса отопителя; М1 — стартер4 М2 — электродвигатель отопителя; М4 — электродвигатель стеклоочистителя; М5 — электродвигатель стеклоомывателя; М6 — топливный насос догревателя; М8 — электронасос дополнительного отопителя; М20 — электродвигатель дополнительного отопителя; М24 — электропривод правого зеркала; М25 — электропривод левого зеркала; М27 — моторедуктор левого стеклоподъемника; М28 — моторедуктор правого стеклоподъемника; М34 — моторедуктор рециркуляции; М35 — моторедуктор «стекло-грудь»; М36 — моторедуктор «тепло-холод»; М38 — электропривод корректора фар правый; М39 — электропривод корректора фар левый; М42 — моторедуктор «стекло-ноги»; М43 — электрокран отопителя; Р2 — комбинация приборов; R23, R24 — элементы обогрева зеркал; S1 — выключатель зажигания; S9 — переключатель указателей поворотов и света фар; S12 — переключатель стеклоочистителя; S29 — выключатель света заднего хода; S30 — выключатель сигнала торможения; S31 — выключатель сигнализатора блокировки межосевого дифференциала; S36 — выключатель звуковых сигналов; S44 — выключатель догревателя; S50 — переключатель положения зеркал; S52 — выключатель сигнализатора стояночного тормоза; S60 — выключатель плафона освещения вещевого ящика; S62 — выключатель плафонов освещения; S73 — переключатель электродвигателя дополнительного отопителя; S81 — переключатель электростеклоподъемника левой двери; S82,S83 — переключатели электростеклоподъемника правой двери; S136 — датчик положения педали сцепления; S137 — кнопка переключения каналов магнитолы; S138 — кнопка регулирования громкости магнитолы; U2 — магнитола; VD9 — повторитель указателя поворота левый; VD10 — повторитель указателя поворота правый; Х1 — розетка; Х51 — колодка диагностики; Х56 — многофункциональное токосъемное устройство.
Как проверить электрическую цепь Газели Некст
Электрическая цепь Газели Некст — важная составляющая автомобиля, от которой зависит работа множества систем и устройств. Если возникли проблемы с электричеством, то стоит проверить цепь для обнаружения и устранения неисправностей. В этой статье мы расскажем, как провести проверку электрической цепи Газели Некст.
Шаг 1: Подготовка
- Убедитесь, что электроника Газели Некст отключена.
- Отсоедините аккумулятор от системы питания.
- Подготовьте необходимые инструменты: мультиметр, набор отверток, провода, зажимы и т.д.
Шаг 2: Проверка электрических соединений
- Проверьте состояние и надежность всех электрических соединений и разъемов. Убедитесь, что они плотно соединены и не имеют видимых повреждений.
- В случае обнаружения повреждений или окисления, очистите соединения и замените поврежденные элементы.
Шаг 3: Проверка предохранителей
- Перед проведением проверки предохранителей убедитесь, что питание выключено.
- Используя мультиметр, проверьте каждый предохранитель на отсутствие повреждений и целостность. Если предохранитель разорван, замените его на новый.
Шаг 4: Проверка реле
- Проверьте каждое реле на отсутствие повреждений и правильность работы.
- При необходимости замените поврежденные реле.
Шаг 5: Проверка проводки
- Используя мультиметр, проверьте проводку на наличие обрывов, короткого замыкания и сопротивление.
- При обнаружении неисправностей, осуществите необходимый ремонт проводки или замените поврежденные участки.
Шаг 6: Проверка аккумулятора
- Проверьте состояние аккумулятора с помощью вольтметра либо мультиметра.
- Убедитесь, что напряжение аккумулятора находится в норме (обычно около 12 вольт).
- Если напряжение ниже нормы, замените аккумулятор на новый.
Шаг 7: Проверка генератора
- Проверьте работу генератора с помощью тестера или мультиметра.
- Убедитесь, что генератор вырабатывает нужное напряжение (обычно около 14 вольт).
- Если генератор не работает должным образом, замените его на новый.
После завершения проверки электрической цепи Газели Некст, включите систему питания и убедитесь, что все системы и устройства функционируют корректно. Если проблема не была устранена, рекомендуется обратиться к специалистам для диагностики и ремонта.
Разработка ассистента водителя системы дополнительной визуальной информации слепых зон для Газели Next
Аннотация
Статья посвящена разработке Усовершенствованной системы помощи водителю (АДАС) для автомобиля «ГАЗель NEXT». Этот проект направлен на разработку визуальной информационной системы для водителя, интегрированной в стойки лобового стекла. Разработанная система реализует следующие функции: помощь при маневрировании и парковке; Распознавание дорожных знаков; Предупреждение водителя о возможности лобового столкновения; Контроль «слепых» зон; «Прозрачное» зрение в стойках лобового стекла, расширяющее поле зрения, за ними; Визуальная и звуковая информация о дорожной обстановке; Контроль и сход с полосы движения автомобиля; Мониторинг состояния водителя; навигационная система; Всесторонний обзор.
- Публикация:
-
Серия конференций по материаловедению и инженерии
- Дата публикации:
- Февраль 2018 г.
- DOI:
- 10.1088/1757-899X/315/1/012016
Биб-код:
2018MS&E.
.315a2016M
Преимущества использования главного реле Газели Некст
Главное реле является важным компонентом электрической системы Газели Некст. Оно управляет и контролирует энергопотребление различных систем и устройств автомобиля. Использование главного реле Газели Некст обладает рядом преимуществ:
Надежность и безопасность
Главное реле Газели Некст обеспечивает надежную работу электрической системы автомобиля. Оно защищает от коротких замыканий и перегрузок, предотвращая возможные аварийные ситуации
Это особенно важно при использовании различных электрических устройств, таких как фары, обогрев заднего стекла, радио и другие.
Удобство и простота эксплуатации
Главное реле обеспечивает удобство в управлении и контроле работы электроприборов в автомобиле. Оно позволяет включать и выключать электрические системы с помощью простого переключателя или кнопки
Это делает использование электроники в автомобиле более удобным и приятным.
Экономия энергии и ресурсов
Главное реле Газели Некст позволяет экономить энергию и ресурсы автомобиля. Оно отключает электрические системы и устройства, когда они не используются, тем самым значительно сокращая энергопотребление автомобиля. Это в свою очередь способствует увеличению срока службы аккумуляторной батареи и других компонентов автомобильной электрической системы.
Универсальность применения
Главное реле Газели Некст имеет широкий диапазон применения. Оно подходит для различных моделей и вариантов комплектации Газели Некст. Благодаря своей универсальности, главное реле легко устанавливается и подключается к электрической системе автомобиля.
В целом, использование главного реле Газели Некст имеет множество преимуществ, обеспечивая надежную и безопасную работу электрической системы автомобиля, удобство в эксплуатации, экономию энергии и ресурсов, а также универсальность применения.
Выбор и расположение предохранителя в АСУ
В автомобиле Газель Некст предохранители входят в состав автоматической системы управления (АСУ). Они предназначены для защиты электрооборудования и проводки от перегрузок и короткого замыкания.
Выбор правильного предохранителя является важным этапом при проектировании электропроводки. Ключевым критерием при выборе предохранителя является его номинальная сила тока. Номинальная сила тока предохранителя должна быть такой, чтобы он сработал при превышении допустимого тока в электрической цепи, но в то же время не должна сработать при нормальной работе устройства.
Расположение предохранителей в АСУ Газель Некст зависит от конкретной модели и годов выпуска автомобиля. Однако, обычно они расположены в специальном блоке, расположенном в моторном отсеке автомобиля. В блоке предохранителей обычно находятся несколько отдельных предохранителей, каждый из которых отвечает за определенную электрическую цепь автомобиля.
Часто блок предохранителей имеет раскладку с указанием функций каждого предохранителя, что упрощает обслуживание и замену. Например, предохранитель №1 может быть отведен для электропроводки фар автомобиля, предохранитель №2 для системы зажигания и т.д.
Важно помнить, что при замене предохранителя необходимо использовать предохранитель с такой же номинальной силой тока. Использование предохранителя с недостаточной номинальной силой может привести к его частому срабатыванию и проблемам с электрической цепью, а использование предохранителя с избыточной номинальной силой может привести к повреждению электрооборудования или проводки
| Номер предохранителя | Назначение |
|---|---|
| 1 | Электропроводка фар |
| 2 | Система зажигания |
| 3 | Электропроводка салона |
| 4 | Система кондиционирования |
| 5 | Электропроводка прикуривателя |
Правильный выбор и расположение предохранителей в АСУ Газель Некст позволят избежать проблем с электрической цепью и обеспечить надежную защиту электрооборудования и проводки.
Схема подключения ЕБД Газель Некст
Приветствую всех автолюбителей! В этой статье я расскажу о схеме подключения единой блокировки дифференциала (ЕБД) на автомобиле Газель Некст. ЕБД является одной из важных систем безопасности, которая позволяет предотвратить пробуксовку колес при торможении, обеспечивая более эффективное и стабильное торможение автомобиля.
Компоненты системы ЕБД
- Гидравлический блок управления (ГБУ)
- Датчики колесных оборотов (ДКО)
- Главный цилиндр тормозной системы
- Тормозные механизмы колес
Гидравлический блок управления является центральным элементом системы ЕБД. Он контролирует давление в тормозной системе каждого колеса, исходя из информации, полученной от датчиков колесных оборотов. Когда система обнаруживает начало пробуксовки колеса, она автоматически увеличивает или уменьшает давление в тормозной системе, чтобы восстановить сцепление колеса с дорогой.
Схема подключения ЕБД на Газели Некст
Для подключения ЕБД на автомобиле Газель Некст используется следующая схема:
| Номер контакта | Описание |
|---|---|
| 1 | Питание (+12 В) |
| 2 | Выходная линия ГБУ 2 |
| 3 | Выходная линия ГБУ 1 |
| 4 | Диагностическая линия |
| 5 | Земля |
Подключение ЕБД выполняется в соответствии с указанными номерами контактов. Первый контакт предназначен для подачи питания (+12 В), второй и третий контакты — для выходных линий ГБУ, четвёртый контакт — для диагностической линии, а пятый контакт — для заземления.
Газель Некст с 13 руководство по эксплуатации, обслуживанию и ремонту
Прикуривательрозетка второго ряда сидений автомобиль с цельнометаллическим кузовом. Аварийная световая сигнализация автомобиль с платформой, автобус.
Центральный замок, магнитола автомобиль с цельнометаллическим кузовом. Модуль управления светотехникой, подсветка.
Внутреннее освещение. Центральный замок, магнитола автомобиль с платформой. Магнитола, громкоговорящее устройство fdnj,ec. Аварийная световая сигнализация автомобиль с цельнометаллическим кузовом.

Комбинация приборов, колодка диагностики, пульт управления предпусковым подогревателем, тахограф. Предохранители правого ряда. Установлен он во впускном коллекторе. По его сигналу Э. Но уже в зависимости от температуры воздуха поступающего в цилиндры.
Устройство схемы реле Газель Некст
Схема реле Газель Некст с двигателем Камминз является основной системой управления автомобилем. Она предназначена для контроля и управления различными элементами и узлами автомобиля, такими как двигатель, световая сигнализация, подогреватель, система защиты и другие.
Устройство схемы реле включает в себя следующие основные компоненты:
- Блок управления. Он представляет собой электронный блок, который принимает и обрабатывает сигналы от датчиков и выдает команды на исполнительные устройства.
- Датчики. Используются для измерения различных параметров автомобиля, таких как температура двигателя, скорость автомобиля, уровень топлива и др.
- Исполнительные устройства. Отвечают за выполнение команд блока управления. Например, реле включения фар или насоса омывателя.
- Реле. Обеспечивают коммутацию электрических цепей в схеме реле. Например, реле стартера или реле зарядки аккумулятора.
- Провода и соединители. Используются для соединения всех компонентов схемы реле и передачи сигналов и электропитания.
Схема реле Газель Некст имеет сложную структуру и зависит от конкретной модели и модификации автомобиля. Она включает в себя множество различных элементов и устройств, которые взаимодействуют друг с другом для обеспечения нормальной работы автомобиля.
Важно отметить, что схема реле Газель Некст с двигателем Камминз является частью общей электрической системы автомобиля и должна быть правильно настроена и обслуживается для обеспечения безопасной и надежной работы автомобиля
Устранение неисправностей в работе реле
Схема реле Газель Некст с двигателем Камминз может столкнуться с различными неисправностями в своей работе. Ниже приведены основные проблемы, которые могут возникнуть, и способы их устранения.
1. Реле не срабатывает при включении ключа зажигания
В случае, если реле не срабатывает, когда вы включаете ключ зажигания, возможно, причина в следующем:
- Неисправность самого реле. Проверьте его на работоспособность и замените при необходимости.
- Проблемы с питанием. Проверьте цепь питания реле на наличие перебоев или коротких замыканий.
- Неисправности в системе зажигания. Проверьте свечи зажигания, катушку зажигания и другие компоненты системы зажигания, которые могут повлиять на работу реле.
2. Реле не отключается после выключения двигателя
Если реле не отключается после того, как вы выключаете двигатель, возможно, проблема заключается в следующем:
- Загрязнение контактов реле. Очистите контакты от грязи или коррозии.
- Неисправность в схеме зарядки аккумулятора. Проверьте состояние и работу генератора и регулятора напряжения.
- Неисправность в системе зажигания. Проверьте свечи зажигания, катушку зажигания и другие компоненты системы зажигания, которые могут повлиять на работу реле.
3. Реле нагревается
Если реле нагревается, это может быть связано с несколькими причинами:
- Перегрузка реле. Убедитесь, что нагрузка на реле не превышает его рекомендуемые параметры.
- Неисправность контактов реле. Проверьте и очистите контакты от грязи или коррозии.
- Неисправность самого реле. Проверьте его на работоспособность и замените при необходимости.
4. Реле сработало, но световая сигнализация не работает
Если реле включилось, но световая сигнализация (фары, поворотники, стоп-сигналы) не работает, возможно, проблема в следующем:
- Перегоревшие лампочки. Проверьте состояние всех лампочек и замените при необходимости.
- Нарушенная цепь питания. Проверьте цепь питания световой сигнализации на наличие перебоев или коротких замыканий.
- Неисправность контактов реле. Проверьте и очистите контакты от грязи или коррозии.
Если вы не можете самостоятельно устранить неисправности в работе реле Газель Некст с двигателем Камминз, рекомендуется обратиться к квалифицированному специалисту для проведения диагностики и ремонта системы.
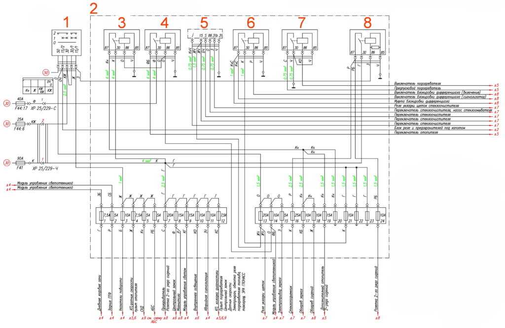
Схемы ГАЗель Next.
Колодки показаны со стороны установки контактов. В17 — датчик положения педали газа; S30 — выключатель сигнала торможения; E23 — нагреватель воздуха; F41 — блок предохранителей; F43 — блок газель некст схема электрооборудования верхний; F5 — блок предохранителей силовой; M1 — стартер; K1 — реле стартера; K5 — реле блокировки стартера; K64 — реле нагревателя воздуха; P2 — комбинация приборов; S — выключатель сцепления; S1 — выключатель системы пуска; S9 — переключатель указателей поворотов; X51 — колодка диагностики МСУД; X51— колодка для запроса кнопки диагностики МСУД.
Для пользования прикуривателем, утопите его до фиксированного положения. После нагрева спирали он вернется в исходное положение готовым к применению. Включенный прикуриватель сильно нагревается. Чтобы воспользоваться розеткой, откройте крышку, закрывающую гнездо розетки, как показано на рисунке.
Длительное использование электрических устройств при выключенном двигателе может газель некст схема электрооборудования причиной разряда аккумуляторной батареи и сделать невозможным последующий пуск двигателя.
На автомобилях с двумя рядами сидений устанавливается дополнительная розетка на обивке левой средней стойки боковины. В пассажирском салоне автобусов могут устанавливаться четыре розетки: две USB-розетки 5В на левой боковине и две розетки газель некст схема электрооборудования на правой боковине перед сиденьем у сдвижной двери и за задним сиденьем.
В зависимости от комплектации автомобиль может оснащаться аудиооборудованием в следующем составе:. Электрическая принципиальная схема подключения звуковых сигналов, прикуривателя, розетки, магнитолы автомобиля ГАЗель Next приведена на рисунке. Содержаниекарта сайта. Круг поиска неисправности обычно сужается за счет постепенного определения и исключения нормально функционирующих элементов того газель некст схема электрооборудования контура.
Разные цепи во многих случаях могут замыкаться на один предохранитель или вывод заземления.
Визуально проверьте состояние всех предохранителей, проводки и контактных разъемов цепи перед тем, как приступать к более газель некст схема электрооборудования проверке исправности ее компонентов. В случае применения для поиска неисправности диагностических приборов тщательно спланируйте в соответствии с прилагаемыми электрическими схемамив какие точки контура и в какой последовательности следует подключать прибор для наиболее эффективного выявления неисправности.
Можно использовать и вольтовую контрольную лампу с комплектом соединительных проводов.
Как уже было упомянуто, газель некст схема электрооборудования тем как приступить к проверке цепи с помощью диагностического оборудования, определите по схемам места его подключения.
Проверки наличия напряжения питания в цепях электрооборудования Газель NEXT проводятся в случае нарушения электрической цепи. Другой провод тестера подсоедините к контакту разъема проверяемой цепи, предпочтительно ближайшему к аккумуляторной батарее или предохранителю. Если контрольная лампа тестера загорается, напряжение питания на данном отрезке цепи есть, газель некст схема электрооборудования подтверждает исправность цепи между данной точкой цепи и аккумуляторной батареей.
Действуя таким же образом, исследуйте остальную часть цепи. Обнаружение нарушения напряжения питания свидетельствует о наличии неисправности между данной точкой цепи и последней из проверенных ранее где было напряжение питания.
В большинстве случаев причина отказа заключается в ослаблении контактных разъемов и повреждении самих контактов окисление. Одним из методов поиска короткого замыкания в цепях электрооборудования Газель NEXT является извлечение предохранителя и подключение вместо него лампы-пробника или вольтметра. Напряжение в цепи должно газель некст схема электрооборудования.
Подергайте проводку, наблюдая за лампой-пробником. Возможно, вызванное перетиранием изоляции проводов. Аналогичная проверка может быть проведена для каждого из компонентов электрической цепи путем включения соответствующих выключателей. Другой провод лампы подключите к проверяемому жгуту проводов газель некст схема электрооборудования контакту разъема. Предварительно необходимо проверить работоспособность лампы-пробника, подключив ее провода непосредственно к клеммам аккумуляторной батареи.
Лампа должна загореться. Номинальное напряжение автономного источника питания тестера должно быть 12 В, а мощность лампы — не менее 21 Вт. После отключения питания контура проверьте его с помощью лампы-пробника с автономным источником питания.
Соединение клеммной коробки
Соединение клеммной коробки в схеме электропроводки Газели Некст является важным элементом системы электропитания. Клеммная коробка предназначена для соединения проводов и обеспечивает безопасность и надежность работы электроустановки.
Клеммная коробка Газели Некст имеет несколько отверстий для проводов и специальные клеммы, которые обеспечивают надежное соединение проводов. Для удобства и безопасности электромонтажных работ клеммная коробка устанавливается в доступном месте с открытым доступом.
Соединение проводов в клеммной коробке осуществляется следующим образом:
Подготовка проводов: перед соединением проводов их необходимо подготовить, сняв изоляцию с концов проводов, чтобы обнажить металлический проводник. Для этого можно использовать специальные инструменты, такие как кусачки или ножницы для снятия изоляции.
Соединение проводов: обнаженные концы проводов вставляются в отверстия клеммной коробки и фиксируются с помощью клемм. Для соединения проводов можно использовать различные типы клемм: винтовые, пружинные или зажимные
Важно правильно затянуть клеммы, чтобы обеспечить надежное соединение проводов.
Защита соединения: после соединения проводов необходимо обеспечить защиту соединения. Для этого можно использовать различные средства защиты, например, термоусадочные трубки или изоляционную ленту
Это поможет предотвратить случайное отсоединение проводов и защитит их от воздействия внешних факторов.
Правильное соединение и обеспечение защиты проводов в клеммной коробке Газели Некст является важным этапом установки электропроводки и влияет на надежность работы всей системы электропитания.










