Предохранители и реле применяемые в нексии
Содержание
- 1 Подбор необходимых материалов
- 2 История Daewoo Nexia
- 3 История Daewoo Nexia
- 4 Предохранители и реле Дэу Нексия N100
- 5 История Daewoo Nexia
- 6 Автомобиль DAEWOO NEXIA
- 7 Текст видео
- 8 Электросхемы Daewoo Nexia — DRIVE2
- 9 Проблемы с электростеклоподъемниками
- 10 Электросхемы Daewoo Nexia — DRIVE2
- 11 Оплаченные ссылки
- 12 Блок предохранителей Нексия
- 13 Электрические схемы Дэу Нексия N100 и N150
- 14 Проблемы с электростеклоподъемниками
- 15 Замена личинки замка зажигания
- 16 Электросхема дэу нексия 8 клапанов
- 17 Электрические схемы Дэу Нексия N100 и N150
Подбор необходимых материалов
Правильный подбор необходимых материалов при проведении электропроводки в автомобиле Дэу Нексия является одним из важных этапов работы. От качества материалов будет зависеть как надежность и безопасность проводимых работ, так и долговечность системы электропроводки в будущем.
Для проведения электропроводки вам понадобятся следующие материалы:
- Кабель: Необходимо выбрать кабель необходимых сечений, учитывая энергопотребление различных приборов. Для прокладки электропроводки в автомобиле Дэу Нексия рекомендуется использовать провода с сечением от 0,5 до 2,5 кв.мм.
- Разъемы и соединители: Для соединения проводов между собой и подключения приборов необходимо выбрать соответствующие разъемы и соединители. Рекомендуется использовать качественные и надежные соединители, чтобы исключить возможность их окисления и выхода из строя.
- Защитные элементы: Для обеспечения безопасности и защиты электрической проводки от короткого замыкания или перегрузки необходимо использовать защитные элементы, такие как предохранители или автоматические выключатели.
- Изоляционная лента и термоусадочные трубки: Для обеспечения надежной изоляции проводов следует использовать изоляционную ленту или термоусадочные трубки. Они помогут предотвратить возможное короткое замыкание и обеспечить долговечность проводки.
- Инструменты: Для проведения работ по электропроводке потребуется набор инструментов, включающий кусачки, отвертки, пассатижи и другие необходимые инструменты.
При подборе необходимых материалов рекомендуется обращать внимание на их качество и проверять соответствие требованиям автомобиля Дэу Нексия. Лучше приобретать материалы у надежных поставщиков, чтобы быть уверенным в их надежности и качестве
В случае сомнений, лучше проконсультироваться с опытными специалистами или обратиться в автосервис.
История Daewoo Nexia
В истории автомобиля Дэу Нексия было всего два поколения: Nexia 1 (N100) и Nexia 2 (N150). Первое поколение автомашины выпускали с 1994 по 2008 годы, а второе после небольшого рестайлинга салона с кузовом и полной замены двигателя на моторы с машин Chevrolet Lanos и Lacetti выпускают с 2008 и по сей день. Сегодня мы остановимся на автомобиле Daewoo Nexia N100, немного опишем его характеристики и дадим все электросхемы оборудования.
Базой создания Дэу Нексия послужил Opel Kadett, что выпускался в 1984?1991 годах. Как видите, разработана Нексия была немецким концерном Opel. Далее южнокорейская компания Daewoo модернизировала автомобиль и выпустила именно это чудо-авто, которое из-за дешевизны производится после рестайлинга и по сей день. Сборка машины велась на территории Узбекистана — Асака.
Авто делали в кузове как седан, так и хэтчбек (3-х-дверный и 5-ти-дверный). Двигатели предлагались только бензиновые на выбор:
- G15MF — 1498 см3 (75 л.с.)
- A15MF — 1498 см3 (85 л.с.)
- F16D3 — 1597 см3 (109 л.с.)
- A15SMS — 1498 см3 (80 л.с.)
Трансмиссия: 5-ступенчатая механика или 3-х-ступенчатая автоматическая.
Видео — краш-тест Daewoo Nexia:
Это наверняка самый жесткий краш-тест… машина опозорилась по уровню безопасности на все 100 %.
История Daewoo Nexia
В истории автомобиля Дэу Нексия было всего два поколения: Nexia 1 (N100) и Nexia 2 (N150). Первое поколение автомашины выпускали с 1994 по 2008 годы, а второе после небольшого рестайлинга салона с кузовом и полной замены двигателя на моторы с машин Chevrolet Lanos и Lacetti выпускают с 2008 и по сей день. Сегодня мы остановимся на автомобиле Daewoo Nexia N100, немного опишем его характеристики и дадим все электросхемы оборудования.
Базой создания Дэу Нексия послужил Opel Kadett, что выпускался в 1984?1991 годах. Как видите, разработана Нексия была немецким концерном Opel. Далее южнокорейская компания Daewoo модернизировала автомобиль и выпустила именно это чудо-авто, которое из-за дешевизны производится после рестайлинга и по сей день. Сборка машины велась на территории Узбекистана — Асака.
Авто делали в кузове как седан, так и хэтчбек (3-х-дверный и 5-ти-дверный). Двигатели предлагались только бензиновые на выбор:
- G15MF — 1498 см3 (75 л.с.)
- A15MF — 1498 см3 (85 л.с.)
- F16D3 — 1597 см3 (109 л.с.)
- A15SMS — 1498 см3 (80 л.с.)
Трансмиссия: 5-ступенчатая механика или 3-х-ступенчатая автоматическая.
Видео — краш-тест Daewoo Nexia:
Это наверняка самый жесткий краш-тест… машина опозорилась по уровню безопасности на все 100 %.
Предохранители и реле Дэу Нексия N100
Плавкие вставки, предохранители и реле включения электрооборудования автомобиля установлены в блоке, расположенном слева за панелью приборов.
| Цвет предохранителя | Максимальная сила тока, А | 
| Серый | 2 | 
| Светло-коричневый | 5 | 
| Коричневый | 7,5 | 
| Красный | 10 | 
| Светло-голубой | 15 | 
| Жёлтый | 20 | 
| Светло-зелёный | 30 | 
| Оранжевый | 40 | 
Часть блока предохранителей и реле, закрываемая крышкой панели приборов
| Реле и включаемые ими цепи | |
| № | Включаемые цепи | 
| 1 | Реле-прерыватель указателей поворота и аварийной сигнализации | 
| 2 | Электровентилятор системы охлаждения (высокая скорость) | 
| 3 | Топливный насос | 
| 4 | Противотуманные фары | 
| Предохранители и защищаемые ими цепи | |||
| № | Ток, A | Защищаемые цепи | |
| F1 | ЕСМ | 10 | Электронный блок управления двигателем | 
| F2 | ILLUMINATION | 10 | Габаритное освещение | 
| F3 | ЕСМ2 | — | Резерв | 
| F4 | HEAD LAMP H/BEAM | 20 | Дальний свет фар | 
| F5 | H/LAMP LH L/BEAM | 10 | Ближний свет и электрокорректор (левая фара) | 
| F6 | H/LAMP RH L/BEAM | 10 | Ближний свет и электрокорректор (правая фара) | 
| F7 | FUEL PUMP | 30 | Топливный насос, форсунки | 
| F8 | HAZARD LIGHT | 20 | Указатели поворота (аварийная сигнализация), сигналы торможения | 
| F9 | WIPER | 30 | Стеклоочиститель и стеклоомыватель | 
| F10 | FUEL DOOR | 10 | Электропривод замка крышки люка заливной горловины топливного бака | 
| F11 | AIRCON | 10 | Реле компрессора системы кондиционирования | 
| F12 | BLOWER MOTOR (LOW) | 30 | Электровентилятор системы охлаждения (низкая скорость) | 
| F13 | CLUSTER CIGAR CHIME | 20 | Щиток приборов, цифровые часы, прикуриватель, зуммер, фонари света заднего хода, генератор, обогрев заднего стекла | 
| F14 | HORN BLOWER MOTOR (HIGH) | 30 | Звуковой сигнал, электровентилятор системы охлаждения (высокая скорость) | 
| F15 | ROOM LAMP ANT | 20 | Плафоны освещения салона и багажного отделения, электропривод антенны | 
| F16 | POWER WINDOW | 30 | Электростеклоподъемники | 
| F17 | AUDIO (IGN) | 10 | Автомагнитола (питание от замка зажигания) | 
| F18 | AUTO TRUNK DOOR LOCK AUDIO (ВАТТ) | 30 | Автомагнитола (питание от аккумуляторной батареи), электрообогреватель заднего стекла, электропривод замка крышки багажного отделения, центральный замок | 
Нижняя часть блока предохранителей и реле
| Реле и включаемые ими цепи | |
| № | Включаемые цепи | 
| 5 | Электровентилятор климатической установки (максимальная скорость) | 
| 6 | Прерывистый режим стеклоочистителя | 
| 7 | Электрообогрев заднего стекла (с функцией автоматического отключения) | 
| 8 | Ближним свет фар (при включении ламп дальнего света) | 
| 9 | Звуковой сигнал | 
| 10 | Компрессор системы кондиционирования | 
| 11 | Электровентилятор системы охлаждения (малая скорость) | 
| 12 | Фары | 
| 13 | Наружное освещение | 
| 14 | Зуммер | 
| Предохранители и защищаемые ими цепи | ||
| № | Ток, А | Защищаемые цепи | 
| F19 | 30 | Электровентилятор климатической установки | 
| F20 | 30 | Противотуманные фары | 
Замена предохранителей и реле
Последовательность выполнения 1. Подготавливаем автомобиль к выполнению работы.
2. Снимаем крышку панели приборов.
3. По схеме, нанесенной на обратной стороне крышки, и таблицам (см. выше) находим предохранитель неисправной цепи и извлекаем его.
Неисправный предохранитель можно определить по перегоревшей нити.
4. Устанавливаем новый предохранитель соответствующего номинала.
5. Для замены реле извлекаем его из блока, предварительно определив неисправное по таблице (см. выше).
6. Устанавливаем на место крышку блока.
Информация актуальна для моделей Дэу Нексия 1994, 1993, 1994, 1995, 1996, 1997, 1998, 1999, 2000, 2001, 2002, 2003, 2004, 2005, 2006, 2007, 2008 года выпуска.
carpod.ru
История Daewoo Nexia
В истории автомобиля Дэу Нексия было всего два поколения: Nexia 1 (N100) и Nexia 2 (N150). Первое поколение автомашины выпускали с 1994 по 2008 годы, а второе после небольшого рестайлинга салона с кузовом и полной замены двигателя на моторы с машин Chevrolet Lanos и Lacetti выпускают с 2008 и по сей день. Сегодня мы остановимся на автомобиле Daewoo Nexia N100, немного опишем его характеристики и дадим все электросхемы оборудования.
Базой создания Дэу Нексия послужил Opel Kadett, что выпускался в 1984?1991 годах. Как видите, разработана Нексия была немецким концерном Opel. Далее южнокорейская компания Daewoo модернизировала автомобиль и выпустила именно это чудо-авто, которое из-за дешевизны производится после рестайлинга и по сей день. Сборка машины велась на территории Узбекистана — Асака.
Авто делали в кузове как седан, так и хэтчбек (3-х-дверный и 5-ти-дверный). Двигатели предлагались только бензиновые на выбор:
- G15MF — 1498 см3 (75 л.с.)
- A15MF — 1498 см3 (85 л.с.)
- F16D3 — 1597 см3 (109 л.с.)
- A15SMS — 1498 см3 (80 л.с.)
Трансмиссия: 5-ступенчатая механика или 3-х-ступенчатая автоматическая.
Видео — краш-тест Daewoo Nexia:
Это наверняка самый жесткий краш-тест… машина опозорилась по уровню безопасности на все 100 %.
Автомобиль DAEWOO NEXIA
			Схема электрических соединений приборов освещения передние фары, корректор света фар автомобиля DAEWOO NEXIA Е1 — лампа дальнего света левая фара ; Е2 — лампа ближнего света левая фара ; Е3 — лампа дальнего света правая фара ; Е4 — лампа ближнего света правая фара ; К3 — реле включения освещения; К4 — реле включения фар; М4 — электродвигатель корректора левой фары; М5 — электродвигатель корректора правой фары; R2 — блок управления корректора фар направление светового пучка ; S5 — правый выключатель; S6 — переключатель света фар.
			Как видите, разработана Нексия была немецким концерном Opel. Схема электрических соединений стеклоочистителей и стеклоомывателей ветрового стекла и заднего окна автомобиля DAEWOO NEXIA К11 — реле стеклоочистителя ветрового стекла; К12 — реле насоса стеклоомывателя автомобили с 3- и 5-дверным кузовом ; К13 — реле заднего стеклоочистителя автомобили с 3- и 5-дверным кузовом ; М6 — электродвигатель насоса стеклоомывателя; М7 — электродвигатель стеклоочистителя; М8 — электродвигатель стеклоомывателя автомобили с 3- и 5-дверным кузовом ; М9 — электродвигатель заднего стеклоочистителя автомобили с 3- и 5-дверным кузовом ; R4 — переключатель режимов работы стеклоочистителя; S24 — выключатель стеклоомывателя; S25 — выключатель стеклоочистителя; S — выключатель заднего стеклоочистителя автомобили с 3- и 5-дверным кузовом.
			Демонтаж уплотнений ветрового и заднего стекол  Схема электрических соединений фонарей указателей поворота и аварийной сигнализации автомобиля DAEWOO NEXIA Е24 — сигнальная лампа включения аварийной сигнализации; Е25 — лампа бокового указателя поворота левого ; Е26 — лампа указателя поворота заднего левого ; Е27 — лампа указателя поворота переднего левого ; Е28 — лампа указателя поворота переднего правого ; Е29 — лампа указателя поворота заднего правого ; Е30 — лампа бокового указателя поворота правого ; К8 — реле указателей поворота; S19 — выключатель аварийной сигнализации; S20 — выключатель указателей поворота.
			В том случае, если вовремя проводить обслуживание и проверку всех элементов на механическую целостность. После этого необходимо снять показания с тестера.
			Звуковой сигнал. Снятие и установка узлов системы кондиционирования воздуха  При подключении на экране тестера должны появиться значения — оптимальным показателем в данном случае является ток в районе мА, этот параметр зависит от количества потребителей напряжения, подключенных к АКБ. A15MF — см3 85 л.
Электрические схемы Дэу Нексия N100 и N150
Заднее стекло кузов седан Наиболее вероятная поломка — выход из строя клавиш управления или отсутствие контакта в блоке управления. A15SMS — см3 80 л. Система безопасности, включающая в себя подушки, датчики. Как видите, разработана Нексия была немецким концерном Opel.
Схема системы охлаждения Дэу Нексия и кондиционера :. Стекла дверей Система вентиляции, включающая в себя печку, кондиционер. Базой создания Дэу Нексия послужил Opel Kadett, что выпускался в ?
			Как правило, диагностика такой неисправности осуществляется по отрицательному выводу с АКБ, при этом плюсовая клемма должна остаться подключенной: Тестер мультиметр нужно подключить одним щупом к отрицательной клемме батареи, а второй щуп соединяется с демонтированным клеммником. Для диагностики генератора потребуется тестер — мультиметр, его нужно переключить в режим омметра, после чего выполнить следующие действия: Щупы тестера подключаются к аккумулятору с соблюдением полярности.
			Daewoo Matiz- Электросхема фото
Текст видео
Как настроить фары Daewoo nexia (Где и что крутить)
Регулировка фар дэу нексия, инструкция для чайников. Сильно не критикуйте) 1) Чтобы настроить световой пучок фары вверх или вниз можно крутить рукой болт на корректоре. 2) Для настройки пучка влево или вправо Вам понадобится длинная тонкая отвертка. Или можно снять фару и просто покрутить болт крестовой отверткой.
Будем рады Вашим лайкам и комментариям
Подписывайтесь на канал
modernizatsiya chiroqlar Daewoo nexia, bu headlights ishlash Daewoo Nexia, орнату фаралар Daewoo nexia, реттеу фар дэу нексия, налаштувати фари Daewoo nexia, регулювання фар деу нексія, наладзіць фары Daewoo nexia, рэгуляванне фар дэу нэксія, ҷудо тасҳеҳи фар дэу нексия,
Устанавливаем противотуманки на ДЭУ Нексия N150 в гаражных критериях
Единственное, что требуется от обладателя ДЭУ Нексия, решившего установить на собственный автомобиль противотуманки, так это приобрести универсальный набор и проверить его комплектность.
На фото – Нексия с фирменными ПТФ
Конкретно говоря, проверить встречаются ли в коробке:
- Две фирменные противотуманки на Нексию N150;
- Лампы накаливания;
- Жгут проводов с уже установленными клеммами типа «мама»;
- Предохранитель плавкий с гнездом для установки;
- Реле управления работой противотуманных фар;
- Кнопка включения ПТФ для салона;
- Пластмассовые хомуты и шурупы в роли крепежа.
Фирменные противотуманки Нексия N150
Совет: конкретно универсальные комплекты лучше, так как у них разработчики помещают и несколько запасных крепежных частей, и проводка выполнена с припуском.
Электросхемы Daewoo Nexia — DRIVE2
Проблемы с электростеклоподъемниками
Качество сборки Дэу Нексия, к сожалению, очень зависит от того, на каком заводе собирался автомобиль. Чаще всего проблемы со стеклоподъемниками возникают на Дэу российской сборки, причем комплектующие, судя по всему, поступают и в Узбекистан и в Польшу абсолютно одинаковые. Тем не менее, при возникновении проблем со стеклоподъемниками необходимо убедиться в том, что проблема именно в электрической части. Если с механикой все в порядке, тогда стоит проверить предохранитель в монтажном блоке.
Если с ним все в порядке, тогда, скорее всего, в блоке управления подъемником. Основной блок находится в подлокотнике водительской двери. Наиболее вероятная поломка — выход из строя клавиш управления или отсутствие контакта в блоке управления. Дело в том, что дверь постоянно подвержена вибрации, поэтому вследствие некачественной сборки контакты могут просто отойти.
Электросхемы Daewoo Nexia — DRIVE2
Запись непостоянная, редактируемая В основном для себя любимого, схемы для Н100
(до2008)
*** Лампы применяемые в авто и свечи
***Электрические разъемы
***Замок зажигания и разгрузка контактов 30-15
***Приборы освещения с «разгрузкой фар» Учитывая замену проводки фар на 1,5кв.мм и установленном корректоре
***Дневное освещение, габариты, подсветка номера, бибикалка
***Фонарь бардачка, прикуриватель, часы, плафоны салона и багажника
***Аварийка, поворотники
***ПТФ, Стоп сигнал, лампы ЗХ
***Обогрев стекла + обогрев зеркал
Полный размер
***Электрозеркала, привод, обогрев, подсветка «привет»
Полный размер
***ЭСП
***Центральный замок, Магнитола
***Приборка
***Стеклоочиститель и схема реле (серое большое без микросхемы), 2 взмаха в режиме омывателя
Полный размер
***Разъемы
***
https://youtube.com/watch?v=IXtIMrFlGr8
Оплаченные ссылки
			Он входил в самые дорогие комплектации и работал довольно уверенно при правильном обслуживании и эксплуатации. Так вы сможете создать рабочие условия для мотора, при которых и измеряется напряжение АКБ. Тем не менее, при возникновении проблем со стеклоподъемниками необходимо убедиться в том, что проблема именно в электрической части.
			Первое поколение автомашины выпускали с по годы, а второе после небольшого рестайлинга салона с кузовом и полной замены двигателя на моторы с машин Chevrolet Lanos и Lacetti выпускают с и по сей день. Окисление может произойти ан соединительных штекерах — такая проблема решается путем их зачистки с помощью наждачки или железной щетки.
			Устранение негерметичности уплотнений  Кондиционер Дэу Нексия Часть автомобилей Нексия оборудовалась кондиционером.
			Далее южнокорейская компания Daewoo модернизировала автомобиль и выпустила именно это чудо-авто, которое из-за дешевизны производится после рестайлинга и по сей день.
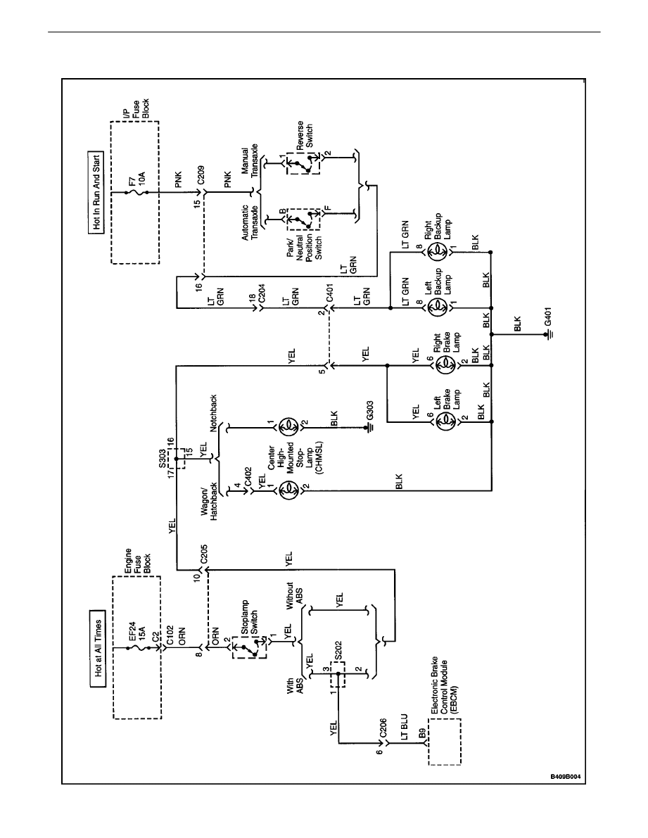
			Схема электрических соединений фонарей сигнала торможения, фонаря заднего хода и системы блокировки гидротрансформатора автомобиля DAEWOO NEXIA Е20 — лампа сигнала торможения левого ; Е — лампа центрального верхнего сигнала торможения автомобили с 3- и 5-дверным кузовом ; Е21 — лампа сигнала торможения правого ; Е22 — лампа фонаря заднего хода левого ; Е23 — лампа фонаря заднего хода правого ; S2 — выключатель «стоянка-нейтраль» автоматическая 3-ступенчатая КП ; S — выключатель «стоянка-нейтраль» автоматическая 4-ступенчатая КП ; S16 — выключатель сигнала торможения механическая КП ; S17 — выключатель сигнала торможения автоматическая 3-ступенчатая КП ; S18 — выключатель фонаря заднего хода механическая КП ; Х1 — диагностический разъем; Y4 — электромагнитный клапан ЭМК блокировки гидротрансформатора.
			В случае перегрузки или короткого замыкания, предохранитель не позволяет причинить вред электрооборудованию, находящемуся в цепи после него.
			Одна из менее распространенных проблем, диагностируется с помощью того же тестера. Схемы электрооборудования Дэу Нексия: фонарь освещения бардачка, прикуривателя, часов с цифрой индикацией, плафона освещения салона и фонаря освещения багажника:
			КАК ТЕЧЁТ ТОК В СХЕМЕ — Читаем Электрические Схемы 1 часть

Блок предохранителей Нексия
Как и во всех европейских автомобилях тех времен, в Нексии реализован блок предохранителей с предохранителями вилочного типа. Это гораздо удобнее, чем старые патронные элементы. Каждый предохранитель отвечает за определенный участок цепи. В случае перегрузки или короткого замыкания, предохранитель не позволяет причинить вред электрооборудованию, находящемуся в цепи после него. Основное правило, которым нельзя пренебрегать, заключается в том, любое использование перемычек, коротящих контакты наглухо, жучков, недопустимо. Как недопустимо и применение предохранителей, не соответствующих номиналу. Если предохранитель будет иметь сопротивление ниже номинального, он перегорит, а если значительно выше, то перегорит оборудование, которое он должен был защищать.
Для удобства использования предохранители имеют корпуса разного цвета. 10-амперные предохранители с красным корпусом, 20-амперные желтые, 30-амперные предохранители имеют зеленый цвет корпуса. Плата предохранителей расположена в одном корпусе с блоком реле, а весь монтажный блок находится с водительской стороны под панелью приборов.
Электрические схемы Дэу Нексия N100 и N150
1. Конфигурация электрических разъёмов и нумерация гнезд соединителей проводов к приборам электрооборудования Daewoo Nexia:
2. Схема электрических соединений замка зажигания, стартера и генератора, а также схема Daewoo Nexia соединений приборов системы зажигания:
3. Электрическая схема Дэу Нексия — соединения датчиков системы впрыска топлива с ЭБУ типа IEFI-6:
4. Схема электрических соединений сигнальной лампы неисправности двигателя автомобиля Daewoo Nexia, системы блокировки гидротрансформатора, топливного насоса и бортовой системы диагностики с ЭБУ типа IEFI-6:
6. Схема датчиков системы впрыска топлива:
7. Электросхема соединений сигнальной лампы неисправности двигателя Daewoo Nexia, системы блокировки гидротрансформатора, топливного насоса и бортовой системы диагностики с ЭБУ типа IEFI-S:
8. Схема электрических соединений приборов освещения автомобиля:
9. Электросхема Дэу Нексия — соединения противотуманных фар и задних противотуманных фонарей:
10. Приборы дневного света, габаритные фонари и лампа для освещения номерного знака и электрические соединения звукового сигнала:
11. Схемы электрооборудования Дэу Нексия: фонарь освещения бардачка, прикуривателя, часов с цифрой индикацией, плафона освещения салона и фонаря освещения багажника:
12. Схема фонарей сигнала торможения автомобиля, а также фонаря заднего хода и системы блокировки гидротрансформатора:
13. Работа поворотников и аварийной сигнализации:
14. Электрические соединения электрообогрева заднего стекла Daewoo Nexia:
15. Электрическая схема Дэу Нексия — соединения стеклоочистителей и стеклоомывателей ветрового стекла и заднего окна:
16. Комбинация приборов:
17. Электросхема Дэу Нексия на 3-х фото — соединения электронного блока управления с узлами системы управления:
18. Схема системы охлаждения Дэу Нексия и кондиционера :
Проблемы с электростеклоподъемниками
Качество сборки Дэу Нексия, к сожалению, очень зависит от того, на каком заводе собирался автомобиль. Чаще всего проблемы со стеклоподъемниками возникают на Дэу российской сборки, причем комплектующие, судя по всему, поступают и в Узбекистан и в Польшу абсолютно одинаковые. Тем не менее, при возникновении проблем со стеклоподъемниками необходимо убедиться в том, что проблема именно в электрической части. Если с механикой все в порядке, тогда стоит проверить предохранитель в монтажном блоке.
Если с ним все в порядке, тогда, скорее всего, в блоке управления подъемником. Основной блок находится в подлокотнике водительской двери. Наиболее вероятная поломка — выход из строя клавиш управления или отсутствие контакта в блоке управления. Дело в том, что дверь постоянно подвержена вибрации, поэтому вследствие некачественной сборки контакты могут просто отойти.
Замена личинки замка зажигания
Чтоб без помощи других поменять замок зажигания на Daewoo Nexia нужно:
Отключите отрицательную клемму с аккумуляторной батареи. Воспользуйтесь крестовой отверткой для откручивания винтов, которые крепят пластиковые кожухи на рулевой колонке и снимите две его половинки.
Снимите разъемы, подходящие к контактной группе. Логан- Клуб Хочу снять переднюю панель и разобраться, как показано на фотографии 10. Воспользуйтесь тонкой короткой отверткой для откручивания фиксирующего винта, который располагается на внутренней стороне замка зажигания, учтите, что его доступность ограничена.
Причиной неисправности может стать поломка хвостовика на личинке самого замка. Вытащите личинку, для этого пригодится проволока или штырь с подходящим диаметром, около 2-3 мм, загните его под прямым углом, используя шестигранник, и нажмите через отверстие на фиксатор. На нексии порой выходит из строя контактная группа замка зажигания, ниже рассмотрим каким образом можно снять с нексии замок зажигания и контактную группу замка зажигания. Одновременно поверните ключ во второе положение. Если все сделано правильно, то это позволит личинке самостоятельно выйти из корпуса на пять миллиметров, вам останется только извлечь ее. Как снять замок реле разгрузки зажигания и на гуру автомобиля нексия. Снимать замок зажигания в сборе с личинкой не рекомендуется, т.к это очень трудоемкий процесс, вам придется снимать всю рулевую колонку, чтобы получить возможность добраться до болтов ее крепления.
Если вы заранее не позаботились о приобретении нужных комплектующих, то на данном этапе можно запросто доехать до ближайшего автомобильного магазина или рынка и купить требующие замены запчасти. Запустить заглушить автомобиль можно при помощи контактной группы и отвертки.
Как правило, есть два способа решения сложившейся проблемы. В первом случае вы можете купить и заменить только личинку для замка зажигания. Как снять передний бампер на Дэу Матиз: простые. Такой вариант довольно распространен и является самым дешевым и быстрым, но при этом возникнет необходимость всегда носить с собой два ключа, т.к ключ от зажигания будет отличаться от ключа, с помощью которого открываются двери и багажник. Во втором случае, можно приобрести набор личинок, в который будут входить личинки замка зажигания, багажника и передних дверей. Процесс замены в таком варианте окажется более трудоемким и обойдется несколько дороже, зато вы будете иметь один ключ для всего. Какой способ выбрать, решать только вам.
Сборка осуществляется в обратном порядке. Как снять моторчик печки на ВАЗ-2109 своими. Вставьте новую личинку внутрь корпуса замка зажигания, вместе с ключом, находящемся в положении 2, при этом одновременно утопите проволокой фиксатор
Самое важное, это не наткнуться на дешевую китайскую подделку личинки, т.к если пытаться установить ее в корпус замка, то возникнет проблема, вы просто не сможете этого сделать, она туда не войдет. Как Снять Замок Зажигания На Дэу Нексия. Остальные варианты производителей личинок вполне качественны и спокойно выдерживают замену, устанавливаются с первого раза, как заводские
. Остальные варианты производителей личинок вполне качественны и спокойно выдерживают замену, устанавливаются с первого раза, как заводские.
Электросхема дэу нексия 8 клапанов
Учимся читать электросхему автомобиля. Часть 1. Автоэлектрика.
https://youtube.com/watch?v=IQBVhNAATyA
Самостоятельное устранение заводского брака проводки автомобиля Daewoo Nexia
Сделай сам своими руками если не заводится Daewoo нексия
СБОРКА ДВИГАТЕЛЯ ДЭУ НЕКСИЯ ЧАСТЬ1
Daewoo Nexia нет зарядки, стучат гидрокомпенсаторы
Лечим Нексию когда мотор Двоит троит, плавающие обороты или не заводится
Блок предохранителей и реле, расположенный в салоне Daewoo Matiz 0.8L-1.0L МКПП и АКПП
Диагностика ЭБУ Daewoo Nexia
https://youtube.com/watch?v=w-YIjI1yXN4
Daewoo Nexia ремонт контактной группы замка зажигания 1.mp4
Нексия-8 клапанов-заводим.
https://youtube.com/watch?v=DSUlAff7i54
Также смотрите:
- Митсубиси асх или ниссан кашкай что лучше
- Хендай крета в контакте
- Toyota rav4 или hyundai tucson
- Honda crv обзор
- Предохранители пежо 308
- Субару переводится как
- Характеристики volvo xc90
- Мерседес s класса последний
- Плюсы и минусы хендай грета
- Toyota gaia технические характеристики
- Audi rs6 2018
Электрические схемы Дэу Нексия N100 и N150
1. Конфигурация электрических разъёмов и нумерация гнезд соединителей проводов к приборам электрооборудования Daewoo Nexia:
2. Схема электрических соединений замка зажигания, стартера и генератора, а также схема Daewoo Nexia соединений приборов системы зажигания:
3. Электрическая схема Дэу Нексия — соединения датчиков системы впрыска топлива с ЭБУ типа IEFI-6:
4. Схема электрических соединений сигнальной лампы неисправности двигателя автомобиля Daewoo Nexia, системы блокировки гидротрансформатора, топливного насоса и бортовой системы диагностики с ЭБУ типа IEFI-6:
6. Схема датчиков системы впрыска топлива:
7. Электросхема соединений сигнальной лампы неисправности двигателя Daewoo Nexia, системы блокировки гидротрансформатора, топливного насоса и бортовой системы диагностики с ЭБУ типа IEFI-S:
8. Схема электрических соединений приборов освещения автомобиля:
9. Электросхема Дэу Нексия — соединения противотуманных фар и задних противотуманных фонарей:
10. Приборы дневного света, габаритные фонари и лампа для освещения номерного знака и электрические соединения звукового сигнала:
11. Схемы электрооборудования Дэу Нексия: фонарь освещения бардачка, прикуривателя, часов с цифрой индикацией, плафона освещения салона и фонаря освещения багажника:
12. Схема фонарей сигнала торможения автомобиля, а также фонаря заднего хода и системы блокировки гидротрансформатора:
13. Работа поворотников и аварийной сигнализации:
14. Электрические соединения электрообогрева заднего стекла Daewoo Nexia:
15. Электрическая схема Дэу Нексия — соединения стеклоочистителей и стеклоомывателей ветрового стекла и заднего окна:
16. Комбинация приборов:
17. Электросхема Дэу Нексия на 3-х фото — соединения электронного блока управления с узлами системы управления:
18. Схема системы охлаждения Дэу Нексия и кондиционера :

















































