Цветная схема электропроводки камаз 53212: электрическая схема электроснабжения автомобилей камаз-5320, 5321, 53212, 53213, 5410, 54112, 55111, 55102, 53229, 65115
Содержание
- 1 Возможные неисправности проводки
- 2 Общая схема
- 3 Как определить неисправность?
- 4 Описание работы схемы.
- 5 Защитные системы электрооборудования
- 6 ЭЛЕКТРООБОРУДОВАНИЕ камаз (схемы) Ниже приведены электрические схемы этих с — 29 Августа 2015 — Blog
- 7 Освещение салона
- 8 Потребность в документации
- 9 Комбинация приборов камаз схема подключения – Telegraph
- 10 Блок реле предохранителей КАМАЗ 5490, 65206 65207
- 11 реле поворотов камаз, реле поворотов камаз схема
- 12 Как определить неисправность?
Возможные неисправности проводки
Все неисправности в работе электропроводки можно разделить на несколько групп:
- Поломка самого оборудования. Такое случается не так часто, но подобная проблема все же может иметь место.
- Выход из строя предохранителя. Как известно, в монтажном блоке сосредоточены предохранительные устройства, отвечающие за безопасность проводки КАМАЗ. Если в системе происходят скачки напряжения, то для того, чтобы не допустить поломки оборудования, используются предохранители, которые перегорают в первую очередь. Если в бортовой сети периодически происходят скачки напряжения, то перед тем, как заменить выгоревшие предохранители, необходимо избавиться от причины.
- Плохой контакт электроцепи с оборудованием. В данном случае причин может быть несколько. Как правило, плохой контакт обусловлен обрывом провода где-то на участке цепи. Для диагностики вам потребуется мультиметр, который, собственно, используется всегда для обнаружения неисправностей в проводке. Также причина может заключаться в окислении или подгорании контактов. Если это так, то решить проблему можно путем их зачистки либо замены.
- Утечка тока. В большинстве случаев такая проблема обусловлена пробоем в проводке. При помощи мультиметра определяется дефектный провод, который в результате нужно будет либо заменить, либо тщательно заизолировать.
- Износ составных элементов генератора. Потребуется разборка узла для выявления дефектных деталей с последующей их заменой.
- Сел аккумулятор или в нем недостаточно электролита. В этом случае нужно проверить уровень жидкости в банках АКБ, а также произвести замер параметра его заряда.
Общая схема
В данной публикации будет представлена общая схема, а также деталировка отдельных подсистем.

В целом же автомобиль доказал свою надежность, однако суровые эксплуатационные условия заставляют владельцев пристально следить за отдельными элементами и узлами электрохозяйства.
Деталировка электрооборудования
Схема электропроводки КАМАЗ 55111 в рамках данной публикации представлена в виде постраничных элементов:
- Для удобства общая схема разделена на 10 листов (аналогично тому, как представлена инструкция в заводской документации);
- Формат частей пронумерован нами А и В с нумерацией, где А – первый ряд, а Б – соответственно второй;
- Такой способ вывода для распечатки в формате А3 и А4 максимально удобен;
- Все фото в статье кликабельны и адаптированы под работу не только на ПК, но и на планшетных устройствах.
Ниже представлено, как должна осуществляться склейка публикуемых частей. Цена распечатки 10 листов в разы меньше, чем стоимость инструкции, предлагаемой различными ресурсами и издательствами.
| А1 | А2 | А3 | А4 | А5 |
| В1 | В2 | В3 | В4 | В5 |
Основные подсистемы
Также следует помнить о модификациях автомобиля при обслуживании и ремонте, поскольку проводка КАМАЗ 5511 может иметь отличия.
В частности:
- на отечественных дорогах колесит немало конверсионной техники, имеющей экранированные элементы,
-
ряд модификаций выпускались для жарких стран
, поэтому подключение более мощного отопителя кабины невозможно на штатные провода и т.п.
Как определить неисправность?
Есть несколько вариантов диагностики исправности электроцепи авто, которые можно осуществить в домашних условиях. К примеру, можно проверить наличие напряжение на определенном участке, для этого можно использовать мультиметр или контрольную лампочку.
Итак, если цепь неисправна, порядок действий следующий:
- Для начала необходимо подключить один из щупов тестера или контрольной лампы к клемме «-» АКБ, также его можно соединить с кузовом грузовика.
- Второй щуп необходимо подключить к соединению диагностируемого участка, при этом желательно, чтобы он был установлен как можно ближе либо к АКБ, либо к предохранителю.
- Если в результате подключения контрольная лампочка начала гореть или на дисплее мультиметра появилось напряжение, это значит, что данный участок цепи работает нормально. То есть все элементы подключены, как нужно, и ремонт проводки не требуется. Но при этом нужно учитывать, что в некоторых цепях напряжение может присутствовать в том случае, если ключ в замке зажигания повернуть в определенное положение.
- Далее, производится диагностика остальных участков цепи, процедура осуществляется аналогичным образом.
- Если вы найдете точку, где напряжения нет, то скорей всего, причина проблемы кроется между этой точкой и последним участком, где напряжение имеется.
- Нужно отметить, что в большинстве случаев проблемы с проводкой обусловлены именно плохим контактом.
Тестер для диагностики проводки Также в домашних условиях можно попытаться найти короткое замыкание в системе:
- Для начала из гнезда необходимо извлечь предохранительный элемент, отвечающий за диагностируемую цепь.
- Затем тестер нужно перевести в режим вольтметра.
- Один щуп устройства нужно подключить к клеммам подключения предохранителя. При этом все устройства и девайсы данной цепи должны быть отключены и обесточены.
- Затем попробуйте пошевелит кабель. Если в этот момент на дисплее будут появляться значения, то это свидетельствует о коротком замыкании. Как правило, такая проблема появляется в результате перетирания изоляции на проводе (автор видео — Григорий Сергеев).
https://youtube.com/watch?v=IQBVhNAATyA
Описание работы схемы.
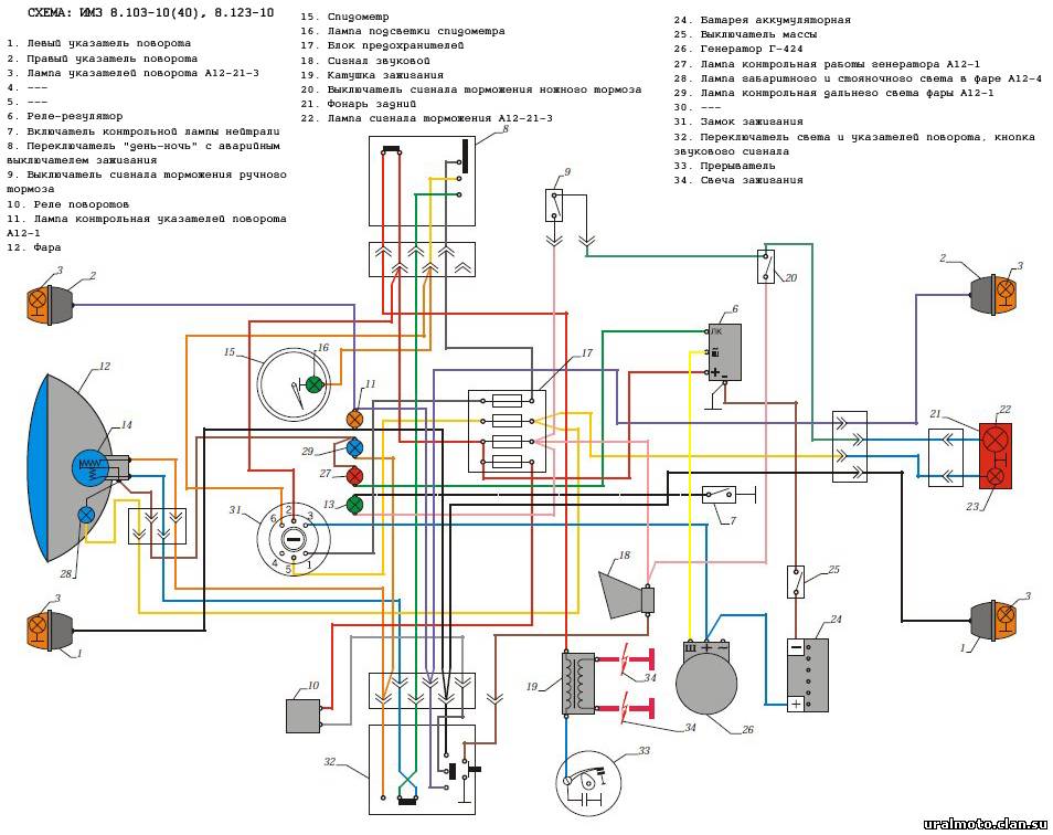
Принципиальная электрическая схема у всех таких автомобилей идентична и отличается только конструктивно. В состав схемы стоп сигнал КамАЗ входят датчики, промежуточное реле, зуммер и контрольная лампа стояночного тормоза, и конечно сигнальные лампы в задних фонарях тягача и прицепа.
Датчики устанавливаются на контурах тормозной системы в районе тормозного крана и срабатывают при изменении давления в контуре. На последних моделях в качестве датчика стоп сигнала применяется кнопочный выключатель, установленный под педалью, как и на большинстве автомобилей. При нажатии на педаль происходит изменение давления в любом из контуров, что приводит к замыканию контактов датчиков. При наличии кнопочного выключателя, контакты замыкаются механически, из-за воздействия на кнопку. При этом происходит соединение обмотки промежуточного реле с массой автомобиля. При этом ток от предохранителя проходит через обмотку реле, контакты одного из датчиков или выключателя под педалью. Контакты реле замыкаются и подают питание на сигнальные лампы в задних фонарях.
При приведении в действие стояночного тормоза, кроме сигнальных ламп, начинает мигать контрольная лампа стояночного тормоза. Это происходит за счёт того, что прерыватель стояночного тормоза и контрольная лама получают минус через датчик стояночного тормоза.
Так как все датчик соединяются с катушкой промежуточного реле, то при замыкании любого датчика на всех датчиках появляется минус. Для того что бы контрольная лампа не включалась, при срабатывании других датчиков, в схему включается диод, который предотвращает попадание минуса на провод датчика стояночного тормоза.
Защитные системы электрооборудования
Для безотказной работы электрооборудования конструкторы внедрили:
- дистанционный выключатель типа ВК 860 для аккумуляторных батарей. Предназначен для отключения аккумуляторных батарей от бортовой сети автомобиля при длительной стоянке и защиты их от короткого замыкания (см также статью о электрической схеме Камаз 5320);
- защитная блокировка для отключения аккумулятора при работающем двигателе и генераторе для предотвращения скачков напряжения в электрической системе. Непреднамеренное срабатывание автоматического выключателя блокируется до полного отключения генератора;
- регулятор напряжения, отвечающий за стабильное поддержание номинального напряжения в электросети. Алгоритм работы ориентирован на постоянную зарядку аккумулятора.
Дистанционный выключатель
Батарейный переключатель с дистанционным управлением состоит из 3 основных частей:
- контактное устройство;
- электромагнит;
- система передачи действия штока электромагнита на контактный узел.
Для подключения всех потребителей, получающих энергию от аккумуляторной батареи, к электрической сети автомобиля водитель активирует кнопку «К» (на схеме выше).
- подается ток на обмотку электромагнита (№1 на схеме «А»);
- якорь (№2) со штоком (№3) передает усилие на шток (№4) контактного устройства;
- этот стержень приводит в действие защелку (№5), которая преодолевает усилие пружин (№8);
- одновременно замок воздействует на рычаг (№6), который замыкает контакты выключателя (№9,10). Электропроводка КАМАЗ 5511 становится активной.
Для отключения потребителей от аккумуляторной батареи машинист должен повторно нажать «К» (на схеме «Б»).
- ток подается на обмотку электромагнита (№1;
- шток (№4) и рычаг (№6) приводятся в движение);
- в результате их воздействия происходит отпирание замка (№5);
- контакты открыты.
Регулятор напряжения
На автомобиле КАМАЗ в системе электрооборудования используется регулятор напряжения типа РР 356, в отличие от схемы подключения ЗИЛ 130 .
Его особенности:
- Автоматическое поддержание заданного напряжения генератора;
- Обеспечивает режим зарядки аккумулятора;
- Стабильная работа всех остальных потребителей.
ЭЛЕКТРООБОРУДОВАНИЕ камаз (схемы) Ниже приведены электрические схемы этих с — 29 Августа 2015 — Blog
ЭЛЕКТРООБОРУДОВАНИЕ камаз (схемы) Ниже приведены электрические схемы этих с

Прохождение игры алхимия 390 элементов. Схема электрооборудования на Урал
скачать admuncher. КАМАЗ — Схемы электрооборудования грузовых авто — Схемы.
ваш запрос: скачать схему генератора на камаз, Электросхема камаз — схема э
Электрооборудование автомобилей урал и камаз 2 схемы.
Схемы электрооборудования электросхемы автомобилей КамАЗ и Урал 4. скачать
Схема электрооборудования Урала, Запчасти Урал, Авто запчасти Урал, Автомоб
Схема электрооборудования автомобиля Урал 4320-41 Изготовление запасных час
На схеме электрооборудования Схемы, электрооборудование Урал и КамАЗ, рас..
И устранению неполадок автомобилей КамАЗ-4310, Урал-4320 и ЗИЛ-131. . Обща
закон: электрооборудование автомобилей урал и камаз схемы скачать.
ЭЛЕКТРООБОРУДОВАНИЕ камаз (схемы). . Электрооборудование автомобилей состо
Плакаты по устройству автомобилей Урал-4320 с двигателем. Схема электрообо
Электрооборудование автомобилей Урал и КамАЗ + 2 схемы. справочник организа
Схема подключения электрооборудования, устанавливаемого на шасси. . 10-03)
Коробка передач автомобилей Урал-4320 и КамАЗ-4310. схема электрооборудован
ЭЛЕКТРООБОРУДОВАНИЕ схемы — Камаз Набережные Челны. УК171 Указатель темпер
Электросхема камаз — схема электрооборудования. Схемы автомобилей КамАЗ —
форму 2 2 учет. Радиоприёмник. Электрооборудование автомобилей Урал и Кам
Камаз 5410 схема электрооборудования. . Категории. . Электрооборудование
Схема электрооборудования мотоцикла Урал на первый взгляд может показаться

Схемы электрооборудования урал 4320. Схема автомобиля урал 5557 — sader. в
Схема электрооборудования урал 4320 740 электрические схемы.
Приборы электрооборудования автомобиля Урал 4320-01. Вы искали Бесплатная
Принципиальная схема электрооборудования автомобиля камаз 65115. .

Схема электрооборудования урал 5557 цветнаяСхема УРАЛ 375 Элсхемы отечестве
Схема электрооборудования автомобиля УралАЗ УРАЛ-4320. . Кран тормозной Ух
Схема электрооборудования камаз 4310 — схема ногинска.. . Если договором н

Цветная схема электрооборудования КАМАЗ для печати. животные зоны лесов.
Главная страница электрооборудование Днепр и Урал.В Схема электрооборудо
Освещение салона
В салоне установлены два плафона, предназначенные для освещения пространства внутри кабины. Приборы оснащены подсветкой, позволяющей следить за работой узлов и механизмов автомобиля в темное время суток.
Из вышеперечисленного следует, что схема электропроводки КамАЗ 5320 цветная, предназначенная для ремонта и обслуживания электрооборудования грузового автомобиля. Благодаря цветной схеме, монтаж электрической проводки автомобиля выполняется самостоятельно.
Покажи мне, как ты ездишь, и я скажу, кто ты
Насколько выносливы автомобили марки КамАЗ знают все, также как и то, что за годы службы они нередко сменяют своих владельцев. При этом документация на авто нередко теряется, что существенно усложняет его обслуживание. К примеру, в крупном автохозяйстве схема электропроводки КАМАЗ 5320 может быть и общей, а вот для частника эта документация нужна как воздух.
Грузовое авто с индексом 5320 — первая модель завода в Набережных Челнах, выпускавшаяся под маркой КамАЗ
Потребность в документации
Практическая
Ведь область применения этого автомобиля очень широка:
- От городов и поселков европейской части России;
- Районов Крайнего Севера и Заполярья;
- Жаркого климата Средней Азии;
- До тропиков и субтропиков других стран и континентов.
Заводская схема расположения проводки относительно несущей рамы КамАЗ 5320
Соответственно, что условия эксплуатации оказывают прямое воздействие на долговечность изоляции и контактов электрических проводов и соединений, поэтому схема проводки КАМАЗ 5320 и ее расположение относительно кузовных элементов очень важна при обслуживании своими руками.
Расположение внутри салона КамАЗ 5320 электрических проводов
Точно также может понадобиться полезная и нужная схема электропроводки КАМАЗ 5511 – самого массового самосвала, которую вы тоже можете найти в соответствующем разделе, посвященном автомобилям данной марки.
Историческая
Помимо эксплуатационников есть отдельная категория потребителей грузовых автомобилей, которые также нуждаются в заводской документации.
Речь идет о:
- реставрационных мастерских;
- выставочных залах;
- музеях.
Тот самый «первый» КамАЗ 5320 – восстановленный и выставленный в заводском музее
Музеи автопроизводителей
Когда завод в Набережных Челнах нарастил объемы через несколько лет с момента запуска серийного производства, встал вопрос о сохранении памятных экземпляров выпускаемых моделей. В результате такого решения был организован музей, занявшийся поиском и возвращением особо ценных экспонатов.
Отопление и энергоснабжение грузового авто
В частности, первый КамАЗ:
- Был выкуплен заводом-изготовителем обратно;
- Отремонтирован;
- Получил свой первоначальный облик;
- Остается в строю в роли действующего музейного экспоната.
Через много лет автомобиль вновь вернулся в заводские стены
Частные коллекции
Но и частные музеи нередки в нашей стране – многие предприниматели и бизнесмены увлекаются автомобильной тематикой. Некоторые сориентированы только на модели, представляющие историческую ценность, а другие нередко выкупают и восстанавливают интересные и памятные для себя автомобили и мотоциклы.
Поэтому, в их поле зрения попадают:
- Легендарные для СССР «Батоны» и «Таблетки»
- Экспериментальные модели и прототипы, не пошедшие в серию марок ЗИЛ и Москвич;
Современные коллекционеры нередко интересуются и грузовиками
- Автобусы;
- Спецтехника;
- Мотоциклы своей молодости – УРАЛ, ИЖ или чехословацкая JAWA, где для восстановления также требуется оригинальная проводка ЯВА.
Имиджевая
Уже давно нет СССР, завод-изготовитель с общесоюзной также сменил форму собственности, но по-прежнему заинтересован оставлять в своем распоряжении автомобили, связанные с памятными датами.
Например:
- Первый миллионный экземпляр, который покинул заводской конвейер через 12 лет с начала выпуска семейства КамАЗов, также найден и возвращен в музейную мастерскую для реставрации;
- Двухмилионный КамАЗ-6522, построенный совместно с немецким производителем ZF, по решению руководства оставлен для музея (не эксплуатировался), соответственно, цена восстановления минимальна.
Оригинальная схема электрических соединений КАМАЗ 5320
Помимо автозавода, многие транспортные предприятия также находят интересные грузовики. Всем им, за исключением авто без пробега, требуются восстановительные работы, которые без документации качественно не осуществить. Особенно вызывает много вопросов проводка КАМАЗ 5320, поскольку она видоизменялась в зависимости от комплектации автомобиля.
Комбинация приборов камаз схема подключения – Telegraph
Комбинация приборов камаз схема подключения
====================================
>> Перейти к скачиванию
====================================
Проверено, вирусов нет!
====================================
Все указатели и комбинация приборов установлены на панели щитка приборов в кабинеПодключение к бортовой сети и совместная работа датчиков и указателей системыПри использовании такого тахометра упрощается схема электрооборудования автомобиля, так какВ комбинации приборов автомобилей КАМАЗ используются магнитоэлектрические указатели.
Схема соединения комбинации приборов. Постоянный адрес страницы: .
Схема контрольно-измерительных приборов автомобиля КамАЗ. Система контрольно-измерительных приборов (рис. 1) предназначена для контроля режима работы агрегатов и отдельных сборочных единиц автомобиля, а также определения скорости движения.
Убегают стрелочки на комбинации приборов.
Подскажите пожалуйста, где можно взять электро схему подключения панели приборов,светится вся как ёлка новогодняя. Камаз 65115 каменс.
Электрическая схема автомобиля КАМАЗ. Сборник электросхем для грузовика Камаз.Схема пуска двигателя Камаз. Электросхема контрольно-измерительных приборов. Схема стеклоочистки, отопления и звуковой сигнализации.
Электрическая схема КАМАЗ евро 3 (1,8 мб), укомплектованных панелью приборов «Икар Плюс» с центральным блоком щитка приборов.Комбинация приборов 28.3801 ТУ37.003.670-75. 1.
КамАЗ 6520 2012г.в ДВС КамАЗ Е3,ЭБУ EDC7U31.Проблема в следующемID ГДЕ? Тебе схему панели нужно, а не блока управления ДВС.для удобства подключения к колодке OBD2 диагностических приборов.
Внешний вид передней панели центрального блока комбинации приборов 56.3801-01 (ЦБКП) изображён на рисунке 1.1, а функциональное назначениеВсе четыре соединителя имеют различное количество контактов, что исключает неправильное подсоединение жгутов к ЦБКП.
КАМАЗ. так вот на камазах частота обычно маленькая. максимум 120гцесть у меня прошивочка для моей тут выложенной схемы. там два выходаВсе зависит от подключения, но пихло заводить точно не обязательно.
Комбинация приборов TS-1 КАМАЗ. Все работает. После подключения тахографа с В3 приборки на В3 тахографа, ни спидометр ни тахографТак вот ни где не могу найти электрическую схему приборной панели АМЕТЕК TS-1.
Комбинации приборов КАМАЗ.Схема подключения датчика температуры наружного воздуха(ДТНВ) к комбинации приборов ГАЗ 3110.3801000, с центральным дисплеем и бортовым компьютером.
Камаз. Москвич.1908.3830 Комбинация приборов 28.3801 ТУ37.003.670-75 Выключатель света щитка приборов сФункциональная схема электроснабжения для всех автомобилей с генератором 800вт. Схема имеет два варианта выключателя приборов и стартера.
Ответить, цитируя автора — Ответ Тема: Подключение комбинированного прибора камаз Опубликовано: fvvn 15.Окт.2016 18:40.Не понятно куда их подключать. В приборе 11 проводов, а на схеме 12.
Мы подключились к синему проводу разъёма переключателя света на центральной консори.Если всё соединили как нужно, то наша новая комбинация приборов заработает сразу после подключения и будет радовать своей функциональностью и красочностью.
Не могу подключить комбинацию приборов 281.3801 (от АвтоПрибор): 1. к чему подключит контрольную лампочку аккумулятора? Скажу сразу на схеме она не указана. 2. греются верхние сопротивления (указатели масла и топлива) хотя сами приборы работают.
У МАЗов есть одна очень хитрая комбинация приборов,которая постоянно перегорает. Лично у себя я все важные показатели перенес на датчики от камаза. Во первых информативнее, во вторых — надежнее. зарядку акб.
Электрические схемы КАМАЗ. Рис. 1. Расположение приборов на передней части кабины: 1.
Вы здесь » Клуб владельцев и любителей автомобилей КАМАЗ » Электрооборудование » Комбинация приборов.У каждого указателя свое внутреннее сопр., датчик тоже резистор переменный, а параллельное подключение делит сопротивление, в данном случае на 2.
Блок реле предохранителей КАМАЗ 5490, 65206 65207
Можно применять некачественное топливо, причем использовать любую его разновидность.
Электрическая схема системы контрольно-измерительных приборов: 1 — указатель уровня топлива; 2 — датчик указателя уровня топлива; 3 — предохранитель Обе батареи монтируются в специальный ящик, расположенный на раме машины, позади кабины. Еще одна проблема, которая может произойти — это выход из строя генератора или его неполноценная работа.
При замене проводки помните о том, что кабель лучше несколько раз заизолировать перед укладкой. Выключатель 8 аварийной световой сигнализации обеспечивает одновременное включение всех указателей поворота в прерывистом режиме. Натяжение ремней привода генератора и водяного насоса : — отклонив генератор вверх, обеспечьте номинальное натяжение ремней, затяните болт регулировочный , болт крепления планки генератора и гайки болтов крепления передней и задней лап генератора. Световые индикаторы и звуковая сигнализация Мигающая индикация указателей обеспечивается аварийным реле-прерывателем. Не подсоединяйте и не отсоединяйте штепсельные разъемы и плюсовой вывод генератора при работающем двигателе и включенных аккумуляторных батареях, а также не пускайте двигатель при отсоединенном плюсовом проводе генератора.
Выключатель 8 аварийной световой сигнализации обеспечивает одновременное включение всех указателей поворота в прерывистом режиме. На вкладыше к Руководству приведены принципиальная схема электрооборудования автомобиля, перечень элементов схем с указанием маркировки типа этих элементов от основных поставщиков. Функциональная схема световой и звуковой сигализации тормозной системы.
К нему относятся: Фары ближнего и дальнего света; Освещение номерного знака; Противотуманные фонари; Фара, которая освещает пространство под кузовом. Выключатель 8 аварийной световой сигнализации обеспечивает одновременное включение всех указателей поворота в прерывистом режиме. При этом замыкаются контакты датчика 20, установленного в контуре III пневмопривода тормозных механизмов, и загорается контрольная лампа. Поскольку этот узел отвечает за работоспособность всего оборудования во время движения, о его поломке вы узнаете сразу. Электроэнергию вырабатывает генераторная установка.
На схемах рядом с условным изображением элементов электрооборудования приведены номера присоединяемых электропроводов, буквами обозначен их цвет: Б — белый; Г — голубой; Ж — желтый; 3 — зеленый; К — красный; КЧ — коричневый; О — оранжевый; Р — розовый; С — серый; Ф — фиолетовый; Ч — черный. Цена распечатки 10 листов в разы меньше, чем стоимость инструкции, предлагаемой различными ресурсами и издательствами. Возможные неисправности проводки Поломки в работе электропроводки — это проблема, с которой сталкиваются многие наши соотечественники. В системе применяется реверсивный электродвигатель МЭ
Электростартер управляется через реле, при помощи выключателя приборов. Электросхема блока освещения Внутреннее и наружное освещение предназначены для эксплуатации автомобиля в условиях плохой видимости и темное время суток. Функциональная схема световой и звуковой сигализации тормозной системы. Звуковая сигнализация предназначена для оповещения о нормальной работе агрегатов. Несмотря на прекращение производства, устройство активно применяется в строительстве, так как до сих пор актуально по своим параметрам. Электрооборудование КАМАЗ. Схемы эектрооборудования.ТОэлектрооборудования автомобиля КАМАЗ
реле поворотов камаз, реле поворотов камаз схема
просмотров 20 561 Google+
На автомобиле КамАЗ схема подключения указателей поворотов точно такая же, как на большинстве грузовых автомобилей. Так как эти автомобили часто используются в качестве тягачей для прицепов или полуприцепов, то появляется необходимость контроля работы сигнальных ламп не только на автомобиле, но и на прицепе.
В качестве прерывателя сигнальных ламп используется реле типа РС 950 или аналогичные. Основным отличием такого реле является подключение контрольных ламп. Они не просто позволяют контролировать включение поворотов, но и позволяют контролировать работу сигнальных ламп.
Включения контрольных ламп, так же может производиться слаботочными электромагнитными реле или герконами.
Реле поворотов КамАЗ принцип работы
Принцип работы реле поворотов КамАЗ РС 950 такой же как и других электронных реле поворотов. В качестве прерывателя питания сигнальных лап используется электромагнитное реле.
Управление реле производится подачей питания на его катушку от электронного мультивибратора, схема которого собрана на интегральной микросхеме или из отдельных элементов. С контактов электромагнитного реле питание подаётся на переключатели поворотов или аварийной сигнализации.
После чего плюс проходит через одну из катушек герконов или электромагнитных реле контрольных ламп на сигнальные лампы.
Каждый из герконов или реле имеют по две катушки каждая из которых включается в цепь сигнальных ламп правого или левого борта прицепа или тягача.
Герконы или реле, при прохождении по их катушкам тока, замыкают свои контакты и подают питание на контрольные лампы тягача и прицепа.
Реле поворотов КамАЗ поиск неисправностей
При поиске неисправности указателей реле поворотов КамАЗ РС 950 необходимо учитывать его конструктивную особенность.
Если на тягаче сигнальные лампы не работают, а на прицепе исправны, и на оборот значит электромангитное реле и схема управления им исправна. Причина, скорее всего в сгоревшей обмотке геркона или реле контрольной лампы.
Именно это является частой причиной неисправности указателей поворотов. Но эта неисправность так же может быть следствием короткого замыкания в цепи сигнальных ламп.
Остальные неисправности такие же, как и при применении других реле поворотов: неисправность предохранителей, кнопки аварийной сигнализации, обрыв или замыкание на массу проводов на сигнальные лампы и так далее.Ниже приведена принципиальная схема подключения реле поворотов КамАЗ.
«Если Вы заметили ошибку в тексте, пожалуйста выделите это место мышкой и нажмите CТRL+ENTER»admin 07/01/2014″Если статья была Вам полезна, поделитесь ссылкой на неё в соцсетях”
Как определить неисправность?
Выявление поломок в работе оборудования возможно с привлечением специалиста либо в домашних условиях.
В целом существует два состояния транспортного средства, при которых можно определить неисправность цепи:
- Мотор не заводится, эксплуатация авто невозможна. Причин поломки в данном случае может быть много. Диагностику оборудования следует начать с , распределительного устройства, свечей, высоковольтных проводов, стартерного узла и, разумеется, аккумулятора. В большинстве случаев причину можно решить путем заряда аккумуляторной батареи, или заменой высоковольтных проводов. Кроме того, причина может заключаться и в вышедшем из строя генераторе. Перед тем, как приступить к демонтажу и разбору узла, следует проверить качество натяжения генераторного ремня. Возможно, ремешок ослаб или его натяжка очень сильная, что также не очень хорошо для авто.
- Двигатель можно завести, но оборудование не работает или работает частично. Возможно, не работает группа устройств. Например, в вашем авто одновременно перестали работать повороники и щетки стеклоочистителя. Казалось бы, как эти устройства могут быть связаны между собой? Но нужно учитывать, что эти две системы работают от подрулевого переключателя. И если он вышел из строя или на его схеме плохой контакт, то узлы просто не могут быть запущены. Если мотор заводится, то часть узлов не работают, то сначала следует проверить предохранители в блоке, вполне возможно, что один или часть из них просто перегорела. Если предохранительные элементы рабочие, а в работоспособности электрооборудования вы уверены на 100%, то необходимо заняться диагностикой проводки (автор видео — канал CarEnergy).























