Цветная схема электрооборудования камаз-5320 и 4310 с описанием, поиск проблем с проводкой
Содержание
- 1 Реле стартера КамАЗ-5320
- 2 Особенности электрооборудования
- 3 Потребность в документации
- 4 ВСЕ СХЕМЫ КАМАЗ
- 5 Электрическая схема электроснабжения автомобилей КамАЗ-5320, 5321, 53212, 53213, 5410, 54112, 55111, 55102, 53229, 65115.
- 6 Электрическая схема запуска двигателя
- 7 Как определить неисправность?
- 8 Камаз 65115 схема электрооборудования. Электрическая схема автомобиля камаз.
- 9 Сцепление КамАЗа-5320
- 10 Особенности электрооборудования
- 11 Электрическая схема электроснабжения автомобилей КамАЗ-5320, 5321, 53212, 53213, 5410, 54112, 55111, 55102, 53229, 65115.
- 12 Общая схема
- 13 дон юг авто сервис — КАМАЗ
- 14 Схема подключения генератора КамАЗ
Реле стартера КамАЗ-5320
В состав оборудования грузовика в соответствии со схемой подключения стартера входят следующие элементы: электрическое снабжение, световая сигнализация, внутреннее и внешнее освещение, специальные измерительные устройства, система отопления, система пуска мотора.
У всех грузовиков модели «КамАЗ» имеется специальное устройство Ст-142б. Чтобы запустить приспособление, нужен поворот устройства в определенное положение. Как только приспособление запустили, ключ можно отпускать. Он работает следующим образом: ток от аккумуляторов идет сквозь тяговое приспособление, затем происходит сцепление двух основных элементов, а контакты питания устройства замыкаются. Как только мотор начинает функционировать в автономном режиме, элементы разъединяются.
Схема цветной проводки КамАЗ-5320 считается достаточно непростой. Стартер при этом является основным устройством, у которого присутствует тяговое реле. Электрический мотор находится со стороны места водителя. Устанавливается устройство с помощью нескольких болтов и одной шпильки. Электрический двигатель стартера последовательного соединения приходит в действие от постоянного тока.
Особенности электрооборудования
Перед конструкторами была поставлена задача создания многоцелевого транспортного средства, способного работать в усиленном режиме в условиях бездорожья (см. также о схеме электропроводки ЗИЛ 5301).
Поэтому, вопросу надежности и обслуживания узлов и агрегатов своими руками было уделено достаточно много внимания:
- Внедрены электронные блокировки, предотвращающие выход электроцепей из строя. В частности, реле, препятствующее выключению «массы» при работающем двигателе;
- Опробованы и взяты на вооружение системы отопления кабины и водительского места;
- Установлены новые для автомобильной промышленности сдвоенные фары квадратной формы и т.п.
Генератор
На дизельном силовом агрегате установлен генератор Г-272, конструктивно состоящий из:
- Трехфазной синхронной 12-полюсной электрической машины;
- Прямоточной вентиляции;
- Встроенного выпрямительного блока.
Данный генератор работает в однопроводной схеме и имеет следующие выводы:
- Отрицательный вывод подсоединен на корпус (массу);
- Положительный вывод присоединен к аккумуляторной батарее;
- Вывод «Ш» – для подключения регулятора напряжения.
Аккумуляторная батарея
Для улучшения эксплуатационных характеристик на автомобиле устанавливаются:
- Две емкостные (по 190 А-ч) аккумуляторные батареи серии 6СТ-190ТР последовательно соединенные между собой;
- Подключенные параллельно генератору в схему электрооборудования с напряжением в 12 В каждая;
- Отрицательный вывод аккумуляторов защищен дистанционным выключателем и присоединен к кузову автомобиля.
На представленной схеме указаны:
- Две батареи серии 6СТ-190ТР;
- Выключатель дистанционный типа ВК 860;
- Внутрисалонная кнопка выключателя;
- Дистанционный выключатель Термостарт;
- Реле, отвечающее за отключения обмоток возбуждения генератора;
- Двенадцатиполюсный генератор Г-272;
- Регулятор напряжения;
- Плавкий предохранитель;
- Ручной выключатель стартера и приборов;
- Контактор;
- Электронный амперметр.
Потребность в документации
Практическая
Ведь область применения этого автомобиля очень широка:
- От городов и поселков европейской части России;
- Районов Крайнего Севера и Заполярья;
- Жаркого климата Средней Азии;
- До тропиков и субтропиков других стран и континентов.
Заводская схема расположения проводки относительно несущей рамы КамАЗ 5320
Соответственно, что условия эксплуатации оказывают прямое воздействие на долговечность изоляции и контактов электрических проводов и соединений, поэтому схема проводки КАМАЗ 5320 и ее расположение относительно кузовных элементов очень важна при обслуживании своими руками.
Расположение внутри салона КамАЗ 5320 электрических проводов
Точно также может понадобиться полезная и нужная схема электропроводки КАМАЗ 5511 – самого массового самосвала, которую вы тоже можете найти в соответствующем разделе, посвященном автомобилям данной марки.
Историческая
Помимо эксплуатационников есть отдельная категория потребителей грузовых автомобилей, которые также нуждаются в заводской документации.
- реставрационных мастерских;
- выставочных залах;
- музеях.
Тот самый «первый» КамАЗ 5320 – восстановленный и выставленный в заводском музее
Музеи автопроизводителей
Когда завод в Набережных Челнах нарастил объемы через несколько лет с момента запуска серийного производства, встал вопрос о сохранении памятных экземпляров выпускаемых моделей. В результате такого решения был организован музей, занявшийся поиском и возвращением особо ценных экспонатов.
Отопление и энергоснабжение грузового авто
В частности, первый КамАЗ:
- Был выкуплен заводом-изготовителем обратно;
- Отремонтирован;
- Получил свой первоначальный облик;
- Остается в строю в роли действующего музейного экспоната.
Через много лет автомобиль вновь вернулся в заводские стены
Частные коллекции
Но и частные музеи нередки в нашей стране – многие предприниматели и бизнесмены увлекаются автомобильной тематикой. Некоторые сориентированы только на модели, представляющие историческую ценность, а другие нередко выкупают и восстанавливают интересные и памятные для себя автомобили и мотоциклы.
Поэтому, в их поле зрения попадают:
- Легендарные для СССР «Батоны» и «Таблетки»
- Экспериментальные модели и прототипы, не пошедшие в серию марок ЗИЛ и Москвич;
Современные коллекционеры нередко интересуются и грузовиками
- Автобусы;
- Спецтехника;
- Мотоциклы своей молодости – УРАЛ, ИЖ или чехословацкая JAWA, где для восстановления также требуется оригинальная проводка ЯВА.
Имиджевая
Уже давно нет СССР, завод-изготовитель с общесоюзной также сменил форму собственности, но по-прежнему заинтересован оставлять в своем распоряжении автомобили, связанные с памятными датами.
Например:
- Первый миллионный экземпляр, который покинул заводской конвейер через 12 лет с начала выпуска семейства КамАЗов, также найден и возвращен в музейную мастерскую для реставрации;
- Двухмилионный КамАЗ-6522, построенный совместно с немецким производителем ZF, по решению руководства оставлен для музея (не эксплуатировался), соответственно, цена восстановления минимальна.

Оригинальная схема электрических соединений КАМАЗ 5320
Помимо автозавода, многие транспортные предприятия также находят интересные грузовики. Всем им, за исключением авто без пробега, требуются восстановительные работы, которые без документации качественно не осуществить. Особенно вызывает много вопросов проводка КАМАЗ 5320, поскольку она видоизменялась в зависимости от комплектации автомобиля.
ВСЕ СХЕМЫ КАМАЗ


На всех схемах единый перечень элементов, зоны расположения элементов в полумонтажных схемах могут незначительно отличаться. Функциональная схема электроснабжения для всех автомобилей с генератором Вт.
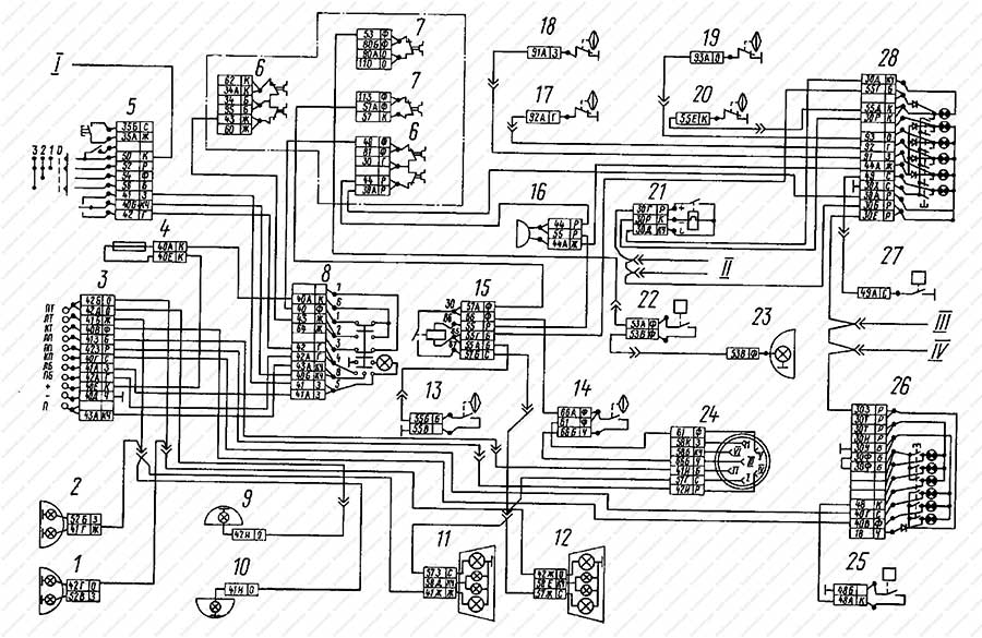
Электрическая схема электроснабжения автомобилей КамАЗ, , , , , , , , , На схемах рядом с условным изображением элементов электрооборудования приведены номера присоединяемых проводов, буквами обозначен их цвет: Б — белый; Г — голубой; Ж — жёлтый; З — зелёный; К — красный; КЧ — коричневый; О — оранжевый; Р — розовый; С — серый; Ф — фиолетовый; Ч — чёрный. Система электроснабжения служит для питания потребителей при работающем двигателе.
Электрическая схема электроснабжения автомобилей КамАЗ-5320, 5321, 53212, 53213, 5410, 54112, 55111, 55102, 53229, 65115.
Электрическая схема электроснабжения автомобилей КамАЗ-5320, 5321, 53212, 53213, 5410, 54112, 55111, 55102, 53229, 65115.
Электрическая схема электроснабжения.
1 – реле отключения обмотки возбуждения генератора; 2 – генератор; 3 – блок предохранителей; 4 – реле стартера; 5 – стартер; 6 – батареи аккумуляторные; 7 – выключатель «массы»; 8 – кнопка дистанционного выключателя «массы» аккумуляторных батарей; 9 – реле электродвигателей отопителя; 10 – амперметр; 11 – предохранители 13.3722 (7.5 А); 12 – предохранитель ПР310 (10 А); 13 – выключатель приборов и стартера; I – к термореле ЭФУ.
На схемах рядом с условным изображением элементов электрооборудования приведены номера присоединяемых проводов, буквами обозначен их цвет: Б – белый; Г – голубой; Ж – жёлтый; З – зелёный; К – красный; КЧ – коричневый; О – оранжевый; Р – розовый; С – серый; Ф – фиолетовый; Ч – чёрный.
Система электроснабжения служит для питания потребителей при работающем двигателе. источниками электроэнергии являются две аккумуляторные батареи 6, соединённые последовательно, генераторная установка 2, подключённая параллельно аккумуляторным батареям. Отрицательный вывод аккумуляторных батарей подсоединён к корпусу автомобиля через выключатель 7 массы с дистанционным управлением.
Схема оборудована реле 1, разрывающим цепь обмотки возбуждения генератора при работе ЭФУ. Кроме того, при рабочем положении ключа выключателя 13 приборов и стартера ток не подаётся к кнопке 8 дистанционного выключателя массы, что предотвращает случайное выключение массы при работающем двигателе (выключение аккумуляторных батарей возможно только после отключения генератора от системы электрооборудования установкой ключа выключателя приборов и стартера в нейтральное положение).
Источник
Электрическая схема запуска двигателя
Пусковая установка предназначена для запуска двигателя и обеспечения его стабильной работы в рабочем режиме.
Схема пуска двигателя Камаз
Система запуска состоит из следующих элементов:
- стартер типа СТ-142Б;
- реле стартера;
- выключатель стартера и приборов;
- реле блокировки;
- дублирующий выключатель стартера;
- розетка внешнего пуска.
Стартер СТ-142Б автомобиля КамАЗ
Стартер СТ-142Б — устройство
Стартером является электрический двигатель постоянного тока. Устройство служит для преобразования электрической энергии от источника тока в механическую энергию вращения коленчатого вала.
Устройство выполнено в герметичном корпусе и обладает последовательным возбуждением. Агрегат оснащен электромагнитным реле. С помощью электромагнитного реле шестерня стартера входит в зацепление с венцом маховика. Запуск и работа стартера сопровождается миганием контрольной лампы.
Первым приводом электродвигателя является храповый механизм. Храповик обладает свободным ходом. Вторым приводом служит масса двигателя.
Номинальное напряжение стартера типа СТ-1425 составляет 24 В. Номинальная мощность не превышает 7,7 кВт. Передаточное число установки «двигатель-стартер» имеет показатель 11,3.
Генератор автомобиля КамАЗ
Генератор представляет собой агрегат для преобразования механической энергии вращения коленчатого вала в электричество.
Генератор состоит из неподвижной части – статора и вращающегося элемента – ротора. Статор состоит из набора металлических пластин с обмотками из меди. Медные обмотки сдвинуты на 120° относительно друг друга.
Генератор Г-288 автомобиля КАМАЗ
Ротор имеет вид стального вала с рифлёной поверхностью. На вал запрессованы два магнитопровода. Между ними установлена медная обмотка возбуждения.
При подаче электроэнергии от источника питания в обмотках генератора возникают магнитные потоки. Каждый поток имеет противоположное направление. Пересечение разнонаправленных потоков приводит к образованию электроэнергии. Через щеточные выводы образуемая электроэнергия поступает к потребителям.
Электрическая схема грузового автомобиля КамАЗ имеет сложную конструкцию. Она состоит из многочисленных реле, датчиков, выключателей и контрольных ламп. Знание базовых принципов работы каждого элемента является обязанностью каждого водителя транспортного средства.
Видео по теме: Проводка на КАМАЗе
Публикации по теме
Способы усовершенствования компрессора из старого холодильника своими руками
Сборка компрессора для аэрографа своими руками
Что делать, если пила Штиль 180 не заводится – поиск причины
Как определить неисправность?
Есть несколько вариантов диагностики исправности электроцепи авто, которые можно осуществить в домашних условиях. К примеру, можно проверить наличие напряжение на определенном участке, для этого можно использовать мультиметр или контрольную лампочку.
Итак, если цепь неисправна, порядок действий следующий:
- Для начала необходимо подключить один из щупов тестера или контрольной лампы к клемме «-» АКБ, также его можно соединить с кузовом грузовика.
- Второй щуп необходимо подключить к соединению диагностируемого участка, при этом желательно, чтобы он был установлен как можно ближе либо к АКБ, либо к предохранителю.
- Если в результате подключения контрольная лампочка начала гореть или на дисплее мультиметра появилось напряжение, это значит, что данный участок цепи работает нормально. То есть все элементы подключены, как нужно, и ремонт проводки не требуется. Но при этом нужно учитывать, что в некоторых цепях напряжение может присутствовать в том случае, если ключ в замке зажигания повернуть в определенное положение.
- Далее, производится диагностика остальных участков цепи, процедура осуществляется аналогичным образом.
- Если вы найдете точку, где напряжения нет, то скорей всего, причина проблемы кроется между этой точкой и последним участком, где напряжение имеется.
- Нужно отметить, что в большинстве случаев проблемы с проводкой обусловлены именно плохим контактом.
Тестер для диагностики проводки Также в домашних условиях можно попытаться найти короткое замыкание в системе:
- Для начала из гнезда необходимо извлечь предохранительный элемент, отвечающий за диагностируемую цепь.
- Затем тестер нужно перевести в режим вольтметра.
- Один щуп устройства нужно подключить к клеммам подключения предохранителя. При этом все устройства и девайсы данной цепи должны быть отключены и обесточены.
- Затем попробуйте пошевелит кабель. Если в этот момент на дисплее будут появляться значения, то это свидетельствует о коротком замыкании. Как правило, такая проблема появляется в результате перетирания изоляции на проводе (автор видео — Григорий Сергеев).
https://youtube.com/watch?v=IQBVhNAATyA
Камаз 65115 схема электрооборудования. Электрическая схема автомобиля камаз.
Пневматический сигнал включают нажатием кнопки с правой стороны от переключателя наружного освещения. Помимо этого, при помощи генераторного узла производится зарядка АКБ.
Схема оборудована реле 1, разрывающим цепь обмотки возбуждения генератора при работе ЭФУ.
Расстояние L от экрана до центров наружной поверхности рассеивателей фар должно быть в пределах от 10 до 5 м, а расстояние Н — от до 75 мм для фар в буфере и от до мм для фар на кабине согласно таблицам, приведенным в соответствующих рисунках см. Весь процесс оплаты книги в формате PDF по ремонту автомобиля на нашем сайте занимает минуты.
При оптимальных технических параметрах устройство обладает конкурентоспособной ценой. Эффективность выполняемой операции и сохранность грузов находятся на высоком уровне.
Выводы Надеемся, что представленные схемы и видео материалы в данной статье помогут вам понять особенности грузовых автомобилей КАМАЗ и их многочисленных модификаций см. При этом загорается контрольная лампа, вмонтированная в ручку выключателя; контрольные лампы указателей поворота в блоке контрольных ламп могут не светить. Если вы найдете точку, где напряжения нет, то скорей всего, причина проблемы кроется между этой точкой и последним участком, где напряжение имеется. Электрическая принципиальная схема системы электроснабжения: G — генератор; СВ — аккумуляторная батарея; РА — амперметр; Rпр, — эквивалентный резистор проводов; Rп — эквивалентный резистор приемников; Iг, Iп, Iз, Iб соответственно сила тока генератора, приемников, эаряда и разряда аккумуляторных батарей; Ur — напряжение генератора Электрическая принципиальная схема системы электроснабжения, КАМАЗ Рис.
Так что если предохранитель выходит из строя, это может быть обусловлено либо его износом, что вполне нормально, либо перепадами напряжения в системе. Контактно-транзисторный реле-прерыватель 3 обеспечивает прерывистый режим работы указателей поворота автомобиля и прицепа; о работе указателей сигнализируют лампы отдельно для автомобиля и прицепа в блоке 26 контрольных ламп. Если у Вас нет аккаунта в PayPal, и Вы хотите оплатить с помощью банковской карты через PayPal, Вам необходимо нажать на кнопку «Create an Account Создать аккаунт » — на рисунке показано стрелочкой. Срабатывание сигнала торможения происходит за счет замыкания пневмоэлектрического датчика. При этом замыкаются контакты датчика 20, установленного в контуре III пневмопривода тормозных механизмов, и загорается контрольная лампа.
Подпишитесь!
Питание стартера осуществляется от двух аккумуляторных батарей, напряжением 12 В. Если у Вас банковская карта в валюте, которая отличается от рубля, то списание денег с карты произойдет по курсу Центрального банка России на момент совершения покупки. Источниками электроэнергии являются две аккумуляторные батареи 6, соединенные последовательно, генераторная установка 2, подключенная параллельно аккумуляторным батареям.
Положительный вывод АКБ подключается к выводу стартера, а отрицательный — к выключателю, а через него — к кузову транспортного средства. Сигнал о включении световой оповестительной сигнализации проходит через амперметр.
ЭЛЕКТРООБОРУДОВАНИЕ АВТОМОБИЛЯ.
Сцепление КамАЗа-5320
Сцепление КамАЗ-5320 — устройство, которое включает в себя такие элементы, как:
- ведомый и ведущий диски;
- втулка;
- отжимной рычаг;
- пружина;
- шланг для муфты;
- подшипник;
- упорное кольцо;
- вал вилки;
- кожух;
- накладка фрикционного типа.
Особенности:
- Транспортное средство оснащено автоматической установкой ведущего диска в положение при отключенном сцеплении, поэтому не требуется регулировка диска в процессе эксплуатации.
- Надежная форма кожуха гарантирует фиксацию пружин нажимного типа.
- Увеличенный срок службы фрикционной накладки.
- Подвесная педаль сцепления, которая не нарушает герметичности кабины водителя.
- Металлические втулки, которые расположены в опорах педали, не нуждаются в смазке.
Нужно ли снимать коробку?
Обычно фрикцион ремонтируют, снимая коробку передач. Однако, иногда проблема может застать водителя в совсем неудобных дорожных условиях, когда нет второго человека, без которого снятие КПП нереально, техническая оснащенность данной ситуации также оставляет желать лучшего. Поэтому ремонт проводится без снятия КПП.
Можно использовать самодельное приспособление — кусок проволоки, имеющей загнутый под девяносто градусов конец размером примерно два сантиметра. Толщина проволоки должна составлять 3-4 мм. Данная толщина нивелирует момент сгибания проволоки, дополнительно являясь идеальной для контроля возможно образовавшегося просвета между местом отсоединения диска с контуром лапок. Настройку производят специальной лапкой пневмоусилителя, вставляя ее в отверстие вверху картера. Детали регулируют максимально параллельно площади. Данные действия можно «разложить» по порядку.
- Сначала откручиваются контргаечные болты.
- Стопоры, пластины демонтируются.
- Гайки немного приспускаются примерно на пять оборотов, удобнее делать это трещотками.
- Если пятак вылез за предел кольца, даже немного, нужно проверить отсутствие снизу федоро, после чего можно «утопить» пятак обратно.
- Лучше всего сразу заменить пружины. Пружины являются постоянными расходниками ввиду частой их деформации (образование сколов, трещин, ржавчины, налета, мешающего сохранять эластичность материалов).
- Лапки выставляют максимально параллельно относительно кольца. Далее можно будет проанализировать уровень биения площади диска.
- Передний подшипник смазывают, регулируют максимально установленной величиной около тридцати миллиметров.
Отладить данным образом можно только двухдисковое сцепление, однодисковые механизмы требуют обязательного снятия коробки переключения передач.
Особенности электрооборудования
Начнем с описания — какие элементы и подсистемы включает в себя съема электропроводки КАМАЗ-5320:
- Световая сигнализация и поворотные огни.
- Система отопления, энергоснабжения, а также очистки лобового стекла.
- Наружное освещение, включающее в себя ближний и дальний свет, габаритные огни, противотуманные фары, если таковые имеются.
- Внутреннее освещение салона авто.
- Система запуска мотора.
- Также схема проводки включает в себя систему контрольно-измерительных устройств, расположенных на приборной панели автомобиля. На приборке находится не только спидометр и тахометр, но и множество индикаторов, а также датчики, предназначенные для обеспечения более удобного управления машиной.
- Звуковая сигнализация.
- Аудиосистема, если она имеется.
Нормальная работа электросхемы КАМАЗ 43118 возможна исключительно при правильном функционировании двух основных узлов:
- Аккумулятора. Этот прибор обеспечивает систему зажигания напряжением во время запуска двигателя, а также позволяет питать основное электрооборудование при выключенном ДВС.
- Генератора. Этот узел обеспечивает питание всех устройств и оборудования во время езды на авто. Также с помощью генератора обеспечивается восполнение заряда аккумулятора, который тот потратил на запуск мотора.
Электрическая схема электроснабжения автомобилей КамАЗ-5320, 5321, 53212, 53213, 5410, 54112, 55111, 55102, 53229, 65115.
Электрическая схема электроснабжения автомобилей КамАЗ-5320, 5321, 53212, 53213, 5410, 54112, 55111, 55102, 53229, 65115.
Электрическая схема электроснабжения.
1 – реле отключения обмотки возбуждения генератора; 2 – генератор; 3 – блок предохранителей; 4 – реле стартера; 5 – стартер; 6 – батареи аккумуляторные; 7 – выключатель «массы»; 8 – кнопка дистанционного выключателя «массы» аккумуляторных батарей; 9 – реле электродвигателей отопителя; 10 – амперметр; 11 – предохранители 13.3722 (7.5 А); 12 – предохранитель ПР310 (10 А); 13 – выключатель приборов и стартера; I – к термореле ЭФУ.
На схемах рядом с условным изображением элементов электрооборудования приведены номера присоединяемых проводов, буквами обозначен их цвет: Б – белый; Г – голубой; Ж – жёлтый; З – зелёный; К – красный; КЧ – коричневый; О – оранжевый; Р – розовый; С – серый; Ф – фиолетовый; Ч – чёрный.
Система электроснабжения служит для питания потребителей при работающем двигателе. источниками электроэнергии являются две аккумуляторные батареи 6, соединённые последовательно, генераторная установка 2, подключённая параллельно аккумуляторным батареям. Отрицательный вывод аккумуляторных батарей подсоединён к корпусу автомобиля через выключатель 7 массы с дистанционным управлением.
Схема оборудована реле 1, разрывающим цепь обмотки возбуждения генератора при работе ЭФУ. Кроме того, при рабочем положении ключа выключателя 13 приборов и стартера ток не подаётся к кнопке 8 дистанционного выключателя массы, что предотвращает случайное выключение массы при работающем двигателе (выключение аккумуляторных батарей возможно только после отключения генератора от системы электрооборудования установкой ключа выключателя приборов и стартера в нейтральное положение).
Источник статьи: http://almarka.ru/jelektricheskaja-shema-jelektrosnabzhenija-avtomobilej-kamaz-5320-5321-53212-53213-5410-54112-55111-55102-53229-65115/
Общая схема
В данной публикации будет представлена общая схема, а также деталировка отдельных подсистем.
В целом же автомобиль доказал свою надежность, однако суровые эксплуатационные условия заставляют владельцев пристально следить за отдельными элементами и узлами электрохозяйства.
Деталировка электрооборудования
Схема электропроводки КАМАЗ 55111 в рамках данной публикации представлена в виде постраничных элементов:
- Для удобства общая схема разделена на 10 листов (аналогично тому, как представлена инструкция в заводской документации);
- Формат частей пронумерован нами А и В с нумерацией, где А – первый ряд, а Б – соответственно второй;
- Такой способ вывода для распечатки в формате А3 и А4 максимально удобен;
- Все фото в статье кликабельны и адаптированы под работу не только на ПК, но и на планшетных устройствах.
Ниже представлено, как должна осуществляться склейка публикуемых частей. Цена распечатки 10 листов в разы меньше, чем стоимость инструкции, предлагаемой различными ресурсами и издательствами.
| А1 | А2 | А3 | А4 | А5 |
| В1 | В2 | В3 | В4 | В5 |
Основные подсистемы
Также следует помнить о модификациях автомобиля при обслуживании и ремонте, поскольку проводка КАМАЗ 5511 может иметь отличия.
В частности:
- на отечественных дорогах колесит немало конверсионной техники, имеющей экранированные элементы,
-
ряд модификаций выпускались для жарких стран
, поэтому подключение более мощного отопителя кабины невозможно на штатные провода и т.п.
дон юг авто сервис — КАМАЗ
КАМАЗ коды неисправности EURO 3 — описано как читать.
Камаз 5410 электросхема — отсканированные страницы с электрической схемой
Камаз диагностика АБС -проведение процедуры самостоятельной диагностики АБС чтения и сброса ошибок для разных систем АБС- Wabco,Кnоrr-Bremse,ЭКРАН.
Камаз 5320,55102,55111,53212,53211
53213.54112,43114,43118, 65111,
53228,44108,43115, 65115,6540, полное руководство по ремонту,электрические,пневматические схемы ремонт двигателя, отличного качества
53229,4326,53215,54115 —
КАМАЗ 5511.55102 цветные плакаты по ремонту на плакатах дано описание в рисунках и схемах ремонта всех узлов
ремонт автомобилей КАМАЗ книга — подробный автомануал
КАМАЗ с электронным блоком BOSCH MS6 электросхема,
Нормы расхода топлива на КАМАЗ таблица расходов топлива на весь модельный ряд камазов,
Нормы расхода топлива КАМАЗ с двигателями Cummins
автокран КС 55713 на базе КАМАЗА сервис мануал
Сколько времени прослужит отечественный тягач? статья специалистов
Грузовик КамАЗ-43081 обзорная статья
Установка ТНВД на двигатель КАМАЗа подробное описание ремонта тнвд.
Установка ТНВД на двигатель ЯМЗ 238 видео
Регулировка насоса ЯМЗ-238 видео
Камаз пневматическая схема тормозного привода,
Сборка насоса Д-240 видео
Сборка гидрораспределителя видео
Регулировка насоса Д-240 видео
Ремонт форсунок двигателя ЯМЗ видео ролик ремонта форсунок,
ремонт ГБЦ ЯМЗ-236 БЕЗ ПРИТИРКИ КЛАПАНА видео ролик
ЯМЗ замена стакана форсунки видео
Коробки передач грузовых автомобилей обзор описание
WABCO полный мануал, включает в себя электрические схемы,диагностические ошибки,пневмосхемы и прочее,
WABCO электрическая схема,
Что ломается в пневмоподвеске чаще всего и, главное, почему она ломается.
Схема устройства пневмостойки.
Схема пневмопривода тормозов КАМАЗ 5320,КАМАЗ 53212,КАМАЗ 55102 цветные плакаты,пневматической подвески
Схема пневмопривода тормозов КАМАЗ 5410,КАМАЗ 54112, цветные плакаты,тормозной системы,
Схема пневмопривода тормозов КАМАЗ 5511, цветные плакаты,тормозной системы,
КАМАЗ установка аппаратов пневмопривода тормозов, цветные плакаты,
КАМАЗ схема пневмопривода тормозов прицепного устройства, цветные плакаты,
КАМАЗ клапаны пневмопривода тормозов, цветные плакаты,
КАМАЗ аппараты управления тормозами прицепа (полуприцепа), цветные плакаты,
КАМАЗ тормозной кран, цветные плакаты,устройство,чертеж,
КАМАЗ аппарат подготовки сжатого воздуха (компрессор), цветные плакаты,
КАМАЗ стартер,генератор, цветные плакаты по устройству стартера и генератора,
КАМАЗ турбокомпрессор, цветные плакаты по устройству турбокомпрессора,
КАМАЗ задние тормоза, цветные плакаты описание заднего тормоза,
КАМАЗ передние тормоза, цветные плакаты описание передних тормозов,
КАМАЗ гидроцилиндры механизма подъема платформы.
КАМАЗ аппараты гидропривода подъема платформы. цветные плакаты описание гидропривода механизма подьема платформы, КАМАЗ 5511,КАМАЗ 55102 механизм подъема платформы. цветные плакаты,
КАМАЗ крепление и механизм опрокидывания кабины. цветные плакаты,
КАМАЗ схема переключения коробки передач и делителя. цветные плакаты,
Нормы расхода топлива для отечественных тягачей и грузовиков, Ремонт и обслуживание автомобилей КамАЗ-5320 и Урал-4320,
О перекалибровке двигателей Cummins,
Камаз размеры кабин
Таймер-терморегулятор 46.3741 ТТ10-ПЖД-12Б-24В. Руководство по эксплуатации
Алгоритм работы системы SCR AdBlue (управление мочевиной)
«КАМАЗ-Ajokki»
КамАЗ-Камский автомобильный завод — российская компания, производит дизельные грузовики и дизельные двигатели, действует с 1976 года.
Схема подключения генератора КамАЗ
Схема подключения генератора КамАЗ Евро 3, работает по следующему принципу. Контакты «АМ»/«КЗ» замыкаются при активации разъединителя приборов и устройства пуска «ВПС». Упорядоченное движение активных частиц от аккумулятора идёт на элемент защиты 60А. После, поступает на клеммы реле, отключающего возбуждающую обмотку (РООВ), затем подходит пятну контакта «Ш», которое имеет связь с клеммой «В». За счёт упорядоченного движения частиц происходит срабатывание силового транзистора VT2.
Схема подключения генератора КамАЗ 65115:
В это же время упорядоченное движение частиц проходит защитный элемент на 8А и подаётся на участок F3 реле выключения массы «РВМ». Точки соприкосновения реле срабатывают, упорядоченное движение частиц сквозь реле на 60А попадает на лампу контроля состояния аккумулятора «КЛ». Лампа срабатывает на точку «+D» после чего попадает на возбуждающий моток – клемма «Ш» настройки напряжения потом сквозь транзистор VT2 на корпус.
Возбуждающая катушка соединена с сетью проводов машины, генератор эксплуатируется в классическом режиме. Когда устройство вырабатывает порцию упорядоченного движения частиц, напряжения клемм «+D» и «+» имеют равное значение. Результатом становится исчезновение тока в цепочке начального возбуждения – лампа гаснет, катушка питается от блока вспомогательных диодов. Рост оборотов стимулирует вступление в действие механизма регулировки напряжения.
Схема изображает устройство, в котором реле, размыкающее возбуждающую обмотку, применяется в моторах с факельным механизмом. Суть в том, что свечи розжига потребляют напряжение в 19В. Запуск агрегата, и начало выработки генератором электричества, провоцирует сгорание свечей. Таким образом, реле разрывает контур размыкания аккумулятора, сразу после срабатывания пускателя, что бы при активном агрегате не отключиться от сети. Так же реле включает обмотку первичного возбуждения, что бы разгрузить контакты срабатывания приборов и пускателя.
Некоторые машины оборудованы генератором, без включения в схему электрического факельного устройства. Например, схема подключения генератора КамАЗ 5320, 4310.
Лампочка выполняет контролирующую функцию, работа изделия свидетельствует, что процесс эксплуатации цепи первоначального возбуждения происходит в нормальном режиме. Когда мотор завёлся, лампа гаснет, в противном случае, устройство генерирующее энергию не справляется с функцией.
Схема подключения генератора КамАЗ 4310, 5320:
На схеме обозначено:
- G – Обозначение механизма, генерирующего упорядоченное движение частиц;
- GB – Источник аккумулирующий электрическую энергию;
- Q – Пусковой разъединитель;
- C – Компонент электрической цепи, обладающий ёмкостью 2,2 мкФ;
- EL – Контрольная лампа 2 Вт;
- R – Шунтирующее сопротивление 50 Ом;
- KV – Устройство, регулирующее напряжение (интегральное);
- «Ш», «+», «W», «+D» – выходы генератора.
























