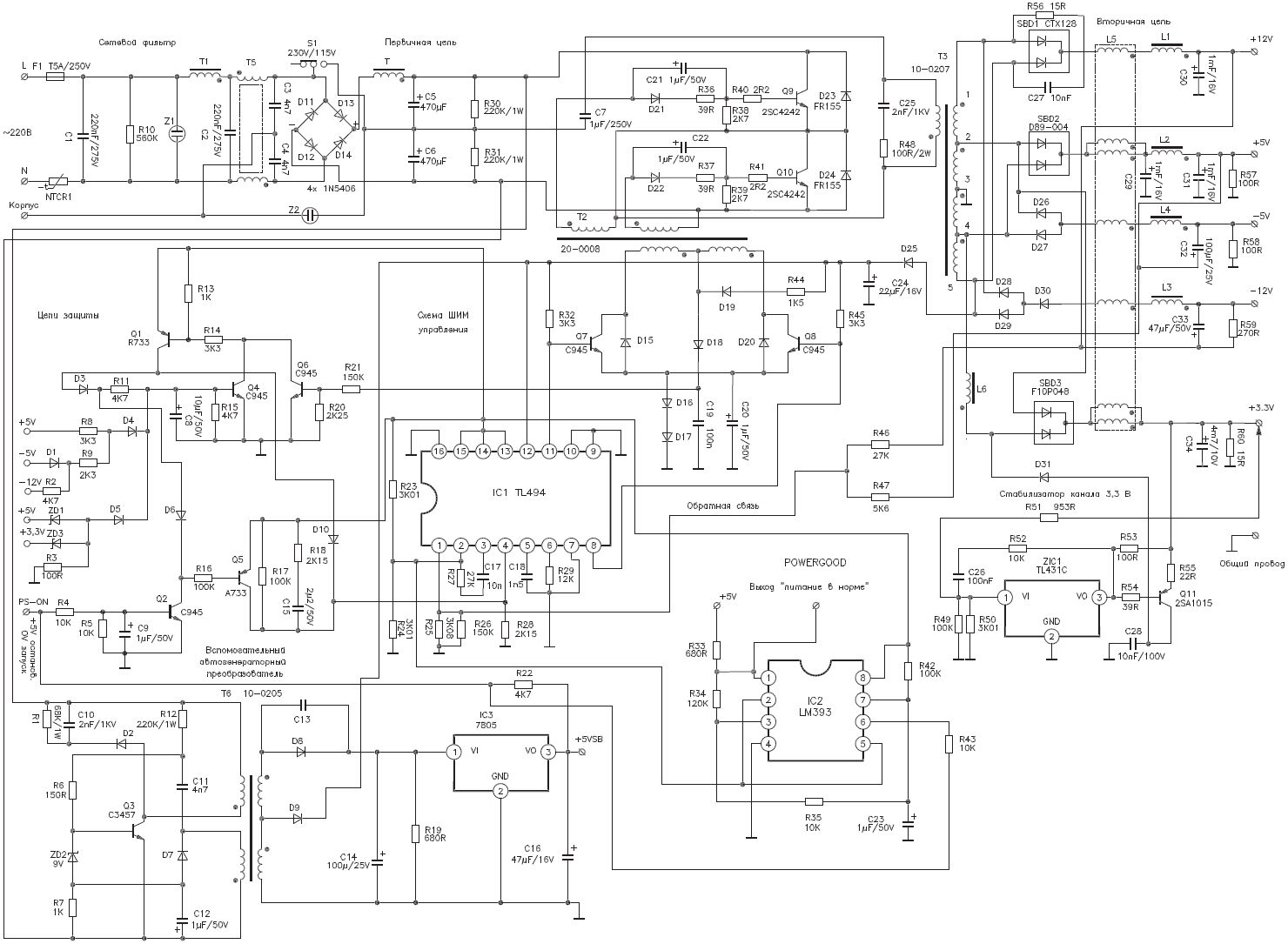
Схемы
Содержание
- 1 Подключение автомагнитолы если есть ISQ разъем
- 2 Нормативная документация
- 3 Как подключить розетку фаркопа
- 4 Что такое электросхемы?
- 5 Схемы подключения магнитолы
- 6 Виды розеток прицепов
- 7 Короткие замыкания и предохранители
- 8 Назначение каждой электросхемы
- 9 Электросхемы для авто: важность и область применения
- 10 Распиновка розетки фаркопа на 7 pin
- 11 Индикатор напряжения на светодиодах своими руками
- 12 Нужная схема электропроводки КАМАЗ 5511: сохраняем и используем
- 13 Точки подключения цепей питания
Подключение автомагнитолы если есть ISQ разъем
Всеобщая стандартизация последних десятилетий — не такая плохая штука. Если у вас относительно новый автомобиль, в нем, скорее всего, есть возле «посадочного места» под автомагнитолу колодка для ее подключения. Выполнена она по стандарту ISQ, подключена к электро/аудиосистеме автомобиля. В таком случае подключение автомагнитолы простейшее — соединить два разъема и все должно работать. Правда, надо знать, в какой именно разъем на машине устанавливать переходник, но это должно быть в описании к авто… Или можно попытаться понять по надписям рядом с гнездами.
В комплекте с автомагнитолой должен быть переходник на евро-разъем ISQ
Если автомагнитола не имеет такого выхода, то ей нужен переходник со штатного разъёма на ISO. Более-менее серьёзные производители делают такой разъём или в комплекте с магнитолой есть переходник. При отсутствии его можно купить или надо будет искать точно для вашей марки/модели магнитолы, что проблематично.
ISO разъём
Гораздо проще приобрести переходник и ориентируясь по цветам и схеме данной на крышке подцепить магнитолу.
Распиновка евро-разъема ISQ для подключения автомагнитолы
Можно, конечно, подключить магнитолу без штекера. Достаточно разобраться с выводами на ней и подключить (или протянуть провода к динамикам) не путая плюс и минус динамиков с выходами усилителя. Однако использование фишки упрощает подключение, когда нужно заменить магнитолу.
Нормативная документация
Система УГО была специально разработана, чтобы исключить путаницу и разночтение при работе с документами. Помимо УГО широко применяются буквенно-цифровые обозначения, например, при маркировке радио-, электроэлементов.
Требования к размерам, отображениям, схемам и планам электрооборудования содержатся в следующих нормативных документах ГОСТ:
- 21.404-85;
- 21.614-88;
- 2.755-87;
- 2.756-76;
- 2.747-68;
- 2.709-89;
- 2.710-81.
Элементная база постоянно подвергается изменению, поэтому в конструкторскую документацию вносятся соответствующие коррективы. Специалисты в области электрики и электроники регулярно отслеживают все нововведения в ГОСТах, остальным же это делать не обязательно. В бытовых условиях достаточно знать, как расшифровывается обозначение основных элементов.
Как подключить розетку фаркопа
Семиконтактный разъем на современных иностранных автомобилях чаще всего не используется. Речь идет о корпусе розетки для фаркопа с крышкой и резиновым кольцом для уплотнения. Как только в этой области начнется большее потребление тока — это будет воспринято системой как ошибка
Важно, чтобы контакты не были окислены или отгнили. Распиновка розетки фаркопа 7 пин в легковых автоприцепах Для синхронизации световых сигналов необходима распиновка розетки прицепа 7 пин и ее подключение к электропроводке машины
В свою очередь, блок согласования нужен, если передача управляющих сигналов происходит по мультиплексной шине
Все компоненты качественно соединены. Список лучших производителей: Bosal. Это гораздо проще, чем заменять разъём на автомобиле целиком. Речь идёт о блоке согласования между электрикой, фаркопом и прицепной части автомобиля. Он предусматривает подключение электрики фаркопа через специальное согласующее устройство. Данный вариант возможен, если на фаркопе и прицепе имеются соответствующие разъемы; универсальной. Регламентирована даже площадь поперечного сечения проводников, которая составляет от 1,5 до 2,5 мм2 в зависимости от потребляемой нагрузки.
Распиновка розетки фаркопа 7 пин в легковых автоприцепах
Если производитель добросовестный, то в коробку обязательно будет вкладываться инструкция по правильному размещению. Универсальный метод подключения разъема прицепа и распиновки Для подключения универсальным способом, используя разъем фаркопа, поочередно соединяют провод левого поворотного сигнала машины с левым поворотником прицепа, задний противотуманный огонь авто и противотуманку прицепной техники и т.
Разъемы продаются в любых автомагазинах, а для их подсоединения используют медные многожильные кабели с различными цветами проводов. Она используется на автомобилях со сложной электросхемой, требующей применения согласующего блока.
Стоп-сигналы коричневый. Для обеспечения надежности соединения необходимо приобрести специальные клеммы, изоленту и термоусадочную трубку. Впрочем, если у вас окажется иномарка с оригинальным фаркопом с розеткой pin, а у приобретаемого в нашей компании прицепа разъем 7-pin, то это не проблема — существуют переходники, как для подключения 7-контактного штеккера прицепа к контактной розетке, так и наоборот. Первое, что здесь нужно сделать — подключить блок согласования к штатной электрике автомобиля. Чаще всего в этом месте можно найти специальное технологическое окно, предусмотренное производителями с целью упростить процедуру замены испорченных лампочек. Подключение розетки для прицепа
Что такое электросхемы?
Непосредственно потребители напряжения.
Подкапотная лампа освещения. Свечи зажигания по одной на каждый цилиндр.
То есть эти кабеля попросту соединены между собой.
Бочек с электронным размыкателем — поплавком. По исходному состоянию, контакты реле различаются — на нормально замкнутые и нормально разомкнутые. На примере несложной схемы электрооборудования автомобиля ГАЗ-бЗА рассмотрим поиск обрыва проводов и других неисправностей бортовой сети рис. Основные датчики системы управления двигателем и способы их проверки Ниже мы рассмотрим основные датчики управления двигателем в автомобилях Daewoo.
Он синхронизирует электронное управление частей двигателя с данными ЭБУ. Чтобы включить эту цепь, необходимо ключом зажигания замкнуть клеммы AM и КЗ включателя зажигания.
Полезные программы и файлы СКАЧАТЬ
Зачем разбираться в электросхемах? Кроме того, посмотрев на электросхему, можно будет увидеть, что на самих электроцепях могут быть помечены дополнительные символы. Обычно встраивается в его механизм. Например, прикуриватель преобразует электрический ток в тепловую энергию. Реле зажигания автомобиля.
Резкие скачки или провалы свидетельствуют о неисправности датчика. Такие знания не нужны были владельцам первых автомобилей
Помимо этого, понимать, из каких элементов состоит электрооборудование автомобиля, очень важно для тех автолюбителей, которые хотят внести правки в работу системы. То есть две лампочки могут располагаться на приборе рядом, а на схеме — в противоположных друг от друга частях
Аналогичные явления создаются и в других цепях бортовой сети автомобиля.
Порядок чтения По сути, электросхема — это чертёж. Принципиальная электросхема являет собой визуальные изображение, где указываются все без исключения пиктограммы использующихся компонентов. Чтобы понять, как правильно читать автомобильные электрические схемы, нужно не только детально разбираться в условных обозначениях различных компонентов, но и при этом хорошо представлять себе то, каким образом осуществляется их формирование в блоки.
tokzamer.ru — Схемы электрооборудования автомобилей
Схемы подключения магнитолы
Виды розеток прицепов
Короткие замыкания и предохранители
Если используется провод неправильного размера, или если провод поврежден (отсоединен), это может привести к случайному короткому замыканию, которое буквально «пробивает» сопротивление компонента. Ток в проводе может стать опасно высоким, расплавить провод или даже вызвать пожар.
Блок предохранителей ВАЗ 2109
Чтобы предотвратить это, в цепях имеются предохранители. Наиболее распространенным типом предохранителя является короткий тонкий провод, помещенный в жаростойкий кожух, чаще всего – стеклянный маленький стакан.
Размер провода предохранителя является самым тонким во всей электрической системе, его сечение позволяет выдерживать минимальные токи без перегрева. Толщина провода предохранителя позволяет выдерживать только такие скачки напряжения, которые выдержит любой компонент, в том числе полупроводниковый.
Внезапный всплеск большого тока приводит к расплавлению плавкого предохранителя или (если предохранителя нет) к «удару», нарушающему электрическую цепь.
Когда это произойдет, проверьте, имеется ли короткое замыкание или отсоединение, затем установите новый предохранитель с правильным номинальным током. Существует много предохранителей, каждый из которых защищает небольшую группу компонентов, так что один сгоревший предохранитель не отключает всю систему. Многие из них сгруппированы вместе в блоке предохранителей.
Назначение каждой электросхемы
Структурная
Этот тип документа является наиболее простым и дает понимание о том, как работает электроустановка и из чего она состоит. Графическое изображение всех элементов цепи позволяет изначально увидеть общую картину, чтобы переходить к более сложному процессу подключения или же ремонта. Порядок чтения обозначается стрелочками и поясняющими надписями, что позволяет разобраться в структурной электрической схеме даже начинающему электрику. Принцип построения Вы можете увидеть на примере ниже:
Функциональная
Функциональная электросхема установки, по сути, не слишком отличается от структурной. Единственное отличие – более подробное описание всех составляющих узлов цепи. Выглядит этот документ следующим образом:

Принципиальная
Принципиальная электрическая схема чаще всего применяется в распределительных сетях, т.к. дает самое раскрытое пояснение о том, как работает рассматриваемое электрооборудование. На таком чертеже должны обязательно быть указаны все функциональные узлы цепи и вид связи между ними. В свою очередь, принципиальная электросхема может иметь две разновидности: однолинейная или полная. В первом случае на чертеже изображают только первичные сети, называемые также силовыми. Пример однолинейного изображения Вы можете увидеть ниже:
Полная принципиальная схема может быть развернутой или элементной. Если электроустановка несложная и на один главный чертеж можно нанести все пояснения, достаточно сделать развернутый план. Если же Вы имеете дело со сложной аппаратурой, которая имеет в составе цепь управления, автоматизации и измерения, лучше разнести все отдельные узлы на разные листы, чтобы не запутаться.

Существует также принципиальная электросхема изделия. Этот тип документа представляет собой своеобразную выкопировку из общего плана, на которой обозначено только, как работает и из чего состоит определенный узел.
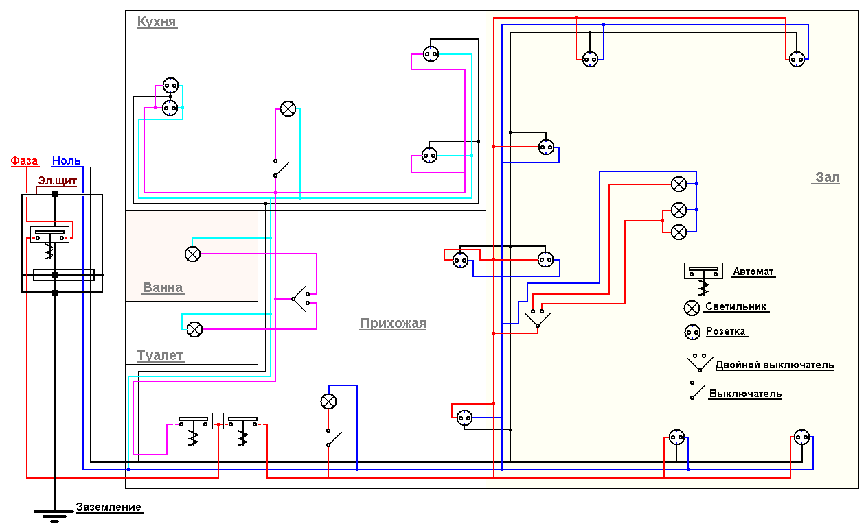
Монтажная
Эту разновидность электрических схем мы чаще всего используем на сайте, когда рассказываем о том, как самостоятельно выполнить монтаж электропроводки. Дело в том, что на монтажной электросхеме можно показать точное расположение всех элементов цепи, способ их соединения, а также буквенно-цифровые характеристики составляющих чертеж установок. Если взять за пример схему электропроводки в однокомнатной квартире, на ней мы увидим, где нужно размещать розетки, выключатели, светильники и остальные изделия.

Основное назначение монтажной схемы – руководство для проведения электромонтажных работ. Согласно подготовленному чертежу можно понять, где, что и как нужно подключать.
Кстати, монтажной также считается электросхема соединений, которая предназначена для подключения электрооборудования, а также соединения установок между собой в пределах одной цепи. При подключении бытовой техники руководствуются именно монтажной схемой.
Объединенная
Ну и последней из применяемых в распределительных сетях электросхемой является объединенная, которая может включать в себя несколько видов и типов документов. Ее используют в том случае, если можно без сильного нагромождения чертежа обозначить все важные особенности цепи. Используют объединенный проект чаще всего на предприятиях. Домашним мастерам такой тип схемы вряд ли может встретиться. Пример Вы можете увидеть ниже:
Существует также схема кабельных трасс, которая представляет собой упрощенный план прокладки кабельной линии к распределительным пунктам и трансформаторным подстанциям. Ее назначение аналогично монтажной электросхеме – с помощью данного документа монтажники руководствуются как вести линию от точки А к точке Б.
Напоследок рекомендуем просмотреть полезное видео по теме:
Вот мы и рассмотрели основные виды и типы электрических схем, а также их назначение и характеристики. Зная условные обозначения и имея под рукой всю нужную документацию совсем не сложно разобраться в том, как работает та или иная установка.
Будет интересно прочитать:
Электросхемы для авто: важность и область применения
Основная цель электросхемы – помочь в понимании структуры и работы электрической системы автомобиля. С помощью электросхемы можно определить причину неисправности электрической системы, провести диагностику и верно выполнить ремонт или замену неисправных компонентов.
Электросхемы используются во многих сферах, связанных с автомобилями. Они широко применяются производителями авто для разработки новых моделей и их модификаций, а также для проведения испытаний и тестирования электрических систем. Также электросхемы полезны автосервисам и механикам при проведении диагностики и ремонта электрических систем автомобилей.
- В автосервисах электросхемы используются для:
- идентификации электрических компонентов и соединений;
- определения причины неисправности электрической системы;
- проведения правильной диагностики и ремонта;
- установки и настройки новых электрических устройств и систем.
- Производители авто и инженеры:
- используют электросхемы для разработки новых моделей, включая электрическую систему;
- тестируют и испытывают электрические системы;
- вносят изменения и модификации в существующие электрические системы.
Однако для обычного автолюбителя электросхемы могут быть полезными при выполнении небольших ремонтных работ или модификаций. Они помогают понять, какие компоненты отвечают за работу определенных устройств, и какие провода и разъемы должны быть подключены к ним.
Существует множество ресурсов, где можно найти электросхемы для авто. Некоторые производители автомобилей предоставляют официальные электросхемы на своих веб-сайтах. Также существуют специализированные интернет-ресурсы, форумы и базы данных с электросхемами для различных моделей автомобилей.
Ознакомление с электросхемами для авто может показаться сложным и непонятным на первый взгляд, но со временем и опытом вы сможете легко читать и понимать электросхемы и использовать их как надежный инструмент в своей работе с автомобилями.
Распиновка розетки фаркопа на 7 pin
Распиновка розетки прицепа (от англ. pin – «вывод, ножка») – это схема разводки электрических разъемов, необходимая для самостоятельного подключения автоприцепа к автомобилю. Подключение требуется для обеспечения безопасной эксплуатации несамоходной прицепной техники. Соединение происходит с использованием розетки (расположена у фаркопа) и соответствующего штекера, подключенного к проводке прицепа. Используя соединительные разъёмы, можно объединить электрические схемы технических средств: электрический ток, подаваемый от автомашины, будет задействовать поворотные сигналы, габаритные огни и подсветку номерного знака автоприцепа. Также может потребоваться смарт-коннект, согласующий работу проводки автомобиля с прицепом (на некоторых современных автомобилях с электронными схемами управления).
Схема подключения розетки 7 к 7
Наиболее распространённая на данный момент схема подключения с «вилкой» на 7 контактов («европейский» разъем). Она применяется при подсоединении большинства прицепов для легковых машин. Схема подключения изображена ниже:

Обратите внимание: приемная и ответная часть устройства имеют гнезда обоих типов («папа» и «мама»). Такое решение – залог безопасности при соединении круглого разъема в условиях плохой видимости: взаимное расположение гнезд исключает вероятность их неверного соединения или коротких замыканий
Разъемы продаются в любых автомагазинах, а для их подсоединения используют медные многожильные кабели с различными цветами проводов
Для безопасной и длительной эксплуатации контакты рекомендовано промазать солидолом или литолом, а место ввода кабеля в розетку обработать герметиком
Разъемы продаются в любых автомагазинах, а для их подсоединения используют медные многожильные кабели с различными цветами проводов. Для безопасной и длительной эксплуатации контакты рекомендовано промазать солидолом или литолом, а место ввода кабеля в розетку обработать герметиком.
Распиновка розетки фаркопа 7 пин в легковых автоприцепах
Для синхронизации световых сигналов необходима распиновка розетки прицепа 7 пин и ее подключение к электропроводке машины. Оптимальные места для расположения розетки – технологические проемы для смены ламп (в них есть доступ к колодкам). Если на фаркопе установлен подрозетник, на который выведены все сигналы, достаточно купить «вилку» на 7 контактов, соединив в соответствии со схемой разъема, обозначенной в руководстве по эксплуатации. Указанный метод называется штатным. В противном случае используют универсальный способ подключения: проводку подсоединяют прямо к сигнальным цепям при отсутствии в автомобиле бортового компьютера. Провода, идущие от разъема, соединяют с электроцепями задних фонарей.
Универсальный метод подключения разъема прицепа и распиновки

Подключая провода через разъем фаркопа, примените обжимные клипсы или спаяйте провода, предварительно зачистив изоляцию. Для подключения к машине с бортовым компьютером необходима не только вилка прицепа 7 pin, но и блок согласования – устройство, подключаемое к бортовой схеме и не воспринимаемое компьютером. Даже при увеличенном потреблении тока ввиду работы светового оборудования автоприцепа бортовой компьютер не будет сигнализировать о неисправностях.
Распиновка 7-контактной розетки прицепа: важные особенности
Упрощенная схема подключения розетки 7 к 7 предполагает самостоятельное определение трассировки проводов, а наибольшую трудность вызывает определение места включения соответственных проводников. Настоятельно не рекомендуется делать это наугад, последовательно соединяя разъемные контакты автоприцепа с индикаторной лампой – при наличии цифровых схем управления световыми приборами такой метод небезопасен.
Перед подключением проверьте электронные цепи в разъеме прицепа на предмет отгнившей проводки в зоне паек и контактов, на короткие замыкания на участках трущихся элементов. После этого составьте схему трассировки с обозначением цветов, способов и мест соединения проводов. Если электрические соединения расположены вне салона, их следует покрыть термоусаживаемым кембриком (специальным изолятором), а по завершении работ проверить электросвязи мультиметром, удостоверившись в отсутствии замыканий.
Индикатор напряжения на светодиодах своими руками
Проверка напряжения в цепи – процедура, необходимая при выполнении различного рода работ, связанных с электричеством. Некоторые любители-электрики, а иногда и профессионалы пользуются для этого самодельной «контролькой» – патроном с лампочкой, к которому подсоединены провода.
Хотя такой метод запрещен «Правилами безопасной эксплуатации электроустановок потребителей», он достаточно эффективен при грамотном использовании. Но все же в этих целях лучше пользоваться светодиодными определителями – пробниками. Их можно купить в магазине, а можно изготовить самостоятельно.
В этой статье мы расскажем, для чего нужны эти приборы, по какому принципу они работают и как изготовить индикатор напряжения на светодиодах своими руками.
Для чего нужен логический пробник?
Это устройство с успехом применяется, когда необходимо произвести предварительную проверку работоспособности элементов простой электрической схемы, а также для первичной диагностики несложных приборов – то есть в тех случаях, когда не требуется высокая точность измерений. С помощью логического пробника можно:
- Определить наличие в электроцепи напряжения величиной 12 – 400 В.
- Определить полюса в цепи постоянного тока.
- Произвести проверку состояния транзисторов, диодов и других электрических элементов.
- Определить фазную жилу в электроцепи переменного тока.
- Прозвонить электрическую цепь для проверки ее целостности.
Наиболее простыми и надежными приборами, с помощью которых производятся перечисленные манипуляции, являются индикаторная отвертка и звуковая отвертка.
Пробник электрика: принцип работы и изготовление
Простой определитель на двух светодиодах и с неоновой лампочкой, получивший среди электриков название «аркашка», несмотря на несложное устройство, позволяет эффективно определять наличие фазы, сопротивления в электроцепи, а также обнаруживать в схеме КЗ (короткое замыкание). Универсальный пробник для электрика в основном используется для:
- Диагностики на обрыв катушек и реле.
- Прозвонки моторов и дросселей.
- Проверки выпрямительных диодов.
- Определения выводов на трансформаторах с несколькими обмотками.
Это далеко не полный перечень задач, которые решают с помощью пробника. Но и перечисленного достаточно, чтобы понять, насколько полезно это устройство в работе электромонтера.
В качестве источника питания для этого устройства используется обычная батарейка с показателем напряжения 9 В. Когда щупы тестера замкнуты, величина потребляемого тока не превышает 110 мА. Если же щупы разомкнуты, то устройство не потребляет электроэнергию, поэтому ему не нужен ни переключатель режима диагностики, ни выключатель энергопитания.
Нужная схема электропроводки КАМАЗ 5511: сохраняем и используем
Точки подключения цепей питания
На 50% стабильность работы автомобильной сигнализации зависит от корректности подключения точек питания.
Массовый (минусовой) провод питания, а их в схеме установки сигнализации может быть несколько, должен обеспечивать надежное соединение с кузовом автомобиля. Обычно в схеме электропитания автомобиля в салоне имеется множество мест подключения массовых проводов (земля – ground). Они обычно выполнены в виде резьбовых соединений, приваренных к кузову автомобиля.
Они могут быть расположены:
- на стыках пола салона и боковых стоек, передней консоли;
- на металлических элементах центральной консоли;
- на рулевой колонке.
Следует использовать только места соединения под гайку (не под разъем). Проводник, ведущий к массе, должен иметь сечение не менее 10 кв.мм. Как правило, его сечение оговорено в инструкции по установке. Такое же сечение должно быть и у главного плюсового провода, питающего автомобильную сигнализацию.
Наиболее безопасно вести плюсовой провод непосредственно от плюсовой клеммы аккумуляторной батареи через предохранитель 30 – 40 Ампер, установленный в отдельное гнездо. Во многих случаях его необходимо приобретать отдельно. Подключение следует производить как можно более скрытно, желательно, вдоль штатной проводки автомобиля, прихватив провод хомутами к жгуту. Такой метод не позволит по проводу питания «добраться» к головному блоку сигнализации.
Питание по шине 15 (зажигание включено) не всегда следует производить непосредственно от ключа зажигания. В большинстве современных замков зажигания (после 2005 г.в.) используется электронное включение зажигания. Необходимо по схеме определить реле, обозначаемое, как включение цепи питания 15 (IGN- ignition), и только с его выходной клеммы подключать цепь питания.













