Особенности вазовской электропроводки и ее замена
Содержание
- 1 Принцип действия контактной системы зажигания
- 2 Схема ВАЗ-21043 и ВАЗ-21047 карбюратор
- 3 Общие данные
- 4 Совокупные схемы электроснабжения ВАЗ 2104 — 21053
- 5 Диагностика неисправностей
- 6 Схема соединения монтажного блока ВАЗ 2104
- 7 Схема ВАЗ-2104
- 8 Замена электропроводки ВАЗ 2104
- 9 Блок предохранителей ВАЗ 2104 2105
- 10 Схема ВАЗ-2104
- 11 Проверяем работоспособность модулей зажигания: инжектор 8 16 клапанов
- 12 Признаки неработоспособности электросхемы
Принцип действия контактной системы зажигания
Контактная система перечисленных выше автомобилей имеет две электрических цепи: низкого и высокого напряжения (первичная и вторичная цепи). Цепь низкого напряжения — это:
АКБ — — вывод «30» генератора — — монтажный блок предохранителей и реле — — замок зажигания — — первичная обмотка катушки зажигания (вывод «Б») — — вывод прерывателя в трамблере (контакты).
На автомобилях ВАЗ 2101, 2102, 2103, 2106, 2121 монтажный блок в цепь низкого напряжения не входит.
Вторичная обмотка катушки зажигания — — центральный высоковольтный провод от катушки зажигания к крышке трамблера — — распределитель зажигания — — высоковольтные провода к свечам зажигания — — свечи зажигания.
Откуда приходит электрический ток в контактную систему зажигания
Электрический ток в систему зажигания поступает с аккумуляторной батареи через первичную цепь или, когда напряжение выдаваемое генератором становится выше напряжения АКБ, то с вывода «30» генератора так же через первичную цепь.
Принцип действия контактной системы зажигания
Электрический ток протекая по первичной обмотке катушки зажигания создает вокруг ее витков сильное магнитное поле. Когда контакты прерывателя под действием четырехгранного кулачка на валу трамблера размыкаются, ток в первичной обмотке исчезает. Магнитное силовое поле резко сокращается и пересекая витки первичной и вторичной обмоток катушки зажигания, индуктирует в них ЭДС, пропорциональную числу витков. ЭДС во вторичной обмотке катушки достигает значения 12000 — 24000 В.
Через вторичную цепь этот электрический ток высокого напряжения поступает на свечи зажигания, создавая искру между их контактами, тем самым воспламеняя топливную смесь.
Примечания и дополнения
— ЭДС (электродвижущая сила) физическая величина характеризующая действие сторонних сил в источнике тока, измеряемая в вольтах. Она появляется в источниках тока при возникновении изменения в магнитном поле.
Схема ВАЗ-21043 и ВАЗ-21047 карбюратор

1 – блок-фары; 2 – боковые указатели поворота; 3 – аккумуляторная батарея; 4 – реле включения стартера; 5 – электропневмоклапан карбюратора; 6 – микровыключатель карбюратора; 7 – генератор 37.3701; 8 – моторедукторы очистителей фар*; 9 – электродвигатель вентилятора системы охлаждения двигателя; 10 – датчик включения электродвигателя вентилятора; 11 – звуковые сигналы; 12 – распределитель зажигания; 13 – свечи зажигания; 14 – стартер ВАЗ 21047; 15 – датчик указателя температуры охлаждающей жидкости; 16 – подкапотная лампа; 17 – датчик сигнализатора недостаточного давления масла; 18 – катушка зажигания; 19 – датчик сигнализатора недостаточного уровня тормозной жидкости; 20 – моторедуктор очистителя ветрового стекла; 21 – блок управления электропневмоклапаном карбюратора; 22 – электродвигатель насоса омывателя фар*; 23 – электродвигатель насоса омывателя ветрового стекла; 24 – выключатель света заднего хода; 25 – выключатель сигнала торможения; 26 – реле аварийной сигнализации и указателей поворота; 27 – реле очистителя ветрового стекла; 28 – монтажный блок; 29 – выключатели плафонов на стойках передних дверей; 30 – выключатели плафонов на стойках задних дверей; 31 – диод для проверки исправности лампы сигнализатора недостаточного уровня тормозной жидкости; 32 – плафоны; 33 – выключатель сигнализатора стояночного тормоза; 34 – лампа сигнализатора недостаточного уровня тормозной жидкости; 35 – блок сигнализаторов; 36 – штепсея розетка для переносной лампы**; 37 – лампа освещения вещевого ящика; 38 – переключатель очистителя и омывателя стекла двери задка; 39 – выключатель аварийной сигнализации; 40 – трехрычажный переключатель; 41 – выключатель зажигания; 42 – реле зажигания; 43 – эконометр; 44 – комбинация приборов; 45 – выключатель сигнализатора прикрытия воздушной заслонки карбюратора; 46 – лампа сигнализатора заряда аккумуляторной батареи; 47 – лампа сигнализатора прикрытия воздушной заслонки карбюратора; 48 – лампа сигнализатора включения указателей поворота; 49 – спидометр; 50 – лампа сигнализатора резерва топлива; 51 – указатель уровня топлива; 52 – регулятор освещения приборов; 53 – часы; 54 – прикуриватель; 55 – предохранитель цепи противотуманного света; 56 – электродвигатель вентилятора отопителя; 57 – дополнительный резистор электродвигателя отопителя; 58 – электродвигатель насоса омывателя стекла двери задка; 59 – выключатель заднего противотуманного света с сигнализатором включения; 60 – переключатель вентилятора отопителя; 61 – выключатель обогрева стекла двери задка с сигнализатором включения; 62-переключатель наружного освещения; 63 – вольтметр; 64-лампа сигнализатора включения наружного освещения; 65-лампа сигнализатора включения дальнего света фар; 66 – лампа сигнализатора недостаточного давления масла; 67 – лампа сигнализатора включения стояночного тормоза; 68 – тахометр; 69 – указатель температуры охлаждающей жидкости; 70 – задние фонари; 71 – колодки для подключения к элементу обогрева стекла двери задка; 72 – датчик указателя уровня и резерва топлива; 73 – плафон освещения задней части салона; 74 – фонари освещения номерного знака; 75 – моторедуктор очистителя стекла двери задка.
Электросхема — полный вид:
Общие данные
Появление универсала ВАЗ 2104 на отечественном рынке было оправдано сразу несколькими причинами:
- Во-первых, его предшественник ВАЗ 2102 базировался на шасси копейки, тогда как автопроизводитель уже массово выпускал более современные модели (см. например ВАЗ 21213: нюансы работы).
- А во-вторых, стране требовался транспорт, позволяющий простым гражданам обеспечить себя универсальным транспортным средством, с помощью которого можно транспортировать нехитрый скарб на дальние расстояния.
На представленном в статье видео наглядно продемонстрированы его возможности как многофункционального транспортного средства, способного не только перевозить пассажиров в городской черте, но и как средства для активного туризма:
- путешествия в горную местность;
- поездки на природу;
- дальние маршруты к морским побережьям и т.п.
Модель оказалась популярной и в странах соцлагеря.
Она поставлялась туда с 1984 по 2009 годы включительно, и предлагалась под торговыми именами:
- Lada Estate,
- Lada Combi или Lada Nova Combi,
- Lada Riva Break.

Про другие отличия экспортных моделей АвтоВАЗа вы можете прочесть в статье — насколько вариант Samara Baltic лучше отечественных аналогов.
Совокупные схемы электроснабжения ВАЗ 2104 — 21053
Все потребляющие электричество системы ВАЗ 2104 коммутируются по однопроводной линии. Источниками электроэнергии являются аккумулятор и генератор. Положительный контакт этих источников связан с электрическими приборами, а отрицательный идёт на кузов (массу).
Электрооборудование ВАЗ 2104 делится на три вида:
- рабочее оборудование (аккумулятор, генератор, зажигание, стартер);
- вспомогательное эксплуатационное оборудование;
- светозвуковая сигнализация.
При выключенном двигателе всё электрооборудование, в том числе и стартер, питается от аккумулятора. После запуска стартером двигателя источником электроэнергии становится генератор. При этом он восстанавливает заряд аккумулятора. Системой зажигания создаётся искровой разряд для воспламенения поступающей в двигатель топливновоздушной смеси. В функции светозвуковой сигнализации входит внешнее освещение, подсветка салона, включение габаритов, подача звукового сигнала. Коммутация электрических цепей происходит через замок зажигания, состоящий из электрического контактного узла и механического противоугонного устройства.
На ВАЗ 2104 используется аккумулятор 6СТ-55П или аналогичный. В качестве источника переменного тока используется синхронный генератор 37.3701 (или Г-222). Это трёхфазный генератор с электромагнитным возбуждением и встроенным выпрямительным блоком на кремниевых диодах. Снимаемое с этих диодов напряжение питает обмотку ротора и подаётся на контрольную лампу заряда аккумулятора. На автомобилях с генератором 2105–3701010 эта лампа не задействована, а уровень заряда аккумулятора контролируется вольтметром. Генератор крепится на кронштейнах в правой (по ходу движения) передней части моторного отсека. Ротор генератора приводится в движение шкивом коленчатого вала. Стартер 35.3708 прикреплён к картеру сцепления с правой стороны двигателя, ограждён теплоизоляционным щитком от трубы выхлопной системы и включается электромагнитным реле дистанционного управления.
На ВАЗ 2104 используется контактная, а в автомобилях, произведённых после 1987 года, бесконтактная система зажигания. Контактная система содержит следующие элементы:
- распределитель-прерыватель, предназначенный для размыкания цепи катушки зажигания с током низкого напряжения и распределения импульсов высокого напряжения по свечам зажигания;
- катушка зажигания, основной функцией которой является преобразования тока низкого напряжения в ток высокого напряжения;
- свечи зажигания;
- высоковольтные провода;
- выключатель зажигания.
Бесконтактная система состоит из:
- датчика-распределителя, подающего управляющие импульсы низкого напряжения на коммутатор и распределяющего импульсы высокого напряжения по свечам зажигания;
- коммутатора, предназначенного для прерывания тока в цепи низкого напряжения катушки зажигания в соответствии с сигналами датчика-распределителя;
- катушки зажигания;
- свечей зажигания;
- высоковольтных проводов.
Ток постоянно подаётся в электрические контуры:
- звуковых сигналов;
- стоп-сигналов;
- прикуривателя;
- освещения салона;
- розетки переносной лампы;
- аварийной световой сигнализации.
Для коммутации и защиты электроприборов от перепадов напряжения в специальной нише подкапотного пространства имеется монтажный блок с предохранителями и реле, назначение которых схематично указано на крышке блока. Штатный блок можно снять, заменить плату или восстановить её токопроводящие дорожки.
На приборной панели ВАЗ 2104 расположены клавиши включения:
- внешних осветительных приборов;
- противотуманных фар;
- обогрева заднего стекла;
- отопления салона.
Кнопка световой сигнализации находится на защитном кожухе вала рулевой колонки, а под колонкой расположены переключатели ближнего и дальнего света, поворотников, дворников и омывателя лобового стекла.
Диагностика неисправностей
Итак, если вы хотите произвести проверку работоспособности всех элементов схемы электропроводки, необходимо придерживаться определенных действий. Если в работе оборудования имеются проблемы, то в первую очередь необходимо проверить, рабочие ли предохранители, установленные в блоке. Если с предохранителями все в порядке, а не работает, к примеру, оптика, то нужно будет проверить лампы. Если с ними все в норме, то осуществляется прозвонка проводки с помощью тестера.
В том случае, если машина вовсе не заводится, нужно будет выполнить следующие действия:
- Сначала произведите проверку АКБ, как сказано выше, полный разряд может стать причиной невозможности запуска двигателя.
- Если АКБ заряжен, нужно прозвонить участок цепи от катушки зажигания до генератора. Часто случается такое, что виной всему обрывы. При выявлении обрывов в схеме электропроводки необходимо заменить провода. Если вы заметили, что на контактах соприкосновения имеются окисления, то их необходимо ликвидировать. Для этого контакты либо меняются, либо зачищаются.
- Если катушка не дает искру, мотор завести не получится. Чтобы проверить, есть ли искра, вытащите высоковольтный провод и поднесите его к массе, то есть к железу (кузову, например). Ваш помощник в этот момент должен крутить стартер, чтобы запустить ДВС. В момент попытки запуска между проводом и массой должна промелькнуть искра.
- Троение двигателя и невозможность его запуска часто связана с эксплуатацией плохих свечей зажигания. Препятствовать нормальной работе силового агрегата может нагар и налет, который появляется на электродах. Соответственно, при слишком большом слое налета появление искры будет невозможным. Чтобы решить проблему, необходимо произвести очистку свечей, подробную инструкцию вы найдете тут.
Загрузка …
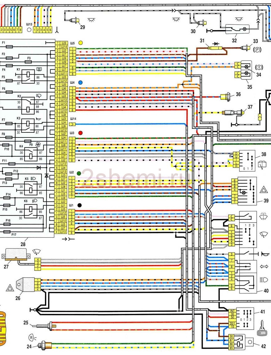
Схема соединения монтажного блока ВАЗ 2104
Блок предохранителей в «четверке» оснащается шестью реле:
- Р1 — для защиты цепи системы обогрева заднего стекла.
- Р2 — система очистки и обмыва оптики.
- Р3 — звуковые сигналы в авто.
- Р4 — вентилирующее устройство охладительной системы мотора.
- Р5 — дальнее освещение оптики.
- Р6 — ближнее освещение фар.
Схема соединений блока с предохранителями ВАЗ 2104
Обозначение предохранительных элементов, а также их описание подробно приведено в таблице.
| Номер предохранительного устройства | Цепи, защищающиеся предохранителем |
| 1 (на 8 ампер) | Используется для защиты:
|
| 2 (на 8 ампер) | Этим устройством защищаются:
|
| 3 (на 8А) | Резервное предохранительное устройство |
| 4 (на 8А) | Резервный элемент |
| 5 (на 16А) | Предохранитель системы прогрева и реле активации цепи стекла двери багажного отсека |
| 6 (8А) | Защита:
|
| 7 (на 16 ампер) | Предохранитель защиты звуковых сигналов и реле активации этих устройств. Также устройство отвечает за работу электрического моторчика вентилятора охладительной системы силового агрегата и реле активации электромотора. |
| 8 (8А) | Переключательное устройство и прерывательное реле указателей поворотных огней при работе световой сигнализации |
| 9 (8А) | Регуляторное устройство напряжения генераторной установки. Используется только на автомобилях, оборудованных устройством ГВ222. |
| 10 (на 8 ампер) | Данный предохранитель отвечает за несколько устройств:
|
| 11 (8А) | Предохранитель отвечает за работоспособность задних фар стоповых огней, а также плафона освещения в салоне авто |
| 12 (8А) | Защита электроцепи правого фонаря системы дальнего освещения и обмотки реле активации очистителей оптики при дальнем свете |
| 13 (8А) | Защищает цепь левого фонаря при включении дальнего освещения, а также контрольный индикатор активации дальнего света |
| 14 (8А) | Предохранитель предназначен для защиты:
|
| 15 (8А) | Защищает электроцепи:
|
| 16 (8А) | Предохранитель отвечает за работу правого фонаря ближнего освещения, а также обмотки реле активации системы очистки оптики, если работает ближний свет. |
| 17 (8А) | Левый фонарь ближнего освещения |
Схема ВАЗ-2104
ВАЗ 2104 с задним приводом и кузовом «универсал» выпускался с 1983 по 2012 год. Модель постоянно совершенствовалась: менялось электрооборудование, появилась система впрыска топлива, пятиступенчатая КПП и полуспортивные передние сиденья. Модификация ВАЗ 21043 была дополнена системой очистки и подогрева окна задней двери. Информация по схемам предназначена для самостоятельного ремонта авто. Электросхемы разделены для удобства просмотра через компьютер или телефон на несколько блоков, также имеются файлы в виде единой картинки с описанием каждого элемента — для распечатки на принтере.
Замена электропроводки ВАЗ 2104
Если в системе подачи питания на приборы появляются сбои, надо убедиться в целостности электролинии.
Для этого следует:
- Обесточить диагностируемый участок. При проверке проводки обязательно отключается аккумуляторная батарея либо предохранитель конкретного отрезка линии.
- Произвести подключение контактных элементов мультиметра к концам диагностируемой цепи. Второй щуп соединяется с заземлением или «массой» автомобиля.
- Проверить целостность проводов. Если на дисплее тестера показания отсутствуют, это свидетельствует об обрыве на линии.
- Произвести замену электроцепи на новую.
Выбор кабелей для замены осуществляется в соответствии с особенностями оборудования и схемы питания. Необходимо использовать только штатные проводники либо кабеля от других аналогичных моделей с похожими характеристиками. Чтобы выполнить замену проводки, производится разбор передней или задней части салона. Если длина кабеля недостаточная, ее придется самостоятельно нарастить, а все места соединений спаять и заизолировать.
Блок предохранителей ВАЗ 2104 2105
Где расположен монтажный блок предохранителей ВАЗ: 2104, 2105 (карбюратор, инжектор)
Монтажный блок расположен в моторном отсеке с правой стороны и закреплен на щите передка. Монтажный блок сверху закрыт крышкой, на которой нанесены символы назначения реле, номера предохранителей и защищаемые ими цепи. Большинство цепей электрооборудования автомобиля защищено плавкими предохранителями, установленными в монтажном блоке.
| Номер предохранителя | Сила тока,А | Защищаемые цепи |
| F1 | 10 | Задние фонари (сеет заднего хода). Электродвигатель отопителя Контрольная лампа и реле обогрева заднего стекла (обмотка) |
| F2 | 10 | Электродвигатели стеклоочистителя и насоса омывателя ветрового стекла. Реле очистителя ветрового стекла |
| F3 | 10 | Резервный |
| F4 | 10 | Резервный |
| F5 | 20 | Элемент обогрева заднего стекла и реле включения обогрева (контакты) |
| F6 | 10 | Прикуриватель. Штепсельная розетка переносной лампы |
| F7 | 20 | Звуковые сигналы и реле включения звуковых сигналов. Электродвигатель вентиля тора системы охлаждения двигателя и реле включения электродвигателя (контакты) |
| F8 | 10 | Указатели поворота в режиме аварийной сигнализации. Выключатель и реле-прерыватель указателей поворота и аварийной сигнализации в режиме аварийной сигнализации |
| F9 | 7.5 | Регулятор напряжения генератора (на автомобилях с генератором Г-222) |
| F10 | 10 | Указатели поворота в режиме указания поворота и соответствующая контрольная лампа. Реле-прерыватель указателей поворота. Сигнализатор указателей поворота Тахометр Указатель уровня топлива. Указатель температуры охлаждающей жидкости. Вольтметр. Реле включения электродвигателя вентилятора (обмотка). Контрольная лампа заряда аккумуляторной батареи. Контрольные лампы резерва топлива и включения стояночного тормоза. Сигнальные лампы аварийного падения давления масла и недостаточного уровня тормозной жидкости. Контрольная лампа включения стояночного тормоза. Контрольная лампа прикрытия воздушной заслонки карбюратора (для карбюраторного двигателя). Термовыключатель электровенти-лятора. Система управления пневмоклапаном карбюратора Обмотка возбуждения генератора (генератор 37.3701) |
| F11 | 10 | Задние фонари (лампы стоп-сигнала). Плафон внутреннего освещения кузова |
| F12 | 10 | Правая фара (дальний свет). Обмотка реле включения очистителей фар (при включенном дальнем сеете) |
| F13 | 10 | Левая фара (дальний свет). Контрольная лампа включения дальнего света фар |
| F14 | 10 | Левая фара (габаритный свет). Правый задний фонарь (габаритный свет). Фонари освещения номерного знака. Подкапотная лампа Контрольная лампа включения габаритного света |
| F15 | 10 | Правая фара (габаритный свет). Левый задний фонарь (габаритный свет). Лампа освещения прикуривателя. Лампа освещения приборов. Лампа освещения вещевого ящика |
| F16 | 10 | Правая фара (ближний свет). Обмотка реле включения очистителей фар (при включенном ближнем сеете) |
| F17 | 10 | Левая фара (ближний свет) |
Схема соединений монтажного блока:
P1 — реле включения обогрева заднего стекла; P2 — реле включения очистителей и омывателей фар; PЗ — реле включения звуковых сигналов; P4 — реле включения электродвигателя вентилятора системы охлаждения двигателя; P5 — реле включения дальнего света фар; P6 — реле включения ближнего света фар; А — порядок условной нумерации штекеров в колодках монтажного блока. Наружная цифра с буквой «Ш» в обозначении штекера — номер колодки, а внутренняя цифра — условный номер штекера. Штекеры колодок без цветной маркировки условно показаны коричневым цветом
Расположение реле и предохранителей в монтажном блоке: 1 — реле включения обогрева заднего стекла; 2 — место для установки реле включения очистителей и омывателей фар (реле устанавливают на часть выпускаемых автомобилей); 3 — монтажная перемычка на месте реле включения звуковых сигналов (в вариантном исполнении устанавливают реле); 4 — монтажная перемычка на месте реле включения электродвигателя вентилятора си стемы охлаждения (в вариантном исполнении устанавливают реле); 5 — реле включения дальнего света фар; 6 — реле включения ближнего света фар; F1-F17 — плавкие предохранители (цепи, защищаемые плавкими предохранителями штыревого типа, указаны в табл. выше).
Приборы электрооборудования, потребляющие при работе большой ток, подключены через реле, защищающие от перегрузки контакты выключателей. Для замены штыревых предохранителей и реле в монтажном блоке предусмотрены специальные пластмассовые пинцеты. Предохранители разного номинала окрашены разным цветом; кроме того, на предохранителе нанесено числовое значение силы тока, на который он рассчитан (номинал). Цвет корпуса предохранителя и его соответствие номиналу 20А — Желтый 15А — Голубой 10А — Красный 7,5А — Коричневый
Схема ВАЗ-2104
ВАЗ 2104 с задним приводом и кузовом «универсал» выпускался с 1983 по 2012 год. Модель постоянно совершенствовалась: менялось электрооборудование, появилась система впрыска топлива, пятиступенчатая КПП и полуспортивные передние сиденья. Модификация ВАЗ 21043 была дополнена системой очистки и подогрева окна задней двери. Информация по схемам предназначена для самостоятельного ремонта авто. Электросхемы разделены для удобства просмотра через компьютер или телефон на несколько блоков, также имеются файлы в виде единой картинки с описанием каждого элемента — для распечатки на принтере.
Проверяем работоспособность модулей зажигания: инжектор 8 16 клапанов
Системы зажигания на карбюраторных и инжекторных Ладах сильно отличаются. Так, «десятка» сперва комплектовалась классической корпусной катушкой зажигания, как и 2109. Но потом, с началом установки под капот впрысковых моторов на 8 клапанов, появилась необходимость в замене старой «бобины» более современным модулем зажигания. Данный элемент заключает в себе двухканальный коммутатор и сразу 2 катушки, которые дают искру для двух пар свечей зажигания. С приходом эры 16-клапанных моторов на Лады стали устанавливать индивидуальные катушки зажигания — по одной на каждую свечу. По правилам, модуль зажигания должен проверяться на специальном стенде. Но, как и в случае с классической катушкой, есть шанс добиться правды при помощи тестера.
Признаки неработоспособности электросхемы
Электропроводка ВАЗ 2104 — это слабое место, постоянно что-то не работает. Поскольку производство автомобилей этой модели было прекращено много лет назад, часто автовладельцы ВАЗ с карбюратором или инжектором сталкиваются с проблемой неработоспособности оборудования. Если электрооборудование стало работать некорректно, автомобилисту необходимо произвести диагностику схемы. Всегда помните о том, что при проведении работ по ремонту электропроводки систему всегда нужно обесточивать. Проверка работоспособности тех или иных устройств осуществляется на основании изучения схемы.
Блок предохранителей «четверки»
Если вы заметили, что в работе электроцепи появились неполадки, транспортное средство может работать в одном из двух состояний:
- Если авто не может сдвинуться с места и даже не заводится, то в целом возможных причин, по которым это происходит, существует множество. В таких случаях в первую очередь осуществляется диагностика работоспособности трамблера и стартера, также необходимо . В зимнее время года владельцы «четверок» со старыми батареями нередко сталкиваются с похожей проблемой в результате полного разряда АКБ. Как показывает практика, полный выход из строя генератора случается значительно реже, однако работоспособность этого устройства также необходимо проверить.
- Автомобиль может завестись и даже едет, однако в работе оборудования есть сбои. Проблемы также могут быть самыми разнообразными — и короткие замыкания, и обрывы, и выход из строя предохранителя, и поломка самого оборудования. Казалось бы, почему одновременно не , дворники очистки лобового стекла, обогрев заднего вида? На первый взгляд, эти элементы никак не связаны между собой, но стоит вспомнить, что все они работают при включении зажигания, и все становится на свои места.
По мнению экспертов в области ремонта проводки, первое, что нужно сделать — это проверить устройство выключателя зажигания, так как этот компонент предназначен для:
- управления всем функционалом системы зажигания;
- управления сигнализацией транспортного средства (автор видео — Edward Deviatkin).












